
Введение
Как инженеры прошлого решали задачи измерения мощности без современных микросхем с DSP? В статье рассказываем о приборе Энергомера ЦЭ6806П, созданном в 2006 году для поверки электросчётчиков и построенном по технологиям 1980-х годов.
Мы разберём его конструкцию, принципы работы, а также узнаем, как дискретно-аналоговые решения помогали достигать высокой точности. Энергомера — это пример инженерной изобретательности, открывающий уникальный взгляд на развитие электроизмерительных приборов.
Автор: Роман, инженер компании Wiren Board.
Современные технологии учёта электроэнергии
В настоящее время задача учета потребленной электрической энергии решается, конечно, использованием специализированных микросхем. Таким же образом работают и наши измерители WB-MAP — мы используем микросхемы ATM90E32AS и ATM90E36A фирмы Microchip. Еще есть много других производителей микросхем для счетчиков: несколько западных, несколько китайских, российские и даже южно-африканский.
Практически все такие микросхемы работают одинаково. Сигналы напряжения (с калиброванного делителя напряжения) и тока (с трансформатора тока или резистивного шунта) поступают на входы 24-битных сигма-дельта АЦП с очень большим динамическим диапазоном. Эти отсчеты напряжения и тока дальше обрабатываются специализированным цифровым сигнальным процессором (DSP). Обычно DSP прореживает отсчеты тока и напряжения до частоты 2 кГц и выполняет их взаимное перемножение. Таким образом, получаются значения мгновенной мощности (потребленной энергии) за каждые 0.5 мс. Накапливая (интегрируя) эти значения, мы получаем основной для учета электроэнергии показатель — потребленную активную мощность. Разумеется, из отсчетов тока и напряжения DSP может вычислять (и конечно, делает это) другие полезные значения: частоту сети, RMS значения напряжения и тока, реактивную мощность, фазовые углы и так далее.
Но эти микросхемы получили распространение лишь последние 30 лет. Как эта задача решалась раньше?
Экскурс в историю
В совсем давние времена, когда появились первые электрические сети постоянного тока, использовались даже электрохимические счетчики, использующие электролитический перенос ртути с конца одного ртутного столбика на другой. Забавно, что похожие ячейки применялись на советских измерительных приборах для учета их времени наработки вплоть до 1980-х годов!
По мере распространения сетей переменного тока стали использовать электромеханические счетчики. Они используют алюминиевый диск, две мудрено сделанные катушки с магнитопроводами (для напряжения и для тока), расположенные сверху и снизу от диска, и магнитодинамический тормоз. Первая катушка наводит в диске вихревой ток, который взаимодействует с полем второй катушки и создает вращающий момент. А поле второй катушки тоже наводит в диске вихревой ток, который взаимодействует с полем первой и тоже создает свой вращающий момент. Сумма этих моментов не равна нулю, и, как задумано нашими талантливыми предками, получается пропорциональной произведению мгновенных значений напряжения и тока. А магнит тормоза, в свою очередь, тоже наводит вихревой ток в своей зоне диска, образуя уравновешивающий тормозной момент. Вращение диска передается через червячную передачу на механический барабанный счетчик, который показывает значение потребленной электроэнергии.
Очевидно, что несмотря на появление этого механизма более 100 лет назад, он производит точно те же самые вычисления, что и современные аналогово-цифровые чипы электрических счетчиков. А именно, поскольку вращающий момент определяется хитрым взаимодействием магнитных полей катушек напряжения и тока с алюминиевым диском, мгновенное значение вращающего момента пропорционально произведению мгновенных значений напряжения и тока, то есть мгновенному значению активной мощности, что мы видели и в цифровой реализации. А тормозной момент от магнита прямо пропорционален скорости вращения диска. Если не учитывать небольшую погрешность от трения, то эти моменты балансируют друг друга и текущая скорость вращения диска прямо пропорциональна потребляемой активной мощности даже с учетом фазового угла и искажений формы тока и напряжения. А барабанный счетчик оборотов является механическим вариантом интегратора.
Для трехфазного счетчика конструкция из пары катушек повторяется два или три раза с одним или двумя алюминиевыми дисками. Вращающие моменты суммируются, что соответствует суммированию мощностей, измеренных на трех (или иногда двух) фазах. Обратите внимание на безумное количество шайбочек, проволочек, винтиков для калибровки — всё это ручной труд! Разве можно сравнить это с электронным счетчиком, который автоматическая установка тестирует и калибрует за несколько минут?
Есть даже хитрый трюк, позволяющий измерять подобным образом не активную, а реактивную мощность. Правда, без электроники точность измерения получается так себе, но об этом подробнее дальше.
Примерно в 1970-1990-х годах начали пытаться выполнять вычисления, необходимые для задач учета электроэнергии, в чисто электронном виде. Но тогда еще не было дешевых доступных многоразрядных АЦП, и DSP процессоров. Вычисления проводились гибридным, дискретно-аналоговым способом, используя доступную в те времена элементную базу — CMOS логику 4000-й серии, аналоговые MOS ключи, операционные усилители.
Недавно к нам попал интересный прибор. Хоть он и произведен в 2006 году, технические решения в нем относятся к 80-м годам прошлого века.
Прибор называется «Энергомера ЦЭ6806П». Его основная задача не в учете электроэнергии, а в поверке/калибровке абонентских счетчиков электроэнергии, соответственно, заявлена более высокая точность (хотя при анализе конструкции в этом возникают некоторые сомнения 🙂).
Конструкция «Энергомера ЦЭ6806П»
Прибор собран в пластиковом чемоданчике стиля Peli Case. На передней панели — набор клемм для подключения каналов напряжения, тока, выносных токовых трансформаторов типа клещи и специализированного датчика для снятия сигнала оборота диска поверяемого счетчика.
В правом верхнем углу панели — плата с микроконтроллером, в левом верхнем — дополнительные усилители каналов тока. Большой галетный переключатель под ними выбирает режим работы каналов напряжения, маленький — их предел. Еще два галетника, управляющих режимом токовых каналов, спрятаны под экраном. По центру видим плату с ЖК-дисплеем.
В нижней части ящика есть силовой трансформатор, трансформаторы напряжения и тока. Желтые квадратики — позисторная (PTC) защита каналов тока. Большая плата — собственно, вычислитель активной мощности.
Здесь мы видим три добротных трансформатора напряжения — материалов не жалели (это необходимо, чтобы иметь малые потери напряжения на сопротивлении обмоток, и, соответственно, высокую точность). Еще видим три трансформатора тока, спрятавшихся под клеммными платами, и собственно, плату вычислителя.
На плате вычислителя перестроечная солянка из компонентов. Есть как фирменные микросхемы TI. Philips, Onsemi, так и наши старые добрые К561ЛН2. Основная элементная база — КМОП логика 4000-й серии, старенькие, но довольно точные операционные усилители OP07 и компараторы LM211. Затесалось несколько советских JFET операционников К544УД1. Гибридные микросхемы со странным названием СЭС4 — это подогнанные лазером наборы резисторов в виде 6-разрядной матрицы R-2R. В русском интернете можно найти фотки вскрытых таких чипов. Обычно R-2R матрицы ассоциируются с ЦАП, но здесь они используются как точные фиксированные делители в цепях опорных источников. К нашему сожалению, конденсаторы, использованные здесь, — обычные советские полиэстерные К73-17, никогда особо не блиставшие качеством. Причем они установлены даже в прецизионных цепях. Для калибровок предусмотрена масса многооборотных подстроечных резисторов.
Процессорная плата. Здесь мы видим микроконтроллер и пару вспомогательных выпрямителей. Процессор AT89C52 из старого репертуара Atmel. Это усовершенствованные Intel 8051, те, что были в моде до появления AVR (Arduino и тп.) Интересно, сколько осталось жизни в электролитических конденсаторах 2006 года рождения?
Дисплейная плата. Создатели не поддались на моду тех времен использовать символьные ЖК-индикаторы на контроллере Hitachi с параллельным интерфейсом и сделали все по-своему, на пассивном 7-сегментном ЖКИ. Обычно рядом с ЖКИ живет специализированная микросхема с элементам «исключающее ИЛИ» на выходах. Она предназначена для генерации переменного тока для управления дисплеем. Здесь мы видим самоделку из шести включенных последовательно микросхем MC14094. Это 8-разрядный регистр сдвига, можно сказать, аналог любимого сейчас 74HC595.
Важно, что ЖК-дисплеем можно управлять только переменным током со сбалансированными полуволнами. Использование постоянного тока, или несбалансированного переменного, приводит к быстрому выходу дисплея из строя. Происходит это из-за электролиза. Специализированный контроллер ЖКИ разбирается с этим сам, а в этой схеме процессору приходится часто-часто обновлять дисплей, выдавая прямые и инверсные сигналы на сегменты и общий электрод. Мы ткнулись осциллографом — да, это именно так. Будем надеяться, что управляющая программа точно соблюдает балансировку полуволн.
Вот усилитель каналов тока, тот, что стоит между трансформаторами тока и токовыми входами вычислителя. Так… интересно, коряво припаянные К73-17 тут с завода или это результат ремонта? Они корректируют паразитный сдвиг фазы токовых каналов.
И опять гроздья многооборотных подстроечных резисторов СП5-2 для калибровки на разных пределах тока. Обратите внимание, часть из них нормальная, в алюминиевых корпусах с карболитовым дном, а часть уже «перестроечная», в пластике. Советские СП5-2 были довольно хороши, а вот у модернизированных серий вид довольно унылый. Зачем надо было такое использовать? В 2006 году уже нормально покупался Bourns.
Как это работает
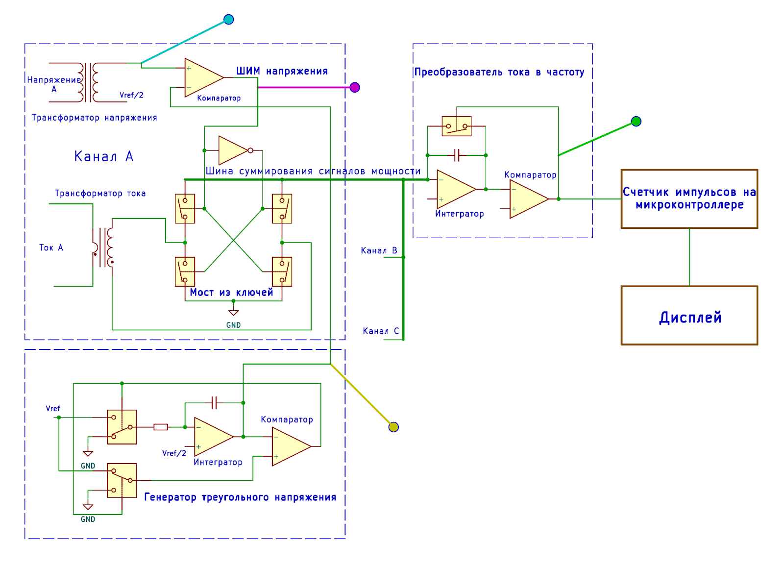
Ну и теперь разберем, как же работает вычислитель этого прибора. В 2006 году уже были микросхемы аналоговых перемножителей, но их точность и динамический диапазон оставляли желать лучшего. Еще аналоговый перемножитель работает на физических свойствах PN-перехода, и его точность заметно «уходит» с ростом температуры. Компенсировать это сложно, дорого и нестабильно. А нам нужна погрешность порядка 0.1%. Поэтому вычислитель здесь работает по дискретно-аналоговому принципу, структура показана ниже на сильно упрощенной схеме. Схема, конечно, не до конца настоящая, многие второстепенные части пропущены!
Идея заключается в том, что мы преобразуем сигналы напряжения каналов в ШИМ (широтно-импульсно-модулированные) цифровые сигналы. Далее на микросхемах аналоговых ключей (фактически просто набор из четырех N-MOS транзисторов) мы собираем мосты, в одну диагональ которых подаем сигнал с каналов тока, а на другой диагонали ожидаем получить ток, среднее значение которого как раз и будет прямо пропорционально измеряемой активной мощности канала.
Для преобразования сигналов напряжения в ШИМ мы достаточно точно генерируем треугольное напряжение, с частотой в районе 550 Гц, «как получится». Точное значение частоты некритично, и даже лучше если она никак не синхронизирована с питающей сетью. Сигнал генерируется широкоизвестной схемой из интегратора и компаратора. Стабильность амплитуды важна и обеспечивается точным стабилитроном. Симметричность тоже важна и обеспечивается использованием той самой сборки точных резисторов СЭС4.
Треугольный сигнал генератора сравнивается компаратором с сигналом напряжения канала. Если напряжение отсутствует, на выходе компаратора будет прямоугольное напряжение с скважностью равной двум.
Мост из ключей устроен таким образом, что он пропускает сигнал тока на выход (другую диагональ) либо со знаком (-) либо со знаком (+), в зависимости от сигнала компаратора . Если нет сигнала напряжения, среднее значение тока на выходе моста равно нулю. Это уже хорошо и соответствует ожиданиям.
Когда на вход компаратора начинает поступать сигнал напряжения, полуволны цифрового сигнала на его выходе разбалансируются и скважность больше не равна двум. Это значит, что на выходе моста появляется токовый сигнал, среднее значение которого (опять же!) равно усредненному значению произведения мгновенных значений напряжения и тока. Собственно, в результате работы вычислителя полностью цифрового счетчика или даже старого доброго электромеханического варианта, мы получаем то же самое.
Такая схема весьма точно выполняет перемножение для сигналов небольшой частоты, как раз таких, как сетевое напряжение/ток и даже их низшие гармоники. Это получается гораздо дешевле и точнее возможной схемы на аналоговых перемножителях. Ключ на полевом транзисторе имеет низкое (десятки ом) сопротивление в открытом состоянии, очень большое (гигаомы) — в закрытом, что исключает его влияние на результат вычислений. А вот простой ключ на полевом транзисторе при своей работе передает на выход заметный паразитный заряд через емкость своего затвора. Но при низкой выбранной частоте коммутации (~550 Гц) это не очень страшно.
Поскольку нас интересует суммарная активная мощность по трем фазам, токовые сигналы с выходов перемножающих мостов каналов просто суммируются на общей шине.
Дальше этот ток надо как-то оцифровать — причем опять же с хорошей точностью и с большим динамическим диапазоном. Фактически нам нужен не обязательно быстрый, но точный АЦП. Исходя из доступной в то время элементной базы авторы решили использовать преобразование тока в частоту. Говоря просто, это комбинация интегратора и компаратора (реальная схема несколько сложнее, но идея та же). Ток линейно накапливается в виде заряда на конденсаторе интегратора, и когда значение превышает порог компаратора, на выходе схемы появляется импульс, а заряд конденсатора сбрасывается. Таким образом, частота на выходе пропорциональна значению входного тока с достаточной точностью.
Ну и дальше остается только посчитать импульсы преобразователя напряжения в частоту за фиксированный интервал времени и мы получим значение, пропорциональное потребляемой мощности по трем фазам трехфазной системы. Это уже тривиально делается на таймерах микроконтроллера.
А правда ли все так безмятежно? Почти, но не все. Дело в том, что в этой схеме имеется некий огрех с точки зрения обработки сигналов. Мы пытаемся дискретизировать по времени полезный сигнал (напряжение и ток канала), не позаботившись об очистке его от спектральных составляющих с частотами выше половины частоты дискретизации (в соответствии с бессмертными заповедями Котельникова-Найквиста). Сделать это можно с помощью фильтра, но на используемой частоте модуляции это практически невозможно. Фильтр с такой крутой характеристикой сложен и дорог, и еще он безнадежно испортит фазовый угол проходящего через него сигнала, что для точного счетчика очень критично. В результате мы миримся с тем, что гармоники сигналов напряжения и тока вступают в неприятные для нас взаимоотношения с частотой модуляции (550 Гц) и ее гармониками. Это называется aliasing или наложение спектра. Нас спасает то, что частота модуляции не синхронизирована с частотой сети, и при интегрировании активной мощности за большой период времени искажения, скорее всего, суммируются в близкое к нулю значение. «Скорее всего» звучит не очень хорошо, когда мы говорим о точном измерительном приборе :) Спасает то, что это все-таки не абонентский счетчик, предназначенный для работы с реальными нелинейными нагрузками, а калибровочный прибор, работающий в стенде с источником синусоидальных напряжений и токов.
На картинке выше — осциллограммы сигналов, снятых на реальном счетчике, в точках, отмеченных цветными кружками на схеме:
-
Голубой — сигнал напряжения.
-
Желтый — треугольный модулирующий сигнал.
-
Пурпурный — результат работы компаратора. Он будет управлять ключами перемножающего моста.
-
Зеленый — выход преобразователя напряжения в частоту, эти импульсы и будет считать микроконтроллер.
Сигнал тока на выходе моста, безусловно, имеет интересную замысловатую форму, и хотелось бы на него посмотреть. Но его сложно снять, не перерезая проводники на плате и не отпаивая компоненты, чего делать не хотелось.
Напоследок остался еще один интересный вопрос — для этого прибора заявлено еще и измерение реактивной мощности. Чтобы ее вычислить, надо умножать сигналы тока на повернутый на 90 градусов сигнал напряжения. Современные цифровые чипы счетчиков элементарно это делают. Нужно всего лишь точно измерить частоту сети и задержать сигнал в памяти в FIFO буфере на время, соответствующее 90-градусному сдвигу фаз. Другой часто используемый способ вычисления — это перемножить среднеквадратичные значения напряжения и тока, получив тем самым значение полной мощности, а затем вычесть из нее значение измеренной активной мощности. Analog Devices в своих микросхемах вообще уповает на некий патентованный алгоритм, не рассказывая простым смертным детали реализации :) А как с нашим счетчиком?
В принципе, фазовращателями можно добавить 90-градусные сдвиги. Это не очень хорошо, поскольку при колебаниях частоты сети фазовращатели будут терять точность. Но в схеме счетчика даже нет компонентов с такой функцией. А для получения 90-градусного сдвига используется старый способ из мира электромеханических счетчиков. Берем сигнал тока фазы А, а как сигнал напряжения используем разность напряжений фаз B и C — их разность будет повернута как раз на 90 градусов. Вот и измерение реактивной мощности.
Тут, конечно, всплывает масса ограничений. Например, если будет перекос фаз, красивая картинка сразу испортится. А уж если вспомнить про гармоники… Но попробуйте дать хотя бы теоретическое определение того, что считать реактивной мощностью в сети с перекосом фаз или гармониками. Даже составители стандартов IEC испытывают с этими определениями трудности.
Счетчик «Энергомера» для переключения в режим измерения реактивной мощности использует большой галетный переключатель, который мы видели на фотографии. Он как раз коммутирует первичные обмотки трансформаторов напряжения и сообщает об этом микроконтроллерной части, чтобы она ввела соответствующий коэффициент пересчета для вычисленной мощности.
Заключение
Итак, что можно сказать про счетчик ЦЭ6806П? У нас была идея использовать его как образцовый измеритель для разработки и производства наших устройств WB-MAP. Ожидания, как обычно, не оправдались. Наибольшие сомнения вызвало использование большого количества подстроечных резисторов непонятного качества для внутренней калибровки, один из которых был неисправен, и его пришлось заменить. Также качество монтажа в некоторых местах, мягко говоря, не очень убедительное, поэтому железка отправляется в музей, показав нам необычный способ вычисления мощности, который использовали до появления специализированных микросхем с DSP внутри.
Приходите к нам на WBCE 2025 — выставка и конференция по автоматизации. Отчёты с прошлых выставок.
Автор: wb-engineer
