
Что делать, если у вас внезапно появился красивый винтажный IBM 5150? Первым делом — не торопиться его включать, а посмотреть на БП, который может оказаться 115-вольтовым. И тогда придётся городить такую штуку:
Но ретрокомпьютерщик Matt Millman решил «научить» этот стильный БП работать от 230 В без дополнительных устройств. Сразу приведу дисклеймер: поскольку переделка касается первичной стороны блока, если у вас нет вот этого… в общем, ретрокомпьютинг настолько многогранен, что в нём найдётся другое интересное занятие и для вас, даже более сложное. old_gamer, например, для того же 5150 новую материнскую плату собрал. Поэтому галку Tutorial не ставлю.
БП оказался импульсным и однотактным — как современные:

Картинка шириной в 5000 пикселей
Есть и другие варианты схемы блока, но их отличия от базовой незначительны. Но главное — у него на входе находится удвоитель. Вся первичная сторона питается от двух последовательно соединённых конденсаторов, суммарное напряжение на которых составляет 325 В. В общем, всё как в 230-вольтовом БП, только вместо входного моста — удвоитель:

Поговорив об этом на форуме, автор выяснил, что существует и 230-вольтовый вариант этого БП, но там вся первичная сторона сильно отличается. Поэтому он решил придумать свой способ переделки, при котором не придётся «перепахать» половину платы вдоль и поперёк.
Удвоитель он решил заменить на мост KBPC610, заодно установив термистор с отрицательным температурным коэффициентом вместо резистора R1. И даже смоделировал, как в результате уменьшится пусковой ток:

Во многих более современных БП есть переключатели для выбора между удвоителем и мостом. Здесь же не всё так просто. На конденсаторе C2 висит дополнительная нагрузка, поэтому распределение напряжений на конденсаторах C1 и C2 после замены удвоителя на мост будет неравномерным, и C1 лопнет.
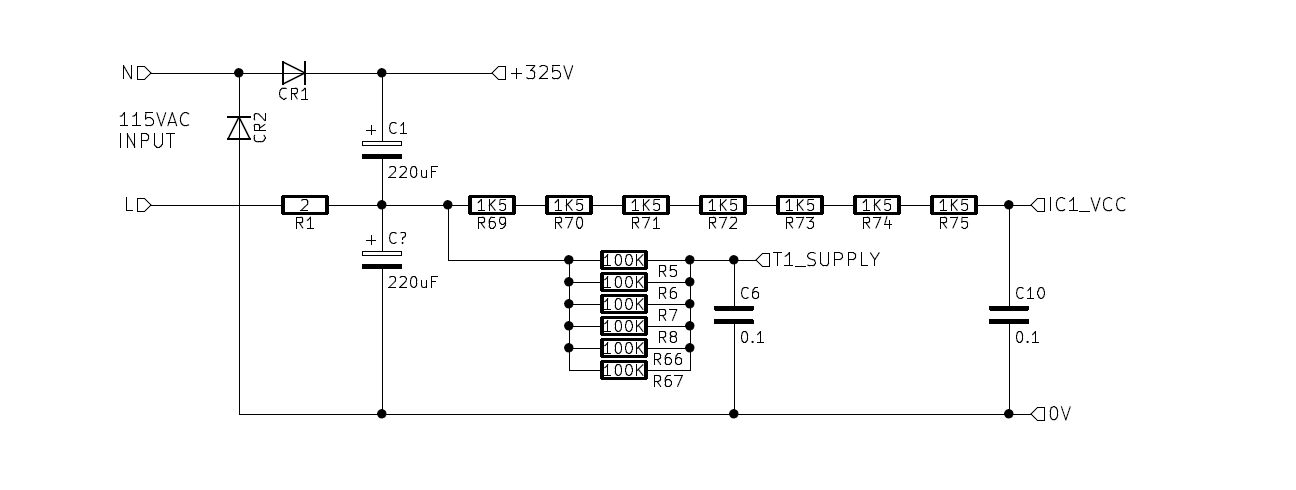
Со средней точки через длинную цепочку резисторов R69 — R75 питается микросхема IC1 типа NE5560 со встроенным стабилитроном на напряжение в 21,4 В. Чтобы нагрузка на конденсаторы C1 и C2 стала равномерной, надо увеличить общее сопротивление резисторной цепочки и запитать её с плюсового вывода конденсатора C1.

При резисторах, указанных на схеме (6 шт. по 1,5 кОм и 1 шт. 750 Ом) ток через них и встроенный стабилитрон микросхемы составит 14 мА:
(162 В — 22,9 В) / 9750 Ом = 0,014 А = 14 мА
После переноса точки питания цепочки её общее сопротивление придётся увеличить до:
(325В — 22,9 В) / 0,014 А = 21578 Ом = 21,5 кОм
Но у автора оказался такой БП, где все 7 резисторов — 1,5-килоомные, стало быть, ток составит:
(162 В — 22,9 В) / 10500 Ом = 0,0132 A = 13 мА
А после переделки сопротивление цепочки должно быть:
(325 В — 22,9 В) / 0,0132 мА = 22886 Ом =22,8 кОм
Следующая задача — сделать что-нибудь с контрольной точкой 36. Напряжение на неё поступает с двух мест: с нижнего по схеме вывода 100-килоомного резистора R9 и с нижнего же вывода «фумигатора» из шести параллельно соединённых 100-килоомных же резисторов R5, R6, R7, R8, R66, R67.

С R9 делать ничего не надо, а вот все резисторы «фумигатора» придётся заменить на 200-килоомные, поскольку верхний вывод оного будет также перенесён на плюс конденсатора C1. Ток при этом останется равным 7 — 8 мА, как и при питании от 115 В до переделки.
Теперь параллельно каждому из конденсаторов C1, C2 надо подключить по резистору на 120 кОм, 2 Вт, это уж точно выровняет напряжение на них несмотря на разброс параметров. Если вы, читая всё это, уснули от скуки, просыпайтесь. Ибо теперь то же самое, только коротко и ёмко. Было так:

А стало так:

Вот плата до переделки:


Вот после:


Даже Коковин (да что там, даже Pikachu062), посмотрев на это, скажет, что «аутЭнтичность» почти не нарушена.
Для перемычек применён жёсткий провод диаметром в 1 мм (вообще-то, обычно для проводов указывают не диаметр, а сечение), помещённый в термоусадку.
120-килоомные резисторы, подключённые параллельно конденсаторам, впаяны с обратной стороны платы. Они не должны касаться ни платы, ни корпуса!

Настала очередь переделки фильтра помех. Там были конденсаторы, рассчитанные на 125 В (для таких конденсаторов часто указывают не амплитудное, а действующее значение напряжения):

Их пришлось заменить на такие же, но 250-вольтовые, типа Kemet PHE844RD6100MR30L2. А сопротивление резистора, разряжающего их после отключения — увеличить с 300 до 560 кОм.
Можно включать? Как бы не так! Снова вспомним Pikachu062 с его коронной фразой: «без кулера сгорит». А здесь сгорит сам кулер (если он есть, в некоторых таких БП его нет вообще). Потому что тогда вентиляторы в БП питали не постоянкой с выхода, а переменкой со входа. Вспомним БП «Электроники-60», там так же.
В общем, надо заменить 115-вольтовый вентилятор на 230-вольтовый, сохранив оригинальный редкий разъём Molex 90331. Импровизированный инструмент из обточенной вешалки помог вытащить из оригинального разъёма контакты:

Новые такие же найти не удалось, на сайте Molex сказано, что к этому разъёму подойдут другие, типа KK .156 (KK396).
Оригинальный вентилятор типа Rotron “Sprite” SU2C1 не снят с производства до сих пор:

Пришлось заменить его на SU3B1, отличающийся только напряжением питания, и переставить на него оригинальный разъём с новыми контактами:

Подойдёт также EBM PAPST 8556N:

Но он дует в другую сторону, поэтому его придётся развернуть соответствующим образом.
В те годы импульсные БП проектировали так, что их нельзя включать без нагрузки. Но если очень хочется, то можно через 40-ваттную лампу накаливания и совсем ненадолго. За это время можно успеть проверить (снова напомню, что вы работаете с первичной стороной):
— напряжение на средней точке между конденсаторами фильтра — должно быть равным половине амплитудного значения напряжения сети
— напряжение от 21 до 22 В на выводе 1 микросхемы IC1
— ток в 10 — 12 мА через последовательную цепочку (миллиамперметр подключить ЗАРАНЕЕ)
— ток в 7-8 мА через «фумигатор» (см. предыдущий пункт)
Затем автор убрал 40-ваттную лампочку из первичной цепи, а выход БП нагрузил 40-ваттным же эквивалентом нагрузки и «погонял» несколько часов:

И возвратил БП в компьютер. После этого обнаружилась одна странность: пищащий звук, исчезающий после небольшого увеличения нагрузки на выходе +12 В. Подключив осциллограф к выходу +5 В, автор обнаружил такое:

Это потеряли ЭПС электролитические конденсаторы на вторичной стороне. После их замены проблема исчезла, и всё работает как надо.
Всем спасибо за внимание. И не набивайте 5150 платами сверх меры, выходная мощность БП там всего 63 Вт.
Автор: tormozedison
