Введение
Добрый день уважаемый читатель, я хочу рассказать тебе о основах построения усилителей звуковой частоты. Я думаю эта статья будет интересна тебе если ты никогда не занимался радиоэлектроникой, и конечно же она будет смешна тем кто не расстаётся с паяльником. И поэтому я попытаюсь расказать о данной теме как можно проще и к сожалению опуская некоторые нюансы.
Усилитель звуковой частоты или усилитель низкой частоты, что бы разобраться как он всё таки работает и зачем там так много всяких транзисторов, резисторов и конденсаторов, нужно понять как работает каждый элемент и попробовать узнать как эти элементы устроены. Для того что бы собрать примитивный усилитель нам понадобятся три вида электронных элементов: резисторы, конденсаторы и конечно транзисторы.
Резистор
Итак, резисторы у нас характеризуются сопротивлением электрическому току и это сопротивление измеряется в Омах. Каждый электропроводящий металл или сплав металлов имеют своё удельное сопротивление. Если мы возьмём проволоку определённой длинны с большим удельным сопротивлением, то у нас получиться самый настоящий проволочный резистор. Для того что бы резистор был компактным, проволоку можно намотать на каркас. Таким образом у нас получится проволочный резистор, но он имеет ряд недостатков, поэтому резисторы обычно изготавливаются из металлокерамического материала. Вот так обозначаются резисторы на электрических схемах:

Верхний вариант обозначения принят в США, нижний в России и в Европе.
Конденсатор
Конденсатор представляет из себя две металлических пластины разделённые диэлектриком. Если мы подадим на эти пластины постоянное напряжение, то появиться электрическое поле, которое после отключения питания будет поддерживать на пластинах положительный и отрицательный заряды соответственно.

Таким образом конденсатор способен накапливать электрический заряд. Эта способность накапливать электрический заряд называется электрическая ёмкость, что есть главный параметр конденсатора. Электрическая ёмкость измеряется в Фарадах. Что ещё характерно, это то что когда мы заряжаем или разряжаем конденсатор, через него идёт электрический ток. Но как только конденсатор зарядился, он перестаёт пропускать электрический ток, а это потому что конденсатор принял заряд источника питания, то есть потенциал конденсатора и источника питания одинаковые, а если нет разности потенциалов (напряжения), нет электрического тока. Таким образом, заряженный конденсатор не пропускает постоянный электрический ток, но пропускает переменный ток, так как при подключении его к переменному электрическому току, он будет постоянно заряжаться и разряжаться. На электрических схемах его обозначают так:

Транзистор
В нашем усилителе мы будем использовать самые простые биполярные транзисторы. Транзистор изготавливают из полупроводникового материала. Нужное для нас свойство это материала, — наличие в них свободных носителей как положительных, так и отрицательных зарядов. В зависимости от того каких зарядов больше, полупроводники различают на два типа по проводимости: n-тип и p-тип (n-negative, p-positive). Отрицательные заряды — это электроны, освободившиеся с внешних оболочек атомов кристаллической решетки, а положительные — так называемые дырки. Дырки — это вакантные места, остающиеся в электронных оболочках после ухода из них электронов. Условно обозначим атомы с электроном на на внешней орбите синим кружком со знаком минус, а атомы с вакантным местом — пустым кружком:

Каждый биполярный транзистор состоит из трёх зон таких полупроводников, эти зоны называют база, эмиттер и коллектор.

Рассмотрим пример работы транзистора. Для этого подключим к транзистору две батарейки на 1,5 и на 5 вольт, плюсом к эмиттеру, а минусом к базе и коллектору соответственно (смотрим рисунок):

На контакте базы и эмиттера появиться электромагнитное поле, которое буквально вырывает электроны с внешней орбиты атомов базы и переносит их в эмиттер. Свободные электроны оставляют за собой дырки, и занимают вакантные места уже в эмиттере. Это же электромагнитное поле оказывает такое же воздействие на атомы коллектора, а так как база в транзисторе достаточно тонкая относительно эмиттера и коллектора, электроны коллектора достаточно легко проходят сквозь неё в эмиттер, причём в гораздо большем количестве чем из базы.
Если же мы отключим напряжение от базы, то никакого электромагнитного поля не будет, а база будет выполнять роль диэлектрика, и транзистор будет закрыт. Таким образом при подаче на базу достаточно малого напряжения, мы можем контролировать большее поданное напряжение на эмиттер и коллектор.
Рассмотренный нами транзистор pnp-типа, так как у него две p-зоны и одна n-зона. Так же существуют npn-транзисторы, принцип действия в них такой же, но электрический ток течёт в них в противоположную сторону, чем в рассмотренном нами транзисторе. Вот так биполярные транзисторы обозначаются на электрических схемах, стрелка указывает направление тока:

УНЧ
Ну что ж, попробуем спроектировать из этого всего усилитель низкой частоты. Для начала нам нужен сигнал который мы будем усиливать, это может быть звуковая карта компьютера или любое другое звуковое устройство с линейным выходом. Допустим наш сигнал с максимальной амплитудой примерно 0,5 вольта при токе 0,2 А, примерно такой:

А что бы заработал самый простой 4-х омный 10 ваттный динамик, нам нужно увеличить амплитуду сигнала до 6 вольт, при силе тока I = U / R = 6 / 4 = 1,5 A.
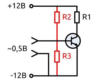
Итак, попробуем подключить наш сигнал к транзистору. Вспомните нашу схему с транзистором и двумя батарейками, теперь вместо 1,5 вольтовой батарейки у нас у нас сигнал линейного выхода. Резистор R1 выполняет роль нагрузки, дабы не было короткого замыкания и наш транзистор не сгорел.
Но тут возникают сразу две проблемы, во-первых наш транзистор npn-типа, и открывается только при положительном значении полуволны, а при отрицательном закрывается.

Во-вторых транзистор, как и любой полупроводниковый прибор имеет нелинейные характеристики в отношении напряжения и тока и чем меньше значения тока и напряжение тем сильнее эти искажения:

Мало того что от нашего сигнала осталась только полуволна, так она ещё и будет искажена:

Это есть так называемое искажение типа ступенька.
Дабы избавиться от этих проблем, нам нужно сместить наш сигнал в рабочую зону транзистора, где поместиться вся синусоида сигнала и нелинейные искажения будут незначительны. Для этого подают на базу напряжение смещения, допустим в 1 вольт, с помощью составленного из двух резисторов R2 и R3 делителя напряжения.

А наш сигнал входящий в транзистор будет выглядеть вот так:

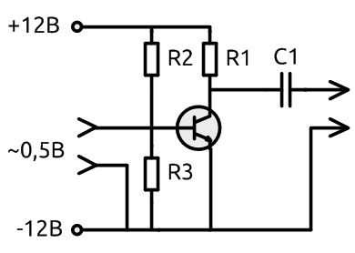
Теперь нам нужно изъять наш полезный сигнал с коллектора транзистора. Для этого установим конденсатор C1:

Как мы помним конденсатор пропускает переменный ток и не пропускает постоянный, поэтому он нам будет служить фильтром пропускающим только наш полезный сигнал — нашу синусоиду. А постоянная составляющая не прошедшая через конденсатор будет рассеиваться на резисторе R1. Переменный же ток, наш полезный сигнал, будет стремиться пройти через конденсатор, так сопротивление конденсатора для него ничтожно мало по сравнению с резистором R1.
Вот и получился первый транзисторный каскад нашего усилителя. Но существуют ещё два маленьких нюанса:
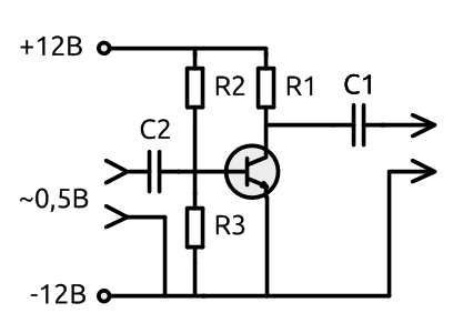
Мы не знаем на 100% какой сигнал входит в усилитель, вдруг всё таки источник сигнала неисправен, всякое бывает, опять же статическое электричество или вместе с полезным сигналом проходит постоянное напряжение. Это может стать причиной не правильной работы транзистора или даже спровоцировать его поломку. Для этого установим конденсатор С2, он подобно конденсатору С1 будет блокировать постоянный электрический ток, а так же ограниченная ёмкость конденсатора не будет пропускать пики большой амплитуды, которые могут испортить транзистор. Такие скачки напряжения обычно происходят при включении или отключении устройства.

И второй нюанс, любому источнику сигнала требуется определённая конкретная нагрузка (сопротивление). По этому для нас важно входное сопротивление каскада. Для регулировки входного сопротивления добавим в цепь эмиттера резистор R4:

Теперь мы знаем назначение каждого резистора и конденсатора в транзисторном каскаде. Давайте теперь попробуем рассчитать какие номиналы элементов нужно использовать для него.
Исходные данные:
- U = 12 В — напряжение питания;
- U бэ ~ 1 В — Напряжение эмиттер-база рабочей точки транзистора;
Выбираем транзистор, для нас подойдёт npn-транзистор 2N2712

- P max = 200 мВт — максимальная рассеиваемая мощность;
- I max = 100 мА — максимальный постоянный ток коллектора;
- U max = 18 В — макcимально допустимое напряжение коллектор-база / коллектор-эмиттер (У нас напряжение питания 12 В, так что хватает с запасом);
- U эб = 5 В — макcимально допустимое напряжение эмиттер-база (наше напряжение 1 вольт ± 0,5 вольта);
- h21 = 75-225 — коэффициент усиления тока базы, принимается минимальное значение — 75;
- Рассчитываем максимальную статическую мощность транзистора, её берут на 20% меньше максимальной рассеиваемой мощности, дабы наш транзистор не работал на пределе своих возможностей:
P ст.max = 0,8*P max = 0,8 * 200мВт = 160 мВт;
- Определим ток коллектора в статическом режиме (без сигнала), не смотря на что на базу не подаётся напряжение через транзистор всё равно в малой степени протекает электрический ток.
I к0 = P ст.max / U кэ, где U кэ — напряжение перехода коллектор-эмиттер. На транзисторе рассеивается половина напряжения питания, вторая половина будет рассеиваться на резисторах:
U кэ = U / 2;
I к0 = P ст.max / (U / 2) = 160 мВт / (12В / 2) = 26,7 mA;
- Теперь рассчитаем сопротивление нагрузки, изначально у нас был одни резистор R1, который выполнял эту роль, но так как мы добавили резистор R4 для увеличения входного сопротивления каскада, теперь сопротивление нагрузки будет складываться из R1 и R4:
R н = R1 + R4, где R н — общее сопротивление нагрузки;
Отношение между R1 и R4 обычно принимается 1 к 10:
R1 = R4*10;
Рассчитаем сопротивление нагрузки:
R1 + R4 = (U / 2) / I к0 = (12В / 2) / 26,7 mA = (12В / 2) / 0,0267 А = 224,7 Ом;
Ближайшие номиналы резисторов это 200 и 27 Ом. R1 = 200 Ом, а R4 = 27 Ом.
- Теперь найдем напряжение на коллекторе транзистора без сигнала:
U к0 = (U кэ0 + I к0 * R4) = (U — I к0 * R1) = (12В -0,0267 А * 200 Ом) = 6,7 В;
- Ток базы управления транзистором:
I б = I к / h21, где I к — ток коллектора;
I к = (U / R н);
I б = (U / R н) / h21 = (12В / (200 Ом + 27 Ом)) / 75 = 0,0007 А = 0,07 mA;
- Полный ток базы определяется напряжением смещения на базе, которое устанавливается делителем R2 и R3. Ток задаваемый делителем должен быть в 5-10 раз больше тока управления базы (I б), что бы собственно ток управления базы не влиял на напряжение смещения. Таким образом для значения тока делителя (I дел) принимаем 7 mA и рассчитываем R2 и R3:
R2 + R3 = U / I дел = 12В / 0,007 = 1714,3 Ом
- Теперь рассчитаем напряжение на эмиттере в состоянии покоя транзистора (U э):
U э = I к0 * R4 = 0,0267 А * 27 Ом = 0,72 В
Да I к0 ток покоя коллектора, но этот же ток проходит и через эмиттер, так что I к0 считают током покоя всего транзистора.
- Рассчитываем полное напряжение на базе (U б) с учётом напряжения смещения (U см = 1В):
U б = U э + U см = 0,72 + 1 = 1,72 В
Теперь с помощью формулы делителя напряжения находим значения резисторов R2 и R3:
R3 = (R2 + R3) * U б / U = 1714,3 Ом * 1,72 В / 12 В = 245,7 Ом;
Ближайший номинал резистора 250 Ом;
R2 = (R2 + R3) — R3 = 1714,3 Ом — 250 Ом = 1464,3 Ом;
Номинал резистора выбираем в сторону уменьшения, ближайший R2 = 1,3 кОм.
- Конденсаторы С1 и С2 обычно устанавливают не менее 5 мкФ. Ёмкость выбирается такой что бы конденсатор не успевал перезаряжаться, иначе он будет отрезать «макушки» у нашего сигнала. Кстати подобный приём используется для создания гитарного эффекта «overdrive»:
Заключение
На выходе каскада мы получаем пропорционально усиленный сигнал и по току и по напряжению, то есть по мощности. Но одного каскада нам не хватит для требуемого усиления, так что придётся добавлять следующий и следующий… И так далее.
Рассмотренный расчёт довольно поверхностный и такая схема усиления конечно же не используется в строении усилителей, мы не должны забывать о диапазоне пропускаемых частот, искажениях и многом другом.
Автор: DartAlex
