Принцип подключения HDL Buspro к локальной сети
Различные подсети можно соединять путем создания локальной сети (UDP/IP) через шинный коммутатор (не более 255 подсетей). В некоторых случаях рекомендуется использовать для локальной сети кольцевую топологию для увеличения надежности всей структуры.
Настройка устройств с функцией коммутатора
Итак, возьмем несколько устройств, которые можно использовать в качестве коммутатора. Пусть это будут:
- однопортовый шинный коммутатор;
- хост управления гостиничным номером: 48-канальный хост-контроллер;
- 48-канальный DMX контроллер сцен с Ethernet портом;
- 512-канальный DMX-контроллер сцен;
- GPRS-контроллер сообщений (SMS-модуль);
- модуль фоновой музыки.
Когда данные устройства используются в качестве коммутатора, идентификатор подсети устройства должен быть таким же, как у других устройств, иначе коммутатор не сможет связаться с устройствами других подсетей. К примеру, если идентификатор подсети коммутатора — 1, у других подключенных устройств идентификатор подсети должен быть — 1.
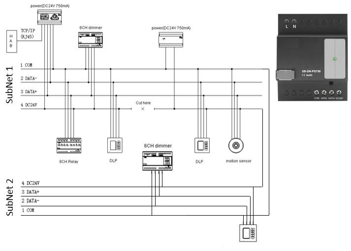
Структура топологии для одиночной шинной сети:

Пример адресов устройств:

Длина относится к устройствам, подключенной к одной шине. К шине длинной 1000м рекомендуется подключать не более 32 устройств. К шине длинной 500м — не более 64.
Структура топологии большой шинной/Ethernet сети:
Принцип питания системы
Предлагается два блока питания: 750мА и 2400мА.

Метод вычисления тока на шине:
B=(B1+B2+Bn), где B1, B2 и Bn-потребляемые токи каждого из устройств шины, а B-общий потребляемый ток всех устройств шины. Емкость блока питания больше общего потребляемого тока всех устройств шины в 1.2 раза. При проектировании длинной сети шин необходимо учесть перепады напряжения, рабочее напряжение оконечного устройства должно быть больше 15В. Есть несколько условий прокладки шины. В шине в качестве среды для передачи данных используется кабель CAT5E (UTP5). Для надежности коммуникации системы необходимо, чтобы шина шла отдельно от кабеля высокого напряжения, а так же должна быть проложена по горизонтальной стальной или ПВХ-трубе.
Шинная сеть так же должна иметь шинную технологию, рекомендуется последовательное подключение. Кольцо запрещено, а подключение по схеме звезды не рекомендуется, но не запрещено. В случае необходимости прокладки звездой использовал Хаб шины HDL на шесть портов, он позволяет реализовывать топологию подключения шины звездой до 12 устройств.
Ниже приводится наглядный пример реализации управления интерфейсом DALI. DALI (Digital Addressable Lighting Interface) – цифровое адресное управление светом. (ТридоникАтко). Это протокол связи контроллера и балластов. Для передачи сигнала по шине используется низковольтный кабель. Все балласты могут быть собраны в одну сеть, получить автоматически адреса и могут быть сгруппированы для управления.

Собственно, для реализации управления интерфейсом DALI нам будет необходим сервер OPС, свитч, к которому мы подключаем однопортовый коммутатор, релейный модуль с необходимым количеством каналов, сам DALI контроллер с возможностью подключения до 64 устройств и небольшой блок питания на 750мА. Из интерфейсов на мой взгляд лучшим вариантом будет многофункциональная DLP панель и потолочный датчик на котором будут находиться все нужные нам ИК-команды.
В данной статье вопросы программирования рассматриваться не будут, этому будет посвящена отдельная статья, в которой так же рассмотрим топологию DMX интерфейса.
Автор: AndreyPavlov
