Помните, как лет пять назад в узких кругах были популярны эксперименты с видоискателями от старых кассетных видеокамер? И вот, увидев это всё, я захотел продолжить эту тему и показать ещё несколько девайсов, в которых используются миниатюрные ЭЛТ. Они, конечно, не так поражают своими размерами, однако подключить их ещё проще.

Да, это именно они — плоские ЭЛТ, начавшие своё распространение в портативных телевизорах и завершившие его в куда более привычных простым пользователям приборах. Именно такой экземпляр мы сегодня и увидим в работе, а заодно и посмотрим, можно ли вывести на него что-то поинтереснее того, что он обычно показывает.
❯ Суть такова
Давным-давно прочитал я про то, как подключить видоискатель от аналоговой камеры и использовать его как обычный дисплей с композитным видеовходом.

Подобная камера как раз имелась у меня в щедрых закромах Родины. Это была вот такая Panasonic RX1. VHS, ЭЛТ-видоискатель — всё, что нужно. Девайс довольно простенький, но в своё время работал отлично. Он и сейчас полностью работоспособен, если не считать умершего аккумулятора.

Интересующий нас блок также был в исправном состоянии. Я пробовал подключать его, успешно получил на нём картинку, но потом собрал всё как было: разбирать рабочий раритет мне не хотелось. Но не так давно я вспомнил ещё одного представителя необычных ЭЛТ — плоские кинескопы. И, как оказалось, распространены они куда шире, чем можно подумать…
❯ Немного про эти девайсы
Одним из самых примечательных мест, где стояли такие трубки, были портативные телевизоры Sony Watchman, известные в узких кругах любителей винтажной техники. Железки эти редкие и дорогие, так что достать такой у меня не вышло.

Эхх, жаль, не котолампа...
Телевизор найти не вышло, а вот сам экран — пожалуйста. На Aliexpress до сих пор продаются модули на базе вот такого вот кинескопа. И цена вполне молодёжная — около пары тысяч рублей.

А вот и сама трубка. Это Sony CRT-04JM, устанавливающаяся в подавляющее большинство таких модулей, а также в те самые портативные телевизоры. Интересна она многим: во-первых, это одна из последних моделей массовых чёрно-белых ЭЛТ, во-вторых, у неё очень интересное плоское исполнение, где просмотр изображения осуществляется с внутренней поверхности, а не спереди экрана, как у обычных телевизоров и мониторов. Это несколько ухудшает качество картинки, но позволяет существенно снизить габариты дисплея. В остальном же это полноценный чёрно-белый кинескоп, работающий аналогично «большим» собратьям.
❯ Ещё раз о применении
Помимо редких и эксклюзивных телевизоров такими дисплеями оснащались и куда более привычные нам устройства.

В частности, именно такой кинескоп стоит внутри старой версии некогда очень распространённого инфракрасного просмотрового детектора валют Dors-1000.

Но ломать детектор валют мы не будем. Вместо этого взглянем на ещё один куда более близкий к моему увлечению девайс — видеодомофон Commax. С первого взгляда легко понять, что начинка у него абсолютно идентична.

А вот, пожалуй, самый примечательный экземпляр из всех. Это Kocom KMB-600B — видеомонитор для двух камер. Никакими другими функциями он не обладает. Можно сказать, что это и есть самый маленький ЭЛТ-монитор: всё-таки тот маленький видоискатель камеры не был отдельным устройством, которое можно было без переделки подключить к чему угодно, тогда как этот аппарат — законченное изделие, у которого наружу торчит только аудио и видеовход. И вот при виде всего этого я задумался: а, может, тоже приобщиться к опытам зарубежных товарищей и попробовать поэкспериментировать с этим железом? Способны ли они на что-то большее, чем показ картинки с аналоговой камеры, или качество будет слишком низким?
Разумеется, в этих делах я далеко не первый: сходу удалось найти несколько статей и роликов по теме.
Даже встретил вот такой вот проект, где кто-то собрал GameBoy с ЭЛТ-дисплеем.
❯ Обзор оборудования
Ну что же, взглянем на железо для опытов. И, учитывая мою любовь к домофонии, выбор был однозначным…

Первым на очереди идёт видеодомофон Commax DPV-4KE. Модель довольно популярная, не исключено, что точно такой же есть и у вас дома. Помимо Commax существовало ещё несколько таких девайсов от производителей из Китая или Южной Кореи, незначительно отличающихся схемотехникой и с почти идентичным внешним видом. И стоит такой аппарат в разы дешевле тех блоков с Али!

С обратной стороны контакты для подключения. Также видны некие два проводочка, о назначении которых узнаем чуть позже.

Ответные части разъёмов. Красный провод — аудио, синий — земля, жёлтый — питание камеры (12 В), белый — видео.

Снизу переключатели громкости, питания и яркости. Питающий реализован отвратительно — отключает он только низковольтную часть, тогда как БП всегда находится под напряжением.

Справа какие-то кустарно установленные кнопки. Если верить инструкции, их тут быть не должно…

А вот тот самый Kocom.

И его обратная сторона. Это именно видеомонитор, панель вызова к нему не подключить.
❯ Commax
Начнём с видеодомофона. Подаём питание, жмякаем кнопку… ничего не происходит. Ну, даже не сомневался.

Поэтому разбираем девайс. Внутри обнаруживается пять плат: БП, дисплей, домофон, блок управления и (под ЭЛТ) маленькая платка с разъёмами.

Вместо ожидавшегося чёрного модуля тут полностью своя плата, изготовленная специально под этот девайс.

Единственная микросхема — драйвер кадровой развёртки TDA8215B.

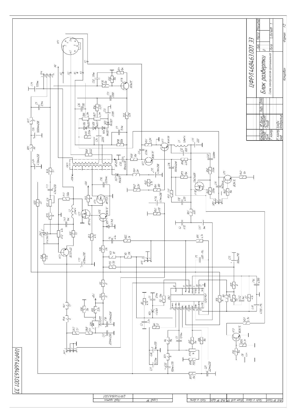
А вот схема типичного китайского модуля. Схемотехника очень напоминает последние китайские чёрно-белые телевизоры, если не считать того, что тюнера тут, разумеется, нет.

Ещё один вариант (кликабельно).

А вот на этой плате размещаются все цепи управления домофоном: усилитель, компаратор и генератор гудка. Микросхема MT2800N как раз издаёт тот самый (очень навязчивый) звук звонка.

Эта плата — не совсем штатная, изначально в этом девайсе её не было. Предназначена она была для записи скриншотов с камеры. Таким образом можно было, например, увидеть, кто приходил, пока никого не было дома. На плате МК ATMega8515, NOR Flash для хранения кадров и SRAM (явно фреймбуфер).

С обратной стороны ПЛИС от Altera, отвечающая, как нетрудно догадаться, за приём, обработку и формирование композитного сигнала, дабы МК не тратил на это всё процессорное время. Но с этой платой разберёмся как-нибудь потом, а сейчас приступим к оживлению девайса.
❯ Блок питания

Как оказалось, причина поломки оказалась банальна: вылетела плата БП.

Здесь используется импульсный блок питания на 14,5 В. Как показали поиски, проблема эта рядовая и БП мрёт практически у всех. У кого-то вспухают конденсаторы, у кого-то он уходит в циклический запуск, ну а у меня же он просто тихо и незаметно сдох.

Подал питание, и железка ожила. Плата управления ЭЛТ питается напрямую от этого БП, поэтому подавать необходимо строго 14,5 В. Если дать меньше, экран будет светиться очень тускло (как на фото, где я запитал аппарат от 12 В), если больше — будут жуткие геометрические искажения.

Подал нужное напряжение, и девайс заработал как надо.

На Flash даже остались какие-то сохранённые кадры.

Если зажать две нижние кнопки, то откроется вот такое меню.
❯ Подключаем вход
Разумеется, я не упустил возможность подрубить к девайсу блок вызова.

Для этого достал из щедрых закромов Родины вот такую аналоговую видеопанель. Такие же когда-то использовались в составе системы «Безопасный регион».

Подключаем, жмякаем кнопку, и всё отлично работает! Правда, лишь со второй попытки: оказалось, видеосигнал в этом модернизированном девайсе надо подавать не по схеме, а на два «внештатных» проводочка, торчащие из корпуса.

Но куда интереснее не посмотреть картинку с камеры, а подключить какой-то внешний сигнал. Источников его можно найти много: игровые консоли, очень многие старые телефоны и КПК (например, имевшиеся у меня Nokia C6, N8, N95, N900, Sony Ericsson Vivaz Pro), видеомагнитофоны и DVD-плееры, ТВ-приставки и, конечно же, видеокарты с композитным выходом.

Nokia N8, увы, подкачала. Я перепробовал все имевшиеся у меня дома шнуры «3,5 mm->3 RCA» (нет, на фото всё подключено правильно, просто у кабеля Nokia CA-75U и у хвоста от ТВ Samsung цвета разъёмов отличаются), однако с каждым из них она упорно считала, что подключены наушники, а не аналоговый видеовход. Изменение настроек также не помогло.

А вот с N900 всё заработало отлично.

Подключаем кабель, и вот на экране появляется чёрно-белая Maemo, правда, почему-то с искажениями ближе к правому краю. С картинкой с камеры такого замечено не было.

Очень забавно на этом экране выглядит PalmOS.

Следом попробовал подключить суровый и могучий клон спектрума «Исеть Каменск-Уральский». Монитор принял и его сигнал, правда, на этот раз картинка стала уезжать влево.

Впрочем, это не помешало попробовать выполнить команду PRINT. Крутить потенциометры на плате я не рискнул — побоялся, что после таких действий монитор перестанет нормально показывать уже изображение с камеры.
❯ Чувствительность
Экран очень сильно подвержен влиянию магнитных и электрических полей.

Даже слабенького магнита в динамике трубки достаточно, чтобы заставить картинку поплыть.
❯ Как работают такие домофоны
Раз уж упомянули такие девайсы, немного расскажем и про их работу. В отличие от обычных подъездных домофонов, где вся электроника находится внутри панели вызова или её блока управления, здесь всё совершенно иначе.

Видеопанель — не самостоятельное устройство, а полностью управляемое извне. Большая часть электроники находится в абонентском устройстве (мониторе или трубке), а на двери висит только камера, усилитель с микрофоном и динамиком, цепи питания, подсветка и датчик освещённости. Такие системы называются домофонами прямого вызова (они же прямой адресации или просто «Commax»).
Практически все такие панели (Commax, Tantos, Kocom, Activision) подключаются по четырём проводам — питание (12 В), аудио (в отличие от координатного домофона, где падение напряжения в линии означало конец связи, тут её просадка запускает вызов), композитное видео и земля.
❯ Kocom
А вот с видеомонитором мне не повезло. Таких девайсов в моих руках у меня оказалось два, оба из которых не работали.

Один из них при запуске на экране отображал тусклые серые полосы, другой — только очень узкий растр. Так что об их оживлении когда-нибудь поговорим уже в отдельной статье…
❯ Что же в итоге?
На самом деле, как и в случае с видоискателем от камеры, особого практического применения всё это не имеет. Даже в домофонии эти девайсы уже уходят в историю, уступая место цветным и куда более компактным и надёжным ЖК-экранам. Но штучка очень прикольная, любителям интересных и необычных ЭЛТ настоятельно рекомендую раздобыть.
Дисплей имеет достаточные размеры и разрешение, чтобы без проблем посмотреть на нём видео или поиграть в какую-нибудь ретро-игру (и смотреться она будет в точности как на «большом» старом телевизоре). Можно попробовать подключить его к какому-нибудь МК вроде Raspberry Pico и выводить на него текст, однако стоит помнить, что ресурс такого кинескопа не такой уж и большой. К примеру, в детекторах валют после заклейки ушлыми кассирами датчика приближения (он стоит там, чтобы во время простоя экран не горел зря) трубка сдыхала буквально через полгода работы.
Такие дела.
Что же в итоге?
- Даташит на тот самый модуль из зарубежных обзоров
- Схема типичного модуля
- Experiment with Sony Flat 4inch CRT
- Мини ЭЛТ монитор
- Инфракрасная видеокамера из подручных средств
- Flat CRT
- I Made a CRT Game Boy
- Very Cheap Flat Screen CRT Monitor
- Flat CRT experiments and waveforms
Перед оплатой в разделе «Бонусы и промокоды» в панели управления активируйте промокод и получите на баланс.
Автор: MaFrance351
