
Заказал на тест USB стик, на связке чипов RTL2832U + R820T, для использования его в качестве SDR приемника. Поскольку это очень дешевое устройство, и используется не по прямому назначению, имеет ряд недостатков, которые я решил исправить:
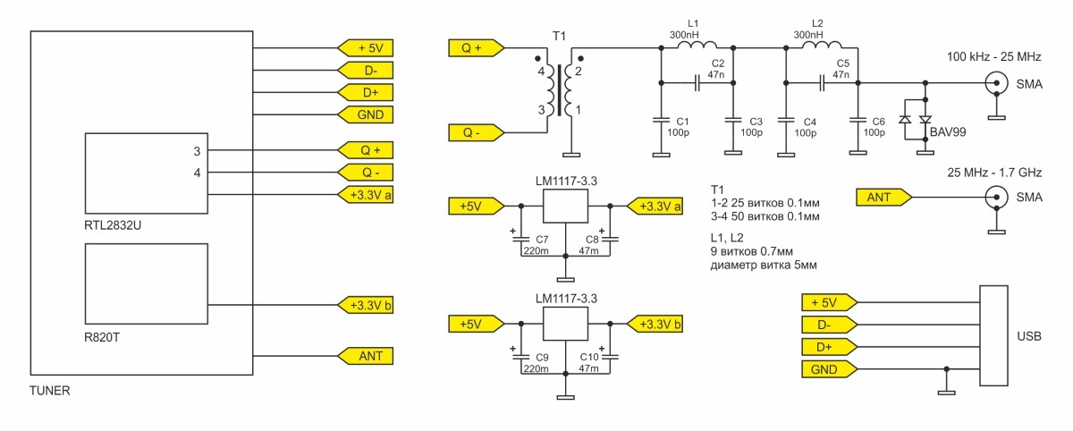
_Тюнер R820T не принимает сигнал на частотах ниже 25MHz.
_Стик очень горячий — все тепло отводится через антенное гнездо и USB разьем.
_В схеме питания используются очень маломощные стабилизаторы, которые работают на пределе.
Было принято решение, поместить плату тюнера на материнскую плату которая в свою очередь будет помещена в алюминиевый корпус. К слову сказать, идея не новая и не моя. За основу была взята идея из кит набора (100 kGz — 1.7 GHz), который позволяет исправить почти все вышеописанные недостатки. Я лишь сделал свой вариант с улучшенным питанием и охлаждением. Вынес стабилизаторы питания на материнскую плату, заменив их на более мощные и превратил корпус в радиатор. Тепло с платы тюнера, будет напрямую уходить через термопрокладку.
Плату изготовил при помощи фоторезиста. На фотографии ниже отображены некоторые этапы: Плата после травления в растворе персульфата аммония. Удален фоторезист, и плата обрезана по размеру. Сделаны пропилы под SMA коннекторы и USB кабель. Произведен монтаж элементов.
Розовый прямоугольник — это термопрокладка. Трансформатор приклеен резиновым клеем к кусочку скотча.

Расширение возможности тюнера работать в диапазоне 100kHz -25 MHz, достигается путем прямого подключения к чипу RTL2832U на незадействованный вход Q. Сигнал с антенны поступает на срезающий фильтр 30MHz и далее через трансформатор на вход чипа.
Трансформатор намотал на ферритовом кольце диаметром 4.2 мм проводом 0.1 мм. Кольцо при намотке, держал пинцетом. Чтобы не повредить уже намотанные витки, губки пинцета обмотал одним витком тонкой изоленты. А чтобы постоянно рукой не сжимать пинцет, обкрутил его резинкой для денег. Получились ручные микро тиски. Наматывал сразу тремя проволочками, до полного заполнения сердечника. На этом можно было остановиться, соединив впоследствии начало и конец двух разных проволочек, получилась бы средняя точка, вторичной обмотки. Но, я решил сделать красиво, и избавиться от неиспользуемой в данной схеме средней точки. Продолжил мотать первую проволочку, разматывая при этом вторую. В результате вторая проволочка полностью вышла, а на ее место легла первая, пройдя еще один круг по сердечнику.
Следующим этапом, припаял выводы трансформатора напрямую к чипу. Пайка очень мелкая, две проволочки диаметром 0.1мм припаиваются к пятачкам 0.2Х0.2 мм. Из инструментов, только увеличительное стекло и паяльник с толстым жалом. Первым делом модифицировал паяльник, на жало намотал медную миллиметровую проволоку и кусачками сформировал иглу. Нужна именно форма иглы, косой срез или форма похожая на отвертку не подходит. Далее, пролудил свинцово-содержащим припоем место пайки — разбавил старый припой для снижения температуры плавления. Залудил проволочки, кончики изогнул на 90 градусов на расстоянии примерно 5 мм от края, и при помощи скотча зафиксировал их в вертикальном положении. Торцы проволочек уперлись в плату рядом с пятачками. Теперь капелька свежего флюса, и аккуратными движениями, новоиспеченного жала, по очереди зацентрировал проволочки на расплавленых пятачках. Все! Остается только слегка натянуть проволочку и уложить ее на корпус чипа, и аккуратно смыть флюс спиртом.
На фотографии ниже: Плата тюнера с удаленными разъемами, приемником ИК излучения и стабилизаторами напряжения. Трансформатор. Выводы трансформатора припаяны к чипу.
Фотографировал через увеличительное стекло, поэтому в фокусе только центр кадра.

Последний этап — сборка. Нужно задвинуть в корпус материнскую плату, не сместив термопрокладку, она эластичная и легко деформируется. Для этого я воспользовался очень тонкой пленкой, отрезал полоску немного шире термопрокладки и сложил ее пополам. Серединой полоски, прилепил к термопрокладке. Позиционировать полоску нужно таким образом, чтобы материнская плата задвигалась в корпус, складкой пленки вперед. Теперь остается только задвинуть материнскую плату в корпус, и медленно вытянуть пленку за верхнюю половинку. Готово, можно привинчивать боковые крышки.
Тестируем. Воткнул первый попавшийся кусок провода, примерно полметра длиной, и на частоте 7395kHz поймал слабый сигнал радиостанции, очень было похоже на Немецкий язык. Немного левее одна и справа еще 2 станции. Сигнал очень зашумлен и плавает как на волне, плавно усиливается и затухает. В общем, нужна нормальная антенна. Как потеплеет, полезу на крышу делать нормальную КВ антенну.

Автор: RasselFast
