В большинстве статей о запуске старых авиаприборов речь идёт о стрелочных экземплярах. Цифровые же попадаются значительно реже ввиду их дороговизны и сложности в подключении. Самое время немного восполнить этот недостаток информации и рассказать что-нибудь и про них.

Так получилось, что мне достался вот такой цифровой измеритель уровня топлива из кабины Boeing 737-300. В ходе сегодняшней статьи разберём его, посмотрим, как он устроен и узнаем, как он работает. Как водится, будет много интересного.
❯ Суть такова
Этот же девайс полностью цифровой — показания выводятся на дисплей. Впрочем, это всё ещё именно измерительный прибор, а не блок индикации, то есть взаимодействует он непосредственно с датчиком уровня топлива, установленным в баке. На более новых самолётах для этих целей стоит специальный блок управления, передающий информацию бортовому компьютеру.
❯ Немного про эти приборы на «Боинге»
«Боинг-737» оснащён тремя топливными баками общей ёмкостью до 16200 кг керосина. На более поздних модификациях этот объём был увеличен до 20800 кг.

К бакам можно получить доступ, открыв специальный люк.

Панель управления топливными насосами. С неё же осуществляется переключение топливных баков.
Слева от приборов, отвечающих за двигатели, находятся те самые топливомеры — по одному на каждый бак. Рядом кнопка тестирования.

На более старых самолётах эти приборы были чисто аналоговыми.
❯ Обзор оборудования
Итак, перейдём к нашей железке.

А вот и сам топливомер. Несмотря на то, что на фото он кажется большим, по диаметру он такой же, как и другие установленные на этом самолёте стрелочные приборы.

Состоит он из двух частей: самого прибора и адаптера.

Разъём для подключения.

Заводская табличка.


Адаптер можно снять.

Металлическая «юбка» вокруг него также съёмная.

Какие-то кнопочки. За что они отвечают, мне неведомо, информации также не нашёл. Разберёмся с ними чуть позже.

А вот штатный жгут проводов от него.

Разъём по конструкции очень похож на некоторые модификации отечественных СНЦ (а именно СНЦ23 и СНЦ144). Такое же байонетное соединение, хомут вместо накручивающейся гайки, контакты под обжим, а не пайку… Но среди отечественных разъёмов прямого аналога нигде не нашёл. Сам коннектор называется Cinch CN0940-12, P/N самого Боинга — 10-60479-12.

Забавно, что отдельные части таких разъёмов даже продаются у нас.

Очень интересно выглядит центральный контакт, чем-то похожий на маленький коаксиальный разъём прямо внутри обычного. Как нетрудно догадаться, именно к нему подключается датчик. Как и практически во всех соединителях на данном самолёте, нумерация контактов идёт по спирали от центра к краю.
❯ Как работает топливомер

Ёмкостный датчик уровня топлива — по сути обычный конденсатор. Если поместить в топливный бак две изолированные обкладки (а точнее, щуп с двумя изолированными электродами), то их ёмкость будет пропорциональна уровню его наполнения, так как диэлектрическая проницаемость у воздуха и керосина отличается. Добавив калибровочные константы (объём бака, плотность керосина и ещё какие-то коэффициенты) и измерив значения сигнала при пустом и полном баке, получим возможность переводить результат измерений из условных единиц в фунты или килограммы. Помимо ёмкости измеряются и другие электрические параметры (скорее всего, ESR (возможно, даже на разных частотах), но точных данных я нигде не нашёл), что позволяет определять не только уровень топлива, но и также его качество (например, загрязнение бака или наличие в керосине воды), а также исправность самих датчиков (обрыв, короткое замыкание или изгиб щупа).

На более новых модификациях вместо ёмкостных датчиков ставятся ультразвуковые.
❯ Распиновка

Кое-какую информацию удалось найти на просторах. Ей-то мы и будем руководствоваться.
Распиновка оказалась следующей:
- Ёмкостный датчик
- Аналоговый сигнал
- Аналоговый сигнал
- Земля
- Масса
- Подсветка
- ~115 В / 400 Гц
- ~115 В / 400 Гц
- Цифровой сигнал
- Дискретный выход
- Цифровой сигнал
Как видно, девайс питается переменным напряжением — стандартные для авиации 115 В / 400 Гц. На контакты 2 и 3 выведены аналоговые сигналы, служащие для управления датчиком уровня топлива. Также имеются несколько цифровых сигналов и некий дискретный выход (подробного описания этих контактов я также нигде не нашёл, а без знания электрической схемы всей топливной системы самолёта об их назначении догадаться сложно). Распиновка унифицирована для всех приборов данного типа, но конкретно в моём экземпляре последние два контакта не задействованы.
❯ Внутренности
Разумеется, прибор я разобрал.

Сделать это очень легко: откручиваем три винтика в задней части и вытаскиваем всю начинку.

Внутри обнаруживаются три платы.

Аналоговая плата. На ней несколько операционников, ЦАП и АЦП.

Плата питания.

Трансформатор.

А вот шлейф дисплея.
❯ Про производителей этих приборов
По той же ссылке можно найти фото другого прибора. Так уж вышло, что выпускались они минимум тремя фирмами: Smiths Industries (мой), BFGoodrich Aerospace (далее показанный) и Simmonds Precision. Все они схожи лишь крепёжными размерами и распиновкой, начинка у каждого своя. Далее показаны фото прибора отсюда. На момент написания поста сайт очень плохо открывался из России, так что подумал, что вряд ли этот мир что-то потеряет, если я перезалью эти фото сюда с указанием источника.


Блок от BFGoodrich Aerospace.

Разъём абсолютно такой же.

В отличие от моего экземпляра, корпус этого прибора герметично заварен, поэтому автору той распиновки пришлось его разрезать.

Вот такая здесь конструкция разъёма — корпусная часть втыкается в цанговые контакты на плате.

Внутренности. Начинка совершенно отличается от моего девайся.

А вот то, ради чего я вообще решил упомянуть здесь этот прибор, — цифровая плата. Слева виден десятибитный АЦП ADC1001CCJ, вдалеке — УФ-ПЗУ. По центру микроконтроллер Harris CDP6805E2CD.

Этот чип является функциональным клоном Motorola MC146805E2 — МК на архитектуре MC6800.
❯ Питание
Теперь очередь самого сложного — запуска. Как уже было мельком упомянуто ранее, прибор требует для питания 115 В 400 Гц. Для авионики это довольно стандартное напряжение, однако в домашних условиях его получить непросто.
Вообще, на практике для такого используют мотор-генераторы (умформеры) или статические преобразователи, однако железки эти очень недёшевы. Поэтому за основу была взята схема товарища dlinyj для электролюминесцентных индикаторов. Поскольку прибор цифровой, трансформатор внутри подключен к самому обычному выпрямителю и стабилизатору, поэтому на далёкую от идеальной форму напряжения можно будет не обращать внимания.

В щедрых закромах Родины отыскался блок питания от древнего радиотелефона Panasonic, который по неведомым причинам рассыпался.

Вероятно, испарился пластификатор или экземпляр неправильно хранился, но факт есть факт: пластмасса крошится, даже если потереть кусочек её между пальцами. Убираем остатки пластика, смахиваем чёрную пыль и оставляем только начинку.

Обломки корпуса отправляем в мусорку, от трансформатора отпаиваем плату выпрямителя и контакты того, что когда-то было вилкой.

Драйвер двигателей, точно такой же, что был в оригинальной схеме. Даже не помню, когда я его покупал, и вот сейчас он пригодился. Так что от себя тут добавить решительно нечего: собираем как в схеме по ссылке, и в путь.

Собираем всё вместе. Питать будем от обычного компьютерного БП. В тот раз нам надо было взять источник питания на то же напряжение, на какое был рассчитан транформатор. Здесь же нам надо получить не 220 В, а вдвое меньше, поэтому вместо двенадцати вольт подадим на вход драйвера пять — на выходе как раз окажется около ста, что нам и нужно.
Запустил блок питания, на выходе трансформатора оказалось 97 вольт. Не 115, но, думаю, всё ещё в пределах допустимого.
❯ Запуск
Перво-наперво проверим подсветку.

Подаём пять вольт между контактом подсветки и массой. Зажигаются тёплые ламповые лампочки накаливания. На тот момент, когда создавались эти приборы (середина восьмидесятых) ярких светодиодов, способных к тому же выдерживать вибрации и тряску (основная причина, по которой практически на всех тогдашних самолётах были проблемы с такой индикацией и подсветкой), не было, а ставить нумитроны (как в ранних цифровых хронометрах или пультах радиостанций от того же «Боинга») или ЭЛИ (как на космических кораблях) не стали. Вместо них тут используется инверсный ЖКИ с ламповой подсветкой, какие можно встретить в аудио- и видеотехнике тех же годов.
Теперь пробуем запускать блок питания. Ничего не произошло. Повторно замерил напряжение, оно оказалось всего 45 вольт. Для питания такого устройства явно маловато. Так что подаём на трансформатор уже не 5, а 12 В, после чего пробуем снова.

Топливомер запищал как старый метровагон, а на дисплее появилось сообщение об ошибке.

Таблица кодов ошибок для этого прибора ищется. Из неё мы выясняем, что этот код означает, что нет связи с датчиком.

Поэтому берём первый попавшийся конденсатор и подключаем его ко входу. Отлично, работает! Заодно выясняется назначение ранее показанных кнопочек — это точная подстройка значений сигнала с датчика.

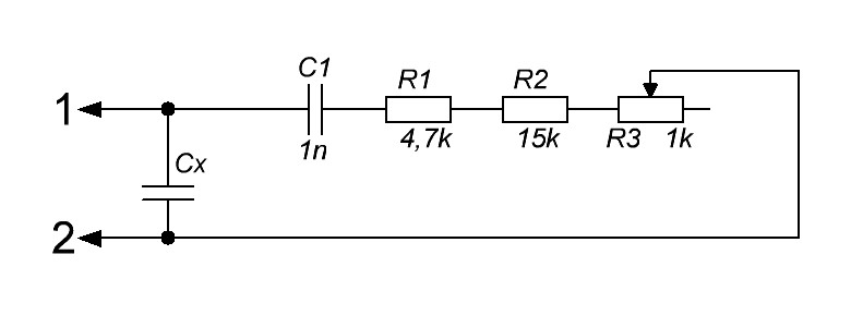
А вот тестовая схема (от автора той самой распиновки). Переменным резистором устанавливаем ноль, конденсатор между первым и вторым контактом задаёт уровень топлива.

Но, увы, полноценно заставить его что-то показывать не вышло: спустя десять секунд отображения он вновь упал в ошибку. После перезагрузки он опять показал уровень топлива и завис. Поскольку у меня нет полноценной документации на данную железку, разобраться с причиной данного косяка не удалось. К слову, кода ошибки 0 в таблице нет.
❯ Что же в итоге?
Вот такой интересной штукой оказался этот девайс. Конечно, в отличие от стрелочных приборов, многим он может показаться не таким антуражным, однако смотрится он всё равно очень классно.
На самом деле такое решение с питанием далеко не самое оптимальное. Идеальным вариантом будет раздобыть настоящий преобразователь, используемый для питания подобной авионики, но у меня он появится ещё очень нескоро, а сборка чего-то аналогичного дома потянет на отдельную статью. Впрочем, в любом случае железка работает, что точно не может не радовать.
Такие дела.
Перед оплатой в разделе «Бонусы и промокоды» в панели управления активируйте промокод и получите на баланс.
Читайте также:
- ➤ Цифровые домофоны. Гость из Польши в российских подъездах
- ➤ Газоразрядное табло для машины времени, или как я оказался в титрах к японской дораме
- ➤ Переводим спортивное табло на управление по Bluetooth и контроллер arduino
- ➤ Полностью AI-генерируемая RPG-арена в одном HTML-файле: мой опыт с бесплатным API Pollinations для MVP игры
- ➤ Как я по вечерам разрабатывал Statuser — платформу для мониторинга доступности приложений
Автор: MaFrance351
