Современный цифровой зеркальный фотоаппарат неплохая вещь сама по себе. Но для раскрытия всех возможностей существует множество дополнительных устройств. В данной статье я хочу описать создание преобразователя для подключения старой вспышки к современной зеркалке и пульта ДУ. Да, можно было все купить готовое, но это не по нашему, да и цены на них завышены.
Вспышка
Завалялась у меня советская вспышка «Саулуте». Ну не выбрасывать же её. Мощность больше чем у встроенной пыхи да и аккумулятор фотоаппарата она не садит. А то, что у неё голова не крутится, нету зума и пр. меня не очень волновало, основная цель — просто приконнектить её. Цеплять её напрямую к современному фотику крайне не рекомендуется, т.к. у нее на синхроконтакте напряжение до 100В (в некоторых моделях вспышек может быть и 600В). В сети можно найти кучу преобразователей, но все они неоправданно дорого стоят и непонятного качества. Есть и самоделки типа такой, но здесь нет гальванической развязки. Поэтому решил я собрать вот такую схемку:

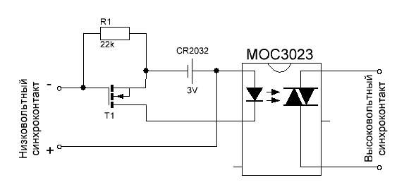
Потестил, позамыкал контакт — все пашет. Собрал все на огрызке макетной платы размером примерно 10х25мм обмотал скотчем и впихнул в корпус вспышки, батарейка не влезла — пришлось её снаружи на проводках свесить, ну и ладно — проще менять будет если сядет. Собрал, поставил на фотоаппарат и… И ничего. Я давай перебирать режимы вспышки, читать интернеты — все тщетно. Но ведь когда я какой-то проволочкой замыкаю синхроконтакт — вспышка то работает. Стал я подробнее изучать «горячий башмак» своего Nikon. Стал проверять его тестером в режиме прозвонки — ничего не пикает. Нашел описания контактов, стал искать описание протокола, думал уже лепить на вспышку дополнительные контакты и микроконтроллер. Но как-то пришло мне в голову прозвонить башмак с длинной выдержкой — 5с (до этого были 1/30 и короче): оказывается фотик не накоротко замыкает контакты, а с сопротивлением примерно 1кОм. Оптопаре этого мало, пришлось переделать схемку вот так:

Транзистор — любой N-канальный MOSFET, желательно из серии IRL (IRL3102, IRLML2502), я использовал выпаянный откуда-то в корпусе ТО-92. Вместо MOSFET можно использовать какой-нибудь NPN транзистор: ВС547, КТ315, в этом случае базу подключаем на место затвора(минус синхроконтакта), коллектор — вместо стока (к катоду светодиода) и эмиттер вместо истока (к минусу батарейки). Резистор номиналом 10кОм-100кОм. Если номинал резистора будет меньше сопротивления синхроконтакта — транзистор не откроется, если сильно большое — может произвольно открываться от наводок или касания.
Вот так это выглядит в сборе:

А это — уже в термоусадочной трубке, перед помещением в корпус вспышки:

Ну и все в сборе:

К низковольтному контакту преобразователя можно подключить фотодиод/фототранзистор/фототранзистор(с как можно большим разбросом сопротивлений) и подобрав номинал резистора получим светосинхронизатор. Все это обошлось менее 10грн= $1.25.
ВНИМАНИЕ! Разрядный конденсатор вспышки хранит высокое напряжение еще долгое время после того, как вспышка была отключена от источника питания, поэтому если полезете во внутрь не забудьте его разрядить! Я, как автор, не несу никакой ответственности за последствия действий читателей. Вы все делаете на свой страх и риск.
Пульт дистанционного управления
Следующее устройство будет очень полезным при съемке со штатива на больших выдержках или при фотографировании себя любимого.
Пульты бывают проводные и беспроводные, я остановился на последних: во-первых — это круче, во-вторых не нужно ничего подключать напрямую к фотику.
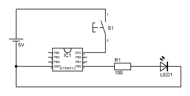
Оригинальные пульты просто мигают ИК-светодиодом определенным образом. Погуглив, я нашел эту статью с описаниями протоколов различных производителей. Так как требуемого контроллера у меня дома не было — переписал прошивку вначале под ATmega8, а потом на ATtiny13. Заодно и упростил схему с целью снижения энергопотребления. Дребезг подавляется программно. Схема предельно проста: к ноге РВ0 микроконтроллера (одинаково и для ATmega8 и для ATtiny13) подключен ИК-светодиод, вторая нога светодиода через резистор 100-330ом подключена к минусу питания. Минус контроллера (GND) подключен напрямую к минусу питания, а плюс (VCC) — через маленькую тактовую кнопку.

На макетной плате выглядит так:

фото сделано в режиме управления от ДУ по команде от него же.
А это уже вытравленная плата после сверления и корявого лужения:

С напаянными деталями, прошитым контроллером (момент, когда там были штырьки разъема программатора я упустил) и готова к установке в корпус:

В качестве корпуса я использовал стандартный корпус KM-11B/1 проковыряв надфилем отверстие под светодиод:

Ну и готовое устройство:

Питание: любой источник на 3-5В, в моем случае это две батарейки LR44. Пару слов по поводу светодиода: так как правильную длину волны знают лишь инженеры фирмы-производителя, то можно использовать первый попавшийся ИК-светодиод (можно выпаять с какого-нибудь пульта). В целях отладки или при отсутствии ИК-диода можно взять обычный красный светодиод видимого диапазона, на небольшом расстоянии (10-50см) он должен срабатывать, на более короткой дистанции(до 10см) работает даже зеленый светодиод. С ИК-светодиодом на 920нм, 20мА(хотя не факт, так как продавец мог и перепутать чего) пульт работает на расстоянии около 10м, может и дальше сможет — не проверял. В архиве прошивка под Nikon для mega8 и tiny13 а также плата (обратите внимание, что разъем программатора немного нестандартный) в форматах .lyt, .dxf и .pdf. Фьюзы ATmega8 настраиваем на внутренний генератор на 8МГц(CKSEL3..0=0100), ATtiny13 — на 9,6МГц(CKSEL1..0=10, CKDIV8=1), остальные фьюзы не трогаем. Самая дорогая часть устройства — корпус, в сумме получилось около 20грн.= $2.5.
Автор: KoteSoft
