
Всем привет!
Скоро новый год и нужно как то оригинально украсить свою комнату к празднику. Для этого идеально подходит цветомузыка в основе которой Ардуино и светодиодная лента ws2812b.
Цветомузыку я собрал еще в прослом году примерно за 3 часа, остальное время ушло на разбор и модификацию кода, а так же на поездку в магазин за профилем и кнопками.
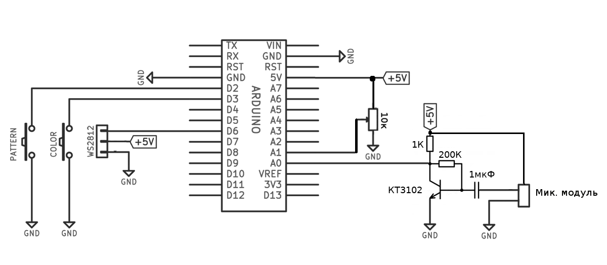
Особенность этой цветомузыки в том, что ее не нужно подключать к источнику аудио сигнала, так как она получает аудио данные, благодаря встроенному в нее модулю микрофона MAX9812. Он подключен через усилитель напряжения к АЦП ардуины. Усилитель собран на транзисторе КТ3102, у которого есть много зарубежных аналогов.
Для выбора режимов на цветомузыке имеются две кнопки, color и pattern. Кнопка color переключает цветовые схемы, их всего 3, а кнопка patern переключает динамические режимы цветомузыки, их всего 8.
Для настройки чувствительности и яркости установлен потенциометр param, это переменный резистор с изменяемым сопротивлением от 0 до 10 кОм. Он так же подключен к АЦП и в зависимости от его положения происходит программная обработка параметров. Можно модифицировать код и установить вместо потенциометра энкодер, но это уже будет реализовано в другом проекте.
В настройках так же можно выбирать используемое в ленте количество светодиодов 60, 120 или 180 и регулировать частотный фильтр, настроенный на 8 частотных диапазонов, для этого применяется программный фильтр частот на базе алгоритма быстрого преобразования Фурье.
Светодиодная лента основана на полноцветных, управляемых адресных светодиодах ws2812b. Плотность ленты я выбрал 60 светодиодов на 1 метр. На мой взгляд это оптимальное соотношение для многих задач. К питанию светодиодной ленты нужно отнестись серьезно, так как на максимуме она потребляет до 3,6 А на 1 метр. Конечно вероятность такого сценария что цветомузыка включит все светодиоды белым цветом и еще на полную мощность, равна нулю. Но тем не менее лучше сразу приобрести хороший блок питания. Как минимум на 5 Вольт и 5 Ампер.
Схема цветомузыки.

По схеме комментировать особо нечего. Нужно только настроить среднюю точку усилителя на транзисторе КТ3102. Настройка сводится к подбору резистора смещения 200 кОм или резистора нагрузки 1 кОм, нужно добиться половины напряжения питания на коллекторе транзистора или входе A0. Транзистор можно заменить любым n-p-n аналогом.
Потенциометр лучше использовать линейный с сопротивлением от 10 до 50 кОм.
Если Вы в своем проекте будете использовать контроллер Arduino pro mini, то сразу припаяйте керамический конденсатор 0,1 мкФ на 20-й вывод (ARef) микроконтроллера ATmega328. При использовании Arduino Nano припаивать конденсатор не придется, он уже распаян на этой плате.
Основные комплектующие
Arduino Pro mini
Светодиодная лента на WS2812B
Микрофон с усилителем
Потенциометр 20 кОм
Адаптер питания 5 В, 5 А
Скетч для Ардуино
Я использовал в своем проекте, код цветомузыки Lumazoid с небольшими модификациями. Оригинальный скетч можно скачать с гитхаба.
Еще нужно добавить в папку libraries, используемые в проекте дополнительные библиотеки NeoPixel.h и ffft.h
Если Вы в скетче не прописали параметры своей светодиодной ленты, то их можно изменить. Для этого нажмите кнопку pattern, не отпуская ее включите питание. Вращая потенциометр нужно выбрать плотность используемой светодиодной ленты, по светящимся красным светодиодам: первый — 60, второй — 120 или третий — 180 светодиодов. Для сохранения параметров в EEPROM еще раз нажмите кнопку pattern.
Для регулировки яркости нужно нажать и удерживать кнопку color, после чего включаем питание. По умолчанию в скетче прописано 8 светодиодов которые будут светиться основными цветами. Ручкой потенциометра param можно изменить их яркость. Для сохранения параметров в EEPROM нажмите еще раз кнопку color.
Цветовую схему лучше выбрать 3-ю, так как она наиболее красочная. В этом режиме каждому цвету соответствует свой частотный диапазон. Всего 8 частотных диапазонов, перечисляю их цвета от самого низкого до самого высокого: красный, оранжевый, желтый, зеленый, голубой, синий, фиолетовый, белый.
Если удерживать кнопки color, pattern и вращать потенциометр param, то можно ограничивать частотный диапазон убирая высокие — средние и так далее до самых низких частот(красный светодиод). Например если Вам нужно что бы цветомузыка реагировала только на низкие звуки, то достаточно оставить только низкий диапазон частот.
Видео демонстрирующее возможности цветомузыки.
Сразу прошу извинить меня за качество ролика, снимал дешевым смартфоном.
P.S.
До НГ хочу упростить схему подключения микрофона, буду использовать max9814, без дополнительной обвязки. Наличие АРУ в MAX9814 даст возможность цветомузыке работать без перегрузок при разных уровнях громкости звука.
Надеюсь я ничего не упустил. Если у Вас возникнут вопросы, я с удовольствием на них отвечу.
Автор: Алекс
