Пару недель назад, я решил подарить своей любимой на день святого Валентина подарок, изготовленный своими руками. Найденные в интернете самоделки мне не понравились, хотелось сделать что-то красивое, при этом свое, уникальное. Остановился на прозрачной скульптуре со светодиодной подсветкой в виде сердца, с потенциальной возможностью использовать в качестве рамки для фото.
Для привлечения внимания продемонстрирую результат:

Ну а теперь, для тех, кому интересно, как за 4 ночи и один день сделать подобный подарок, предлагаю пошаговую инструкцию.
Подготовка
Первое что понадобится это прозрачная эпоксидная смола, для заливки средних объемов (~300мл за раз), мне посоветовали смолу MagicFast. Я использовал примерно килограмм, советую брать с запасом.
Также нужны формы. Для подставки была выбрана ёмкость 0.5л, а для самой скульптуры силиконовая форма для выпечки.
Ещё потребуются светодиоды. Были выбраны RGB диоды с общим анодом для сердца, и синие для подставки. Также советую использовать провод МГТФ, его будет не так заметно.
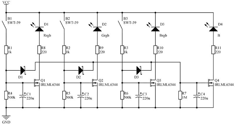
Перечень материалов для скульптуры (схема управления отсутствует):
- эпоксидная смола 1.5л 288грн,
- красители для эпоксидных смол 50грн,
- силиконовая форма для выпечки 80грн,
- ёмкость 0.5л для подставки 3грн,
- 8 светодиодов RGB 20грн,
- 8 светодиодов синих 8грн,
- провод МГТФ ~4м 6грн,
- резисторы 10грн,
- 3 кнопки 6грн,
- корпус для схемы управления с батарейками 10грн,
- отсек для батареек 3грн,
- батарейки 10грн.
Итог подготовки: 494грн ~ 55$.
Изготовление скульптуры
Днём я работаю, подарок делал поздно вечером – ночью, в итоге у меня фазы изготовления так и разделены. Не зависящие друг от друга действия можно объединять, но не забывайте что для механических операций, например сгибания ножек светодиодов в скульптуре, последний слой смолы должен хорошо затвердеть. А повторную заливку прозрачного слоя после установки светодиодов можно выполнять сразу.
1 ночь
Помыть и хорошо высушить формы.
Размешать эпоксидную смолу, перелить в новую ёмкость, и ещё раз хорошо перемешать.
Заливаем первый слой, он должен покрыть все неровности формы и подготовить основу для светодиодов, мне понадобилось 150-200мл.
Чтобы не терять время зря, сгибаем ножки светодиодов и разводим их на одинаковое расстояние, для этого используются межплатные соединители с шагом 2.54мм.
Для фиксации светодиодов в начавшей твердеть смоле, временно соединяем диоды по четыре на одинаковом расстоянии, для жесткости рекомендую использовать пайку.
После достаточного загустения смолы, можно расставлять светодиоды, в моем случае пришлось ожидать четыре часа.
2 ночь
Повторная заливка формы прозрачной смолой, так чтобы она полностью покрыла корпуса светодиодов.
Корпус для электроники нужно модифицировать для возможности открытия после заливки, я например, сделал бортик с помощью скотча.
Подкрашиваем отвердитель, после чего выполняем обычную операцию замешивания смолы.
Заливаем её в ёмкость для подставки и погружаем корпус для электроники крышкой вверх.
3 ночь
Снимаем временную фиксацию светодиодов, загибаем ножки, распаиваем, подобранные резисторы по 3 на каждый диод, после чего соединяем резисторы на каждый цвет между собой. Также делаем отводы от анодов, в итоге имеем 11 проводов.
После чего можно выполнить последнюю заливку сердца, я использовал красный краситель.
Подставку можно доставать из формы, освобождать от лишнего скотча и отшлифовать дно. В ней делаем отверстия для провода от кнопок и светодиодов, также формируем светодиоды для подсветки подставки.
Спаиваем кнопки и подготавливаем для них крепление.
Удлиняем форму, для заливки слоя стыковки, я использовал скотч, склеенный навстречу с небольшим смещением.
4 ночь
Вынимаем сердце из формы.
Пропускаем провода в отверстия, и заливаем прозрачным клеем, чтобы не протекала смола, использовать термоклей не советую, так как смола при полимеризации греется.
Подготавливаем опору для сердца, я использовал пакет от сока, вкрутив два самореза 20см.
Выполняем заливку подкрашенной смолы.
5 день
Со схемой управления у меня случилась неудача. В ней было найдено несколько ошибок, в результате от неё пришлось отказаться.
В итоге было решено по нажатию на кнопку — включать один из цветов на 1минуту, а подсветку подставки включать при нажатии на любую кнопку.
Также питание пришлось сделать от 3х батареек ААА, вместо запланированных 2х.
Результат
Девушке подарок очень понравился, и она согласилась временно вернуть статуэтку для проведения доработок к восьмому марта. В планах реализовать схему управления, в частности добавить управление яркостью диодов и стабилизатор напряжения питания.
Автор: xtoto














