
Привет! Ранее я публиковал пост о разработке фотополимерного 3D-принтера из CD приводов RAR Print. Сейчас занимаюсь развитием коворкинг-центра «Креатив» в Томске. Одна из задач центра — обучение людей разного возраста электронике. Я подготавливаю техническую и теоретическую базу.
Из доступных на рынке готовых устройств и конструкторов необходимо сделать непростой выбор: цена, качество и функциональность. Под функциональностью, здесь следует понимать уровень знаний обучающегося человека (возраст которых может варьироваться от 8 лет до 40 ) и техническое исполнение (сложность) устройства или конструктора. Одна из необычных методик обучения это так называемый реверс-инжиниринг. Цель которой, выявить пробелы в знаниях и заполнить их на практике. Помимо этого пробудить интерес, выработать базовые навыки для успешного обучения и пополнять словарный запас английского языка.
На тостере мне попалось предложение о тестировании электронных устройств. По удачному стечению обстоятельств было решено провести тестирование этой методики и выбор пал на развивающий электронный конструктор «Хватоход» от компании Даджет.

Конструктор поставляется в небольшой коробке, в разобранном виде с подробной инструкцией на русском языке. Сборку осуществлял лично. Конструктор предназначен для детей старше 8х лет, однако у меня (инженера и радиомонтажника, с опытом работы более 4х лет) ушло порядка 2,5 часов.
Процесс сборки:
Опыт показывает, что с 8 лет дети справляются с помощью папы, а с 10 — и (почти) сами. Во время сборки их можно обучить правилам обращения с инструментами и технике безопасности. Проверить и развить внимание.
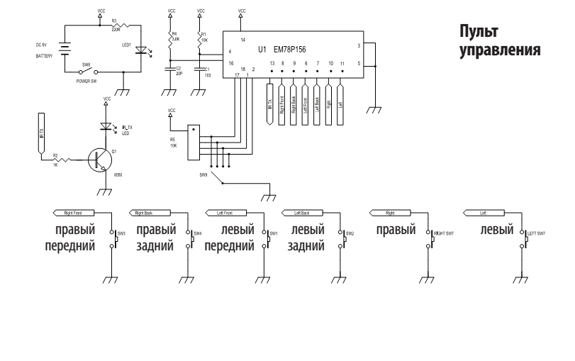
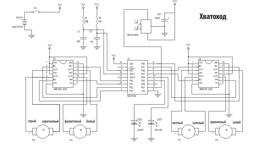
Собранный конструктор представляет собой перемещающегося робота-манипулятора с дистанционным пультом управления по инфракрасному каналу. Функции приёмо-передачи выполняет 8-битный микроконтроллер EM78P156, который является аналогом PIC микроконтроллеров.
Ниже принципиальные схемы из инструкции к конструктору:


Управления четырьмя двигателями постоянного тока осуществляется двумя драйверами MD123.
Чему можно обучить на базе реверс-инжининга данного конструктора?
Чтение принципиальных схем
Устройство и принцип работы двигателя постоянного тока
Управление двигателями постоянного тока (собрать аналог драйвера на радиоэлементах)
Передача сигнала по инфракрасному каналу (собрать простую схему с инфракрасным диодом и фотоприемником)
Разобрать что такое микроконтроллер (теория)
Основы булевой алгебры (теория)
Написать простую программу
Тем самым постепенно можно обучить созданию системы управления, которая использована в данном конструкторе.
Данная методика позволяет используя готовое устройство обучать детей с различным уровнем знаний и навыков.
Внешний вид полностью собранного конструктора «Хватоход»
Автор: mikhashev
