Всем привет!
В этой статье мы хотим поделиться с общественностью проектом простой паяльной станции со стабилизацией температуры, которую любой сможет собрать своими руками без Arduino и изоленты!

Что такое паяльная станция
Обычный паяльник, который включается напрямую в сеть, просто греет постоянно с одинаковой мощностью. Из-за этого он очень долго разогревается и никакой возможности регулировать температуру в нем нет. Можно диммировать эту мощность, но добиться стабильной температуры и повторяемости пайки будет очень сложно.
Паяльник, подготовленный для использования в составе с паяльной станцией имеет встроенный датчик температуры и это позволяет при разогреве подавать на него максимальную мощность, а затем удерживать температуру по датчику. Если просто пытаться регулировать мощность пропорционально разности температур, то он будет либо очень медленно разогреваться, либо температура будет циклически плавать. В итоге программа управления обязательно должна содержать алгоритм ПИД-регулирования.
Очевидно, что нежная полупроводниковая электроника требует минимизации тепловых ударов при пайке, да и просто качество самой пайки повышается при стабилизации температуры, поэтому рано или поздно многие радиолюбители приходят к необходимости использования паяльных станций.
Особенности нашей разработки
Мы попытались сделать упор именно на простоту в повторении и дешевизну. Наша паяльная станция работает с одним из самых дешевых паяльников, а остальные элементы есть в ассортименте многих радиомагазинов.
Также обратите внимание, что это цифровая паяльная станция с микроконтроллером! Как правило самые дешевые паяльные станции от раскрученных производителей имеют аналоговую схему.
Технические характеристики
- Питание от источника постоянного напряжения 12-24В
- Потребляемая мощность, при питании 24В: 50Вт
- Сопротивление паяльника: 12Ом
- Время выхода на рабочий режим: 1-2 минуты в зависимости от питающего напряжения
- Предельное отклонение температуры в режиме стабилизации, не более 5ти градусов
- Алгоритм регулирования: ПИД
- Отображение температуры на семисегментном индикаторе
- Тип нагревателя: нихромовый
- Тип датчика температуры: термопара
- Возможность калибровки температуры
- Установка температуры при помощи экодера
- Светодиод для отображения состояния паяльника (нагрев/работа)
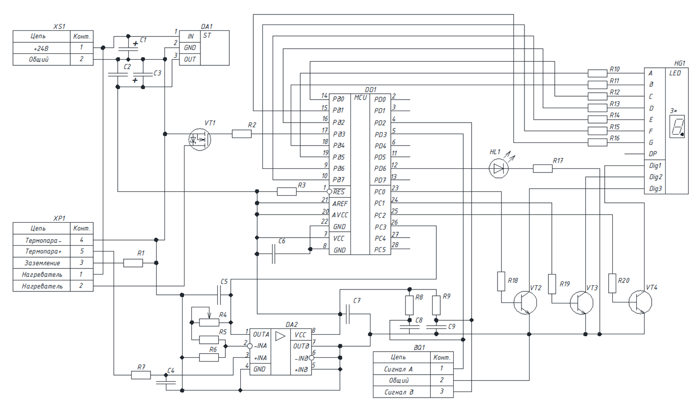
Принципиальная схема
Схема предельно простая. В основе всего микроконтроллер Atmega8. Сигнал с термопары подается на операционный усилитель с регулируемым коэффициентом усиления (для калибровки) и затем на вход АЦП микроконтроллера. Для отображения температуры использован семисегментный индикатор с общим катодом, разряды которого включены через транзисторы. При вращении ручки энкодера BQ1 задается температура, а в остальное время отображается текущая температура. При включении задается начальное значение 280 градусов. Определяя разницу между текущей и требуемой температурой, пересчитав коэффициенты ПИД-составляющих, микроконтроллер при помощи ШИМ-модуляции разогревает паяльник.
Для питания логической части схемы использован простой линейный стабилизатор DA1 на 5В.

Печатная плата
Печатная плата односторонняя с четырьмя перемычками. Файл печатной платы можно будет скачать в конце статьи.
Список компонентов
- BQ1. Энкодер EC12E24204A8
- C1. Конденсатор электролитический 35В, 10мкФ
- C2, C4-C9. Конденсаторы керамические X7R, 0.1мкФ, 10%, 50В
- C3. Конденсатор электролитический 10В, 47мкФ
- DD1. Микроконтроллер ATmega8A-PU в корпусе DIP-28
- DA1. CСтабилизатор L7805CV на 5В в корпусе TO-220
- DA2. Операционный усилитель LM358DT в корпусе DIP-8
- HG1. Семисегментный трехразрядный индикатор с общим катодом BC56-12GWA.Также на плате предусмотрено посадочное место под дешевый аналог.
- HL1. Любой индикаторный светодиод на ток 20мА с шагом выводов 2,54мм
- R2,R7. Резисторы 300 Ом, 0,125Вт — 2шт
- R6, R8-R20. Резисторы 1кОм, 0,125Вт — 13шт
- R3. Резистор 10кОм, 0,125Вт
- R5. Резистор 100кОм, 0,125Вт
- R1. Резистор 1МОм, 0,125Вт
- R4. Резистор подстроечный 3296W 100кОм
- VT1. Полевой транзистор IRF3205PBF в корпусе TO-220
- VT2-VT4. Транзисторы BC547BTA в корпусе TO-92 — 3шт
- XS1. Клемма на два контакта с шагом выводов 5,08мм
- Радиатор для стабилизатора FK301
- Колодка для корпуса DIP-28
- Колодка для корпуса DIP-8
- Разъем для подключения паяльника
- Выключатель питания SWR-45 B-W(13-KN1-1)
- Паяльник. О нем мы еще позже напишем
- Детали из оргстекла для корпуса (файлы для резки в конце статьи)
- Ручка энкодера. Можно купить ее, а можно напечатать на 3D-принтере. Файл для скачивания модели в конце статьи
- Винт М3х10 — 2шт
- Винт М3х14 — 4шт
- Винт М3х30 — 4шт
- Гайка М3 — 2шт
- Гайка М3 квадратная — 8шт
- Шайба М3 — 8шт
- Шайба М3 гроверная — 8шт
- Также для сборки потребуются монтажные провода, стяжки и термоусадочная трубка
Вот так выглядит комплект всех деталей:

Монтаж печатной платы
Собирать плату удобнее всего по сборочному чертежу:

Ниже будет подробное видео о процессе монтажа.
Хочу обратить внимание на важные моменты. Необходимо соблюдать полярность электролитических конденсаторов, светодиода и направление установки микросхем. Микросхемы не устанавливать до тех пор, пока корпус полностью не собран и не проверено питающее напряжение. С микросхемами и транзисторами необходимо обращаться аккуратно, чтобы не повредить их статическим электричеством.
Если плата собрана правильно, то она будет выглядеть примерно так:

Сборка корпуса и навесной монтаж
Для паяльной станции мы нарисовали также файл для резки оргстекла. Его можно передать этот фирме, занимающейся лазерной резкой, и они смогут изготовить вам такой же корпус.
Коммутационная схема внутри корпуса очень не сложная:

Для начала необходимо прикрутить разъем к правой стенке корпуса, а уже затем припаивать провода от разъема к плате. При этом контакты припаиваются один к одному. То есть первый к первому, второй ко второму и т.д. Обратите внимание, что на печатной плате есть дополнительные отверстия рядом с монтажными. Через них можно пропустить провода для дополнительной фиксации.

Далее необходимо скрутить винтами левую и заднюю стенки корпуса. Помните, что оргстекло — хрупкий материал, и не перетягивайте резьбовые соединения!

На следующем этапе эти две части собираются вместе. Затем необходимо подключить провода питания. Плюс питания подключается через выключатель питания. Обратите внимание, что устанавливать лицевую панель пока не надо.

Прошивка контроллера и настройка
HEX-файл для прошивки контроллера также будут в конце статьи. Фьюз-биты должны остаться заводскими, то есть контроллер будет работать на частоте 1МГц от внутреннего генератора.
Первое включение производится до установки микроконтроллера и операционного усилителя на плату. В первую очередь необходимо проверить схему питания. Для этого на плату надо подать постоянное напряжение питания от 12 до 24В и проконтролировать, что на выходе стабилизатора DA1 присутствует напряжение питания 5В. После этого при отключенном питании с соблюдением положения ключа устанавливаются микросхемы DA1 и DD1 в панельки.
Теперь при повторном включении должны заработать следующие функции: на индикаторе будет отображаться температура, энкодер будет ее изменять, паяльник начнет нагреваться, а светодиод сигнализирует о режиме работы.
Далее необходимо откалибровать паяльную станцию.
Оптимальный вариант при калибровке – использование дополнительной термопары. Необходимо выставить требуемую температуру и проконтролировать ее на жале по эталонному прибору. Если показания различаются, то подкрутить коэффициент усиления операционника многооборотным подстроечным резистором R4.
Если под рукой нет контрольного измерительного прибора, то можно установить сопротивление резистора около 90кОм и потом подбирать температуру опытным путем.
После того, как паяльная станция проверена и откалибрована, можно аккуратно, чтобы не потрескались детали, установить лицевую панель.
Видео сборки
Для тех, кто любит смотреть как другие работают:
Заключение
Эта простая паяльная станция, сделанная при поддержке группы Товары из Китая Рдиолюбителю сильно изменит ваше впечатление о пайке, если вы паяли до этого только обычным сетевым паяльником!

О паяльнике надо сказать еще пару слов. Это самый простой паяльник с датчиком температуры. У него обычный нихромовый нагреватель и самое дешевое жало. Жало лучше заменить, например, на такое. Подойдет любое с внешним диаметром 6,5мм, внутренним 4мм, и длиной хвостовика 25мм.

Файлы проекта
Все файлы проекта можно скачать с нашего сайта. Мы будем очень рады, если они окажутся полезны для вас.
Анонс
Сейчас мы работаем над разработкой паяльного фена и нам очень интересно ваше виденье основных характеристик такого устройства, чтобы вы захотели собрать его. Мы будем очень признательны, если вы ответите несколько вопросов нашей анкеты (в конце можно будет посмотреть ответы других пользователей).
Спасибо за уделенное внимание!
Автор: MakeItLab
