
(извиняюсь за качество фото)
Сегодня меня разбудил отчетливый запах дыма и возгласы жены — «вставай скорее, у тебя там что-то горит в мастерской». Спустя пару секунд я увидел источник едва не начавшегося пожара — у воткнутой в розетку, выключенной паяльной станции lukey 852d+ фен раскалился до красного свечения, бодрым огнем горела пластиковая ручка.
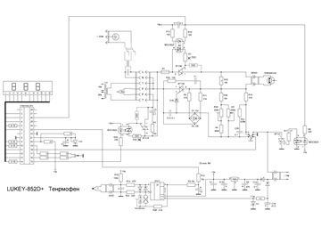
И так, что же произошло? Когда все последствия возгарания были убраны, я вскрыл паяльную станцию и был неприятно удивлен. Дело в том, что управление подогревом фена у почти всех люкеев осуществляется через симисторный регулятор мощности, который в данном случае через опто-симисторную пару получал ШИМ сигнал с ноги Атмеги.

Питание эта цепь берет напрямую из колодки-входа 220 вольт, из защиты только снабберная RC-цепь и все. При выходе из строя симистора BTA16 в следствии броска напряжения фен начинает радостно калиться на все свои 700 с копейками китайских ватт.
Что делать? 1) поставить паралельно этому симистору варистор с отсечкой в 275 вольт — при кратковременных бросках избыток будет рассеиваться на спирали, а симистор останется заперт.
2) разомкнуть цепь с помощью реле 220 вольт 10 А, повесив управляющую обмотку через кондер в 1500мкф, диод и мелкий трансформатор на клеммы помпы. Логика простая — если помпа не работает, то цепь питания спирали подогрева априори разомкнута.
Ну и не доверять китайцам, оставляя без присмотра технику дяди Ляо в стендбае, даже если она последние 5-6 лет работала без косяков.
Автор: carrier
