Пусть он мне скажет:
«Ты старый осел, ты жил не так, я буду жить по-другому».
Я пойму, но пусть он скажет! Но он же молчит.
Недавно один мой молодой коллега (ММК) попросил посмотреть происходящие в его разработке непонятки. Изделие представляло собой повышающий преобразователь 5В в 5В, основным назначением которого было скомпенсировать падение напряжения на кабеле подключения внешнего DVD привода к интерфейсу USB. Построен преобразователь на основе микросхемы MAX669 в режиме «самоподдержки», схема соответствует рекомендованной и, тем не менее, устройство не работало — напряжение на выходе составляло 4 В, то есть питание 5В минус падение на проводах, минус прямое падение на диоде.
Смотрим осциллограмму на затворе транзистора, видим там 90% заполнение с амплитудой сигнала 4В, но транзистор не открывается. Здесь следует уточнить, что ММК использовал отечественные транзисторы типа 2ПЕ208А. Сами по себе транзисторы не плохи, параметры вполне достойные, но напряжение открывания составляет, согласно ТУ, от 2.5В до 4В, так что транзистор вполне имеет право не открываться при 4В на затворе — mea maxima culpa.
Первый плач Ярославны (пЯ): как я сказал выше, параметры транзистора вполне пристойные, но (естественно) есть один небольшой недостаток (по крайней мере, в документации) — если статические параметры указаны в требуемом объеме, то динамические параметры (за исключением обобщенной емкости затвора) указаны чуть более, чем никак. Причем само по себе время задержки включения и выключения есть в документации и конкретный транзистор вел вполне прилично в плане быстродействия (когда мы увеличили входное напряжение так, что он начал открываться и схема стала работать), но эти параметры приведены в ТУ в разделе «справочные данные», более того, именуются «типовыми значениями», то есть опираться на них при проектировании устройства нельзя, «от слова совсем», что резко ограничивает возможную область применения вышеуказанных компонентов. Причина подобного решения разработчиков транзисторов для меня осталась загадкой, если кто из них читает данный пост, объяснитесь в комментариях.
Ладно, меняем транзисторы на импортные (импортозамещение сорвалось) типа IRF7103 (они просто под рукой были) с напряжением открывания от 1.0В до 3.0В, схема начинает работать, но несколько странно — на затворе по прежнему 90% заполнение, транзистор срабатывает, но выходное напряжение 3.5В, при этом от 5В потребляется почти 2А. Отключаем привод, картина не меняется, потребление сосредоточено в нашем изделии. Видим, что нагревается микросхема TUSB9261 которая отвечает за преобразование USB интерфейса в IDE, начинаем смотреть осциллограммы на ее ножках, начиная (естественно) с тактового генератора и… внешнее потребление чудесным образом уменьшается до 0.2А. Повторяем включение, опять видим дефект, пропаиваем конденсаторы на обоих концах кварцевого резонатора и плата начинает включаться нормально — mea culpa.
Второй пЯ: конечно, нельзя надеяться, что генератор заработает без конденсаторов, но схема сброса наличествует (RC цепочка) и функционирует, так почему же микросхема зависает в некоем промежуточном и явно неработоспособном состоянии — не могу сказать что понимаю резоны разработчиков из фирмы Texas Instruments. Поскольку вероятность того, что они читают данный пост, не слишком велика, предлагать объяснить резоны подобного поведения микросхемы не стану.
Включаем плату заново — выходное напряжение стабилизировано на уровне 5В, подключаем привод и снова включаемся — выходное напряжение становится равным требуемым 5В, но через некоторое время падает до 3.5В, затем восстанавливается и цикл повторяется. Подключаем вместо USB питания выход лабораторного источника питания стабилизированного (ЛИПС) и наблюдаем резкий скачок тока потребления в момент запуска двигателя привода с 0.3А до 1.2А. Ага, понятно, гарантированный ток питания интерфейса не может быть выше 0.5А, нужен второй шнурок для удвоения тока, ну это общепринятая практика, mea maxima culpa. Вроде все понятно и работает, решаем провести ряд экспериментов для определения динамических параметров источника разрабатываемого устройства при помощи ЛИПС и гарантированной нагрузки в виде резистора 4 Ом.
Подаем на вход устройства напряжение с ЛИПС не путем втыкания бананов, а путем включения выходного напряжения источника с подсоединенным устройством. Вообще говоря, такой способ проверки не может быть рекомендован для произвольного ЛИПС, некоторые из них, например, Ереванские (уже не вспомню марку, сейчас, конечно, их уже не найти) в момент включения выдавали перерегулирование с набросом до 40В, но в данном ЛИПСе мы уверены, так что можем себе позволить.
Третий пЯ: совершенно не понимаю, чем руководствовались разработчики бананов с вращающейся контактной группой. Мне еще ни разу не встречались среди них нормально работающие — то есть те, которые не приходится постоянно поправлять в точке контакта (не считая тех, которые добавлением нескольких капель олова в зону скольжения поворотной части превращены в нормальные бананы). Если кто из конструкторов данного чуда техники читает данный пост, объясните в комментариях смысл своего гениального изобретения, я не в силах его постичь самостоятельно.
И, совершенно неожиданно, обнаруживаем, что устройство не выходит на рабочий режим, а оказывается все в том же непонятном состоянии, причем ЛИПС стабилизирует отдаваемый ток на уровне 2.2А, сбрасывая напряжение до 3.2В. При этом на выходе наблюдаем 3.5В, несмотря на то, что скважность составляет все те же 90% и транзистор устойчиво переключается. Получается, что коэффициент повышения напряжения составляет 3.5/3.2=1.1, что явно меньше ожидаемых 1/(1-0.9)=10 и кпд источника составляет (3.5*3.5/4)/(3.2*2.2)=43% и это откровенно немного. Налицо явное проявление черной магии (энергия уходит в никуда) и нарушение законов электроники. Поскольку говорить mea culpa, а тем более mea maxima culpa, на первый взгляд, нет оснований, исследуем проблему детально и начнем с теории.
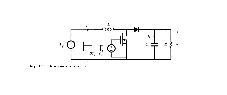
Схема силового каскада повышающего преобразователя приведена на следующем рисунке,
теория его работы рассмотрена в многочисленных материалах (лично мне очень нравится курс Роберта Эриксона, откуда картинка и взята), используем результаты без вывода (все желающие могут найти его в упомянутом источнике или получить самостоятельно — настоятельно рекомендую второй способ). А основной результат заключается в том, что повышать напряжение до бесконечности (по формуле 1/(1-d)) преобразователь способен только «в сферическом вакууме» и лишь в том случае, когда его работе не мешают «сгустки вакуума», а в реальной схеме с реальными компонентами имеется предельный коэффициент повышения напряжения
Kmax~1/2*sqrt(R/(Rl+Rds)) и достигается он при значении коэффициента заполнения
d=1-sgrt((Rl+Rds)/R).

Четвертый пЯ: не могу понять, почему два «паразитных» сопротивления вошли в итоговую формулу оптимальной скважности симметрично, если в исходном выражении сопротивление транзистора было умножено на d, в отличие от дросселя, но математика, как и гравитация, беспощадная… ( ну, Вы поняли) и разночтений не допускает, приходится смириться с непониманием.
Для рассматриваемого нами случая Rl=0.17 Ом и R=4 Ом имеем Km=2.4 и соответствующий ему d=0.8. Вроде бы этого достаточно для повышения напряжения до 5В при входном напряжении, начиная с 4, а вот с 1.8В, когда начинает работать регулятор в микросхеме контролера MAX669, не все так хорошо, но нам такие низкие входные напряжения и не нужны. Но мы не учли еще один источник потерь (вернее, два, второй — это сопротивление диода, однако он в данном случае мало значим) коэффициента передачи, а именно падение на открытом транзисторе.
Что за глупости, скажете Вы вслед на ММК, выбранный транзистор имеет Rds порядка десятых долей ома (конкретно 18мОм) и не может оказать существенного влияния на работу схемы, но будете не правы. К сожалению, многие производители транзисторов дают данный показатель при напряжении на затворе относительно истока (управляющее напряжение) существенно превышающим напряжение открывания. В конкретной технической документации (ТД) мы видим максимальное напряжение затвор/исток (напряжение открывания) 2.5В (в другом своем посте я показывал, почему мы должны брать максимальное значение этого параметра, а не минимальное и, тем более, не типовое… изыди, сатана), а сопротивление 18 мОм дано при управляющем напряжении 10В.
Между тем широко известно (хотя, к сожалению, далеко не столь широко, как хотелось бы), что сопротивление открытого полевого транзистора (насколько о нем уместно говорить, поскольку данный показатель реального транзистора имеет явно нелинейный характер) обратно пропорционально именно разности управляющего напряжения и напряжения открывания. То есть при управляющем напряжении 3.5В мы будем иметь сопротивление ключа в (10-2.5)/(3.5-2.5)=7.5 раз больше, чем указано в ТД, 18*7.5~140 мОм, что вполне сравнимо с сопротивлением индуктивности.
А вот при 2.5В управляющего напряжения, а тем более при 2.5-0.4=2.1В (у нас схема «само поддержки») транзистор вообще имеет полное право не включаться, запомним это на будущее.
Теперь мы можем уточнить достигаемые максимальные параметры и получаем
Kmax=1/2*sqrt(4/(0.17+0.14)=1/2*sqrt(12.9)=1.8 (достигаемый при d=0.72) и становятся очевидными два ужасных факта:
1 — о повышении напряжения до требуемого номинала при входном 2.5В можно даже и не мечтать;
2 — коэффициент заполнения более 0.72 неприемлем.
Если проблема, связанная с первым фактом, очевидна, то о влиянии второй следует поговорить подробнее и мы это сделает чуть позже. Но прежде, исправим допущенные ошибки — заменим индуктивность на более подходящую с сопротивлением 60 мОм и транзистор на CSD16342Q5A, у которого сопротивление открытого ключа составляет 12 мОм при управляющем напряжении 2.5 В (максимальное напряжение открывания 1.1В). Тогда ожидаемый
Kmax=1/2*sqrt(4/0.06+0.012)=3.7 и достигается он при d=0.94, так что мы можем рассчитывать на вполне устойчивую работу преобразователя, начиная со входного напряжения (5+0.6)/3.7=1.5В.
Не совсем пЯ, поэтому без номера: найти на сайте TI транзистор с требуемым гарантированным сопротивлением при низком управляющем не так просто, как могло бы быть в идеальном мире с идеальными сайтами. Можно отсортировать нужные транзисторы по среднему открывающему, а дальше придется открывать один за другим транзистор и смотреть соответствующую техническую документацию. А на идеальном сайте я бы смог задать запрос дополнительного параметра «Минимальный Rds при Ugs=2.5В» и сразу получить ответ.
И действительно, после замены указанных элементов повышающий источник начинает нормально работать и обеспечивает 5В/1.2А при входном напряжении от 2.5В до 5В. Обратим внимание что рабочее входное напряжение реально оказалось выше расчетного в силу особенностей микросхемы управления, которая в диапазоне от 1.8 до 2.5В работает с фиксированной скважностью 0.5 и только потом начинает регулировать выходное напряжение. Заметим также, что мы никак не можем гарантировать работы преобразователя ниже расчетных показателей, невзирая на поведение конкретного экземпляра (экземпляров).
Вы спросите, а как это мы ухитряемся получать 5 из 5, ведь у нас повышающий преобразователь — на самом деле мы получаем 5.4-5.8 (в зависимости от тока нагрузки) и после диода напряжение падает до требуемых 5В.
Теперь все хорошо и проблемы решены — к сожалению, не до конца. Если бы все было именно так, я бы не стал писать пост с рассказом лишь о своих ошибках (пока, кроме них, мы ничего не исправили). Возвращаемся к исходным компонентам схемы, ведь они гарантировали нам работу при входном напряжении от 3В, а мы при входном 3.2В оказываемся в нашем «любимом» режиме — скважность 90%, выходное напряжение 3.5В, входной ток 2.2А. Да, при «более правильных» компонентах данное явление не наблюдалось, но тогда каковы границы «правильности» компонентов. Будем отвечать последовательно на главные вопросы.
«Кто виноват».

Еще раз внимательно посмотрим на график изменения выходного напряжения в зависимости от коэффициента заполнения (скважности) и обнаружим на нем два участка — восходящий и нисходящий (наш случай 0.05). Если провести прямую, соответствующую требуемому выходному напряжению при фиксированном входном, то мы увидим две точки пересечения с данным графиком (возможно, одну или вообще ни одной, но это откровенно не рабочие режимы), при которых требуемый коэффициент преобразования достижим. Тем не менее рабочей является только точка, расположенная слева от максимума (с меньшей скважностью) по следующим основаниям:
1) закон регулирования, заложенный в микросхему, подразумевает прямую зависимость (чем больше, тем больше) регулируемого параметра (выходного напряжение) от регулирующего параметра (коэффициента заполнения), а в нисходящем участке кривой зависимость обратная, что было бы полбеды если бы не следующее обстоятельство;
2) если мы построим график кпд повышающего источника в зависимости от коэффициента заполнения, то увидим, что его значение падает по мере возрастания скважности на всем диапазоне определения, вначале плавно, так что в точке максимума преобразования кпд составляет 50%, а далее просто катастрофически вплоть до нуля. Совершенно очевидно, что если можно получить одинаковое выходное напряжение при кпд 80% или 20%, то второй вариант не должен иметь перспектив практической реализации.

Объясняется этот эффект возрастанием падения на паразитных сопротивлениях дросселя и транзистора, причем падение нарастает явно нелинейно, ведь ток через эти компоненты связан с выходным током, который растет при увеличении выходного напряжения через коэффициент пересчета — скважность. Способы борьбы я уже указал выше — снижение паразитных сопротивлений, но сейчас мы говорим не об этом.
Итак, мы убедились, что не следует повышать коэффициент заполнения выше конкретного значения, определяемого параметрами нагрузки и реальными параметрами компонентов схемы. Тем не менее, микросхема может выдавать управляющий сигнал с коэффициентом заполнения до 90%, если считает это необходимым. И именно в связи с этой особенностью, с учетом способности микросхемы работать, начиная с напряжения 2.5В, мы сталкиваемся с весьма неприятным процессом, называемым «защелкивание».
«Как это происходит».
Сценарий возникновения неисправности:
1. Включаем ЛИПС при подключенном преобразователе с нагрузкой, напряжение на его выходе начинает медленно нарастать, до напряжения 1.8 ничего не происходит.
2. При входном напряжении от 1.8 до 2.5 микросхема вырабатывает управляющий сигнал со скважностью 50%, транзистор может начать срабатывать (а может и не начать, как повезет), выходное напряжение растет, хотя значение его не известно.
3. После достижения напряжения 2.5 микросхема начинает управлять преобразователем, пытаясь достигнуть выходного напряжения 5+0.6В, для чего требуется иметь увеличение напряжения 5.6/2.5=2.24 раза, что очевидно превосходит установленный нами предел. Поэтому скважность достигает максимального значения 0.9, выходное напряжение становится равным 2.5*4*0.1/(4*0.1*0.1+0.17+0.14)=2.8В, при этом кпд составляет менее 20%.
4. Входное напряжение повышается дальше, вместе с ним растет выходное напряжение и выходной ток (а вместе с ним и входной ток), в какой-то момент входной ток (в девять раз больший выходного, между прочим) превосходит предел защиты и ЛИПС уходит в режим стабилизации тока. Вот мы и пришли в нашу «рабочую точку», в которой будем находится бесконечно долго.
Пнп: И это лучший сценарий, поскольку если у нас на ЛИПС не выставлена защита по току, то после достижения входным напряжением значения 5.6/1.12=5В микросхема увидит, что напряжение стало больше требуемого, начнет уменьшать скважность и вернется в левую часть регулировочной кривой, предварительно пройдя через пик 5*1.8=9В с непредсказуемыми последствиями для питаемых компонентов.
«Что делать».
Поскольку мы не уверены в правильной (точнее говоря, уверены в неправильной) работе нашей схемы при низких (менее 3В) напряжениях питания, нам следует принять меры, чтобы не пустить схему при низких входных напряжениях в правую часть кривой, обозначим возможные способы это сделать:
0) «Улыбаемся и машем» — делаем вид, что ничего страшного не происходит и в изделиях питание будет всегда подаваться «скачком» и провалов не будет — ну, в общем, Вы поняли, почему аквапарки рушатся, ракеты взрываются, самолеты неудержимо уходят в пике, а автомобили неконтролируемо ускоряются.
0*) «Проблема не на нашем конце» — явным образом требуем в технической документации «скачкообразной» подачи питания и отсутствия провалов напряжения ниже рабочего. Способ явно лучше предыдущего, мы не спрятали проблему под ковер, а ясно ее обозначили. Другое дело, что никто не станет ставить специально для нас «очиститель» питания (я не уверен, что на это требования вообще обратят внимание) и нам будет нелегко доказать невыполнение требований к подключению нашего изделия. Тем не менее принципиальная возможность снять с себя ответственность за случившиеся инциденты имеется, хотя от этого пострадавшим легче не станет.
1) «Если платить обязательно, джентльмен всегда платит с улыбкой» — выбираем компоненты схемы с большим запасом, обеспечивающими работу при низких напряжениях. Способ понятный и именно им мы пошли, заодно и кпд в рабочем режиме немного подняли, но «за все на этом свете надо платить» и нам придется увеличить массо-габаритные параметры и/или стоимость нашего изделия.
Пнп: При этом надо обязательно учесть, что ограничения все равно остались, просто их границы сдвинулись. Для рассмотренной замены с сопротивлением индуктивности 60 мОм, транзистора 12 мОм и необходимости нормальной работы при входном напряжении 2.5 получаем Kmax>=5.2/2.5=2.24, тогда предельное сопротивление нагрузки R>=4*Kmax*Kmax*(Rl+Rds)=1.44 Ом, или, другими словами, потребляемый от преобразователя ток не должен быть больше 3.5А во всех режимах, в том числе и в момент включения. Понятно, что лучше к опасному пределу не приближаться и сделать полуторакратную, а то и двукратную защиту по критичным параметрам, но это уже по вкусу.
2) «Ты не можешь управлять ветром, но вполне можешь управлять парусом» — блокировать ошибку, то есть исключить возможность подачи на вход преобразователя низких входных напряжений. Мы не можем гарантировать поведение внешнего источника, но можем управлять своими входными цепями. Способ хороший, но требует коррекции схемы, так что не сейчас.
2*) запретить работу схемы при низких входных напряжениях — направление выглядит перспективнее, чем предыдущее, поскольку не требуются силовые элементы и особенно учитывая наличие у микросхемы входа разрешения. Но не сейчас, как и предыдущий способ.
Пнп: реализовать блокировку работы можно разными способами: тут и резистивный делитель и использование стабилитрона/трех-выводного стабилитрона и биполярный транзистор с формированием открывающего напряжения выше перечисленными способами и настоящий компаратор и так далее… тысячи их.
Единственное, что неприемлемо — RC цепочка, поскольку данная схема решает не нашу основную задачу (напоминаю, это запрет работы схемы до достижения некоего значения входного напряжения), а некоторую другую (формирование заданного временного интервала после достижения некоего напряжения, не совпадающего с контролируемым) и отсылает нас к варианту 0*. В то же время, такая цепочка может быть полезной после схемы сравнения вышеперечисленного типа, чтобы исключить дребезг вблизи точки переключения.
Пнп: Если Вы решаете использовать RC цепочку, не забудьте обеспечить цепь разряда конденсатора, зашунтировав либо резистор, либо конденсатор диодом, иначе провалы питания приготовят нам множество «открытий чудных» с отрицательным эмоциональным фоном.
Ну вот и наступает (мои постоянные читатели уже нервничали, совершенно напрасно, свершилось) время пространного пятого пЯ: нельзя сказать, что разработчики микросхемы не догадывались о возможности подобного поведения источников на ее основе, о чем свидетельствует следующее предложение из технической документации
«Other (undesirable) characteristics of bootstrapped operation are… reduced ability to start up with high load current at low input voltages», которое я склонен перевести, как
«Нежелательным аспектом работы в режиме самоподдержки… является уменьшение способности стартовать с высоким током нагрузки при малых входных напряжениях.».
На мой взгляд, такого предупреждения совершенно недостаточно и требуется ссылка на указание по применению, в котором содержимое данного поста должно быть малой частью.
К примеру, в разделе «Выбор индуктивности» требования к сопротивлению оной вообще никак не упоминаются. Понятно, что эти требования должны быть известны инженеру, но тогда и требования к минимальной индуктивности ему должны быть известны не в меньшей степени, а последние в данном документе аккуратно приводятся.
Ну и как вишенка на торте — в документации есть раздел «выбор транзистора», где говорится о необходимости учитывать необходимость работы при низких напряжениях, при этом в том же документе приводят типовую схему повышающего преобразователя на выходное 12В/0.5А (либо 5В/1А, как раз наш случай), указывают на схеме входное напряжения диапазона 1.8-5В и совершенно забывают, что:
1) до 2.5В микросхема работает с нерегулируемой скважностью в 0.5, так что выходное напряжение будет не более 5В, что несколько не равно 12В (и даже не равно 5В);
Пнп: меня вообще несколько удивляет позиционирование микросхемы (по всему тексту документа, начиная с заглавия), как готовой к работе, начиная 1.8В, что совершенно не соответствует действительности, минимальное рабочее напряжение 2.5В было бы правильнее.
2) примененный транзистор типа FDS6680 имеет полное право не открываться до получения управляющего напряжения 3В, а с учетом наличия диода в «само поддерживаемой» схеме это минимальное 3.5В входного напряжения, что явно больше указанного минимального входного 1.8В.
Пнп и одновременно шестой пЯ: сначала я думал, что это просто ошибка (да, такое бывает у всех, не только у меня и ММК), но одно маленькое обстоятельство заставило меня изменить свое мнение. Обстоятельство это заключается в пункте 5 раздела «выбор транзистора», а именно:
«5) Minimum threshold voltage (VTH(MIN))». То есть авторы документа, описывающего продукцию уважаемой фирмы, твердо уверены, что при выборе типа полевого транзистора важно знать только минимальное напряжение открывания. А я и не знал, что так можно было. На мой взгляд, это очень опасное заблуждение, из которого следуют весьма сомнительные выводы и рекомендации.
Кстати, второй рекомендованный для применения транзистор IRF7401 в своей технической документации дает именно минимальное пороговое напряжение (0.7В) и больше никакого, что несколько настораживает. Я не могу исключить вариант, когда максимальное пороговое (ну и типовое, я не против, чтобы его указывали в документации, я только против, чтобы его использовали при расчете схемы) совпадает с минимальным, но я хотел бы видеть эту информацию указанной в документации явным образом, поскольку иной подход загоняет нас на «зыбкую почву догадок и предположений», а она никак не может быть надежным фундаментом честной инженерной работы.
Если авторам раскритикованной в посте документации (либо им сочувствующим) есть что сказать в свое оправдание для объяснения своей позиции и посрамления маловеров прояснения некоторых сомнительных моментов, прошу в комментарии. Сразу скажу: «сначала добейся» лично мною рассматриваться в качестве убедительного аргумента не будет.
Ну вот и состоялось разоблачение черной магии, как и всегда, мы нашли естественно-научное объяснение наблюдаемому поведению схемы (как говорил один замечательный персонаж: «Я-материалист») и нам не пришлось переходить на темную сторону. Надеюсь, что мои заметки оказались кому-то полезны в практической деятельности, ну или, по крайней мере, развлекли в процессе чтения.
Автор: Автушенко Игорь
