Эти занятия на правах предмета по выбору я веду в одной из местных школ с 2006 года. Их цель — дать представление юным знатокам — любителям ардуин — некоторое представление о том зачем светодиоду резистор, не говоря уже о пользе транзисторов‑конденсаторов и прочих чудес :-) Занимаемся в основном на макетных платах, впрочем об организационной стороне дела лучше написать потом отдельно.
Такой список занятий с картинками (!) может быть полезен как тем кто захочет провернуть что‑то подобное в собственной школе (но затрудняется с чего начать) — так и тем кто сам захочет немного освежить понимание всех этих «аналоговых фокусов». Прилагаю и ссылочки на накопившиеся «электронные конспекты» по соответствующим темам. В принципе они годятся и для самообразования:‑)
Некоторые пояснения
Занимаюсь со школьниками 8–10 классов. Считаю что материал по большей части доступен и 5–6-классникам (все вычисления в основном на уровне арифметики начальных школ) — но у нас в школе набор только с 8 классов, да и школьники нынче иные чем в «старые добрые времена»:‑)
Спецкурсы проходят после основных занятий (4я пара или 7–8 часы) и школьники предсказуемо уже утомлённые, поэтому обычный режим — 15–20 минут теории, после чего практическая часть — сборка какой‑нибудь крохотной схемы демонстрирующей обсуждаемый эффект.
Отличие от кружка — в том что занятия проводим в обычной аудитории 1 раз в неделю. На 1 раз в неделю оборудовать специально лабораторию на 20 посадочных мест никто не будет — поэтому «всё своё ношу с собой», ну точнее ящик с инструментами, платами и батарейками храню в школе, а компоненты ношу. Об организационной стороне если надо расскажу отдельно.
Другой нюанс — ребята из разных классов и с разным уровнем подготовки. Поэтому существуют «конспекты» которые я выкладываю после занятий для желающих — ну и при самих объяснениях нужно пытаться всем донести суть. Впрочем ситуацию упрощает то что электроники почти никто не знает, а то что знают — мало куда годится.
Например, один из первых «парадоксов» который я предлагаю — убедиться что «Закон Ома не работает!» — поскольку школьники у нас с углублённым изучением физики, они слегка выпадают в осадок «как, да ведь на олимпиадах задачи решаем...» — я привожу практический пример:
-
смертельным током для человека является примерно 0.1 А
-
сопротивление человека (попросим добровольца подержать щупы мультиметра) - 50-200 кОм
-
попрошу нескольких желающих поделить 220-230 Вольт на это сопротивление и убедиться что совать пальцы в розетку, "согласно закону Ома", абсолютно безопасно (недоверчивый смех)
Здесь конечно дело не столько в самом законе сколько в его правильном применении к человеку и переменному току...
Вводное занятие - "ночник"
Выше сказал, что работаем на макетных платах - но на самом деле 2-3 занятия в семестр стараюсь устроить более "практическими" - такими что в результате школьники делают какую-нибудь штуку которую уносят домой (и с гордостью могут показать родным... ну хоть младшим братьям-сёстрам).
Самое первое занятие в последние годы проходит в таком же ключе. Сначала упоминаю основные законы (конспект) с которыми нам придётся сталкиваться.
Потом в качестве примера компонента соблюдающего закон Ома привожу резистор, а в качестве компонента не соблюдающего данный закон - неоновую лампочку. Изображаю на графике нелинейный характер ВАХ у лампочки, поясняю как на графике же складываются напряжения.
Для данного занятия приходится закупить собственно неонки, резисторы и обычные сетевые вилки. Несколько отвёрток и ножей в качестве инструментов куплены уже давно - но прошу кому не лень захватить и собственные на занятие. То что нужно сделать выглядит приблизительно так:

Громко и угрожающе заявляю что проверять поделки самим нельзя — пусть приносят мне. Обычно из 15–20 человек у кого‑нибудь да «бумкнет». С учётом автоматов это в целом неопасно зато поучительно. Сам, естественно, включаю соблюдая всякие предосторожности и через удлинитель имеющий дополнительную защиту (такие как для компьютеров, «пилоты»).
Работает примерно так:

Конечно это довольно примитивно‑несерьёзно, но с учётом того что половина школьников не знают в какую сторону завинчиваются винтики — не говоря уж о том что вилок в жизни не разбирали — воспринимается очень позитивно. Да и в хозяйстве полезный навык:)
Занятие со светодиодами
Объясняю что диоды вообще и светодиоды в частности — это элементы которые тоже не подчинены закону Ома. Рисую ВАХ, объясняю почему приходится ставить токоограничительный резистор. Конспект.
С некоторыми это безнадёжно — они до конца семестра будут периодически втыкать без резистора и уж тем более повторить расчет тока в этой простой схеме даже на зачете — огромная проблема:)

Для практической части раздаю штук 5 светодиодов и предлагаю проделать такие эксперименты:
-
поставить последовательно несколько светодиодов (с одним резистором) и убедиться что напряжения батарейки может не хватить на них всех - т.е. ВАХ действительно такая как обсуждали
-
включить два светодиода "антипараллельно" (плюс резистор) и убедиться что при переключении полярности батарейки горит то один то другой (наверняка будут путать выводы светодиодов - ну вот и попрактикуются)
-
собрать "светодиодный мост" и убедиться как ток проходит разными путями при переключении полярности.
На последние 2 пункта есть отдельная страничка конспекта.
Транзисторы (биполярные)
Объясняю что транзистор - усилительный элемент. Рассказываю про коэффициент усиления по току. Прошу научиться рисовать транзистор и запомнить название ног. Распиновку прошу загуглить самостоятельно (просто в качестве упражнения - т.к. у всех телефоны).
Рисую и объясняю расчет в схеме с общим эмиттером. Она будет повторяться и в некоторых других занятиях. Про другие способы включения не рассказываю т.к. к этому моменту информация перестаёт помещаться в головах ребят :) Лучше по мере необходимости к этому прийти позже. Конспект.

Практическая часть состоит в воспроизведении на макетной плате схемы с ОЭ, как на данной фотографии. Тут отмечу что ряд красивых фото наших "поделок" были выполнены ученицей тогда 9 класса Аней Михайловой, за что ей большое спасибо. В этой схеме доступны два-три простых эксперимента:
-
включаем светодиод в цепь с резистором базы - и убеждаемся что он горит очень тускло - т.е. через базу действительно течёт очень слабый ток, который заставляет гораздо более ярко гореть светодиод в коллекторной цепи
-
прошу вынуть резистор (и светодиод) из базовой цепи, и вместо них замкнуть цепь собственными пальцами (мы ведь замеряли сопротивление мультиметром) - и убедиться что этого может быть достаточно для того чтобы транзистор открылся (мы используем обычно BC549 у них довольно большой коэффициент усиления).
-
если удаётся закупиться фоторезисторами подходящего сопротивления, можно немного модифицировать схему (перенести резистор в коллекторной цепи под эмиттер) и сделать "автомат управления освещением" - вот страничка в конспекте - там два варианта т.к. раньше вместо фоторезисторов пользовались фотодиодами (сейчас они подорожали) - в общем, исходите из того с какими компонентами работаете.
Конденсаторы
С конденсаторами много нюансов - они довольно разнообразные и применения у них разнообразные. К тому же чёткое понимание их требует представления о динамических процессах, но интегралами даже простыми пугать школьников ни к чему. Поэтому объясняю заряд и разряд RC цепочки рисуя обратную экспоненту, объясняю про постоянную времени - и почему конденсатор в этом смысле не похож на батарейку (обязательно спросят все равно). Для начала стараюсь сосредоточиться на этом. Фильтры рассказывать перестал хотя в принципе это возможно. Реактивное сопротивление краем можно будет затронуть чуть позже (см. NE555). Конспект тут - к сожалению сам график кривых я кажется до сих пор туда не добавил, нужно будет исправиться.

Практическое задание незамысловатое:
-
сперва попробуем разрядить конденсатор через резистор и светодиод (резонно подобрать ёмкость которая на данном резисторе даст достаточную по длительности вспышку - вспоминаем про
tau=RC) -
теперь собираем снова схему с ОЭ как на прошлом занятии - но верхний конец резистора в базовой цепи не подключаем к питанию - а разряжаем через него конденсатор - теперь светодиод светится гораздо дольше и можно грубо сравнить RC со временем угасания.
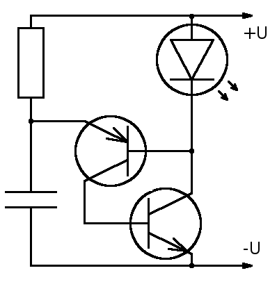
Мигалка (генератор на транзисторах разной структуры)
Пришла пора когда стоит сделать схему имеющую минимальный практический смысл (если ещё не делали автомат управления освещением, как выше - можно и его вынести в отдельное занятие). Довольно осмысленной вещью является генератор - т.к. они в самых разных схемах в электронике в качестве составных частей присутствуют.
Объясняю что создать периодический процесс оказывается не так просто. Поскольку можно убедиться что даже 5-6 компонент по схеме соединить правильно ребятам бывает на удивление сложно - то в целях минификации взял эту схему, которую можно было встретить в советских книжках и брошюрах в разных вариантах - её характерная особенность в том что заряд происходит за время определяемое резистором - а вот время разряда не обязательно контролируемое. Как следствие она достаточно чувствительна может быть к выбору светодиода и транзисторов. В советские времена как минимум один транзистор был германиевым и это несколько меняло дело (т.к. германиевый транзистор пропускает достаточно заметный ток даже без управляющего воздействия).

Страничка в конспекте. Я не готов утверждать что школьников обязательно нужно знакомить с этой схемой - дальше мы будем делать более надёжные генераторы. С другой стороны он может быть использован там где период должен контролироваться одной RC-цепочкой. Или там где в схеме нарисован генератор на однопереходном транзисторе (классический пример - стилофон).
Резистор можно для демонстрации заменить (или добавить) фоторезистором.
Мультивибратор

Это вещь классическая - генератор из двух симметричных частей на транзисторах (или с другой точки зрения - двухкаскадный усилитель охваченный обратной связью). Имеет смысл в качестве практики работы с макетной платой (в нём аж 10 компонент), либо если не делали предыдущую схему, а также в качестве подготовки к "новогодней поделке" (см ниже).

Конспект содержит объяснения и даже анимацию - но в последние годы я в объяснения не впадаю. Всё равно по большей части это "вылетит из другого уха" - да и обычно нам проще сконструировать более надёжные, простые и управляемые схемы генераторов.
Особо усердным можно предложить собрать ту же схему с 3 секциями вместо двух. Такая обычно использовалась для "бегущих огней".
Микросхемы логики - собираем RS-триггер
Обычно тут как раз проходят осенние каникулы и после них мы собираемся вновь чтобы начать заниматься с микросхемами.
Расспрашиваю кто что помнит о логике (логические функции и т.п.), пугаю что в электронике все может быть сложнее и страшнее (например что высокий уровень может быть слаб по току "слабая истина" или вывод может находиться в high-Z состоянии). Тут не всем легко устаканить что 0 это соединение с минусом питания а не просто отсутствие сигнала. Часть конспекта об общих темах связанных с логическими чипами.
Объявляю что сегодня мы будем делать оперативную память для суперкомпьютера будущего. Каждый сделает 1 бит. Поясняю что достаточно нетривиальным кажется вопрос как схема может запомнить какое-то состояние.
Будем делать RS-триггер - достаточно микросхемы типа К555ЛА3 или ЛА4 - или иноземного аналога (7400) - но желательно чтобы ТТЛ(Ш) а не CMOS, поскольку нам желательно чтобы неиспользованные входы были "подтянуты к плюсу" внутри. Объясняю этот момент отдельно (на неиспользованных входах - логическая единица - это нам ещё пригодится).
Сам RS-триггер вещь незамысловатая - микросхема, пара светодиодов и резисторов. Проводки для обратной связи и отдельный проводок которым тыкать (от GND) во входы чтобы переключать его. Тут отдельная страница конспекта.

Микросхема таймера NE555
Временно отклонимся от чисто-логических микросхем, т.к. таймер на NE555 удобно использовать и в других поделках. В рассказе про него есть два аспекта:
-
повторить заряд-разряд RC-цепочек, т.к. здесь это очень наглядно
-
подробно рассказать о внутреннем устройстве (хотя и необязательно) - т.к. там есть RS-триггер, правда ещё и компараторы.
Вот конспект. В практическом смысле интересно не только сам таймер запустить, но сделать каскадное включение. Например один таймер с более длительным периодом может управлять вторым, у которого период более короткий. На анимации ниже красный управляет зелёным (по-моему через 4-ю ногу). Также в качестве ведомого может выступать таймер с пьезо-пищалкой вместо светодиода. Или вышеупомянутый генератор на транзисторах разной структуры.

Обращаю внимание на "упрощённую" схему (когда RC-цепочка прямо к выходу подключается) - минимум элементов, но заметно что время проблеска и паузы неодинаково - как демонстрация про неравноценные низкий и высокий уровни выхода.
UPD: чуть не забыл - выше в занятии о конденсаторах упоминалось что можно демонстрировать прохождение переменного тока через конденсатор - вот это на NE555 я как раз предлагаю школьникам посмотреть: частоту выбираем несколько сот герц (как для "пищалки" а не "мигалки") - а на выход ставим два антипараллельных светодиода к которым последовательно вместо резистора подключен конденсатор, скажем, 0.1 мкФ. Светодиоды светятся (хотя обращаю внимание школьников, что по 1-му закону Кирхгоффа ток через конденсатор идти не может) - но если выдернуть один - второй тоже погаснет - это выглядит почти как маленькая уличная магия для ребят :)
D-триггер и счётчик на нём
Здесь мы используем микросхемы типа К555ТМ2 - в них 2 D-триггера и можно собрать счётчик-делитель на 4.
Объясняю что неудобство RS-триггера в том что разные сигналы нужно подавать на разные входы. Показываю как с его помощью собрать D-триггер с сигналом Enable (D-latch) а потом предлагаю использовать выделитель фронта (X & ~X) на этом управляющем входе, чтобы срабатывало только по фронту.
Когда это утряслось в голове, показываю как охватить Д-триггер отрицательной ОС чтобы получился делитель на два - и предлагаю соббрать двухкаскадную версию (т.к. в микросхеме триггеров двое).
Здесь будет нюанс - вручную тестировать правильность переключения довольно сложно т.к. срабатывает "дребезг". Поэтому желательно заодно собрать таймер на NE555 и завести сигнал с него. Если светодиоды есть на выходе таймера и на выходе обоих каскадов - очень наглядно что они переключаются с кратной частотой.
Важно объяснить что подобный счетчик может быть основной целой кучи измерительных устройств (выдаём импульсы - со счетчика Гейгера - или с осциллятора управляемого напряжением) - считаем их за время задаваемое каким-нибудь медленным генератором на NE555 - и выводим хоть в двоичной системе - хоть через десятичные делители и преобразователи в семисегментный код.
Конспект из 2 частей: Д-триггер и Счетчик.

Операционные Усилители
Их я даю опционально, если хватает занятий в семестре и т.п. С одной стороны это очень важный и удобный "кирпичик" в схемотехнике, не всё стоит пытаться на транзисторах лепить. С другой стороны тема обширная (если вспомнить количество схем на ОУ). С третьей значительная часть схем для ОУ связаны с фильтрами чего мы не касались. С четвёртой питание ОУ часто оставляет сумбур даже в головах опытных электронщиков, поэтому насчет школьников я особых иллюзий не питаю.
В то же время рассказать в общих чертах и хотя бы объяснить и попробовать построить схему неинвертирующего усилителя с однополярным питанием - довольно полезно. Поэтому вот конспект.
В качестве практики неплохая схема с неинвертирующим усилителем у которого на выходе светодиод, на входе же микрофон через дифференцирующий RC-фильтр. Можно сделать его двухкаскадным (тогда легче выбрать подходящий коэффициент усиления). Получается очень наглядно - реакция на щелчок, хлопок или свист визуализируется миганием светодиода. Ниже представлена картинка когда эту схему мы воплотили в рамках коллективной работы по созданию этаких демонстрационных модулей. Можно было подключить его к одновибратору и дальше к счетчику и преобразователю с семисегментным индикатором - и считать щелчки.

Вместо заключения
Итак я описал десяток занятий и схем. Это по-моему не все - но обычно в семестр умещается как раз 9-10 подобных занятий, т.к. есть ещё зачёт и 1-2 "паяльных" занятия.
Вообще много про что наверное имело бы смысл упомянуть если именно делиться опытом организации и ведения занятий в школе - и закупку компонентов и инструментов, и индивидуальные проекты или коллективные работы на 2й семестр, есть также у нас чисто "лекции" по истории радио и пр. Пара походов в музеи. Эксперименты с микроконтроллерами на низком уровне. Но это всё где-то нудно, а где-то не очень важно в смысле непосредственно электроники. Поэтому наверное лучше оставить на вопросы - если нужно что-то дополнить или просветить - спрашивайте, пожалуйста!
Вообще замечу что преподавание электроники в обычной школе - это постоянная необходимость что-то придумывать, импровизировать - а порой и выкручиваться из сложных ситуаций. На фото ниже - забавный момент из 2020 года, когда нас атаковала пандемия и пока обычные занятия в школе ещё проводились изолированно по классам, наши опциональные курсы уже переехали в онлайн - но компоненты-то надо было раздать - и я сказал ребятам чтобы по 1-2 человека зашли в лабораторию и забрали уже расфасованные по пакетикам детальки :) Магический девайс справа - самодельная лампа из светодиодной ленты - работа одной из девятиклассниц для конференции школьников.

Автор: RodionGork
