На дворе XXI век и даже в недорогих телефонах уже многоядерные процессоры с гигабайтами памяти. Но некоторый интерес к ламповой технике всё же не угасает! Не вдаваясь в споры о пользе ламп, отметим что экспериментировать с ними попросту любопытно, если вам интересна схемотехника (а не только сборка по инструкциям).
Многих останавливает кажущаяся сложность таких экспериментов - хотя сами лампы можно купить рублей по 50 за штуку, трансформатор для питания достанется уже несколько сложнее и дороже. Да и анодное питание под 300 Вольт - а ну как дёрнет?
Эта статья появилась по ходу исследования одной любопытной схемки - здесь я постараюсь осветить базовые вопросы, которые помогут желающим разобраться и поизобретать устройства в винтажном, ламповом стиле. Вспомним как это всё работает (сетки там... характеристики), потренируемся подбирать параметры компонент исходя из характеристик лампы - ну и конечно поговорим как запитать (от батареек, трансформатора - или без него).
Предыстория
Многие схемы можно воплотить как на лампах так и на транзисторах. Пример я показывал в статье Тёплый Ламповый Мультивибратор. Нужно только скорректироваться с учётом специфики - управления по напряжению вместо тока (как у биполярных транзисторов) - и "нормально-замкнутого" характера ламп. Ну и питание обеспечить.
Но есть и некоторое количество схем на лампах которые "один-в-один" на транзисторах не повторить - либо связанные со специфичными особенностями ламп (динатронный эффект, например) - либо с хитроумным применением нескольких сеток для управления (а у транзистора-то база одна... обычно).
Одна из таких схем попалась мне на глаза когда приводил в порядок простенький ламповый осциллограф ЛО-70 - раздобыл его для демонстрации своим школьникам (не столько как собственно осциллограф - сколько именно как ламповый девайс с которого можно снять кожух и заглянуть внутрь, полюбоваться как там лампы светятся, как феерически навесной монтаж выглядит и т.п.)
Как мы помним, осциллограф в простейшем случае отклоняет луч на экране по вертикали за счет входного сигнала (который мы хотим исследовать) - а по горизонтали за счет внутреннего генератора пилообразного напряжения (плавное нарастание, резкий спад). Таким образом отрисовывается график внешнего сигнала по времени.
Так вот этот внутренний генератор "пилы" сделан на единственной лампе. В случае с транзисторами их бы понадобилось штуки 2-3. Ну и пояснение интересное: Генератор развёртки выполнен по транзитронной схеме на лампе Л3. Взято здесь.

Что же это за "транзитронная" схема - где-то я про неё слышал... Посмотрел в википедии - не очень-то похоже...
Воплотил схему на макете из обрезка доски и убедился что она работает, но по ходу исследования вопроса понял что это не совсем "транзитрон". Однако, пытаться втиснуть эти (более теоретические) находки в одну статью я не буду - и ниже в основном сосредоточусь на рассказе о том как собственно собрал "испытательный стенд", подключил и проверил лампу, и, наконец, сделал "базовый вариант" генератора на пентоде. Если этот материал покажется любопытным - с удовольствием напишу продолжение - об экспериментах над разновидностями транзитрона (и "фантастрона" - оказывается именно он применён в осциллографе).
Триоды... Пентоды... Что там к чему?
Для начала синхронизируем наши воспоминания о принципах работы радиоламп. Если вы более-менее в курсе, можете пролистать "по диагонали" и перейти к разделу с экспериментами.

Если взять два металлических проводника (назовём их электродами) в вакууме, на небольшом расстоянии друг от друга - то приложив напряжение в несколько тысяч вольт можно добиться того чтобы электроны с одного из них начали перескакивать на другой. Если электроды одинаковы, то этот эффект не зависит от полярности приложенного напряжения.
Если один из электродов нагреть (например он выполнен в виде нити накала через которую пропускают ток от отдельного источника) до оранжевого каления, то электроны начнут выпрыгивать из него сами (жарко!) - в этом случае их можно заставить перескакивать на второй электрод приложив к нему сравнительно небольшое напряжение, положительное относительно первого, нагретого ("отрицательные электроны притягиваются к плюсу" упрощённо говоря).
Назовём нагретый электрод катодом, а тот куда устремляются электроны анодом. Присоединив батарею в несколько десятков вольт между ними (минусом к катоду) мы получим стабильный ток через вакуум. Вакуум этот создадим в стеклянном баллоне, куда помещены наши электроды - вот и будет вакуумный диод.
Очевидно если напряжение между анодом и катодом подключено в обратном направлении, ток не будет течь (т.к. анод не нагрет) - точнее говоря потребуется на порядки большее напряжение чтобы "пробить" вакуум в эту сторону.
Этот эффект асимметричной проводимости заметил ещё, кажется, Эдисон, пытаясь избавиться от некоторых проблем в своих ранних лампах накаливания. Но использовать его (для детектирования колебаний в радиоприёмнике) придумали годами позже (Флемминг). Нас, впрочем, интересуют более сложные лампы.
На картинке выше мы видим описанную схему включения диода - и рядом его вольт-амперную характеристику, показывающую как меняется ток через диод при повышении напряжения на переходе катод-анод. Тут мы во-первых замечаем, что характеристика достаточно пологая (не как у полупроводникового диода). Во-вторых, что при некотором большом напряжении она переходит в насыщение (полочка) - катод при данной температуре накала уже не может выдать больше электронов (и больше тока). В-третьих - любопытный момент - при нулевом напряжении всё-таки есть ненулевой ток. Представьте что анод и катод соединены проводом - тогда часть электронов вырвавшихся с катода из-за нагрева могут долететь до анода, осесть на нём (и вернуться по проводу на катод).
В изобретении триода поучаствовали разные люди - суть в том, что между двумя имеющимися электродами добавили третий, сетку - и обнаружили что при определённых условиях её можно использовать для усиления сигнала.
Сетка - это действительно сетка из тонкой проволоки. Упрощённо говоря, если на неё подать небольшой отрицательный или положительный потенциал относительно катода - она будет создавать слабое электрическое поле которое либо препятствует либо наоборот стремится помочь электронам.

Посмотрим на картинку. На схеме мы перестали изображать цепь накала катода - это потому что лампы часто делаются с косвенным накалом - т.е. нить накала не сама служит катодом, а греет расположенный рядом отдельный катод. В частности это удобно потому что при наличии нескольких ламп в схеме на разных катодах могут быть нужны разные потенциалы - их просто невозможно связать единой цепью питания!
Так как без участия сетки лампа всё равно проводит ток, обычно используется режим в котором на сетку подан минус относительно катода, чтобы лампу "призакрыть". Как мы обеспечиваем этот минус? Очень просто - если между катодом и минусом питания поставить небольшой резистор, на этом резисторе будет падать напряжение (равное току через лампу умноженному на сопротивление резистора). Поэтому если сетка подключена непосредственно к минусу питания, она окажется "отрицательнее" чем катод (как бы приподнятый над минусом на несколько Вольт за счет резистора). Это довольно популярный способ включения, хотя получается интересно - уменьшая ток через лампу сетка уменьшает и напряжение на этом резисторе - а значит закрыть лампу полностью таким способом не удастся.
Справа показаны характеристики некоего реального триода. Как видим это семейство кривых - похожих на те что мы видели для диода - обозначающих как меняется ток через лампу в зависимости от анодного напряжения - но при разных напряжениях на сетке (каждая кривая означает какое-то сеточное напряжение - от плюс 10 до минус 8 Вольт). Например видно что при нуле на сетке (соединена с катодом) через лампу потечёт 10 миллиАмпер при подаче 80 Вольт на анод - но если на сетке будет -4 Вольта, то ток уменьшится где-то до 2-3 миллиАмпер.
Если в анодной цепи поставить резистор на несколько десятков килоОм то такое изменение тока вызовет на этом резисторе изменение напряжения в десятки Вольт - получится усиление сигнала по напряжению. Однако, из-за того что характеристика наклонная, точная зависимость этого выходного напряжения от входного хитрее чем у биполярного транзистора например - а коэффициент усиления несколько меньше чем мог бы быть. Представьте что изменение входного сигнала вызывает увеличение анодного тока, увеличивается падение на анодном резисторе - а на лампе уменьшается - но из-за наклона характеристики оказывается что и ток через лампу всё-таки меньше ожидаемого.
Идея добавить ещё одну сетку в триод - и получить тетрод - возникла очень скоро. Более того, вторую сетку оказалось можно добавить с очень разными целями. Нас пока будет интересовать только вариант когда добавляется "экранирующая" сетка, ближе к аноду. На неё подавали некоторое постоянное напряжение меньше анодного - и за счет этого "экранировали" анод от управляющей сетки. Дело в том что иначе (в триоде) между сеткой и анодом получалась довольно большая ёмкость (несколько пикофарад) которая мешала реализовывать высокочастотные схемы.
При этом обнаружился любопытный "дополнительный эффект" - семейство кривых на вольт-амперной характеристике, которые у триода шли "диагонально", у тетрода превратилось в почти горизонтальные "полочки". То есть сетка влияет на ток, а напряжение на аноде почти не влияет (потому что он экранирован). Вот как это выглядит:

Здесь напряжение экранирующей сетки около 100 В и видно что на начальном участке, когда анодное напряжение меньше чем на экранирующей сетке - возникает характерный "провал" - сетка "отъедает" поток электронов который должен был достаться аноду - и даже хуже, обкрадывает те электроны, которые оказались "выбиты" из анода прилетающим потоком (так называемая "вторичная эмиссия"). Это явление назвали динатронным эффектом и даже использовали в полезных целях (о чем скажем ниже) - но всё-таки оно было довольно нежелательным, тем более что эффект варьировался от лампы к лампе и в пределах срока службы.
Устранили этот "провал" добавив ещё одну сетку, третью - ещё ближе к аноду. По-английски она называется "подавляющей" (suppression) поскольку подавляет динатронный эффект - а по-русски "защитной" или "антидинатронной" (неожиданно). Обычно её просто подключают к катоду (в некоторых пентодах она соединена с катодом внутри лампы и не имеет отдельного вывода).
Ниже представлено семейство вольт-амперных характеристик реального пентода (именно того который ниже использован в экспериментах) - и на ней видно что типичная "тетродная" пологость кривых (почти полочек) сохраняется - но "динатронный" участок пропал.
Простейший Эксперимент
Ну хватит теории! Давайте уже что-нибудь "бумкнем" :)))
С чего начать? Без питания накала лампа работать не будет. Поэтому начать нужно с накала. А без анодного напряжения? Помните характеристику диода - и пояснение что даже при 0 присутствует некоторый ток из-за электронов оседающих на аноде. Попробуем проверить это!
Для первого эксперимента я взял произвольную лампу нашедшуюся в коробочке - пентод 6Ж1П - напомним, что первая цифра означает напряжение питания накала (6.3 Вольт). Для первого раза подключим 6 Вольт от батареи. Вы можете попробовать, например, блок из 4-х батарей АА. В моём же случае это оказался небольшой свинцовый аккумулятор (они продаются по ценам сравнимым с батарейками, но гораздо тяжелее - так что удобны для лабораторных нужд).
Здесь нужно обратить внимание на ток накала (загуглим распиновку и характеристики) - для данной лампы это 170мА - ну что ж, "обычных батареек" должно хватить. По мере разряда напряжение будет падать но для ламповой техники это допустимое явление.
Под рукой не нашлось панельки под эту лампу - да и ножки у неё исторически немного погнуты - поэтому я просто припаял к ней четыре проводка для теста. Зелёные идут к нити накала.
Обратите внимание на чёрно-зеркальное покрытие "шапочки" - напомним что это удобный индикатор целостности баллона. При попадании воздуха это покрытие становится молочно-белым (и лампу в этом случае можно выкинуть).
Подключим нашу батарею к выводам накала - и через несколько секунд должны заметить оранжевое свечение внутри металлической "коробочки" занимающей середину лампы. Наощупь баллон начнёт потихоньку нагреваться. Можно перед включением измерить сопротивление между этими выводами - убедиться что там что-то от 10 до 20 Ом - не короткое замыкание и не обрыв. Если лампа в металлическом баллоне - только наощупь и можно понять что нить накала греется.
Когда убедились что нить накала в рабочем состоянии, подключаем миллиамперметр (или милливольтметр) между катодом и... не анодом, а первой сеткой - ведь это не диод и облако электронов будет "оседать" на первом попавшемся электроде, не долетая до анода. Я использую старый ампервольтомметр на пределе 200 мкА.
И что же мы видим - по мере появления свечения накала стрелка миллиамперметра начинает отклоняться. И интересно заметить - при отключении питания накал исчезает не мгновенно - и стрелка тоже не мгновенно возвращается на 0.

Как видим, ток очень небольшой - чуть за 2 деления из 50 на пределе 200мкА - это значит чуть больше 8 микроАмпер (конечно, он зависит от внутреннего сопротивления измерительного прибора). В сотни раз меньше чем обычные индикаторные светодиоды требуют для свечения. Но главное что ток есть - лампа функционирует согласно нашим представлениям.
Варианты питания лампы
Важный момент - нужно решить, как вы будете питать свой "стенд" для экспериментов.
Батарейки или аккумуляторы
Как видим, цепь накала вполне можно раскочегарить от батарей (но понимайте что "обычных батареек" размера АА хватит на несколько часов).
Что делать с анодным питанием? Если использовать лампы с последней буквой "Б" (пальчиковые, с гибкими выводами) - они адекватно работают в схемах с питанием даже 50 Вольт - так что вполне можно сделать "батарею" из 6+ батареек типа Крона или пары 24-Вольтовых аккумуляторов. Не слишком удобно, но это наиболее безопасный способ. Ламповые приёмники использовали батарейное питание в старые времена (да, эти батарейки были размером с кирпич и нередко подсоединялись снаружи проводами) - так что это вполне адекватный и аутентичный вариант.
Анодный ток при этом небольшой (единицы миллиампер) так что даже Кроны обеспечат часов 10 непрерывного использования. А поскольку мы экспериментируем, то вряд ли понадобится держать наш "стенд" постоянно включенным.
К недостаткам данного способа кроме возни с заменой или перезарядкой батарей можно отнести ещё и снижение напряжения по мере разряда. Для анодной цепи это не очень принципиально - а вот мощность накала может падать значительно (т.к. зависит от напряжения нелинейно). Старые приёмники использовали дополнительные резисторы (в т.ч. проволочные) чтобы при свежих батареях "срезать" лишние доли Вольт (перегрев укорачивает срок службы ламп).
Трансформатор
Также стандартным и популярным способом является использование трансформатора от какого-либо лампового устройства - у него обычно несколько вторичных обмоток - так что вы найдёте откуда снять оба напряжения - и накальное - и анодное тоже. Его придётся выпрямить и сгладить (так же как в бестрансформаторном варианте описанном далее). Накальное выпрямлять не требуется.
В этом варианте хотя и появляются напряжения до 300 Вольт, но поскольку они гальванически развязаны от сети, этот вариант чуть безопаснее бестрансформаторного.
Небольшого лампового трансформатора хватит на несколько ламп (по току накала) - но вам придётся разобраться как включить последовательно несколько вторичных обмоток для получения нужного анодного напряжения.
Бестрансформаторный
Вкратце - мы выпрямляем и сглаживаем 230 В из розетки чтобы получить 300+ Вольт для анодного напряжения - а накальный ток ток получаем с использованием подходящего слюдяного конденсатора в качестве реактивного сопротивления.
В этом варианте нет чего-то экстраординарного - конденсатор в качестве сопротивления используется в светодиодных ночниках и порой в зарядных устройствах - а выпрямление сетевого напряжения происходит в любом импульсном трансформаторе (а также в старых фотовспышках).
Более того культовый американский радиоприёмник All American Five использовал этот подход для удешевления и облегчения конструкции.
К его недостаткам можно отнести следующее:
-
каждая нить накала требует собственного токоограничивающего конденсатора.
-
ваш стенд не развязан гальванически от сети - и неудачное касание проводников под напряжением с несколько бОльшей вероятностью влечёт чувствительные последствия, чем в трансформаторном варианте.
-
актуально при питании нескольких ламп - они оказываются гальванически связаны через цепи накала, имеющие общую точку со всей схемой - как следствие в принципе не любые схемы можно воплотить с таким питанием.
Далее ради простоты описывается использование именно этого способа, но он не является рекомендуемым!
Ламповый "стенд" с бестрансформаторным питанием
Сперва посчитаем требуемые параметры питания. Для экспериментов используется лампа 6Ж10Б-В
-
питание накала 6.3 Вольта с потреблением 250 миллиАмпер
-
номинальный анодный ток - 10 миллиАмпер
-
максимальное анодное напряжение 150 Вольт
Вот схема - её мы видели ещё в статье про ламповый мультивибратор - значения компонент здесь для примера. Их нужно посчитать и подогнать по требованиям нагрузки.

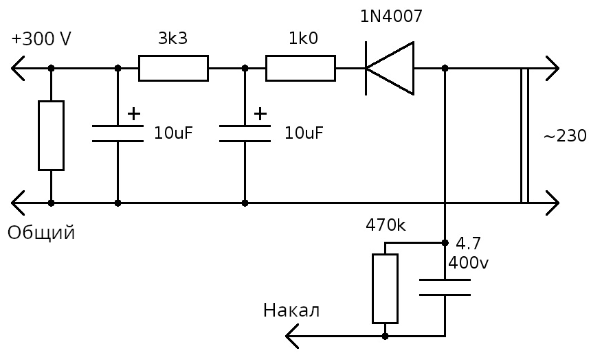
Анодное питание. Эту часть можно использовать и с трансформатором (хотя диод в этом случае предпочтительно заменить выпрямительным мостом).
Справа изображена вилка включаемая в осветительную сеть. В качестве выпрямителя для анодной цепи - одинокий диод, типичный 1N4007 - можно взять любой другой, главное чтобы он выдерживал 400 или больше Вольт в обратном направлении и достаточный ток (у этого 1А и 1000В). Классический Д226Б из советской техники и книжек тоже годится!
Мостовую схему выпрямления применить нельзя из-за того что минус должен быть общим с нитью накала (мы не хотим чтобы между нитью накала и катодом возникали большие потенциалы) - но однополупериодного варианта вполне достаточно, ведь ток (анодный) небольшой. Это больше вопрос реализации фильтра.
Фильтр здесь классический - вы найдёте похожий и в старом радиоприёмнике, и в современном комбике - только вместо резистора между конденсаторами в коммерческих устройствах ставят дроссель - но искать-выбирать подходящий может быть затруднительно.
Резистор после диода ограничивает зарядный ток конденсатора при включении, чтобы не пробить ненароком диод. Резистор между конденсаторами делает фильтр состоящим из 2х ступеней - первый конденсатор сглаживает пульсации после диода - а второй конденсатор сглаживает пульсации после первой ступени. Такие штуки удобно проверять в симуляторе подключая на выход сопротивление адекватное ожидаемой нагрузке. Но полезно и посчитать что-то в уме или на бумажке. Попробуем!
Нагрузка у нас, как договорились, потребляет около 10 миллиАмпер. Каким сопротивлением её можно представить? По закону Ома на 300 В можно получить 10 миллиАмпер при сопротивлении в 30 килоОм.
Исходя из этого же тока мы можем сориентироваться насчёт ёмкости конденсаторов. Помним что заряд конденсатора - это произведение ёмкости на напряжение, например 10 мкФ * 300 В = 3 миллиКулона. В то же время заряд - это ток умноженный на время. Если из конденсатора вытекает 10 миллиАмпер в течение одного периода сетевого напряжения (20мс) - это 200 микроКулон (или 0.2 миллиКулона). Значит конденсатор разряжается при этом примерно на 6.7% или 20 Вольт. Это выглядит довольно большим проседанием - но во-первых это было бы в случае 1-ступенчатого фильтра, а у нас 2 ступени - во-вторых я взял 2 конденсатора по 20 мкФ (т.е. суммарно на вчетверо большую ёмкость). Что же у нас получится? Запустим falstad simulator (ссылка на схему):

Здесь колебания на нагрузочном резисторе составляют от 250.4 до 250.65 примерно - то есть около четверти Вольта. Справедливости ради выходное напряжение при данном потреблении ниже условно ожидавшихся 300В, но это и к лучшему (о чем будет речь ниже).
Резистор параллельный конденсатору нужен просто для плавной разрядки емкостей при выключении - его сопротивление может быть в духе 470 кОм и выше. Такой же есть и в накальной цепи.
С цепью накала всё проще - тут просто токоограничительный конденсатор. Его ёмкость определяется исходя из желаемого тока - например, нам нужно 250 миллиАмпер - при сетевых 230 Вольтах это означает что мы хотим почти килоом реактивного сопротивления.
Реактивное сопротивление по формуле X = 1 / (314 * C) где 314 это угловая частота сетевого напряжения (два-пи на 50). Подставив килоом и перенеся всё кроме C справа налево, мы получим C = 1 / (314 * X) - или 3 микроФарады с хвостиком. Вообще-то реактивное сопротивление с активным (нитью накала) складывается не скалярно, но в случае когда активное гораздо меньше, этим можно пренебречь и исходить из требуемого тока. Вы также можете проверить эту часть в симуляторе (взяв в качестве накала резистор на 10-20 Ом или лампочку накала на 2 Ватта и 6.3 Вольт).
Итак, соберём эти компоненты воедино - я использую монтаж на дощечке с гвоздями (без шляпок) - но допустимы и другие варианты вплоть до беспаечной макетки c дырочками (я предпочитаю для высоковольтных схем макетирование с пайкой - меньше шансов что где-то что-то случайно отсоединится и вызовет какие-нибудь неприятные последствия в схеме).
Мы готовы переходить собственно к ламповой схемотехнике, но прежде этого напомним о соображениях безопасности:
Меры Предосторожности
Включая поделку не держите её в руках, поставьте надёжно на стол (и подальше от себя) - а вилку в сеть втыкайте одной рукой.
Хотя сейчас в квартирах автоматические предохранители - разумно будет включаться через удлинитель с защитой, известный в народе как "пилот".
Альтернативно можно использовать старинный способ - вместо "локального" предохранителя использовать лампу накаливания на 100 Ватт (при "пробое" схемы лампа будет просто светиться - а при нормальной работе она даёт лишь небольшое сопротивление в цепь).
Работая со схемой (измеряя что-либо, например) по возможности также действуйте одной рукой (используйте зажимы вроде "крокодилов" и пр).
И наконец - проинструктируйте домашних по порядку действия в экстренном случае - отключить питание, позвонить в скорую и пр... никогда не лишне :)
В целом мы не занимаемся чем-то необычным - во времена когда вся электроника была ламповой, всем приходилось иметь дело с высокими напряжениями. Фейнман в мемуарах пишет что чинил радиоприёмники с очень юного возраста. Так что просто будьте аккуратны и действуйте без спешки.
Примечание
Безопасность работы также немало определяется удобством использования вашей схемы, стенда, установки. В этом отношении мой пример - не лучший вариант. Можно взять "плату" большего размера, хотя бы с лист А4 и зафиксировать на нём нужные компоненты соединяя их достаточно длинными проводами в изоляции, а не непосредственно выводами друг к другу (как в основном показано на фотографиях ниже).
Для примера полюбуйтесь на тестовую установку описанную в одной из статей К.Брунетти упомянутых ниже (той что за 1937 год):

Запускаем Пентод
Для начала попробуем запустить лампу в "рабочем режиме" - то есть подать анодное питание и увидеть некоторый ток текущий через лампу.
С диодом это было бы банально, но с триодом - и тем более пентодом - дело осложняется. Кажется, что сетки, если они никуда никуда не подключены, не играют никакой роли и не должны мешать потоку электронов.
Как бы не так! Мы с вами видели (в первом эксперименте) что электроны с катода в небольшом количестве осядут на ближайшей сетке. Если она никуда не подключена - значит, она станет "несколько отрицательной" и новые электроны будут от неё отталкиваться!
Кроме того - как и с полевыми транзисторами (и входами КМОП-логики) - неподключенные входы (сетки) имеют огромное сопротивление и чутко реагируют на наводки из воздуха. В общем, чтобы ток пошёл, сетки придётся куда-то подключить.
Попробуем сделать как описано выше, в теоретической части:
-
управляющая (первая) сетка будет соединена с катодом (вот тогда она точно не будет мешать)
-
экранирующую сетку запитаем от резистивного делителя R1+R2, в расчете на половину анодного напряжения (в реальности будет чуть меньше т.к. увидите что через саму сетку течёт заметный ток - часть электронов попадает на неё вместо анода)
-
антидинатронную сетку для начала подключим как и положено - к катоду (т.е. к нулю)
Нагрузкой анода будет резистор Ra - измеряя на нём напряжение мы поймём какой ток течёт через лампу.
На моем "деревянном" макете это выглядит так:
Я избегаю подрезать выводы лампы по ходу макетирования т.к. вероятно ещё не раз придётся менять соединения. С голубой изоляцией здесь выводы нити накала, с белой - анод и экранирующая сетка. С чёрной - защитная (третья) сетка. Катод и управляющая сетка - без изоляции.
Включаем напряжение... И в общем всё работает - но есть важный нюанс - лампа запускается не сразу - проходит порядка 10 секунд пока достаточно разогреется нить накала (напряжение на ней оказалось чуть ниже расчетного). А пока лампа не проводит - на анодном резисторе нет никакого тока - следовательно падение на нём нулевое. Это означает что всё напряжение питания падает между катодом и анодом лампы. Если заглянуть в характеристики данной лампы - видно что для неё максимальное анодное напряжение всего лишь около 150 Вольт.
В общем, так включаться не очень хорошо. Нужно либо использовать делитель и для анода - либо включать анодное питание (отдельным выключателем) только после того как лампа разогреется. Либо использовать лампу которая спокойно относятся и к 300 В анодного напряжения (таких большинство - эта же конкретная лампа попросто предназначена для устройств питающихся от аккумуляторов).
Честно скажу, этот недостаток я на время эксперимента презрел - вижу что не "бабахает" - и ладно. Но при проектировании устройства для постоянного использования конечно игнорировать сей факт не следует.
Итак, лампа работает, ток течёт. Но какой же там ток?
Я временно попробовал добавить в анодную цепь подходящий переменный резистор и измеряя падение напряжения на самой лампе и на резисторе Ra (при разных положениях движка добавочного резистора) смог получить некую вольт-амперную характеристику - актуальную для случая Ug1 = 0 (напряжение управляющей сетки 0 В относительно катода).
Но посмотрим для любопытства, например, как влияет на характеристику третья сетка (это вопрос возникающий порой на форумах аудиофилов). Для этого я снял ещё одну характеристику, но при антидинатронной сетке соединённой с экранирующей (т.е. подключенной не к катоду, а к центральной точке резистивного делителя слева).
Вот измеренные точки и аппроксимирующие кривые:

Видно что при повышении потенциала на антидинатронной сетке характеристика "задирается", становится более похожей на триодную. Хорошо было бы ещё и исследовать появление "динатронного региона" - то есть провала на низких напряжениях, но пожалуй этот момент я отложу до одной из следующих статей.
Важно помнить о мощности резисторов! Например, если на анодном резисторе 47 кОм падает 150 В (за вычетом 100 падающих на самой лампе) - это уже означает что на нём будет выделяться мощность почти в пол-Ватта (по формуле U^2 / R) - используемые мной резисторы в основном на 0.25 так что при необдуманном включении там что-нибудь может задымиться. Впрочем, я не включаю стенд надолго.
А что же насчет Транзитрона?
Эта тема оказалась интересной и запутанной. Осциллятор с таким названием описан в википедии, в статье про динатронный осциллятор. Он генерирует синусоидальный сигнал и, как поясняется, работает за счет того что между анодом и второй сеткой создаётся участок с отрицательным дифференциальным сопротивлением.
Однако в других источниках "транзитроном" называли более общо такое включение пентода, в котором активно используются вторая и третья сетки, разделённые конденсатором. Управляющая сетка при этом замкнута на катод - поэтому строго говоря исходная схема в осциллографе точно не Транзитрон. Путаница дошла до того, что в ещё одной старой книжечке ("В помощь школьному радиокружку", В.В.Вознюк, 1970) при описании самодельного осциллографа идентичный генератор вообще называется "транзисторной" схемой - возможно неудачная редакторская правка.
Для прояснения я посмотрел оригинальные статьи на сайте IEEE - их автор К.Брунетти занимался вопросами связанными с отрицательным дифференциальным сопротивлением (далее - NDR). В статье 1937 года он описал схему включени пентода, обладающую таким свойством - а в статье 1939 года им описан осциллятор на базе этой схемы - и именно здесь он тот "девайс с NDR" предложил для краткости называть "Транзитроном".
На базе этого "элемента с NDR" можно построить довольно разнообразные устройства - в частности и генераторы различных типов. Однако схема генератора пилообразного напряжения, использованная в осциллографе, называется во многих источниках "Фантастрон". Статья с таким названием опубликована в 1948 году другим автором, но не описывает явно обсуждаемую схему. Генератор "пилы" из осциллографа содержит фрагмент идентичный транзитрону, но основной частью в ней является интегратор Миллера - схема генерации нарастающего сигнала, поэтому в целом родство с транзитроном очень условное. В общем, подробнее к этому вопросу придётся вернуться отдельно...
Для практического примера испытаем схему которую в журнале за 1955 год называют "базовой версией транзитрона" - она генерирует не пилообразный, а простой прямоугольный сигнал - и содержит минимум компонент.
Как видите, она очень мало отличается от нашей "испытательной схемы пентода" выше - просто между резисторами делителя добавлен конденсатор - экранирующая сетка подключена к его нижнему (минусовому) контакту, а антидинатронная - к верхнему (плюсовому).
На самом деле эта схема описана Бальтазаром ван дер Полом в статье 1926 года "On relaxation oscillations" - только использован тетрод (ведь у пентода всё равно управляющая сетк замкнута на катод и не используется):
Как эта штуковина может работать? Я дам подсказку и предложу разобраться самостоятельно - это довольно любопытное упражнение (впрочем, разбор-то есть и по вышеприведённой ссылке на статью 1955 года).
Помните, выше было вскользь сказано, что релаксационный генератор на одном транзисторе не сделать (за исключением специфического "однопереходного" транзистора) - а на одной лампе вот, пожалуйста. В этом есть подвох - если приглядеться, здесь в одной лампе больше чем одна!
Третья сетка расположена за положительно заряженной экранирующей. Если эту третью сетку использовать как управляющую, то есть подать на неё небольшой минус (относительно катода) - что получится?
Получится интересно - она будет управлять током электронов летящим на анод - но в отличие от собственно управляющей (первой) сетки, она не может повлиять на ток электронов летящий на экранирующую сетку.
У нас получается как бы два анода - экранирующая сетка является вторым. Причём у этих "анодов" разное управление (из-за того что первая сетка влияет на оба - а последняя только на "реальный анод").
Из-за этого пентод будет работать отчасти похоже на привычный мультивибратор - "дополнительный анод" будет отбирать ток у "реального", а потом всё будет возвращаться к исходному состоянию. Нужно отметить что схема чувствительна к выбору резисторов (т.к. нужно попасть в подходящую "рабочую точку" вольт-амперной характеристики анода - и экранирующей сетки). У меня стабильно он стал запускаться только после того как я притянул анод к минусу (т.е. анод теперь подключён к собственному делителю). Вот как выглядит это чудо-юдо в результате:

Как можно видеть, номиналы такие:
Rs = 180k, Rg = 47k, RL = 150k и дополнительный резистор от анода к минусу Rad = 100k
Конденсатор 100 нФ.
Сигнал снятый осциллографом с резистора Rg (потенциал антидинатронной сетки) выглядит так, как показано слева. А справа - сигнал на экранирующей сетке (верхняя нога кондера):
Как видно, период около 3 миллисекунд (частота около 300 Гц), размах напряжения на третьей сетке около 9 Вольт, на второй чуть больше 6 Вольт. Можно даже подключить пьезоэлектрическую пищалку и послушать (что я и сделал - параллельно конденсатору).
Заключение
"Краткая заметка", какую я хотел написать по ходу своих экспериментов, оказалась гораздо длиннее, чем я думал - но надеюсь подробности окажутся не лишними для тех кто достаточно поверхностно представляет себе тему ламповой схемотехники и тоже хотел бы погрузиться глубже.
Как я и обещал, постараюсь собрать в кучку и описать эксперименты с дальнейшими вариации схем транзитрона и фантастрона. До скорого!
Автор: RodionGork
