Привет! Это Антон Комаров, автор команды спецпроектов МТС Диджитал. Сегодня я расскажу об одной любопытной самоделке, которой пользуются радиолюбители для защиты трансиверов от скачков напряжения по линии 12 вольт. Ее называют Crowbar circuit: действует она точно как монтировка, брошенная на клеммы. Звучит, конечно, необычно, но работает!

С чего все началось
На одной из регулярных встреч клуба радиолюбителей мой знакомый обратился ко мне с просьбой: спаять схему защиты для новенького КВ-трансивера. Не секрет, что для достижения минимального уровня помех такие устройства запитываются от отдельных мощных блоков питания. Увы, но даже это не защитит на все 100% линию в 12 В от большого напряжения. И если такое случится, оно обеспечит дорогостоящему девайсу путешествие в загробный мир.
Для предотвращения такого сценария между трансивером и блоком питания можно подключить дополнительное устройство защиты. Его суть в том, чтобы в нормальном режиме работы подавать питание напрямую. Если же напряжение выйдет за установленные границы, схема не должна позволить ему попасть на вход защищаемого устройства.
Казалось бы, что может быть проще, чем реализовать подобное при помощи мощного транзистора, который будет управлять протекающим через него током? С одной стороны, да, это сработает. Но только до того момента, пока не произойдет пробой транзистора между коллектором и эмиттером из-за превышения напряжения. Если оно будет выше заявленных характеристик, элемент выйдет из строя. Но это не самое страшное.
Высокое напряжение при пробое транзистора попадет дальше на вход питания защищаемого устройства со всеми вытекающими последствиями. Так что можно взять какой-то другой элемент, например, тиристор. Для него пробой — явление обратимое, а главное — это его штатный режим работы. Такая особенность позволяет реализовать простую, но очень эффективную схему защиты:

Как работает схема
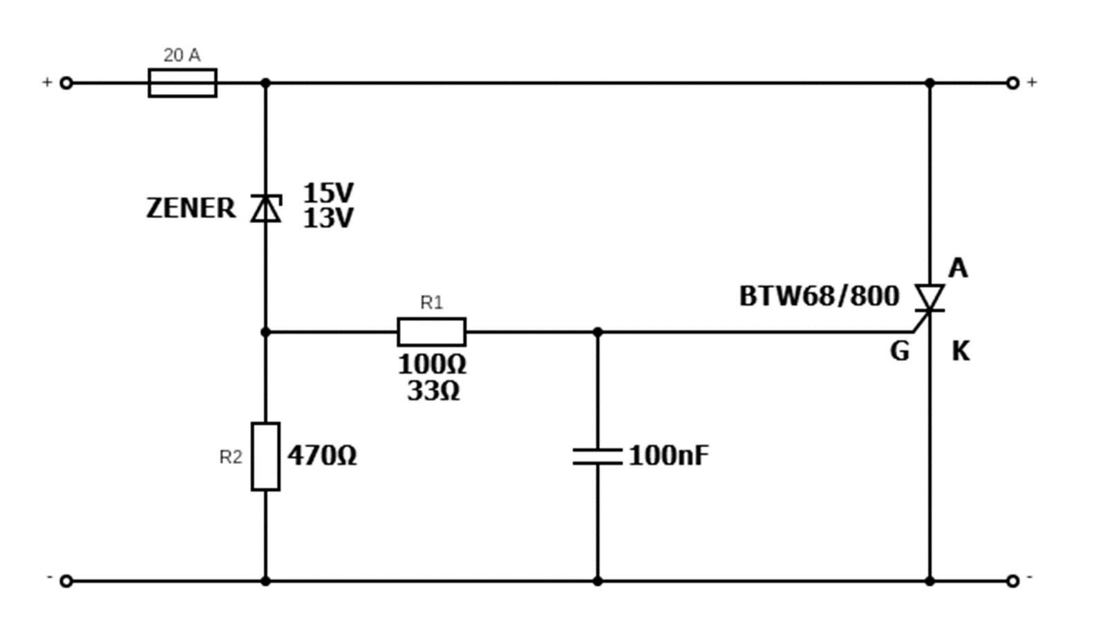
В нормальном состоянии, когда напряжение от источника питания не превышает напряжение пробоя стабилитрона (Zener diode), тиристор BTW68/800 закрыт. Ток при этом протекает напрямую через нагрузку:

Но как только это условие перестанет выполняться, схема включится в работу и произойдут разные интересные процессы. Прежде всего ток преодолевает стабилитрон и попадает на управляющий контакт тиристора (G). Сопротивление резистора R2 выше, чем R1, а это ограничивает возможность тока потечь через него:

Тиристор открывается и начинает работать в режиме пробоя, обеспечивая по факту короткое замыкание в цепи, словно монтировку бросили на клеммы. Особенность этого элемента в том, что при снятии напряжения с управляющего контакта он продолжает работать в режиме пробоя:

Теперь дело за малым — должен сгореть плавкий предохранитель, разрывая электрическую цепь:

Это сохранит работоспособность тиристора, позволяя восстановить схему защиты сразу же, как только предохранитель будет заменен.
Практическая реализация
Теория — это прекрасно, но когда речь доходит до сборки, нужно задуматься о том, какие детали заказать и как сделать устройство удобным для использования. Первым и самым сложным делом будет найти требуемый тиристор. Я выбрал модель BTW68/800:

Цифры в его названии обозначают следующее:
-
максимальное обратное напряжение — 800 В. Именно такое значение может привести к неконтролируемому пробою элемента. На практике оно вряд ли «прилетит» по линии 12 В;
-
в штатном режиме пробоя такой тиристор способен «переварить» ток до 68 А при условии обеспечения надлежащего охлаждения. В готовом устройстве защиты прикручивать радиатор к нему нет необходимости, поскольку тот попросту не успеет критично нагреться до момента перегорания плавкого предохранителя.
Вот полный список характеристик элемента из его даташита:
-
Максимальный средний ток в открытом состоянии (Iᵀ(RMS)): 30 А.
-
Максимальное обратное напряжение: 800 В.
-
Ток удержания (Iₕ): не более 75 мА.
-
Ток отпирания (Iₗ): типично 40 мА.
-
Максимальный импульсный ток в открытом состоянии (IᵀSM): 400 А (при длительности импульса 10 мс).
-
Прямое падение напряжения (VᵀM): 2,1 В (при токе 60 А).
-
Критическая скорость нарастания тока (dI/dt): 100 А/мкс.
-
Критическая скорость нарастания напряжения (dV/dt): 500 В/мкс (при Vᵈʳᵐ = 800 В).
-
Рабочий диапазон температур перехода (Tⱼ): от -40 до +125 °C.
-
Тип корпуса: TOP3.
Все отлично, единственным минусом можно считать стоимость тиристора. В одном из самых популярных московских магазинов радиотоваров цена составила 1 380 ₽ (на момент написания этого текста). Если заказывать с зарубежных маркетплейсов, получится дешевле процентов на 30–40 даже с учетом доставки. В качестве стабилитрона я выбрал популярный 1N4744A.
Этот диод стоит около 5 ₽ и есть практически везде. Ну а в качестве конденсатора выбран самый простой пленочный с маркировкой 104K 400V на 100nF. Стоил он мне 22 ₽:
Резисторы же у меня были в наличии, когда-то давно покупал большой набор. Они также стоили недорого, в пределах 5 ₽ за штуку. Сейчас же неназываемый, но хорошо известный всем магазин продает их по 9 ₽. Также я решил сделать потенциальную замену предохранителя удобной, а поэтому заглянул в ближайшие автотовары и там приобрел держатель для флажковых предохранителей, стоимостью около 100 ₽.
В итоге все детали собрал, пошел к другу для финального макетирования… А у того паяльник сгорел и остался только дедушкин (в прямом смысле слова), естественно, безо всякой регулировки температуры. И жало там едва не с палец толщиной. Прототип выглядел вот так:

Пайка ужасна, конечно, но прототип заработал сразу же и без нареканий. Уже позже мы пересобрали все вместе и упаковали в герметичный корпус для РЭА (350 ₽). Ввод и вывод — на разъемах XT90 (400 ₽), которые чаще всего используют для RC-моделей. Это еще и своеобразная защита от переполюсовки, ведь подключить его можно только с правильной полярностью.
У меня сохранилась и фотография готового и протестированного устройства:

Crowbar circuit мне понравился прежде всего своей простотой и утилитарностью. Ничего лишнего и при этом схему может собрать даже человек, который только научился паять (макет выше примерно так и выглядит). Вместе с заказом тиристора с маркетплейса такой самодельный девайс обошелся примерно в 1 900 ₽, что по нынешним временам выглядит достаточно бюджетно. Теперь он оберегает КВ-трансивер стоимостью на два порядка выше.
Как вам самоделка? Расскажите о своем опыте в комментариях.
Автор: k0mar0v
