
Преамбула
Инженерное образование в казёном Политехе имеет такой специфический бонус, как дает его выпускнику потом возможность делать себе всяческие безделушки чисто ради развлечения. Это особенно актуально нынешними длинными зимними вечерами.
В этом тексте я расскажу, как сделать игрушечную модель нашей замечательной УАЗ Буханки с дистанционным управлением по инфракрасному лучу.
Мне эта машина нисколько не чужда, так как и сам раз ездил на настоящей Буханке в качестве пассажира.
В прочем, обо всем по-порядку...
Постановка задачи:
Разработать дистанционно управляемую машинку. В модель должна быть заложена возможность регулировать крутящий момент на задней оси и на рулевой рейке. Машинка должна ездить вперед, двигаться назад, поворачивать вправо -->, поворачивать влево <--.
Не использовать клей и изоленту. Изделие должно быть ремонтопригодным.
Что-ж. Задачи определены.... За работу!
Аппаратная часть
Я не собираюсь проектировать электронную плату и трассировать PCB. Хочу всё собрать из готовых доступных в продаже деталей и электронных модулей. Заточить внутрь крутую твердотельную электронику и написать для неё top-notch прошивку.
Что надо из оборудования?
|
Компонент |
Пояснение |
|
DevEBox-STM32F4XX_M_V3.0 |
Управляющая электроника |
|
программатор ST-Link/V2 |
Чтобы запрограммировать STM32F407VG |
|
Переходник с USB-UART |
для отладки через UART-CLI |
|
Штангенциркуль |
чтобы снять размеры с деталей и получить исходные данные для разработки чертежа скрепы |
|
KLS5-18650-2W-L150 (TBH-18650-2B-W) (FC1-5217), |
Батарейный отсек 2х18650 |
|
Оболочка машинки в виде Буханки |
Корпус, чтобы скрыть ужасы самопальной электроники |
|
A4 лист оргстекла |
для крепления электроники |
|
Две Li-ion MH12210 батареи 18650. Модель NCR18650B. 3.7 V каждая |
для электропитания модели |
|
Зарядное устройство для батарей LiitoKala Lii-PD2 |
Для зарядки Li-ion батарей в корпусе 18650 |
|
Пульт Samsung BN59-01198R |
Для испускания команд на RC ровер. |
|
ИК приемник TSOP22xx |
Для приема команд от пульта BN59-01198R |
|
Драйвер силовой электроники на DRV8870 |
Для непосредственного управления токами в обмотках мотора |
|
Крепёж. Пластиковые стойки, гайки, болты |
Для крепления электронных плат |
Схемотехника
Управлять всеми агрегатами Буханки мы будем с помощью вот этой малютки.
Это учебно-треннировочная электронная плата DevEBox-STM32F4XX_M_V3.0. Буквально нашел это у себя на балконе. Что ей валяться без дела? Еще послужит. К слову, вот её блок- схема .
Чтобы запрограммировать плату DevEBox_STM32F4XX_M_V3_0 надо соединить PCB и программатор ST-Link/V2 ISOL по интерфейсу SWD. Мне очень повезло, что у меня программатор с гальванической изоляцией. Это позволило мне делать пошаговую отладку прошивки прямо при питании от батареи.

Для вращения DC моторов нужны микросхемы драйверы H-мостов. По теорию и практику вращения DC моторов у меня есть отдельный текст. Я выбрал чип DRV8870. На DRV8870 надо подавать напряжение от 6.5V. В качестве энергетической установки выбрал два Li-ion аккумулятора и пластиковый батарейный отсек для них.

В качестве ИК приемника подойдет компонент семейства TSOP22. Это очень удобный модуль, так как есть два отверстия для крепления на болтах. Плюс присутствует LED на проводе DATA, подтягивающий резистор и конденсатор на питании. Про теорию и практику декодирования ИК сигнала у меня есть отдельный текст.

Кристаллизировалась такая архитектура электронной начинки

Программная часть
Команды передаются по IR протоколу Samsung. Каждая команда на движение имеет время жизни 500ms. Если она не приходит машинка автоматически останавливается. Есть команды для конфигурации. TV пультом можно выбрать заполнение PWM сигнала и тем самым косвенно управлять скоростью движения. Можно отдельно регулировать как крутящий момент на рулевой рейке так и на тяговом двигателе.
Для обратной связи, что всё работает я добавил писк при включении, и щелчок Buzzer-ом при приеме любой валидной команды.
|
Кнопка |
Действие |
|
0 |
PWM на тяговом моторе 0% |
|
1 |
PWM на тяговом моторе 10% |
|
2 |
PWM на тяговом моторе 20% |
|
.... |
|
|
9 |
PWM на тяговом моторе 90% |
|
NextProg |
Увеличить на 1% заполнение PWM на моторе рулевой рейки |
|
PROG_PREV |
Уменьшить на 1% заполнение PWM на моторе рулевой рейки |
|
LEFT |
Повернуть налево |
|
RIGHT |
Повернуть направо |
|
MUTE |
Издать гудок клаксона |
|
VOL_PLUS |
Увеличить на 1% заполнение PWM на тяговом моторе |
|
VOL_MINUS |
Уменьшить на 1% заполнение PWM на тяговом моторе |
|
INFO |
Повернуть направо и двинуться вперед |
|
TOOLS |
Задний ход с поворотом налево |
|
EXIT |
Реверс с поворотом вправо |
|
RETURN |
Реверс с поворотом влево |
|
UP |
Движение вперед |
|
DOWN |
движение назад |
|
Power |
Перезагрузить MCU |
|
STOP |
Отключить PWM сигналы |
В прошивку заложены отладочные механизмы:
—Как только принимается корректная команда LED мигает 100ms.
—Каждая успешно отработанная команда издает щелчок пьезокерамическим звуко-излучателем.
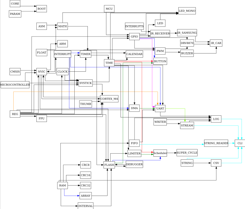
Прошивка обогащена набором программных компонентов, которые связаны между собой согласно этому графу.

Бинарь прошивки можно скачать тут.
Механика
В качестве шасси я решил просто купить на Ozone RC УАЗ Буханку. Выкинуть родную электронику и поставить туда другие электронные в пластиковую оболочку. Благо места внутри валом, что открывает перспективы глубокой модернизации. Из игрушки мы сразу получаем готовую силовую установку (powertrain), рулевую реку, 2 BDC мотора и корпус c защитой IP12.

Чтобы всё это выглядело хоть немного прилично я вмонтировал отладочные модули на пластине из оргстекла и соединил их перемычками. Открыл программу MoI 3D и начертил скрепу для отладочной платы и модулей: IR, DRV8870, Buzzer, батарея. По сути получился старый-добрый поверхностный навесной монтаж. При выборе компоновки PCB-шек надо стремиться сделать центр масс между осями колёс. Поэтому самую тяжелую деталь - батарею я поместил в самый центр Буханки.

Затем я открыл profi.ru и нашел мастера по лазерной резке. Договорился и отправил *.dxf файл скрепы за завод. Само оргстекло продается на Ozone. На следующий день мастер вырезал деталь 100W-ным лазерным лучом на CO2 CNC станке. Причем до этого я пробовал резку на 40W полупроводниковом лазере, однако мощности 40W оказалось не достаточно для 3мм оргстекла и первая заготовка ушла в утиль. Про техпроцесс изготовления подложек у меня есть отдельный текст.

Вот так это выглядит в натуре. На снимке показан процесс отладки калибровки прошивки через главную консоль управления поверх UART. Вся электронная начинка упрятана под пластиковым саркофагом.
Так как пластик плохо пропускает инфракрасный диапазон, то IR приемник TSOP22xx пришлось вынести наружу и монтировать на крышу ровера.

Получился такой комплект. Теперь можно и погонять...

В целом всё получилось. Модель легко управляется и имеет отличную тяговооружённость и завораживающий звук трансмиссии от катушек ротора. Можно практиковаться в езде по площадке: змейка, карман, гараж, горка и т. п. Ещё RC машинка это отличный повод выйти на улицу и погонять на свежем воздухе в парке или на стадионе.
В чем трудность?
Казалось бы слепить RC -машинку простая задача, но, как водится, были свои овраги.
1--Надо подавить питание на MCU со всех сторон. У MCU не случайно несколько пинов VCC. Если подать VCC на один пин, то получается так что, одни каналы PWM работают хорошо, а остальные не дотягивают до уровней и DC моторы просто не двигаются.
2--Бракованные детали. Из 4х купленных микросхем DRV8870 заработало только три. Пришлось заново разбирать механику, чтобы заменить плату драйвера DC-мотора. Потом для подложки я по ошибке сначала купил монолитный поликарбонат. При резке лазерным лучом поликарбонат сильно задымил и источал зловонию. Пришлось перейти на оргстекло.
3--Надо заботиться о центре масс. Надо думать над компоновкой и стремиться сделать центр масс строго между осями шасси. Иначе машинка будет просто букcовать на месте, не вписываться в повороты или вовсе не слушаться руля. В случае неудачного общего центра масс надо грамотно расставить утяжелители. В добавок к этому надо еще выровнять центр масс вдоль продольной оси. Без этого машинка плохо поворачивает задним ходом.
4--Как всегда, USB-micro разъём отслаивается от платы. Для программирования приходилось придерживать USB-micro кабель рукой во время процесса загрузки firmware. Без этого SWD link пропадает по питанию и перепрошивка обрывается.
5--Подложку не удалось изготовить с первой попытки. Как оказалось 40W лазера оказалось слишком мало, чтобы прошибить оргстекло 3мм. Пришлось прибегнуть к более мощному 100W лазеру.
6--При активном токе в обмотках IR-приемник не принимает команды. Надо остановиться или уменьшить заполнение PWM, чтобы просто принять следующую команду. При этом Стоит лишь нацепить на пин IR-DATA щуп осциллографа, как прием происходит даже на ходу. Видимо надо как-то подобрать конденсатор между IR data и GND
Что можно улучшить?
Всё что я тут собрал это, конечно же, паллиативное решение. По-хорошему можно много что улучшить:
1--Прежде всего это конструктив и механику. SWD разъём и UART-CLI вывести под капот. Нужны шлейфы вместо перемычек. Потом по хорошему надо одну PCB для управления, а не 4 PCB, как сейчас.
2--Добавить поддержку большего количества IR протоколов. Имеет смысл расставить 4 IR приемника по периметру кузова.
3--Можно добавить PWM управление яркостью передних фар.
4--Вместо PWM попробовать Delta-Sigma модуляцию (PDM). Вероятно плавность хода окажется лучше.
5--Записывать в накопитель лог событий. Сделать своего рада черный ящик. Можно запоминать циклограмму поступивших с пульта команд, а затем отрабатывать её автоматически.
6--Можно подключить ESP-01 и управлять игрушкой с LapTop PC. Прямо с клавиатуры + выгребать любую телеметрию в режиме CLI. Или добавить LoRa модуль. Если передавать команды через UWB трансивер, то можно будет управлять сквозь бетонные стеы.
7--Можно сделать машинку, с головкой самонаведения (ГСН), которая по пятну на полу от лазерной указки будет ездить за модулированным световым пятном. Это называется инфракрасный ГСН. Так работают корректируемые артиллерийские снаряды. При этом не нужна камера. Достаточно двух фоторезисторов разделенных перегородкой и ЦОС.
8--Добавить в прошивку модели поддержку протоколов UDS и XCP. Прямо поверх UART.
Итог
В сухом остатке удалось смастерить продвинутую машинку с дистанционным управлении и гораздо большими потребительскими возможностями нежели было в оригинальной модели. Теперь можно регулировать крутящий момент на рулевой рейке и заднем мосту. Также добавлен пьезокерамический клаксон. Управлять машинкой можно с обыкновенного телевизионного ИК пульта c Samsung протоколом.
На основе этого материала Вы и сами можете собрать точно такое же изделие. Артефакты для STM32 я выложил на github. Если есть желание, то могу сварить отдельную прошивку с косметическими изменениями специально для Вас.
Потом вендоры MCU могут выпускать отладочные платы с МК и двумя драйверами DC моторов для привлечения внимания к своим МК. Эта же электроника может двигать шторы, поднимать столешницу или управлять торшером. Такой проект может быть отличным учебным материалом для изучения электроники и программирования в ВУЗах.
Если у Вас есть идеи по улучшению этого прожекта, то пишите их в комментариях.
Словарь
|
Акроним |
Расшифровка |
|
VCC |
Voltage at the Collector |
|
UART |
Universal asynchronous receiver/transmitter |
|
PCB |
printed circuit board |
|
UDS |
Unified Diagnostic Services |
|
XCP |
Universal Measurement and Calibration Protocol |
|
CO2 |
Carbon dioxide |
|
RC |
Remote Control |
|
SWD |
Serial Wire Debug |
|
CNC |
Computer numerical control |
|
УАЗ |
Ульяновский Aвтомобильный Завод |
Ссылки
Вопросы
--Существую ли LoRa или GFSK совместимые пульты для дальнобойной радиосвязи в RC моделировании? Желательно с открытым и документированным интерфейсом и протоколом.
Автор: aabzel
