Когда-то давно попался мне на просторах вот такой мем:

Посмотрел я тогда на всё это и забыл. А недавно, встретив его ещё раз, подумал: что, если попробовать сделать такой девайс в реальности? Как насчёт собрать такой телефон, по которому в самом деле можно будет позвонить? Именно этим-то мы сейчас и займёмся.
❯ Суть такова
Вообще, проектов самодельных «звонилок» на микроконтроллере довольно много, от совсем простеньких до вот таких вот очень крутых. Я и сам уже давно хотел приобщиться и собрать что-то интересное, и вот как раз недавно выдался подходящий случай: шутки ради соберём аппарат в виде блока вызова домофона. Само собой, пользоваться этой штукой постоянно я не собираюсь, но получиться должно очень эффектно.
❯ Обзор оборудования
Перво-наперво для создания данного прибора понадобится домофон. В оригинальном меме был Cyfral CCD-20, так что достанем именно его.

А вот и он. Для переделки специально раздобыл нерабочий аппарат, дабы было не жалко его препарировать. К сожалению, экземпляра с RFID-считывателем, как в оригинале, не нашёл, так что обойдёмся контактным.

Обратная сторона. Вообще, тут должна была быть крышка, но у меня её нет. К слову говоря, Cyfral CCD-20 на самом деле координатный домофон со встроенным коммутатором на двадцать абонентов, никакими шестьюстами тут даже не пахнет. Также видны нераспаянные места под два транзистора, позволяющие расширить число квартир до сорока и задействованные в модели CCD-40.
А вот другой экземпляр. Так выглядит домофон в сборе с крышкой.
❯ Первый запуск
И для начала посмотрим на то, как проявляется неисправность.

При подаче питания домофон ожил. Можно даже попробовать куда-нибудь позвонить…

А вот считыватель оказался неисправен: домофон не читает ключи. Судя по всему, пострадал он из-за грозы или вандалов с электрошокером.

К сожалению, проблема здесь кроется в выгоревшей ножке микроконтроллера, а не в обвязке считывателя, что было проверено установкой чипа в другой, заведомо рабочий блок вызова. Прошитый микроконтроллер на замену стоит немногим дешевле живого домофона, так что в нашу эпоху массовой замены таких домофонов на IP мало кто возьмётся за такой ремонт. В некоторых местах изворачиваются путём установки внешнего контроллера ключей, но там, где обслуживался этот домофон, его просто заменили целиком.
❯ Электроника
Как и любой другой простенький проект, собирать всё будем из электронных модулей.

В основе будет неоригинальная плата Raspberry Pico на чипе RP2040 — просто потому что она дешёвая, питается сразу от аккумулятора и работает с трёхвольтовыми логическими уровнями, что нам и нужно. Да и потенциал для дальнейшего развития проекта тоже будет отличный.

Питать всё это будем от двух литий-ионных аккумуляторов от израсходованных одноразовых «дудок». Благодаря моему товарищу, который курит эту гадость, дефицита таких элементов питания я не испытываю.


Семисегментный индикатор KEM-3631AR. Похожий стоит на оригинальной плате домофона.

GSM-модуль SIM800L, точнее, китайская плата с этим модулем.

Сам модуль явно видавший виды и откуда-то выпаянный, но на работу это повлиять не должно. Вообще, использовать внешний МК для управления этим модулем — лютый оверинжиниринг, так как у него самого есть GPIO и все необходимые интерфейсы (по сути внутри него baseband и RF-frontend от простенького телефона). Однако вся документация и инструментарий для сборки своей прошивки доступны только под NDA, а слитых файлов я нигде не нашёл, так что этим всем займёмся как-нибудь в другой раз, когда всё это удастся найти.
❯ Разбираем домофон
Теперь осталось убрать плату, оставив только нужное нам.

Откручиваем винты и снимаем её.

Обратная сторона.

Плату управления, разумеется, не выкидываем — возможно, пригодится для оживления другого домофона с целым МК. В этих панелях часто вылетают транзисторы встроенного коммутатора, отчего экземпляр перестаёт звонить.
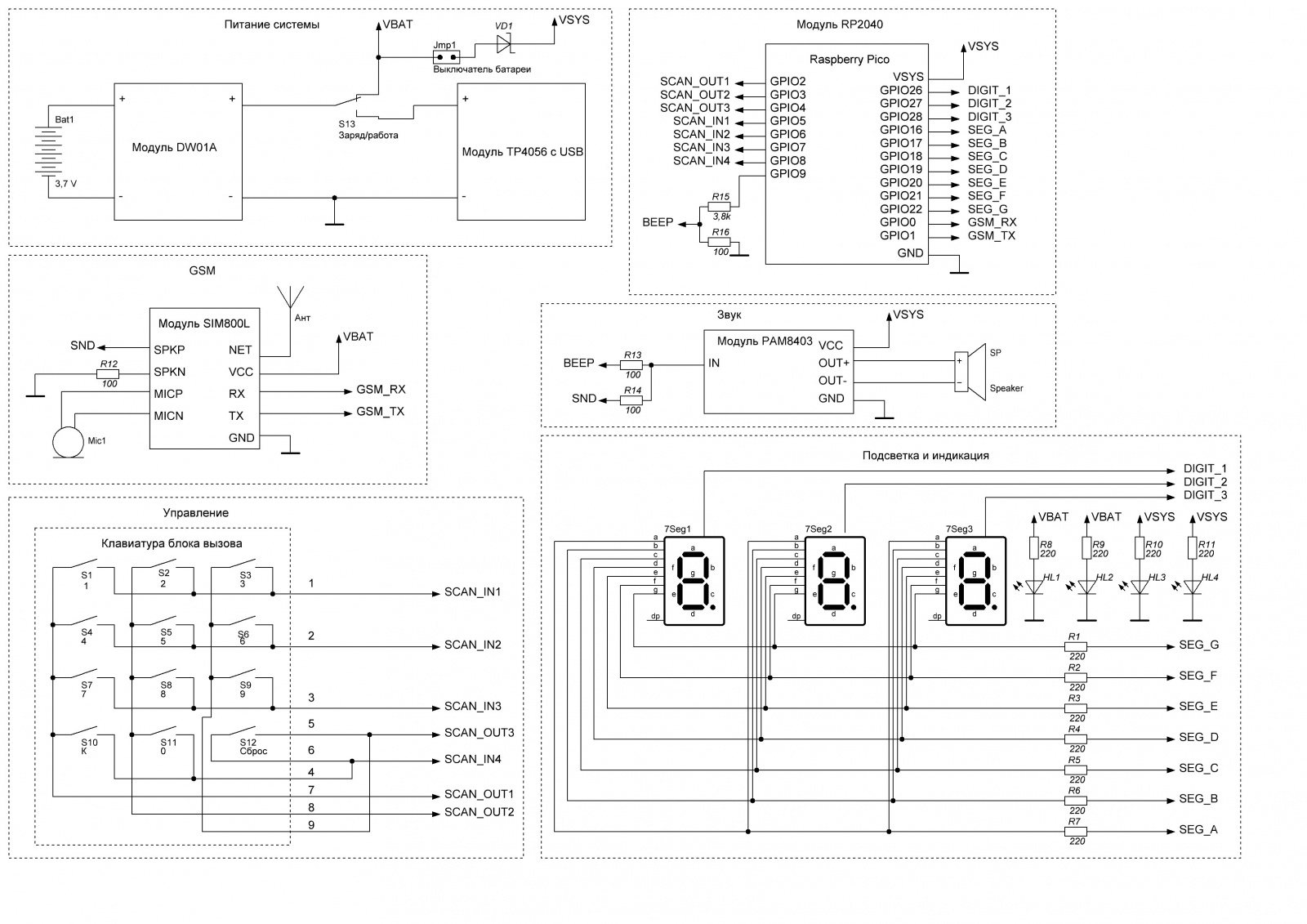
❯ Схема
Перед сборкой разберёмся с подключением.

А вот и схема девайса. Красивой не будет, есть только традиционная.
В качестве источника питания — ранее упомянутый литиевый аккумулятор. Подключён он через диод Шоттки для того, чтобы плата при работе от USB и оставленном в рабочем положении выключателе не пыталась его заряжать. Вообще, питанию надо уделить особое внимание, так как модуль при поиске сети может кратковременно потреблять ток до пары ампер. Из-за этого платы защиты аккумулятора на меньший ток не подойдут, так как будут принимать такие резкие броски как короткое замыкание.
Подсветку клавиатуры подключил к VBAT — этакий индикатор того, что устройство работает от батарей.

Остановимся поподробнее на клавиатуре блока вызова. Она не полностью матричная: одна из кнопок выведена отдельно. Сделано это из-за того, что в «Цифрале» кнопка сброса не даёт некую команду, а просто перезагружает микроконтроллер. Поэтому её контакты необходимо подключить к соответствующей строке и соответствующему столбцу.
❯ Собираем домофон

Как это часто бывает, интересная идея пришла слишком поздно и на разводку платы энтузиазма не осталось. Поэтому собираем на зелёной монтажной плате.

Отрезаем под размер оригинальной платы и сверлим монтажные дырки отверстия.

Устанавливаем переключатель питания, светодиоды подсветки и индикатор.

На смену поднадоевшей жёлтой подсветке поставим синюю.

Убедившись, что плата не перестала вписываться в габариты, ставим всё остальное.

Когда большая часть проводов припаяна, можно проверить, как оно работает.

Наконец, собираем всё окончательно.
❯ Прошивка контроллера
Для первого раза решил попробовать реализовать самую главную функцию — звонки.
#define SEG_A 16
#define SEG_B 17
#define SEG_C 18
#define SEG_D 19
#define SEG_E 20
#define SEG_F 21
#define SEG_G 22
#define DIGIT_1 26
#define DIGIT_2 27
#define DIGIT_3 28
#define BEEP 9
#define sim800 Serial1
const byte ROWS = 4;
const byte COLS = 3;
byte rowPins[ROWS] = {5, 6, 7, 8};
byte colPins[COLS] = {2, 3, 4};
char keys[ROWS][COLS] = {
{'1', '2', '3'},
{'4', '5', '6'},
{'7', '8', '9'},
{'C', '0', 'K'}
};
const byte digitSegments[10] = {
B00111111, // 0
B00000110, // 1
B01011011, // 2
B01001111, // 3
B01100110, // 4
B01101101, // 5
B01111101, // 6
B00000111, // 7
B01111111, // 8
B01101111 // 9
};
char digitBuffer[3] = {' ', ' ', ' '};
byte bufferIndex = 0;
String numberBuffer = "";
char getKey() {
char key = 0;
for (byte c = 0; c < COLS; c++) {
digitalWrite(colPins[c], LOW);
for (byte r = 0; r < ROWS; r++) {
if (digitalRead(rowPins[r]) == LOW) {
delay(50);
while (digitalRead(rowPins[r]) == LOW);
key = keys[r][c];
}
}
digitalWrite(colPins[c], HIGH);
}
return key;
}
void displayBuffer() {
int d1 = (digitBuffer[0] == ' ') ? 10 : digitBuffer[0] - '0';
int d2 = (digitBuffer[1] == ' ') ? 10 : digitBuffer[1] - '0';
int d3 = (digitBuffer[2] == ' ') ? 10 : digitBuffer[2] - '0';
showDigit(d1, DIGIT_1);
delay(1);
showDigit(d2, DIGIT_2);
delay(1);
showDigit(d3, DIGIT_3);
delay(1);
}
void showDigit(int digit, int digitPin) {
digitalWrite(DIGIT_1, HIGH);
digitalWrite(DIGIT_2, HIGH);
digitalWrite(DIGIT_3, HIGH);
// Если digit = 10 (пробел), выключаем все сегменты
if (digit == 10) {
for (int i = SEG_A; i <= SEG_G; i++) {
digitalWrite(i, LOW);
}
} else {
byte segments = digitSegments[digit];
digitalWrite(SEG_A, segments & 0x01);
digitalWrite(SEG_B, segments & 0x02);
digitalWrite(SEG_C, segments & 0x04);
digitalWrite(SEG_D, segments & 0x08);
digitalWrite(SEG_E, segments & 0x10);
digitalWrite(SEG_F, segments & 0x20);
digitalWrite(SEG_G, segments & 0x40);
}
digitalWrite(digitPin, LOW);
}
void makeCall(String phoneNumber) {
sim800.println("ATD" + phoneNumber + ';');
delay(100);
}
void answerCall() {
sim800.println("ATA");
delay(100);
}
void rejectCall() {
sim800.println("ATH0");
delay(100);
}
void setup() {
for (int i = SEG_A; i <= SEG_G; i++) {
pinMode(i, OUTPUT);
digitalWrite(i, LOW);
}
pinMode(DIGIT_1, OUTPUT);
pinMode(DIGIT_2, OUTPUT);
pinMode(DIGIT_3, OUTPUT);
digitalWrite(DIGIT_1, HIGH);
digitalWrite(DIGIT_2, HIGH);
digitalWrite(DIGIT_3, HIGH);
for (byte c = 0; c < COLS; c++) {
pinMode(colPins[c], OUTPUT);
digitalWrite(colPins[c], HIGH);
}
for (byte r = 0; r < ROWS; r++) {
pinMode(rowPins[r], INPUT_PULLUP);
}
sim800.begin(115200);
}
void loop() {
char key = getKey();
if (key) {
tone(BEEP, 800, 80);
if (key >= '0' && key <= '9') {
digitBuffer[0] = digitBuffer[1];
digitBuffer[1] = digitBuffer[2];
digitBuffer[2] = key;
numberBuffer += key;
}
if (key == 'K') {
if (numberBuffer.length() == 0) answerCall();
else {
makeCall(numberBuffer);
digitBuffer[0] = ' ';
digitBuffer[1] = ' ';
digitBuffer[2] = ' ';
numberBuffer = "";
}
}
else if (key == 'C')
{
digitBuffer[0] = ' ';
digitBuffer[1] = ' ';
digitBuffer[2] = ' ';
numberBuffer = "";
rejectCall();
}
}
displayBuffer();
}
Звук нажатия кнопок постарался подобрать похожий на тот, что стоит в настоящем домофоне.
❯ Как это вообще работает?
Загружаем прошивку и идём пробовать.

Выглядит, конечно, презабавно, особенно для неподготовленных. Даже скажу, что получилось ещё эффектнее, чем думал изначально.

Товарищи восприняли это с энтузиазмом и даже предложили продолжить идею и собрать планшет из «Элтиса».
Но не обошлось и без нюансов. Самый главный из них в том, что используемый тут усилитель не очень подходит для такого применения.
Обычно все просто подключают к модулю динамик и микрофон и радуются жизни. И действительно, восьмиомный динамик или разъём для наушников для многих проектов отлично подходят. А вот по запросу «sim800 amplifier connection» чего-то дельного удивительно мало, так что восполню это упущение. Дело в том, что модуль не только очень много потребляет, но и безбожно фонит (на видео посторонний шум примерно вдвое громче реального), поэтому усилитель для него подойдёт далеко не всякий.

❯ Что же в итоге?
Вот такой забавный девайс получился. Впрочем, на этом его жизнь не заканчивается: добавить там есть очень много чего. В частности, чуть позже попробую переписать работу с клавиатурой и дисплеем с использованием PIO, реализовать режим программирования как в настоящем домофоне и как-то обыграть упомянутые в том меме 600 квартир (например, сделать 600 ячеек для быстрого набора). И, конечно же, надо будет исправить тот косяк с усилителем.
Такие дела.
Перед оплатой в разделе «Бонусы и промокоды» в панели управления активируйте промокод и получите на баланс.
Другие мои посты про ключи, домофоны, считыватели и прочие подобные устройства:
- Разбираемся со считыванием и записью магнитных домофонных ключей
- Наследники перфокарт в мире электронных ключей
- Ключи с динамическим кодом: «Факториал» возвращается
- Самый суровый магнитный ключ
- Первый массовый советский домофон
- Санком. Неизвестный производитель оптических домофонов
- Оживляем раритетный домофон с магнитным ключом
- Визит-К. Домофон «Бубум» нового поколения
- Аналоговый «Цифрал». Оживляем самый простой домофон на дискретной логике
- Резистивный ключ для оптического домофона
- Cyfral Intel. Перепрошиваем «говорящий» домофон
- Самый редкий оптический домофон
- Телефон на 600 квартир
Автор: MaFrance351
