Приветствую всех!
Когда-то давно тут уже рассказывали про кнопку Turbo и про замок на корпусе ПК. Самое время вспомнить ещё один неотъемлемый атрибут компьютеров тех лет: индикатор частоты процессора.

Казалось бы, это до невозможности элементарная штука, не сложнее индикатора питания. Но всё оказалось не так уж банально и даже у этого устройства оказалось много интересного. Давайте разбираться...
❯ Суть такова
Если где-то в девяностых у вас был компьютер, то вы без труда поймёте, о каком неотъемлемом его атрибуте я говорю.

Подавляющее большинство старых корпусов (эпохи 286...486) оснащалось светодиодными индикаторами, на которых отображалась частота процессора. Иногда эти цифры даже менялись в зависимости от положения кнопки Turbo.

Вообще, конечно, индикатор на системном блоке компьютера какой-то экзотикой не назовёшь: в мире серверов и рабочих станций, а также в моддерской среде индикаторы или целые дисплеи встречаются повсеместно.

Но вот предмет нашего обзора был практически везде и запомнился многим. Выглядело это всё тоже очень круто. Кто-то даже всерьёз верил, что он измеряет частоту процессора, и очень удивлялся, когда после апгрейда цифры оставались прежними, ну а для кого-то его конструкция никогда не была секретом.
❯ Немного про историю этих индикаторов
Изначально я думал, что найти какую-то информацию о том, в каких именно машинах они начали ставиться, будет очень просто, но всё оказалось совершенно иначе.

Итак, эти штуки появились, ориентировочно, в 1991-1992 году с приходом массовых AT-корпусов от всяких OEM-производителей. Вскоре они получили широкое распространение и стали ставиться буквально повсюду. Причины этого довольно понятны: так было понятнее, в каком режиме работает сейчас ПК, а также давало маркетинговое преимущество: даже по нынешним временам такой индикатор отлично смотрится.

Несмотря на то, что индикатор имеет прямое отношение к кнопке Turbo, появился он значительно позже данного элемента управления. На XT-совместимых машинах их практически нет.

На просторах нашёл фото Turbo XT с индикатором, но, скорее всего, корпус тут просто-напросто более поздний, эпохи 286.

Один из самых попсовых корпусов тех лет.

Что интересно, на брендовые ПК (Acer, Dell, IBM, HP, Compaq, Packard Bell...) их практически не устанавливали.
Когда-то я встречал информацию, что отдельные модели IBM PS/1 оснащались такими индикаторами, однако на деле это полная ерунда: никаких семисегментных дисплеев там отродясь не было. Ставились они в основном только в обычные AT-корпуса. Какого-либо стандарта на их размер и крепление тоже не существовало, отчего модуль от одного блока нередко не подходил к другому.

С приходом «пеньков» кнопка Turbo перестала использоваться (за исключением некоторых совсем ранних плат на Socket 4 и 5), однако заветный индикатор имелся порой даже на тех корпусах, где её не было.

После распространения Slot1 и Socket 370 этот неотъемлемый атрибут AT-корпусов начал уходить в историю.
Конечно, существовали и полноценные трёхразрядные экземпляры, где запросто можно было увидеть 333 или даже 400, но было их значительно меньше. Да и стандарт AT тем временем окончательно «закончился», а в пришедших ему на смену ATX-корпусах подобные штуки практически разом исчезли.

Даже там, где он всё ещё был уместен (например, в ATX-сборке на Socket 7), ещё недавно казавшийся неотъемлемым элемент разом исчез.

Один из первых массовых ATX-корпусов. Индикатор пока что в наличии. Характерного вида крышка — тоже наследие AT.

А вот его начинка.
В ATX-БП уже не было отдельного жгута проводов для питания данного блока. Поэтому тут он подключён к контактам POWER LED на материнской плате.

Материнская плата тоже примечательная: это AOPen AX53. Плат типа Baby-AT с питанием ATX полно, а тут видим противоположный случай: ATX-плата с поддержкой подключения БП AT. В документации он называется «PS/2 power supply», но это не что-то проприетарное, а обычный AT-БП типа «четыре чёрных вместе по центру».
❯ Так как же они на самом деле работали?
На самом деле всё было очень просто.

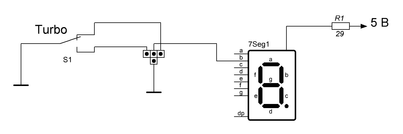
Вот схема «классического» индикаторного модуля, точнее, одной его группы перемычек.
К плате подключались пять вольт (двухпроводным жгутом от AT-блока питания), а также вторая контактная группа той самой кнопки Turbo. Каждый сегмент имел свою группу контактов, перемычка на которой определяла, будет ли тот гореть всегда или при определённом положении кнопки. Ток практически всегда ограничивался единственным низкоомным резистором, на правила параллельного подключения светодиодов закрывали глаза.
Само собой, никакого интерфейса с материнкой у этих индикаторов не было, выставить можно было абсолютно любые цифры или символы. Кто-то и вовсе отображал на них не частоту процессора, а что-то иное (например, где-то встречал, как кто-то подключил через уже ненужную для первого «пенька» кнопку Turbo пищалку, а на индикаторе показывалось, включена та или выключена). На пеньках там, где материнская плата это позволяла, можно было переключать этой кнопкой множитель или частоту шины, а на индикаторе забить частоты, на которых бы работал камень.
Тем не менее, не все экземпляры имели подобную схемотехнику, и во многом именно поэтому я решил рассказать про это всё. Но об этом чуть позже.
❯ Обзор оборудования
Итак, идём в щедрые закрома Родины и достаём оттуда несколько индикаторов.

Один из самых распространённых экземпляров, имеет маркировку K-568.

Ещё парочка модулей.

Индикатор подревнее — всего на два разряда.

А это самый крутой — от одного из последних AT-корпусов.

Обратная сторона — ряды штырьков, перемычки и откушенный задолго до меня разъём от кнопки.
❯ Запускаем
Само собой, для того, чтобы оживить такой девайс, не понадобится ничего кроме источника питания на пять вольт (хоть в лице обычной Arduino) и проводов.

Вот так всё это работает.

А вот другой экземпляр.
❯ Про конфигурацию
Когда-то давно небезызвестный в узких кругах Макс Крюков снимал видео об этих устройствах:
Но, как оказалось, для некоторых моделей необязательно подбирать комбинацию перемычек вручную.

Существовали целые бумажные мануалы о том, какие перемычки ставить, чтобы получить конкретные цифры. Делалось всё это в духе типичной OEM-продукции тех лет: простенькое описание, характерное качество печати и ни малейшего упоминания о производителе.

А вот целая программа под DOS, отображающая паттерн перемычек для конкретного значения сегментов одной из популярных моделей этих модулей.

Для многих экземпляров оригинальные руководства утеряны, однако таблицы для них легко ищутся.

Для каких-то же они и не требуются: назначение перемычек написано прямо на плате.
##❯ Более простые схемы
С «традиционными» индикаторами разобрались. Но на этом их варианты не кончаются.

Этот экземпляр с виду ничем не отличается от предыдущих.

Но обратная сторона говорит сама за себя: наборного поля с перемычками тут нет.
Всё очень просто: этот индикатор умеет отображать только два фиксированных значения: LO и HI. Больше он ни на что не способен и никак не настраивается.

А вот ещё один экземпляр, стоящий в моём «пеньке». Именно он показан на КДПВ.
Здесь всё ещё проще: этот индикатор «забит» на одно-единственное значение и не поддерживает даже кнопку Turbo.
❯ Более интересные схемы
Но порой всё было куда сложнее. Нет, измерять частоту процессора эти штуки так и не научились. Но вот кое-что всё-таки отличалось.

Первые индикаторы таки имели ещё какие-то компоненты кроме резистора и самого семисегментника. В данном случае для продления ресурса светодиодов каждый сегмент подключается через диод. Резистор тоже заметно большей мощности, чем на поздних.

А вот ещё один экземпляр. Спереди он мало отличается от предыдущего...

...но это только спереди. Сделан же он намного более основательно. Даже токоограничительные резисторы на этот раз стоят для каждого сегмента.

Индикатор с полноценным семисегментным дешифратором.
На этот раз выставлять цифры посегментно на нём не нужно. Вместо этого перемычками выставляется пара чисел — одно значение для нажатой кнопки Turbo и другое — для отжатой.

А это самый топовый среди индикаторов. Перемычек он и вовсе не имеет.

Настраивается он весьма своеобразным образом: при помощи кнопки Reset, отключенной от материнки и воткнутой в этот модуль. В целом непонятно, зачем вообще нужна такая схема, если никаких преимуществ она по сути не даёт.
❯ Что же в итоге?
Увы, с уходом в историю AT-корпусов исчезли и эти индикаторы. В более новых ПК их уже не было: то ли из-за того, что частота процессора стала уже четырёхзначной, то ли они просто стали больше не нужны вместе с кнопками Turbo.

Ненадолго мода на такие штуки вернулась в нулевые. В немалом количестве корпусов ставились дисплеи вроде этого, тоже отображавшие различные параметры.

Впрочем, то были уже совсем другие устройства, частоту процессора не показывавшие. Индикаторы частоты (и много чего ещё) остались только у моддеров (причём у них чаще всего отображались именно реальные, а не предзаписанные значения).

Такие дела.

Автор: MaFrance351
