
Некоторое время назад я описывал прибор для мониторинга качества воздуха в помещении, который можно сделать самостоятельно из деталей заказанных на известном китайском интернет магазине.
И вот появилась новая версия прибора.
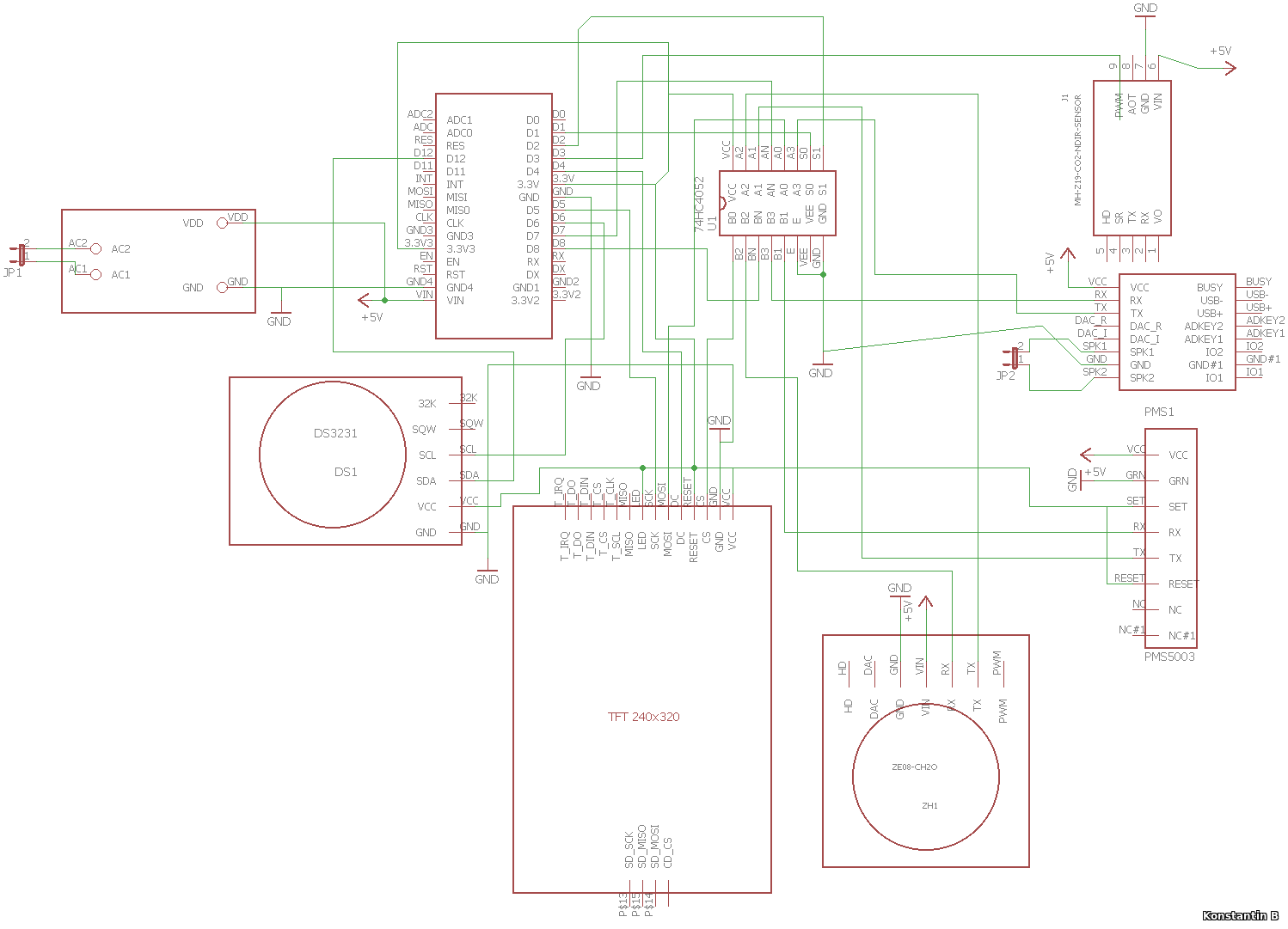
Доработки в новой версии небольшие, в основном касаются прошивки. Но добавление нового датчика BME280 существенно расширило функциональность прибора.

Теперь стала доступна информация о температуре, влажности окружающего воздуха и атмосферном давлении.
Для тех кто собрал прибор первой версии его доработка и усовершенствование будет простейшей задачей. Просто добавить новый датчик и пере прошить контроллер.
Новый датчик подключается по интерфейсу I2C прямо к уже установленным часам.

При наличии датчика BME280 прибор будет каждые 15 секунд переключать панель показывающую параметры измерения пыли в режим демонстрации температуры, влажности, атмосферного давления, и через 15 секунд обратно в режим демонстрации пыли.
Еще в данной версии появилась возможность использовать прибор без наличия датчика формальдегида. В старой прошивки без этого датчика не работал датчик пыли.
→ Тут можно взять новую прошивку
→ Тут Архив с файлами скриптов
→ Тут инструкция о том как самостоятельно собрать подобный прибор
Инструкцию о том как прошивать контроллер можно посмотреть тут.
Электрическая схема:
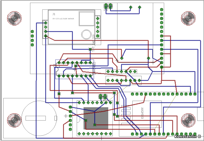
Монтажная плата:

Дополнительную информацию можно найти на моем сайте
Автор: Migrator
