
На кухне синим цветком горит газ
До сих пор во многих квартирах, в т. ч. и на территории бывшего СССР, для приготовления горячей воды часто используются индивидуальные проточные газовые водонагреватели, в обиходе – газовые колонки. Данные устройства имеют несколько неприятных недостатков по сравнению с системами централизованного горячего водоснабжения. Эти недостатки существенно снижают комфорт проживания современного человека, привыкшего к удобствам 21 века.
Во-первых, при открытии крана с горячей водой, последняя появляется не сразу, а только через некоторое время. Это время включает в себя как задержку на включение самой колонки, тепловую инерцию нагревателя, так и время, необходимое на то, чтобы нагретая вода просто дошла по трубам до потребителя, и при большой длине труб это время может достигать нескольких десятков секунд. При этом в канализацию бесполезно сливается ненагретая вода и бесполезно тратится время на ожидание. Во вторых, температура самой воды зависит от большого количества факторов. От погоды на улице (температуры приходящей холодной воды), от расхода самой воды, от давления газа. Если первый и третий факторы изменяются во времени довольно медленно и их можно скорректировать ручкой регулировки подачи газа на самой колонке, то второй фактор может изменяться в реальном времени, прямо здесь и сейчас. Прежде всего, температура воды зависит от степени открытия крана. Меньше расход воды – выше температура, и наоборот. Но и открытие горячего крана в другой точке водоразбора также изменяет расход воды – температура падает. Даже открытие холодного крана в другой точке водоразбора влияет на температуру – падает давление в квартирной разводке, уменьшается расход воды – температура растет. Приходится все время манипулировать расходом чтобы поддерживать комфортную температуру при принятии водных процедур. При этом еще и эффект от этих манипуляций проявляется с большой задержкой, опять же из-за тепловой инерции и длины труб.
Также некоторой проблемой является каждый раз объяснять гостям, привыкшим к централизованному снабжению, вышеописанные эффекты и учить их пользоваться элементарными, с их точки зрения, бытовыми вещами.
Некоторые модели газовых котлов (имеющих функцию как отопления, так и горячего водоснабжения) допускают использование дополнительного накопительного бака с теплообменником. Такая схема, по идее, должна устранить вышеописанные недостатки. Но, по правде говоря, такую систему нигде в квартирах я не встречал. Вероятно, потому что покупать к и так недешевому котлу еще одну вундервафлю не всем по карману. Кроме того, этот бак еще нужно где-то размещать. Такой вариант пригоден скорее только для частного дома, где с местом для размещения нет таких острых проблем
Поэтому, делая ремонт в своей квартире, я решил реализовать автоматизированную систему горячего водоснабжения, свободную от этих недостатков. Также дополнительно к ней реализовать и автономную систему отопления.
Поскольку в моем регионе отсутствуют длительный отопительный сезон, и температура на улице лишь изредка и ненадолго принимает отрицательные значения, к основному источнику тепла не предъявляется особых требований по тепловой мощности. Поэтому основой системы была выбрана недорогая газовая колонка фирмы «ARICTON», которая шла в комплекте вместе с квартирой.
Название колонки написано верно, лол, а еще я встречал колонку «BOSH».

Чудо-юдо фирмы "Вошь"
Это ноунейм колонки производства неизвестного турецкого или иранского завода. Они достаточно просты, даже можно сказать — примитивны. Их внутреннее устройство почти полностью идентично и вплоть до мелочей повторяет устройство газовой колонки, показанное в замечательном анимационном ролике.
Единственное отличие – эти колонки оборудованы принудительной вытяжкой и закрытой камерой сгорания и поэтому работают уже не от батареек, а от сети. Принудительная вытяжка включается перед зажиганием и выключается через несколько секунд после погасания, обеспечивая необходимую тягу и очищение топки от продуктов сгорания. Такая система полностью исключает попадание продуктов сгорания в помещение и при этом отсутствуют какие-либо особые требования к длине дымохода. Минусом такой системы является дополнительный шум, издаваемый вытяжным вентилятором при работе. Несмотря на то, что подобные колонки просты и относительно недороги, они оборудованы всеми видами защит – от погасания пламени, перегрева, остановки движения теплоносителя и пропадании тяги.

Микропереключатель газовой колонки
Для включения нагрева необходимо сделать две вещи — обеспечить проток теплоносителя через теплообменник (при этом открывается первый, механический клапан подачи газа) и щелкнуть микропереключателем (электронная схема колонки открывает второй, электрический, газовый клапан и подает искру для воспламенения газа). Это будет делать новая система управления, которую подробнее рассмотрим далее.
Для того, чтобы обеспечить постоянное и стабильное по температуре получение горячей воды была выбрана схема с постоянной циркуляцией теплоносителя. Аналогично тому, как это делается в современных многоквартирных домах с местным тепловым узлом, но только в масштабах одной квартиры. Поскольку нагретая вода постоянно циркулирует по трубам, она уже готова к потреблению сразу же после открытия крана. Также ее температура не зависит от величины и продолжительности открытия крана, поскольку за температурой следит система управления.
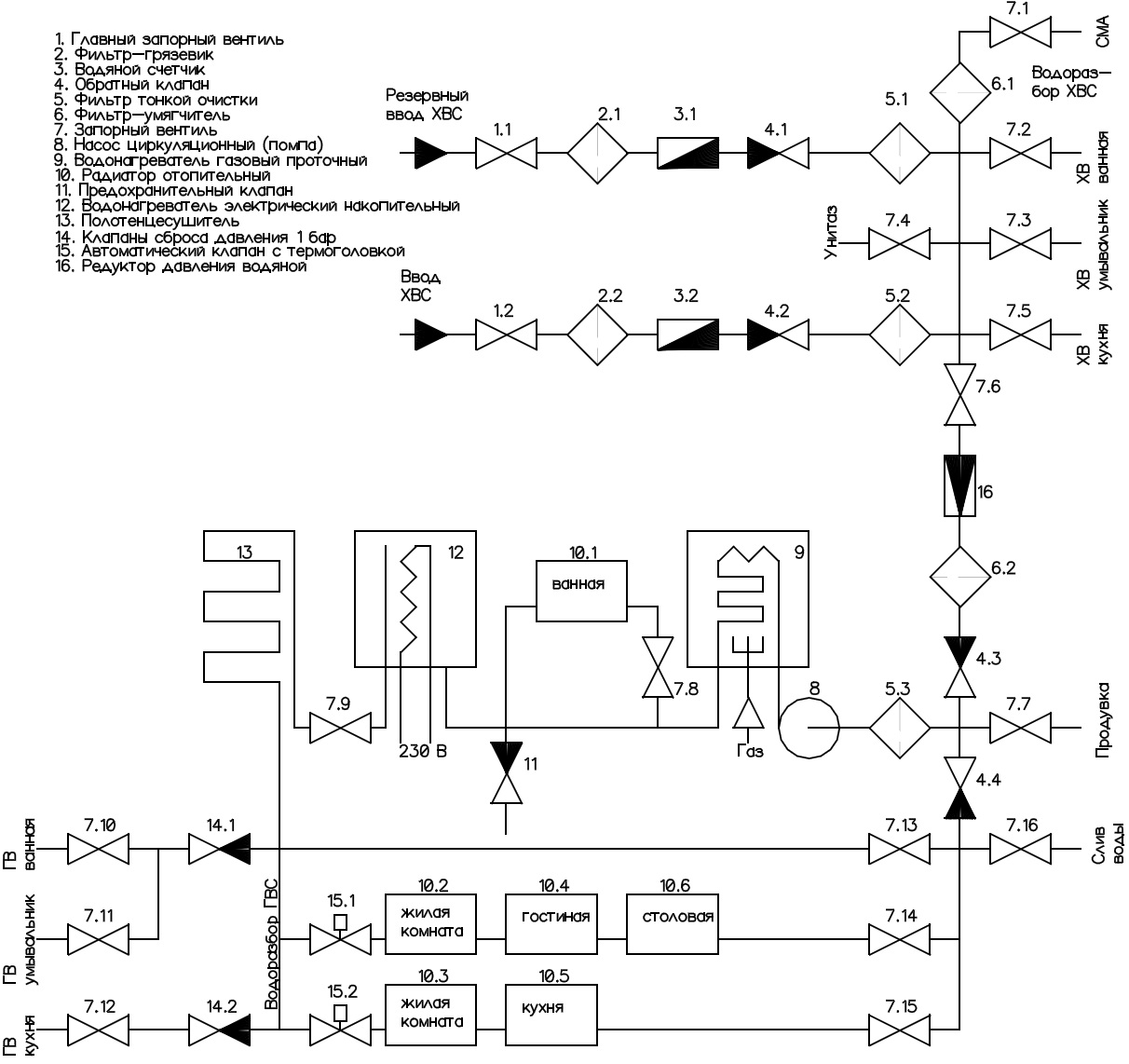
Рассмотрим подробнее схему водоснабжения.

Схема водоснабжения
Холодная вода из общедомового стояка холодного водоснабжения (ХВС) поступает через главный запорный вентиль, фильтр-грязевик, счетчик воды и обратный клапан на магистральный фильтр тонкой очистки. Фильтр необходим для очищения воды от загрязняющих примесей и продления срока службы сантехнических приборов.
В квартире имеется второй стояк водоснабжения, он подключается аналогично и играет роль резервного, на случай если что-то случится с основным. Обратные клапаны препятствуют перетоку воды из одного стояка в другой при одновременном открытии обоих запорных вентилей.
Основная и резервная подачи воды после фильтров объединяются в единую точку водоразбора холодной воды. Из нее запитываются краны ХВС кухни, умывальника, ванной, бачок унитаза и подключается стиральная машина – автомат (СМА) через фильтр-умягчитель для жесткой воды.
Из этой же точки подпитывается контур горячего водоснабжения (ГВС) через запорный вентиль, обратный клапан и фильтр-умягчитель. Фильтр-умягчитель содержит кристаллы полифосфатов, которые кроме функции умягчения воды, несут еще и антикоррозионную функцию, являясь ингибиторами коррозии. Циркуляцию воды в контуре обеспечивает циркуляционный насос (помпа). Перед помпой стоит дополнительный фильтр тонкой очистки, улавливающий накипь, ржавчину и прочие вещи, образующиеся при нагревании воды. Нагретая вода поступает в бак-накопитель, в качестве которого используется накопительный электрический нагреватель (в просторечии — бойлер) на 100 л.
Как показала практика, такой объем несколько избыточен. Вполне достаточно было бы бака и на 50-80 л. Такие нагреватели доступны с более плоской формой бака, которая намного лучше бы вписалась в интерьер ванной комнаты. Но, уж как получилось, так получилось.
Кроме функции аккумулирования нагретой воды, бойлер также выступает в качестве резервного нагревателя на случай проблем с газом. Правда, мощность такого нагревателя всего 2 кВт и при включенных ветках отопления этой мощности будет недостаточно для полноценного отопления квартиры.

Бойлер и дополнительная батарея отопления
Циркулирующая вода также постоянно проходит через полотенцесушитель и дополнительную небольшую батарею отопления ванной комнаты. Постоянная работа полотенцесушителя необходима для создания в ванной комнате повышенной температуры для комфортного принятия водных процедур и быстрого высыхания полотенец и влажных поверхностей для предотвращения появления плесени. Дополнительная батарея добавлена из-за большой площади ванной комнаты и предположения того, что в холодное время года одного полотенцесушителя может оказаться недостаточно. Батарея выбрана самого наименьшего размера из доступных и снабжена байпасом и вентилем для возможности ее отключения в теплое время года.

Полотенцесушитель
После полотенцесушителя осуществляется водоразбор горячего водоснабжения. Краны горячей воды подключены через клапаны сброса давления на 1-2 бара. Клапаны необходимы на случай отключения холодной воды, когда отсутствует давление сетевой воды. При этом контур циркуляции остается под избыточным давлением и продолжает функционировать. Несмотря на то, что такие клапаны широко представлены в интернете, приобрести их не удалось. В качестве них был использован обратный клапан, у которого прижимная пружина была заменена на более сильную.

Разводка труб. Фильтр и помпа
Контур циркуляции замыкается через байпас и обратный клапан. В точку после обратного клапана через вентиль можно подать сжатый воздух для продувки всей системы перед обслуживанием или ремонтом, например. Слив воды осуществляется из точки до обратного клапана. Расширительный бачок в системе не предусмотрен, в качестве него работает воздушная подушка, естественным образом образующаяся в баке бойлера.
Параллельно байпасу проложены два независимых контура отопления, состоящих из двух и трех радиаторов соответственно, включенных последовательно. Первые радиаторы в каждой цепочке располагаются в двух жилых комнатах и оборудованы автоматическими регулирующими клапанами с термоголовками. Таким образом, температура в жилых комнатах поддерживается стабильной. Остальные радиаторы расположены в нежилых комнатах и работают по остаточному принципу, там температура будет — какая получится и, очевидно, меньше. Для некоторой компенсации этого, радиаторы в этих комнатах выбраны большего размера. Таким образом, получилось существенно упростить и удешевить разводку труб отопления по квартире, отказаться от коллекторного узла, сохранив при этом комфорт проживания.
Клапаны с термоголовками имеют достаточно высокую цену и вполне могут быть заменены на обычные, не автоматические. Никаких их особых преимуществ автоматических клапанов при эксплуатации замечено не было. Один клапан (в длинной ветке) всегда открыт на максимум, вторым клапаном (в короткой ветке) проток воды вручную регулируется таким образом, чтобы температура теплоносителя в точке соединения обоих веток была минимальная и примерно одинаковая. Этим достигается самое полное использование запасенной теплоты теплоносителя и равномерный нагрев всего помещения.

Фильтр-умягчитель заменен на фильтр большего объема. Также, фильтр такой конструкции проще обслуживать
Позже на входе в контур циркуляции был установлен редуктор давления на 3 Бара. Это опциональный элемент, он оказался необходим потому, что давление холодной воды в моем доме могло доходить до 5 Бар. А предохранительный клапан, шедший вместе с бойлером рассчитан всего на 6,5 Бар. Запас на увеличение давления от расширения воды при нагреве всего 1,5 Бара и объема воздушной подушки оказывалось недостаточно чтобы скомпенсировать это расширение. Один из вариантов решения проблемы – установка дополнительного расширительного бака, второй вариант – уменьшить рабочее давление в контуре. Редуктор давления стоит значительно дешевле и занимает места значительно меньше расширительного бака, поэтому был выбран вариант с редуктором давления.
По итогу, работу редуктора нужно признать неудовлетворительной. Редуктор создает большое сопротивление протоку воды, которое и так ограничено различными обратными клапанами и тонкими трубками водонагревателя. Из-за чего горячая вода течет существенно слабее холодной. Также он очень неточно поддерживает целевое давление — при закрытом кране давление достигает 3,5 Бар, при открытом — падает до 2 Бар. В дальнейшем редуктор предполагается исключить, есть идея заменить его на электроклапан, управляемый умной электроникой. В этом случае, на электронику можно будет также повесить функцию обратного клапана, запорного вентиля и защиты от протечек, реализовать так сказать, сразу 4 функции в одном приборе.

Давление в контуре отопления
В системе установлены два контрольных манометра — в линии холодной воды и в циркуляционном контуре.
Основные операции при эксплуатации системы:
-
Заполнение системы водой. Для этого необходимо открыть все запорные вентили, кроме 7.7 и 7.16. Система заполняется сама под действием давления сетевой воды. Заполнение водой происходит небыстро, поскольку вначале должен заполнится бойлер на 100 л. По мере заполнения периодически необходимо открывать вентиль 7.16 для выпуска вытесняемого воздуха. После того как из открытого вентиля 7.16 пойдет вода, его необходимо перекрыть и зафиксировать чем-нибудь в перекрытом состоянии во избежание его случайного открытия. Далее нужно стравить воздух из всех радиаторов отопления и полотенцесушителя с помощью кранов Маевского (на схеме не показаны). Во время заполнения можно включить газовую колонку, чтобы заполнение шло уже подогретой водой.
-
Слив воды из системы. Для слива воды из контура ГВС и отопления нужно перекрыть вентиль 7.6, открыть вентиль 7.16 и 7.7 (остальные вентили в контуре тоже должны быть открыты). К вентилям 7.16 и 7.7 удобно подсоединить подходящего диаметра резиновый шланг. Шланг из вентиля 7.16 нужно опустить в подходящую емкость для воды или в канализацию. К шлангу из вентиля 7.7 можно подключить воздушный насос. Я использую автомобильный электрический насос для подкачки шин. Давлением воздуха, создаваемым этим насосом система «продувается» от воды. Вода удаляется отовсюду кроме бойлера. Для его опустошения необходимо выкрутить обратный клапан, совмещенный с предохранительным, установленный на входе в бойлер, и слить воду отдельно из бойлера.
-
Обслуживание и ремонт. Для возможности обслуживания отдельных элементов системы предусмотрено большое количество запорной арматуры. Для обслуживания контура ХВС необходимо перекрыть главные запорные вентили, вентиль 7.6 и стравить давление, открыв любой кран водоразбора ХВС. При этом, контур отопления продолжает функционировать независимо. Для обслуживания водонагревателей нужно перекрыть вентили 7.6, 7.9, 7.13, 7.14, 7.15 и стравить давление через вентиль 7.7. При этом изолируются ветки отопления и водоразбора ГВС, нет необходимости их потом перезаправлять и стравливать воздух. Каждую ветку отопления можно индивидуально изолировать перекрыв вентили 15.1 и 7.14 или 15.2 и 7.15 без остановки работы всей остальной системы.
-
Промывка. Для промывки радиаторов, например, первой ветки необходимо перекрыть вторую ветку и байпас и открыть кран 7.16. Шланг из вентиля 7.16 нужно опустить в подходящую емкость для воды или в канализацию. Перекрыв первую ветку и открыв вторую аналогичным образом промывается вторая ветка радиаторов. Эту процедуру не стоит делать слишком часто, так как на это расходуется нагретая вода.
-
Восстановление воздушной подушки. Как выше уже было указано, в системе отсутствует расширительный бачок, призванный сгладить колебания давления при расширении нагреваемой воды. Его роль выполняет пустое пространство над поверхностью воды в бойлере. Выходная трубка бойлера сделана таким образом, чтобы уровень воды не доходил до самого верха. Как известно, в воде растворен воздух. При нагреве он высвобождается из воды. Возможен и обратный процесс – при охлаждении воздух растворяется в воде и уносится ее потоком. Также, большая часть воздуха над поверхностью воды представляет собой насыщенный водяной пар, который при охлаждении конденсируется. Если допустить несколько циклов расхолаживания системы, воздушная подушка в бойлере может существенно уменьшится. Это приведет к тому, что при каждом нагреве воды будет сильно возрастать давление, излишек которого будет стравливаться через специально предусмотренный для этого предохранительный клапан. Чтобы вода из клапана не лилась на пол, на выходное отверстие клапана необходимо надеть силиконовую трубочку, конец которой можно вывести в подходящую емкость или в канализацию. Но предпочтительнее, конечно, восстановить воздушную подушку в бойлере. Для этого нужно перекрыть вентили 7.6, 7.8, 7.13, 7.14, 7.15, открыть любой из кранов водоразбора ГВС и продуть эту часть контура сжатым воздухом через вентиль 7.7 с помощью автомобильного насоса как при полной продувке системы. После продувки перекрыть вентиль 7.7 и открыть 7.6 чтобы обратно заполнить все водой. После проделанной процедуры вернуть все вентили в рабочее состояние и запустить систему.
-
Замена фильтрующих элементов. Чтобы заменить фильтрующие элементы входных фильтров холодной воды, нужно перекрыть оба входных вентиля 1.1 и 1.2 и стравить давление, открыв любой кран ХВС. То же самое необходимо сделать для добавления кристаллов полифосфатов в фильтры-умягчители для СМА и контура с горячей водой. Для замены фильтрующего элемента в контуре ГВС необходимо остановить циркуляцию, выключив систему, перекрыть вентили 7.6, 7.9, 7.13, 7.14, 7.15 и стравить давление вентилем 7.7. После замены фильтра можно дополнительно промыть систему согласно п. 4. После проделанной процедуры вернуть все вентили в рабочее состояние и запустить систему.
Теперь подробнее рассмотрим систему управления. Вообще, для включения колонки, как я уже писал, достаточно обеспечить циркуляцию воды и щелкнуть микропереключателем. Для этого достаточно простого термостата за 1,5-2 $ или даже термовыключателя на 60 градусов, например типа такого:

Термовыключатель. Фото из интернета
Все они будут включать нагрев если температура меньше установленной и выключать нагрев при ее превышении. Бак-накопитель (бойлер) обеспечит аккумулирование этой воды, сглаживание колебаний ее температуры и некоторую тепловую инерцию чтобы колонка не включалась-выключалась слишком часто (хотя это, по сути, ее нормальный, штатный режим работы). Таким образом, в циркуляционном контуре температура воды всегда будет примерно одинаковой.
Однако современные газовые колонки могут оснащаться дополнительными системами защиты и одна из них – реле времени. Колонка сама отключает подачу газа и нагрев если включена более определенного количества времени (примерно 20-30 минут). Это защита от перерасхода газа если, например, забыли выключить воду или оставили открытым кран при отключении воды в доме. В этом случае при возобновлении подачи воды колонка проработает полчаса и сама отключится. Для ее повторного включения необходимо выключить и снова включить микропереключатель. Эта защита может помешать работе, если, например, колонка не успевает за отведенный временной интервал нагреть воду до заданной температуры (например, в холодное время года). Можно, конечно, поискать и более старую колонку без этих наворотов, но, поскольку раз мы все равно делаем автоматизацию, эту задачу можно легко повесить на систему управления. Кроме обхода защиты колонки, система управления будет заниматься и другими вещами. Можно, например, реализовать различные режимы экономии – отключать или уменьшать нагрев ночью, когда все спят и днем, когда все на работе. Также можно добавить зависимость температуры нагрева от температуры наружного воздуха, чтобы не регулировать это каждый раз вручную.
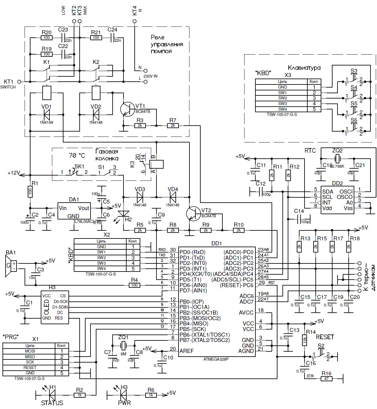
В результате получилась следующая схема.

Схема электрическая принципиальная
В качестве управляющего микроконтроллера использована микросхема ATmega328P, установленная на плате китайского аналога Arduino Nano.
К микроконтроллеру подключены:
- 4 аналоговых датчика температуры LM335 (температура входящей воды, температура уходящей воды, температура наружного воздуха (опционально), температура воздуха в помещении (опционально));
- OLED дисплей для индикации параметров и меню настройки;
- клавиатура с 4 кнопками для навигации по меню настройки;
- часы реального времени на микросхеме DS1307Z;
- звуковой излучатель;
- реле управления.

LM335. Краткое описание из интернета
Аналоговые датчики температуры LM335 выбраны из-за их доступности и простоты программирования. Датчики имеют линейную зависимость от температуры, что существенно упрощает пересчет значений АЦП в температуру по сравнению с NTC датчиками. Подключаются они достаточно просто – всего по двум проводам, по типовой схеме. Рядом с датчиками смонтирован подстроечный резистор для точной подгонки их показаний. Термодатчики LM335 выпускаются в пластиковом корпусе ТО-92. Этот корпус не очень хорошо приспособлен для того, чтобы обеспечивать хороший тепловой контакт с трубками нагревателя. Я его прикрепил пластиковыми стяжками плоской частью корпуса датчика прямо к медной части трубки (входной и выходной) радиатора. На медную трубку в точку контакта я предварительно нанес каплю термопасты КПТ-8.

Термоизоляция датчика
Место установки также необходимо термоизолировать от окружающей среды куском трубчатого вспененного материала как на фото. Это нужно для того, чтобы датчик не охлаждался наружным воздухом и его показания не уплывали. После этого показания термодатчиков стали примерно совпадать с показаниями встроенного в колонку термометра.

Пробный запуск системы
Датчик температуры наружного воздуха смонтирован на конце длинного провода и упрятан в термоусадку. Его следует смонтировать за окном таким образом, чтобы на него, по возможности, не попадали осадки и прямые солнечные лучи. Я его закрепил пластиковыми стяжками под водоотливным козырьком.

Наружный датчик температуры
Реле включения колонки запитано через термопредохранитель и штатный микропереключатель газовой колонки. Таким образом, реле аппаратно отключается при прекращении протока теплоносителя через колонку или при перегреве этого теплоносителя свыше 70 градусов. Состояние микропереключателя и термопредохранителя считывается микроконтроллером через вход PD5 (PROTECT, Protect Circuit). Термопредохранитель смонтирован на выходной трубе радиатора рядом с таким же штатным термопредохранителем самой колонки.

Место установки штатного термопредохранителя. Дополнительный крепим рядом
Кроме реле включения колонки опционально предусмотрены еще 2 реле управления помпой. Приобретенная мной помпа имеет переключатель скорости циркуляции на 3 положения – малая, средняя и большая. После сборки системы и ее опробации оказалось, что малой скорости циркуляции недостаточно для включении колонки, средней хватает едва-едва, а вот на большой — колонка стабильно включается. Таким образом, при включении колонки необходима работа помпы на максимальной скорости. При выключенной колонке можно переключить помпу в режим малой или средней скорости циркуляции, для поддержания температуры в контуре этого будет достаточно. Также помпу можно будет вообще периодически выключать, например, в режиме дневной экономии, поскольку днем обычно температура выше и нет необходимости циркуляции теплоносителя через батареи отопления. Вообще же, достаточно с помощью реле управлять только помпой, переключая ее с максимальной скорости на минимальную, без вмешательства в электрическую схему колонки. От изменения скорости протока колонка будет сама включаться и выключаться как в штатном режиме. Однако, для безопасности было решено еще дополнительно размыкать цепь микропереключателем газовой колонки, поэтому и были предусмотрены отдельные реле. Это поможет, например, если механический газовый клапан залипает в открытом положении, в этом случае система прекратит подачу газа электрическим клапаном.

Схема подключения трехскоростной помпы
Помпа имеет следующую схему. Ее двигатель имеет 3 обмотки. Цифрами около обмоток обозначены номера контактов внутреннего разъема. Переключателем меняется соотношение между количеством витков в рабочей обмотке L1 и пусковой (L2 + L3). Первое реле просто включает помпу. Второе реле переключает ее производительность – с маленькой на максимальную. Второе реле включено параллельно реле включения колонки.

Доработка схемы помпы. Подпаиваем провода прямо к контактам
Переключение между маленькой скоростью вращения и средней производится клавишным переключателем S1 (на схеме помпы), смонтированном на самой помпе вместо удаленного поворотного. Контакты реле зашунтированы снабберными цепями для продления их срока службы. Сами реле необходимо выбирать с запасом, на коммутируемый ток 6-10 А.
Часы реального времени собраны на микросхеме DS1307 с отдельным источником питания в виде литиевой батарейки на 3 вольта. Часы подключены к микроконтроллеру по шине I2C. В этой же микросхеме имеется некоторое количество ячеек ОЗУ для хранения параметров настройки, например, таких как уставки температуры и гистерезиса срабатывания. Плата часов была немного доработана. Удалены диод D1, резисторы R4, R5. Вместо R6 установлен удаленный R5 на 200 Ом. Удалена микросхема памяти U3 за ненадобностью. Конденсаторы С1 и С2 заменены на 100 нФ.

Примерная схема модуля Tiny RTC (схема из интернета)
Почти вся схема собрана на основе готовых покупных модулей – OLED экран 0,96” 128x64 с интерфейсом SPI, модуль Arduino Nano с микроконтроллером ATmega328P и необходимой обвязкой, модуль часов реального времени Tiny RTC с батарейкой резервного питания, пленочная клавиатура на 4 кнопки с клеевым слоем. Все упомянутые модули стоят недорого и легко доступны на Aliexpress. Указанные модули необходимо соединить проводами, добавив лишь только цепи управления и реле, несколько резисторов, конденсаторов и звуковой излучатель (использован со встроенным генератором – для упрощения схемы и ПО). Забегая вперед, хочу предупредить, что использованный модуль с микроконтроллером ATmega328P обладает просто потрясающей чувствительностью к помехам. В чем причина этого – я так до конца не понял. Может быть, виновата разводка печатной платы модуля, может быть применена плохая китайская копия микроконтроллера ATmega328P. Микроконтроллер поначалу даже отказался нормально работать с блоком питания, постоянно глючил и зависал, пока я не поставил в блок питания дополнительные конденсаторы по питанию. Также микроконтроллер глючит от наводок, создаваемых системой электроподжига колонки. Поэтому при повторении конструкции не стоит экономить на фильтрующих и блокирующих конденсаторах, а всю конструкцию желательно поместить в металлический кожух, соединенный с общим проводом и землей.
Вся схема питается от стабилизированного импульсного источника питания 12 В, в качестве которого использован переделанный (снижено выходное напряжение с 24 до 12 В) блок питания от вышедшего из строя принтера. Плата сетевого блока питания и реле управления помпой смонтированы в отдельной пластиковой коробке, крепящейся сбоку колонки саморезами.

Сетевой источник питания и реле управления помпой
Низковольтная часть смонтирована на небольшой макетной плате. Экранчик и модуль RTC крепятся на стандартных монтажных стойках.

Монтаж платы, экранчика и модуля RTC
Вся сборка целиком помещена в подходящий пластиковый корпус и закреплена внизу колонки. Самоклеящаяся клавиатура наклеена на корпус колонки в подходящем месте.

Установка модуля управления
Окончательный вид в собранном состоянии:

ПО доступно на GitHub. Первая версия обеспечивает базовую функцию управления температурой, всякие режимы экономии будут добавляться позже по мере необходимости.
ПО выполняет следующие функции:
- Инициализация периферии.
- Обработка аналоговых датчиков температуры.
- Опрос клавиатуры, вход и выход из режима меню (установки параметров).
- Чтение информации из часов реального времени и ОЗУ, запись информации в часы и ОЗУ.
- Подготовка и вывод информации на дисплей.
- Реализация функции управления реле в зависимости от температуры.
Работа пользователя с кнопками сделана аналогично подобным решениям в другой технике. Две кнопки отвечают за изменение выбранного параметра вверх или вниз. Еще одна кнопка (M — menu) служит для входа в режим изменения параметров (длительное нажатие) и для переключения между корректируемыми величинами (короткое нажатие). Последняя кнопка – выход из меню (E — exit). При выходе из меню все измененные параметры сохраняются в оперативной памяти микросхемы RTC. Также кратковременное нажатие любой кнопки приводит к выходу из режима гашения экрана.
Дисплей отображает только одну страницу, куда одновременно выводятся как текущие состояния датчиков температуры, так и уставки и настройки даты и времени. OLED дисплеи склонны к выгоранию, поэтому, по истечению некоторого времени и отсутствии нажатий кнопок, экран гаснет для экономии его ресурса.

Информация на дисплее
В строке состояния программа отображает текущее состояние конечного автомата, процент тепловой нагрузки, код ошибки, дату и время.
Состояний у конечного автомата 5: 0 – выключено (OFF), 1 – ожидание (STOP), 2 – розжиг (START), 3 – нагрев (HEAT), 3 – ошибка (ERROR).
Состояние 0: все выключено. Чтобы перейти из этого состояния должны быть исправны хотя бы 2 основных датчика температуры (входной и выходной воды) и микросхема RTC, где хранятся уставки температуры. Исправность датчиков температуры контролируется по напряжению, оно должно быть в определенных пределах. Если напряжение близко к 5 вольтам, значит датчик не подключен или в цепи обрыв (на экране отображается как NC – Not Connected). Если напряжение велико, что соответствует температуре выше 100 градусов (такие температуры теоретически возможны, но при нормальной работе недостижимы), то такое состояние обозначается как OH – Over Heat. Если температура находится в диапазоне от минус 40 до 99 градусов, она отображается в числовом виде (со знаком «минус» в случае отрицательных температур). При этом выставляется лог. 1 в соответствующем бите регистра temp_valid.
Условием для перехода в следующее состояние является температура на входе не ниже TEMP_MIN, которая выбрана в районе 5 градусов. Если температура ниже этого значения, возможно перемерзание трубопроводов и отсутствие циркуляции. Запуск нагрева в этом состоянии нежелателен.
Если температура на датчике меньше минус 40 градусов, такое состояние отображается символами OC – Over Cold. И, наконец, если напряжение с датчика близко к нулю, это может говорить о коротком замыкании датчика (или обрыве подтягивающего резистора). Это состояние отображается как SC – Short Circuit.
Исправность микросхемы RTC и отсутствие проблем с обменом по интерфейсу I2C контролируется отсутствием превышения таймаута ожидания приема следующего байта. В случае срабатывания хотя бы одного таймаута, устанавливается соответствующий бит в регистре ошибок. Валидность данных в ОЗУ контролируется простым дублированием. Если обе копии этих данных совпадают, делается вывод что проблем нет. В противном случае выставляется тот же бит ошибки I2C в регистре ошибок. При наличии этого бита в состоянии 0, переход в следующее состояние не происходит. При возникновении неисправности в других состояниях происходит переход в состояние 4 (ошибка). Если эта ошибка возникает кратковременно (например, из-за помехи), в расчетах используется предварительно сохраненное значение уставок, которые были считаны безошибочно ранее.
Состояние 1: ожидание. Циркуляция включена на медленной скорости, колонка выключена. При отсутствии ошибок, в этом состоянии осуществляется контроль текущей входной температуры. Если она ниже чем [уставка минус гистерезис] происходит переход в состояние 2 (розжиг). При возникновении ошибок происходит переход либо в состояние 0 либо 4, в зависимости от «тяжести» ошибки.
Состояние 2: розжиг. Включены реле колонки и циркуляция на максимальной скорости. В этом состоянии делается до трех попыток розжига. Положительным результатом розжига является нагрев теплоносителя на величину не менее MIN_DIFF_TEMP. Если за 3 попытки разжечь колонку не получается, происходит переход в состояние ошибки 4 и устанавливается бит ошибки FLAME_ERR. Также в этом состоянии контролируется цепь защиты и другие ошибки. Цепь защиты и нагрев начинают контролироваться после выдержки некоторой паузы.
Состояние 3: нагрев. Включены и нагрев и циркуляция на максимальной скорости. В этом состоянии контролируется достижение целевой температуры [уставка плюс гистерезис], максимальная температура на выходе, разница температур между входом и выходом (как максимум, так и минимум), срабатывание защиты от перегрева или отсутствия циркуляции и контроль прочих ошибок. Из этого состояния происходит переход либо в состояние 1 либо 4, в зависимости от «тяжести» ошибки.
Состояние 4: ошибка. Включается непрерывный звуковой сигнал. Переход в это состояние происходит при возникновении ошибок, требующих ручного разрешения или внимания оператора. Программно выйти из этого состояния невозможно, требуется аппаратная перезагрузка. Для этого используется кнопочка сброса, смонтированная на плате ардуины. В этом режиме выключен нагрев, но оставлена циркуляция. Код возникшей ошибки фиксируется на дисплее.
Переход из одного состояния в другое осуществляется с временной задержкой в несколько десятков секунд. Это сделано для того, чтобы предотвратить частые прыжки из режима в режим, а также для обеспечения паузы на устаканивание тепловых параметров после такого перехода. Составные части колонки обладают тепловой инерцией, на время этой инерции и сделана задержка.
Процент тепловой нагрузки отображает отношение времени работы к общему времени простоя и работы. Если этот процент становится достаточно высоким, это говорит о том, что колонка не справляется с тепловой нагрузкой и необходимо или увеличить подачу газа или уменьшить заданную целевую температуру. Параметр вычисляется как скользящее среднее значение за последние сутки. Реализовано с помощью двух счетчиков. Один инкрементируется во время работы, второй – во время простоя. Если их сумма превышает заданный порог, из первого счетчика вычитается рассчитанный процент, из второго – [100 минус рассчитанный процент].
В процессе работы устройства могут возникать ошибки или недопустимые состояния. Их правильная обработка – важнейшее условие безопасности и надежной работы. Каждой ошибке или недопустимому состоянию соответствует бит в регистре ошибок.
Регистр ошибок имеет следующие биты:
| Бит | Мнемоника | Описание | Условия |
|---|---|---|---|
| 0 | TO, Time Out | Отсутствие нагрева, сработал таймаут колонки. Разница температур входной и выходной воды меньше допустимого предела MIN_DIFF_TEMP. | Состояние 0 – не контролируется, Состояние 1 – не контролируется, Состояние 2 – не контролируется, Состояние 3 – пауза – Состояние 1 |
| 1 | IE, I2C Error | Ошибка обмена по интерфейсу I2C. Если ошибка единичная, произошла во время работы, то используются ранее сохраненные данные. Также эта ошибка возникает если ни разу не были заданы уставки температуры и гистерезиса. Сработал таймаут приема очередного байта или не совпали копии данных в ОЗУ. | Состояние 0 – Состояние 0, Состояние 1 – Состояние 0, Состояние 2 – не контролируется, Состояние 3 – не контролируется |
| 2 | FE, Flame Error | Отсутствие нагрева после розжига, делается 3 попытки. Разница температур входной и выходной воды меньше допустимого предела MIN_DIFF_TEMP. | Состояние 0 – не контролируется, Состояние 1 – не контролируется, Состояние 2 – пауза – Состояние 4, Состояние 3 – не контролируется |
| 3 | OH, Over Heat | Слишком горячая вода на выходе. Температура воды на выходе выше максимально допустимой MAX_OUT_TEMP | Состояние 0 – не контролируется, Состояние 1 – Состояние 1, Состояние 2 – Состояние 1, Состояние 3 – Состояние 1 |
| 4 | CW, Cold Water | Слишком холодная вода на входе, возможно перемерзание трубопроводов. Температура воды на входе меньше минимально допустимой MIN_INP_TEMP. | Состояние 0 – Состояние 0, Состояние 1 – Состояние 0, Состояние 2 – не контролируется, Состояние 3 – не контролируется |
| 5 | CE, Circulation Error | Недостаточная циркуляция (забит фильтр или прикрыт вентиль байпаса). Разница температур входной и выходной воды превышает допустимый предел MAX_DIFF_TEMP. | Состояние 0 – не контролируется, Состояние 1 – Состояние 4, Состояние 2 – Состояние 4, Состояние 3 – Состояние 4 |
| 6 | SE, Sensor Error | Ошибка датчиков температуры входной или выходной воды. Напряжение на датчиках вне диапазона минус 40 – 99 градусов. | Состояние 0 – Состояние 0, Состояние 1 – Состояние 0, Состояние 2 – Состояние 4, Состояние 3 – Состояние 4 |
| 7 | PC, Protection Circuit | Размыкание цепи защиты: 1. Отсутствие циркуляции, 2. Перегрев >70 градусов. Лог. 0 на входе 5 (PD5). | Состояние 0 – должно быть 0 (ничего не делается), Состояние 1 – должно быть 0 (ничего не делается), Состояние 2 – пауза – Состояние 4, Состояние 3 – пауза – Состояние 4 |
Регистр ошибок непосредственно отображается на дисплее двухразрядным шестнадцатиричным кодом. Еще в один разряд выводится содержимое регистра MCUSR. Биты этого регистра указывают причину последней перезагрузки – вотчдог таймер, кнопка сброса или питание.
В процессе эксплуатации был обнаружен интересный эффект. Температура воды в системе стабилизируется по температуре «обратки». В теплое время температура обратки равна температуре ГВС благодаря байпасу. При включенных контурах отопления температура обратки равна температуре на выходе батарей отопления, иными словами, в этом случае приоритетнее стабилизируется температура в помещении. После того как стены помещения прогрелись, температура в нем становится практически постоянной из-за высокой теплоемкости бетонной коробки. Поскольку помпа стоит на входе колонки и при работе ощутимо нагревается, она также подогревает на 1-2 градуса и обратку. Температура обратки отопления намного ниже температуры обратки ГВС и, благодаря прогретому помещению, весьма стабильна. Поэтому эти 1-2 градуса оказывают существенное влияние. Это приводит к тому, что колонка может очень долго не включаться на подогрев, постепенно расходуя тепло, запасенное в бойлере. И включается лишь тогда, когда вода в бойлере остынет настолько сильно, чтобы побороть эти 1-2 градуса, добавляемые помпой. Правильное решение данной проблемы состоит в переносе датчика температуры на выход бойлера. Это не проблема, если бойлер стоит рядом с газовой колонкой. Но в моем случае они разнесены достаточно далеко и протянуть провод составляет проблему. Поэтому я перенес датчик температуры на металлический тройник, расположенный перед фильтром до помпы и дополнительно добавил в алгоритм автоматическое включение по таймауту. Колонка включается по истечении примерно 30 минут после выключения, вне зависимости от того, был ли достигнут нижний предел температуры или нет.

Окончательное место установки датчика. После фильтра, до помпы
Однако после этого вылез другой эффект. При открытии крана горячей воды в контур начинает поступать ледяная вода из водопровода. Температура входящей воды резко падает. При выключении горячей воды, поступление холодной в контур прекращается и температура также быстро повышается до температуры обратки. При этом температура на выходе из колонки не изменяется – ведь ей требуется успеть нагреть весь тот объем воды, что был в фильтре, трубах и самой колонке. Температура входной воды быстро догоняет температуру выходной и контроллер отключает колонку думая, что в той сработал таймаут по времени работы. После этого контроллер запускает колонку, но нагреть воду хотя бы на минимальную разницу колонка снова не успевает. И только со второй попытки, когда помпа успеет прокачать теплую воду через колонку, она запускается. Чтобы побороть этот эффект пришлось снова переносить точку установки термодатчика – после фильтра, но до помпы. Там было не такое удобное место для монтажа датчика, но таки получилось его надежно закрепить. В противном случае пришлось бы использовать еще один отдельный датчик температуры входной воды – по одному из них контролировать наличие нагрева теплоносителя, по другому – целевую температуру. В общем, правильная точка установки датчика — весьма критичный параметр для работы системы.
Катодная защита.
При выборе радиаторов отопления и полотенцесушителя я решил сэкономить и отдал свое предпочтение недорогим стальным изделиям белорусского производства. Я предполагал, что сталь в контакте с водой и растворенным в ней воздухом будет понемногу ржаветь и заранее предусмотрел фильтр в циркуляционном контуре для фильтрации результатов этого ржавления. Все таки фильтр стоит намного дешевле чем разница в цене между стальными и алюминиевыми радиаторами.

Забитый ржавчиной фильтр
Однако реальность оказалась куда менее оптимистичной. Темпы образования ржавчины оказались такие, что 10-дюймовый фильтр забивался полностью уже через неделю (при включенных контурах отопления). При этом ухудшается проток воды, увеличивается разница между температурой входной и выходной воды, помпа даже на максимальном режиме не может обеспечить минимальный проток воды, необходимый для стабильного включения колонки.
Некоторое время я искал решение. Замена всех (и так недешевых) радиаторов на еще более дорогие алюминиевые с переделкой всех труб подключения выглядело плохой перспективой. Изолирование контура отопления от водоснабжения (как это обычно и делается в подобных системах) исключило бы подпитку контура свежей водой со свежим кислородом. Потратив весь доступный кислород на ржавление, оно потом бы существенно замедлилось (но все равно не остановилось бы полностью, поскольку пластиковые трубы имеют пористость, через которую в циркулирующую воду может попадать кислород из воздуха в небольших количествах). Кроме того, реализация подобной системы потребовала бы замены электрического накопительного бака на бак с косвенным подогревом горячей воды внешним теплоносителем. Такие баки редки и недешевы. Да и сильно переделывать систему не хотелось.
Поэтому я решил попробовать катодную (электрохимическую) защиту от ржавления. Катодная защита — это электрохимическая защита от коррозии, основанная на наложении отрицательного потенциала на защищаемую деталь. Сдвиг потенциала защищаемого металлического объекта осуществляется с помощью внешнего источника постоянного тока (станции катодной защиты) или же соединением с протекторным анодом, изготовленным из металла, более электроотрицательного относительно защищаемого объекта. При этом поверхность защищаемой детали становится эквипотенциальной и на всех её участках протекает только катодный процесс. Обусловливающий коррозию анодный процесс перенесён на вспомогательный, жертвенный электрод.
В бойлерах, например, широко применяют пассивную электрохимическую защиту — магниевый анод. Магний в ряду электроотрицательности металлов находится левее алюминия, железа, никеля, меди, то есть всех тех металлов, которые преимущественно используют в системах водоснабжения и отопления. Постепенно корродируя, магний защищает от коррозии сам бойлер и соседнюю с ним арматуру.
Судя по интенсивности ржавления, мой недорогой бойлер не был оборудован таким защитным анодом или же эта защита просто не работала.
Однако, магниевый анод недешев и его замена может обойтись в существенную часть цены нового бойлера.
Есть более дешевые и доступные материалы. Я решил остановиться на меди. Медь находится правее почти всех защищаемых металлов, поэтому чтобы защита работала на нее необходимо подать положительный потенциал. Кроме всего прочего, образующиеся при этом ионы и оксиды меди обладают биоцидным эффектом, обеззараживая воду от микроорганизмов.
Если, однако, сдвиг защитного потенциала в отрицательную сторону превысит определённое значение, возможна так называемая перезащита, которая может привести к выделению водорода, изменением состава приэлектродного слоя и другим явлениям.
Чтобы объединить все подлежащие защите поверхности в одну эквипотенциальную – проще всего соединить их проводом заземления. Заземление есть в каждой розетке и в каждой комнате. По заземлению не протекают большие токи и его потенциал везде примерно одинаков. Проводником электричества от анода будет сама циркулирующая вода. Анод был выполнен в виде несколько раз сложенного одножильного медного провода без изоляции.

Медный электрод
Провод герметично впаян в стандартную латунную пробку с водопроводной резьбой ½. Пробка вставлена в кусок пластиковой трубы, присоединенной к водяному контуру. Трубу следует расположить так, чтобы она автоматически заполнялась водой и в ней не образовывались воздушные пробки. Также длину трубы и находящегося в ней провода следует выбрать такой, чтобы электрод не касался других металлических деталей, иначе последние тоже начнут работать анодами и будут корродировать.

Общий вид инжектора
Питание защиты вначале осуществлялось от регулируемого лабораторного источника питания. Это позволяет в первое время подобрать оптимальный режим работы, затем источник питания можно будет заменить на фиксированный.
Вначале напряжение источника питания было выставлено около 5 В чтобы заведомо перекрыть электрохимическую разницу потенциалов между медью и сталью, а также чтобы скомпенсировать падение напряжения в наиболее удаленной от анода точке водопровода. Ток в цепи при этом получился порядка нескольких сотен мкА. После этого напряжение было увеличено сначала до 15, а потом и до 30 В. Однако, катодная защита не очень помогла. Какой либо существенный, видимый глазом результат заметить не получилось (кроме окисления кончика электрода).

Окислы на электродах
Связано это, прежде всего с тем, что водопроводная вода, несмотря на содержание солей, обладает плохой электропроводностью и даже до рядом расположенного радиатора из поданных 30 В доходят лишь единицы вольт. Видимо, чтобы эффект был сильнее, необходимо устанавливать электроды катодной защиты непосредственно около каждого радиатора (например, в один из незадействованных входов).
Однако, небольшой эффект все же был получен – благодаря объединению всех компонентов системы в эквипотенциальную поверхность, стальные радиаторы перестали быть для медного теплообменника жертвенными анодами и их ржавление таки немного замедлилось. Фильтра в контуре циркуляции стало хватать не менее чем на месяц. В общем, этот аспект еще требует своего внимания.

Температура в наименее холодной комнате — столовой
На данный момент, в отопительный сезон, система вполне исправно функционирует. Температура «подачи» находится в районе 55-60 градусов, «обратки» — 30-33 градуса. Дельта температуры составляет 25-27 градусов. В таком режиме колонка работает на небольшой мощности, гораздо меньшей, чем при нагреве сетевой воды в штатном режиме. Если добавить подачу газа, то температура подачи растет, но также появляется неприятный свист или сипение, как при закипании воды. При температуре на улице минус 5 (ночью)...0 (днем) рассчитанная контроллером тепловая нагрузка колонки находится в районе 80%, температура в жилых комнатах — около 20-21 градуса, в нежилых – 19-20 градусов. Низкая температура в помещении отчасти связана с высокими теплопотерями дома (построенного по проекту для южных широт) и низким качеством изготовления и установки окон.

Температура в жилой комнате
Относительно низкая рабочая температура системы (не более 60 градусов) обеспечивает более высокий коэффициент использования температуры топлива и, соответственно, некоторую его экономию. Несмотря на сифонящие окна и плохое утепление квартиры площадью 85 м2, расход газа на отопление и ГВС составил всего 236 м3 в декабре месяце.
Изначально планировалось реализовать различные режимы экономии. Но, как показала практика, в них нет особой необходимости. Они получаются автоматически. Дело в том, что при частом пользовании горячей водой в контур постоянно попадает холодная вода из водопровода, вынуждая колонку чаще включаться. При этом температура «догоняется» ближе к верхнему порогу. В дневное или ночное время, когда водой никто не пользуется, колонка включается значительно реже — только по таймауту или же при остывании воды ниже нижнего порога. При этом, температура воды держится в районе нижнего порога. Также уменьшается и рассчитанный процент тепловой нагрузки.
Был только реализован режим коррекции целевой температуры в зависимости от уличной температуры. Режим включается автоматически при подключении датчика наружной температуры. Степень коррекции задается двумя параметрами — пороговой температурой (THRESHOLD_TEMP) и величиной шага коррекции (STEP_CORR_TEMP). При уменьшении наружной температуры ниже пороговой, на каждую величину шага начинает добавляться один дополнительный градус к уставке. Например, при величине пороговой температуры в 10 градусов и величине шага 3 градуса, при наружной температуре ниже 7 градусов, к уставке добавится 1 дополнительный градус, ниже 4 градусов — 2 градуса, ниже 1 градуса — добавится 3 градуса, и так далее. Такая схема позволит уменьшить суточные колебания температуры из-за изменения температуры наружного воздуха, а также снимет необходимость постоянно регулировать температуру в зависимости от погоды на улице. Однако, этот режим снивелирует эффект ночной экономии, поскольку ночью обычно температура ниже чем днем, что заставит колонку сильнее греть воду.
Предупреждение.
Эксплуатация газового оборудования требует соблюдения определенных мер безопасности, с которыми можно ознакомиться, например, в инструкции к газовой колонке. Главные из них – обязательный и постоянный контроль наличия тяги (если нет принудительной вытяжки) и отсутствия утечек газа. Для постоянного контроля крайне желательно приобрести специальный извещатель, контролирующий содержание молекул СО и газа в воздухе.
В статье описана доработка газовой колонки фактически до функции газового котла.
Не повторяйте конструкцию, описанную в статье, если вы до конца не понимаете и не осознаете риск, связанный с вмешательством в работу газовых приборов.
Не повторяйте конструкцию, описанную в статье, если в вашей стране действуют особые правила или ограничения на самостоятельный ремонт или модернизацию газового оборудования.
В этом случае имеет смысл сразу приобрести готовый одноконтурный газовый котел и доверить его установку сертифицированному мастеру. Схема водоснабжения может остаться той же. Из схемы необходимо будет только исключить помпу – она уже есть в составе котла. Или же использовать управление колонкой только включением-выключением помпы. В этом случае лезть внутрь колонки не потребуется (датчики температуры можно будет установить непосредственно на металлических фитингах подачи воды).
Заранее предвижу первый комментарий:
- А не еб@нет?
Не должно. Если газовая колонка исправна, а ее монтаж выполнен правильно и по инструкции, проблем не будет. Глубокого вмешательства в устройство колонки и ее штатные цепи защиты – от погасания пламени, перегрева, отсутствия тяги, отсутствия протока воды — не происходит. Наоборот, добавляется еще один дополнительный элемент защиты в цепь микропереключателя включения колонки. Аппаратный датчик перегрева выше 70 градусов и микропереключатель разорвут цепь, даже если контроллер зависнет или его реле управления залипнет или не будет протока теплоносителя. Также контроллер может спокойно отработать другую частую неисправность колонки – залипание механического клапана в открытом положении. В этом случае при достижении целевой температуры контроллер просто отключит нагрев электрическим клапаном. Наличие накопительного бака позволяет колонке работать в значительно более лайтовом режиме, поскольку не требуется нагрев воды сразу до высокой температуры в реалтайме.
Автор: zatim
