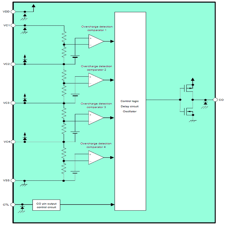
Компания SII Semiconductor, являющаяся дочерним предприятием Seiko Instruments, представила серию микросхем S-8224A/B. Эти микросхемы предназначены для цепей вторичной защиты литий-ионных аккумуляторных батарей с числом ячеек от двух до четырех. Они имеют рекордно низкое энергопотребление. Потребляемый ток SII S-8224A/B равен 0,25 мкА, что на порядок ниже, чем у аналогичных изделий.
Литий-ионные батареи нуждаются в защите от слишком сильной зарядки, от слишком сильной разрядки, перегрузки по току и короткого замыкания. Использование вторичной защиты в дополнение к защите в самих батареях особенно важно с точки зрения предотвращения перегрева и возгорания. По словам производителя, микросхемы SII S-8224A/B дают возможность конструкторам выстроить дополнительный уровень защиты.
Новые микросхемы очень точно определяют состояние перезарядки, измеряя напряжение с точностью ±20 мВ. Еще одним их достоинством являются маленькие размеры — микросхемы выпускаются в корпусах SNT-8A размерами 2,5 x 2,0 x 0,5 мм.
Ожидается, что микросхемы SII S-8224A/B найдут применение в ноутбуках, электроинструментах и других устройствах с батарейным питанием.
Источник: SII
