
В этой статье представлен краткий обзор на специализированные микросхемы мониторинга и защиты для литиевых аккумуляторов. Давайте вместе попробуем разобраться, как максимально эффективно и безопасно использовать эти аккумуляторы в своих устройствах и какие схемы для этого лучше подойдут.
❯ Особенности литиевых аккумуляторов
Наверняка вы видели вздутые батареи, или слышали истории о том, как самовоспламеняются мобильные телефоны и даже электромобили. Интернет просто кишит подобными историями и видосиками по этой теме. Чтобы как-то обезопасить свое устройство от подобного, нужно использовать специализированные схемы защиты — Battery Management System (BMS). Об этом и пойдет речь дальше.

Литиевые аккумуляторы очень не любят глубокий разряд. Для разных типов аккумуляторов этот порог составляет от 2,8В до 2,5В. Но есть такие, которые терпят и до 2,4В. Если регулярно переразряжать аккумулятор, он быстро теряет остаточную ёмкость, снижается количество рабочих циклов.
Также не стоит перезаряжать аккумуляторы. Обычно напряжение ячейки 4,25В и выше является критическим. Если заряд продолжить, электролит будет усиленно разогреваться. В лучшем случае это снизит ресурс аккумулятора, в худшем — будет пожар.
Литиевые аккумуляторы не любят коротких замыканий и превышения рабочего тока, как при разряде, так и при заряде. Хотя характерной особенностью для них является значительное превышение рабочих токов относительно значения номинальной емкости, оно может составлять более шести раз. К примеру, аккумулятор с номинальной емкостью 4000 мА·ч может разряжаться током до 20 А, а заряд будет производиться при токе 6 А. Но, в любом случае, стоит внимательно ознакомиться с техническими характеристиками для каждого конкретного типа аккумулятора.
При экспериментах с литиевыми аккумуляторами всегда держите под рукой специализированный огнетушитель, ведро с песком и металлический совок на длинной ручке. Работы лучше производить на негорючей поверхности и при наличии хорошей вентиляции. При возгорании аккумулятора не стоит пытаться брать его в руки или держать в руках, пламя высокотемпературное и имеет большую высоту. Всегда используйте средства индивидуальной защиты, особенно для глаз!
❯ Микросхемы защиты
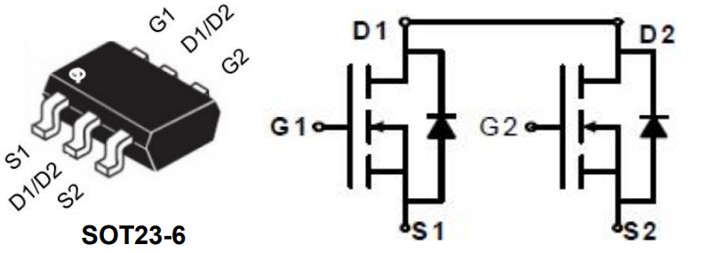
Самая простая и популярная микросхема защиты для литиевых аккумуляторов dw01. Она настолько давно производится, что её можно было встретить еще в кнопочных NOKIA с фонариком. Микросхема выпускается до сих пор и имеет разные модификации. На алиэкспресс можно купить готовую плату на dw01 буквально за копейки и установить в свою схему.

Микросхема dw01 представляет собой набор компараторов и источников опорного напряжения для управления внешними транзисторными ключами. Это позволяет защитить аккумулятор от перезаряда, переразряда, превышения тока потребления и даже от короткого замыкания.

Все это помещено в компактный корпус SOT23 и почти не требует внешних компонентов. Плата за все это — отсутствие возможности как-то влиять на рабочие параметры схемы защиты. Пороги отключения и интервалы времени жёстко определены производителем.
Внимательно смотрите на индексы после основного наименования микросхемы, именно от этих циферок будут зависеть параметры отключения.

Элементы схемы R1, C1 выполняют функции входного фильтра по питанию микросхемы. Резистор R2 необходим для защиты от перенапряжения входа измерения тока CS при подключении зарядного устройства. Транзистор М1 отвечает за отключение зарядного тока, а М2 — за разряд аккумулятора.
Удобной особенностью dw01 является то, что она не требует установки отдельного шунтирующего резистора для измерения тока. Измерение производится по падению напряжения на открытых каналах полевых транзисторов. Это нужно учитывать при проектировании схемы. Ток отключения будет зависеть от параметров конкретного транзистора и их количества. Обычно, для установки порогового тока подбирают необходимое количество параллельных транзисторов или транзистор с необходимым сопротивлением открытого канала Rds.
Но нужно учитывать, что сопротивление открытого канала зависит от напряжения между затвором и истоком транзистора. То есть по мере разряда аккумулятора напряжения на выводах OD и OC DW01 тоже будет снижаться. В следствии этого сопротивление канала транзисторов будет увеличиваться, и порог отключения по току будет снижаться. Но это даже к лучшему, по мере разряда аккумулятор хуже отдает ток. Также на сопротивление канала транзисторов влияет изменение температуры. Конечно, это не самый точный способ измерения тока, величина погрешности может быть весьма ощутимой.
Чаще всего на платах защиты с aliexpress используются транзисторы 8205A. Они выпускаются в разных корпусах, и есть очень удобный вариант готового проходного ключа. Рабочий ток составляет до 6 А при напряжении до 20 В. Сопротивление канала открытого транзистора примерно 0,025 Ом, что позволяет получить порог отключения схемы примерно 3 А. Если подключать транзисторы параллельно, ток будет кратно увеличиваться.

Еще нужно быть готовым к тому, что DW01 имеет достаточно большой разброс нижнего порога отключения для защиты от переразряда, это какие-то немыслимые 300мВ. Но и используется она обычно как защита на крайний случай, как предохранитель, если другие схемы по каким-то причинам не сработали.
И именно из-за таких микросхем в составе аккумулятора не получается включить ваш старый планшет или телефон, который долго где-то валялся. При глубокой просадке аккумулятора напряжения на нем уже недостаточно для управления транзисторными ключами, зарядный и разрядный ключи наглухо закрыты. Разбудить такую батарейку можно только подав зарядный ток напрямую на ее клеммы, разобрав корпус девайса.
У DW01 существует множество аналогов, например SA57608, но все они даже близко не могут конкурировать с ней по стоимости. Интереса ради, посмотрите стоимость DW01 сейчас хотя бы на ЧИП и ДИП.
❯ Монитор состояния АКБ
Texas Instruments
При необходимости более точной оценки состояния аккумулятора можно оснастить свое устройство специализированным монитором. И здесь лидирующие позиции имеет продукция от Texis instruments. Специализированная серия микросхем BQ предназначена для мониторинга за состоянием аккумулятора и предоставляет ещё множество специализированных функций.
В различных mp3 плеерах, смарт браслетах, часах и прочих подобных девайсах можно встретить микросхему bq27542. Она позволяет контролировать состояние одной ячейки литиевой батареи, ее фактическую емкость, температуру, рабочий ток и напряжение. Но функции защиты она сама не выполняет. Эту задачу необходимо решать на стороне управляющего микроконтроллера, на основе полученных параметров батареи устройство само должно определить режим потребления энергии.

Обратите внимание на protecrion IC в схеме. Она не напоминает вам ту самую DW01? В остальном, для работы bq27542 необходим отдельный измерительный шунт для определения величины рабочего тока и NTC резистор на 10 кОм для измерения температуры. Минимальная величина шунта не должна быть ниже 5 мОм, а лучше 10 мОм, при меньших значениях производитель не гарантирует стабильность измерения тока.
Конечно же у Texas Instruments есть мониторы со встроенными функциями защиты. Есть мониторы, позволяющие работать с несколькими последовательно включенными ячейками. Есть мониторы для высоковольтных батарей и много еще чего другого по данной тематике тоже есть. Основная проблема всего этого многообразия чипов — достаточно слабая информационная поддержка. Есть даташит эдак на 300 страниц с общим описанием работы, есть еще один даташит с описанием регистров и… все. Ни каких тебе апнотов и прочего.
Для связи с микросхемами серии BQ можно использовать один из двух интерфейсов: SMBus или HDQ. Оба эти интерфейса принадлежат Texis instruments.
SMBus это двухпроводная последовательная шина, аналогичная I2C, но имеет пониженное рабочее напряжение 3,3В. Используется фактически как стандарт для обмена с устройствами питания. Этот интерфейс используется для больших батарей, к примеру в ноутбуках, где имеются повышенные требования к контролируемым параметрам.
HDQ — однопроводной, имеет достаточно низкую скорость, и лучше подходит для компактных устройств. Именно по этому интерфейсу в различных устройствах обычно работает bq27542, но для этого ее необходимо предварительно настроить.
Для конфигурирования рабочих параметров микросхем серии BQ производитель рекомендует использовать фирменный программатор EV2300. Стоит он каких-то космических денег, и сложно доставаем из-за специфического спроса.

Для настройки параметров мониторов серии BQ Texas Instruments предлагает использовать специализированную программу Battery Management Studio. С ее помощью можно настроить профиль используемой батареи, сохранить или загрузить настройки из файла, записать данные о батарее и ее производителе, и многое другое.

STmicroelectronics
Практически по пятам за Texas Instruments следует STmicroelectronics. Для примера можно посмотреть STC3100IST, это схема для контроля состояния одной ячейки, имеет I2C интерфейс для связи и очень похожа по функциональности на продукцию от Texas Instruments.

Из «интересных» особенностей микросхемы можно отметить наличие возможности внешней синхронизации времени для расчета емкости аккумулятора. Это может быть «часовой» кварц на 32768кГц, или тактовые импульсы от управляющего микроконтроллера. Как я понимаю, это была вынужденная мера, так как по заявления производителя внутренний генератор имеет максимальную (да, именно максимальную) точность 2,5%… Хотя, во многих случаях и этого вполне достаточно.

Микросхема STC3100IST имеет встроенный датчик температуры. Я считаю, что это не очень удобно. Выносной датчик можно расположить в более оптимальном месте на аккумуляторе, и не привязываться к компоновке печатной платы и конструкции батареи. В остальном мы получаем довольно простую и компактную схему.
Какого-то специализированного программного обеспечения для работы с этой микросхемой у ST я не нашел. В даташите есть карта регистров, пишем соответствующий драйвер в прошивке и вперед.
Maxim Integrated
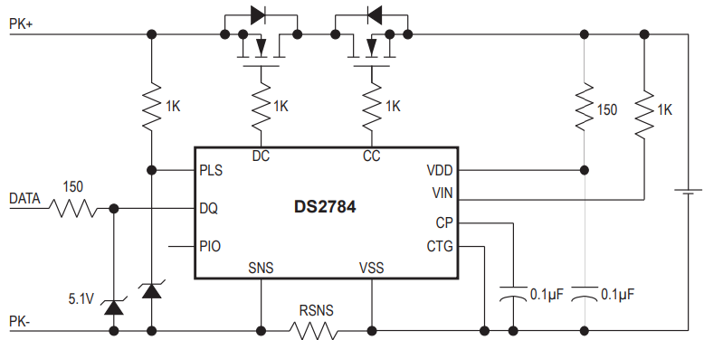
C Maxim Integrated все сложно в плане наименования производителя. Я до сих пор путаюсь, кто из них кто. Maxim Integrated или Dallas Semiconductor, или даже Analog Devices? Но тем не менее, мониторы состояния аккумуляторных батарей есть и у них. В качестве примера могу привести DS2784.
В отличии от предыдущих экземпляров, DS2784 сама управляет транзисторными ключами и может выполнять функции защиты аккумулятора от перезаряда, переразряда и короткого замыкания. К тому же, транзисторные ключи разрывают плюсовую цепь, это гораздо удобнее с точки зрения ее применения в схемах.

Микросхема всем хороша, кроме цены на ЧИП и ДИПе. И мне лично не нравится интерфейс 1W, который используется для взаимодействия с микросхемой. Его хорошо знают по датчикам температуры DS18B20 и прочим девайсам из Далласа. Но он очень медленный, и редко встречается его аппаратная поддержка в микроконтроллерах.
Analog Devices
Еще один интересный чип, на котором хотелось бы остановиться, от Analog Devices — LTC3337… ну почти, а точнее от Linear Technology, пойди их там разбери.

Чип достаточно свежий и отличается ультра низким энергопотреблением, производитель заявляет 100 нА. Это позволяет использовать микросхему совместно с аккумуляторами или батарейками малой емкости, например в автономных датчиках.
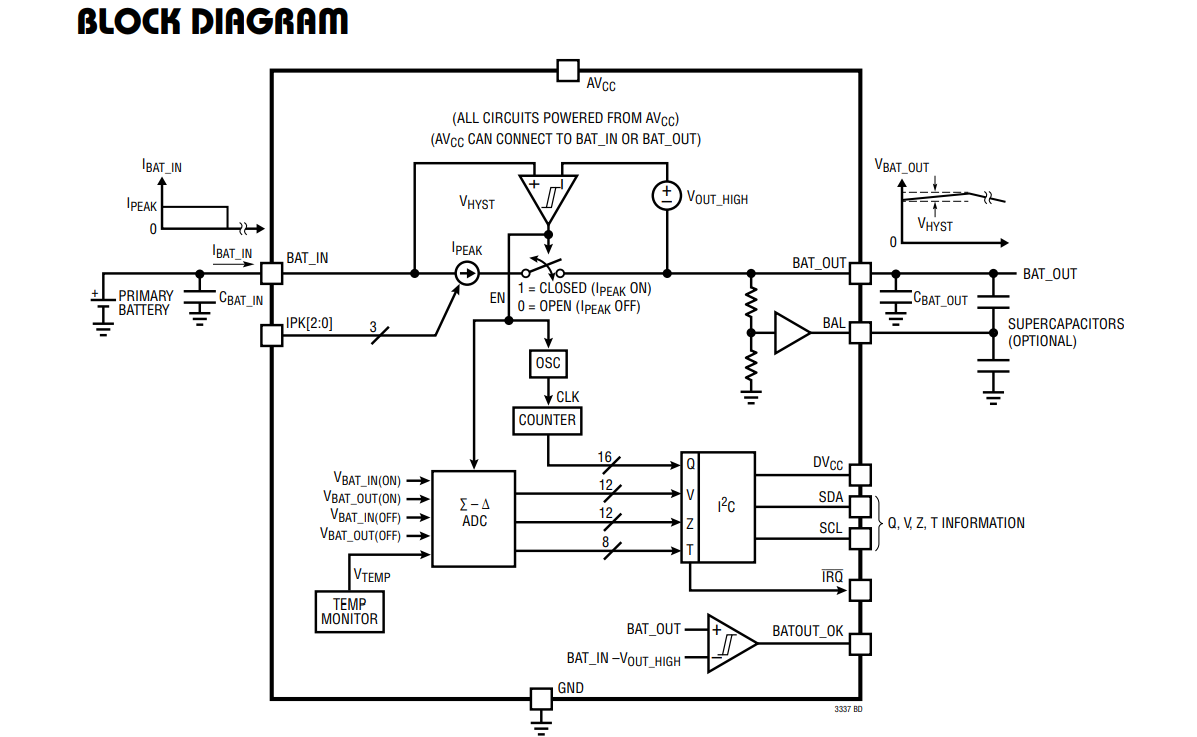
Основная функциональность LTC3337 это мониторинг состояния батареи. Она позволяет определять рабочий ток, напряжение и температуру. Но основная фишка — прецизионный кулоновский счетчик. Это дает возможность оценивать уровень SOH (остаточная емкость). Для обмена данными предоставляется интерфейс I2C.

Отдельно стоит остановиться на том, как производится измерение емкости аккумулятора. Микросхема имеет встроенный программируемый стабилизатор тока. Ток фиксируемой величины импульсами накачивает выходной конденсатор. Микросхема считает количество этих импульсов и определяет фактически израсходованную на нагрузку мощность.

Такой способ измерения выбран не просто так. Микросхема позволяет осуществлять поддержание заряда ионисторов для питания радиомодулей в автономных датчиках. Также для этого имеется функция балансировки двух последовательно включенных конденсаторов.
Общие замечания
При желании можно найти еще не мало производителей подобных изделий. Основным недостатком подобных микросхем — мониторов является достаточно ощутимое потребление. В частности, среднеквадратичное потребление bq27542 составляет 60 мкА, а это эквивалентно потери емкости примерно 500 мА /ч за год. Следовательно, устройство должно либо регулярно заряжаться, либо емкость аккумуляторной батареи должна значительно превышать эту цифру.
При проектировании мониторов и схем защиты на одну литиевую ячейку нужно учитывать тот факт, что большинство микросхем, подобных рассмотренным выше, имеют довольно низкий предел напряжения питания, обычно это 5,5 В. Верхний предел установки напряжения в режиме стабилизации тока у зарядных устройств, применяемых совместно с вашим аккумулятором, не должен превышать это значение. В противном случае при отключении схемы защиты, со стороны зарядного устройства к ней может быть приложено повышенное напряжение. Это приведет к выходу микросхем из строя.
❯ Подключение нескольких аккумуляторных ячеек параллельно
Возможно, что ёмкости одной аккумуляторной батареи для вашего устройства недостаточно, или недостаточно напряжения одной ячейки. В этом случае придётся объединять несколько аккумуляторов в одну батарею.
Самый простой случай, когда аккумуляторы подключаются параллельно. От такой сборки можно получать больший ток, либо большее время автономной работы. Напряжение аккумуляторной батареи при этом не увеличится. Но, если аккумуляторы будут иметь разную ёмкость или разное внутреннее сопротивление, то в конечном итоге это приведёт к их ускоренному выходу из строя из-за невозможности точно контролировать зарядные и разрядные токи отдельных ячеек.
Универсальный рецепт тут только один. Если вам нужно увеличить емкость аккумуляторной батареи, лучше сразу приобрести аккумулятор с большей электрической емкостью, чем объединять несколько ячеек параллельно. Если все таки вы вынуждены это сделать, постарайтесь использовать аккумуляторы одинакового типа из одной партии и предварительно отбалансируйте их по электрическому заряду.
Для литиевых аккумуляторов с высоким рабочим током следует подбирать пары не только по фактической емкости, но и по внутреннему сопротивлению. Также отнеситесь серьезно к качеству электрических контактов, даже незначительное различие в их электрическом сопротивлении может привести к тому, что ячейки будут разбалансировываться.
Какие-то специализированные микросхемы для параллельного подключения аккумуляторов мне не известны. Может быть кто-то из читателей сталкивался с такими? Если так, поделитесь своим опытом в комментариях.
Итак, при параллельном подключении, устройство защитного отключения можно установить одно общее на всю батарею. А вот мониторы лучше устанавливать раздельно. Это позволит своевременно определить разбалансировку ячеек и принять меры. Хотя, обычно так никто не делает, монитор устанавливается один общий.
Обычно при параллельном подключении ячейки балансируются и подбирается по параметрам один раз при сборке с разбросом до 5%. На них устанавливается общая схема управления и защиты. А разбежка параметров ячеек при старении оказывает на столько незначительное влияние, что не стоит ради этого усложнять схемотехнику.
❯ Последовательное подключение ячеек аккумуляторной батареи
Последовательное подключение аккумуляторных ячеек в батарею производится, когда недостаточно напряжения, формируемого одним химическим элементом. Например, в электромобилях или солнечных станциях напряжение на аккумуляторных батареях может составлять сотни вольт или даже почти киловольт. Для этого последовательно могут быть подключены сотни литиевых ячеек.
При таком способе подключении использовать аккумуляторные ячейки с одинаковыми характеристиками особенно важно. Хотя, влияние внутреннего сопротивления ячейки уже не так критично, как для параллельного подключения. До сборки батареи следует обязательно максимально точно выровнять электрическую емкость ячеек.
Эффект разбалансировки ячеек при последовательном включении более ощутим, чем при параллельном. Основная проблема в том, что мы не сможем получать от акб полную ёмкость. Часть запасенной энергии всегда будет оставаться на отдельных ячейках, т.к. полное отключение всей батареи необходимо выполнить, если хотя бы одна ее ячейка разрядится до минимального напряжения.
Но есть решение и для этой проблемы. Существуют специальные балансировочные схемы, которые позволяют перераспределять энергию между ячейками, выравнивая их остаточный заряд.
❯ Схемы балансирования АКБ
Для балансировки электрической емкости аккумуляторной батареи из последовательно включенных ячеек существует три основных типа схем: резистивные, емкостные и индуктивные.
Резистивные балансиры
Резистивные схемы балансировки самые простые из перечисленных. Обычно используются только во время заряда, т.к. принцип их действия сводится к преобразованию избыточной энергии в тепло. Если во время заряда батареи мы можем пожертвовать частью энергии ради простоты и дешевизны схемы, то во время автономной работы подобное расточительство не допустимо.
Большинство подобных модулей с Aliexpress устроены так, чтобы подключать параллельно ячейке батареи мощный резистор, когда напряжение на ней достигнет верхнего порога. При этом часть зарядного тока будет протекать в обход защищаемой ячейки, что значительно снизит скорость ее заряда. Таким образом, резисторы будут подключаться параллельно ко всем дозаряженным ячейкам, пока зарядное устройство не прекратит заряд по достижению общего верхнего предела напряжения для батареи. Дешево и сердито… и мало эффективно с точки зрения эксплуатации самих ячеек.

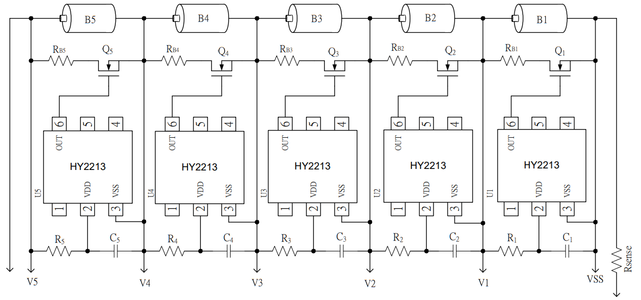
Достаточно часто в подобных балансирах встречается микросхема HY2213-BB3A. Логика работы ее очень простая. Если напряжение на ячейке превышает установленный предел перезаряда, и это состояние сохраняется дольше задержки обнаружения перезаряда, с помощью внешнего транзистора параллельно ячейке подключается резистор. Транзистор закроется, когда напряжение станет ниже порога перезаряда. Также схема гарантированно удерживает транзистор в закрытом состоянии при переразряде ячейки, это тоже важная особенность микросхемы.

Так как питание микросхемы производится от ячейки, которую она защищает от перезаряда, допускается ее использование в батареях с достаточно большим количеством последовательно включенных ячеек. Благодаря низкой стоимости схемы, балансиры на HY2213 были достаточно популярны при построении батарей для солнечных электростанций и систем гарантийного питания.

Индуктивные и емкостные балансиры
В отличии от резистивных, емкостные и индуктивные балансиры позволяют перекачивать емкость от более заряженных ячеек к менее заряженным, выравнивая заряд между ними. Этот процесс может происходить при заряде и при разряде.
Скорость балансирования батареи будет зависеть от тока, на который настроена схема. Чем больше этот ток, тем быстрее произойдет балансировка. Но и ячейки будут работать с большей нагрузкой. То есть более заряженная ячейка будет отдавать разрядный ток в нагрузку и параллельно будет отдавать ток в схему балансировки. Поэтому обычно ток балансирования выбирают равным примерно одной десятой от рабочего.
Индуктивные балансиры являются более компактными и имеют значительно большие рабочие токи, в сравнении с емкостными. Но обладают одним недостатком — являются дополнительным источником помех и могут создавать ощутимые скачки напряжения.

В своих проектах я использую микросхему ETA3000. Она позволяет выполнять балансировку двух ячеек током до 2 А. А благодаря частоте переключения 1 МГц перекачивающий дроссель имеет достаточно компактные размеры.
Если надумаете использовать такую в своих устройствах, имейте ввиду, что ETA3000 очень капризна к порядку подключения ячеек. Нужно подключать все контакты максимально одновременно, или устанавливать перемычку на вход Enable.

Емкостные схемы более громоздки, плохо подходят для больших токов, дороже стоят. Для переключения перекачивающих конденсаторов требуется больше транзисторных ключей. В своих схемах я их не использую. Хотя одна такая плата на пробу была мной приобретена, но это только подтвердило мои предпочтения.
❯ Схемы защиты и мониторинга состояния для батарей с последовательным подключением ячеек
Самый очевидный способ защиты для батареи с последовательным подключением ячеек — размещение отдельной схемы управления типа DW01 на каждую отдельную ячейку так, чтобы она при необходимости разрывала последовательную цепочку. На практике так обычно не делают. Такой способ требует неоправданного увеличение коммутационных транзисторов, что приведет к увеличению электрических потерь и снижению эффективности батареи.
Если контролировать процесс заряда или разряда по общему напряжению, рано или поздно получится такая ситуация, при которой одна из ячеек будет либо перезаряжена, либо разрядится ниже предельного значения. А общее напряжение при этом может быть в нормальных пределах. Так что контролировать нужно напряжение на каждой отдельной ячейке.
Texas Instruments
В аккумуляторных батареях старых ноутбуков часто можно встретить микросхему bq40z50. Это уже не просто чип с логикой защиты, а полноценный специализированный микроконтроллер. Он предоставляет гибко настраиваемые функции защиты и управления аккумуляторной батареей до четырех последовательных ячеек. Настройка и программирование чипа реализуется подобно bq27542 и другим микросхемам этой серии через фирменный программатор EV2301.

Микросхема довольно сложная, из-за своей специфичности не сильно хорошо документирована, вы не найдете по ней кучи апнотов или развернутых обсуждений на форумах. Я потратил прилично времени, чтобы добиться от нее желаемого результата. Зато она позволяет решить разом практически все задачи. Выполняет функции защитного отключения. Контролирует рабочие параметры каждой ячейки. Может работать с внешними схемами балансировки. И еще много всего.
Важная особенность микросхемы — способность контролировать процесс заряда. Батарея может быть отключена при нарушении алгоритма заряда.
Еще одна фишка — поддержка режима предзаряда батареи после глубокого разряда. На рисунке 21 из оригинального даташита вы можете увидеть транзистор Q1. Затвор транзистора управляется отдельным сигналом микросхемы. Это позволяет производить предзаряд батареи щадящим током, определяемым сопротивлением резистора R1, до установленного безопасного напряжения. После чего разрешается режим заряда полным током.
А мне лично понравилось решение с предохранителем. Микросхема bq27542 имеет вторую ступень защиты, которая позволяет навсегда разорвать цепь аккумулятора, если что-то пойдет не так. Транзистор Q5 может замкнуть плавкий предохранитель накоротко и сжечь его.

Все это и многое другое настраивается программное. Микросхема имеет огромное количество управляющих регистров. Разобраться в их комбинации непросто. Но производитель позаботился о том, чтобы немного упростить нам жизнь, и разместил кучу готовых профилей для разнообразных батарей в Battery Management Studio. В ее настройках можно подобрать максимально похожую батарею, и подкорректировать предложенные параметры под себя.
BYD Microelectronics
На первый взгляд немного неожиданно в микросхемы для BMS врывается BYD Microelectronics. Но только на первый взгляд. Компания в прошлом году обогнала Tesla по количеству проданных электромобилей. А изначально специализировалась именно на производстве аккумуляторных батарей.

На Aliexpress появились интересные платы на основе чипа bm3451. Рекомендую обратить на него внимание, если вам необходима высоковольтная батарея с большим током отдачи. Ее главной особенностью является возможность последовательного масштабирования для увеличения количества последовательных ячеек. Возможно ее применение в составе высоковольтных батарей.
Кроме функций защиты от перезаряда и переразряда, bm3451 имеет встроенные функции резистивного балансира. Если надумаете этим воспользоваться, внимательно рассчитайте мощность резисторов, чтобы они справлялись с отводимым теплом.

Микросхема ориентирована на использование в аккумуляторных батареях для электроинструмента, электровелосипедов и ИБП.
В отличии от микросхем серии BQ, рабочие параметры bm3451 настраиваются внешними компонентами или жестко заданы производителем. Это значительно упрощает ее применение, но при этом теряется гибкость.
❯ Заключение
Можно еще достаточно долго рассматривать различные микросхемы, и наверняка кто-то из читателей этой статьи сможет предложить еще десяток другой отличных вариантов. Но я, пожалуй, остановлюсь на этом и буду надеяться, что рассмотренных микросхем будет достаточно, чтобы разобраться в том, какие могут быть схемы защит литиевых аккумуляторов. Давайте же наконец подведем итог.
Сложность схемы защиты и мониторинга зависит от цены изделия и емкости его батареи. Чем выше емкость, тем сложнее схема, и наоборот. Это обусловлено не только финансовой составляющей. С увеличением сложности схемы управления, растет и ее энергопотребление, это увеличивает саморазряд аккумуляторной батареи. Получается, что для увеличения сложности схемы, необходима соответствующая емкость аккумулятора.
Любая литиевая аккумуляторная батарея должна иметь хотя бы самую примитивную схему защиты. Используйте аналоги DW01 или в крайнем случае поставьте плавкий предохранитель. Наличие даже минимальной температурной защиты тоже не будет лишней.
Применение схем балансирования емкостного или индуктивного типа наиболее эффективно для устройств с повышенным напряжением батареи и требованием к продолжительному времени автономной работы. Хороший пример такого устройства — это ноутбук. Для обеспечения продолжительного времени работы необходимо, чтобы емкость аккумуляторной батареи значительно превышала разрядный ток. При этом можно позволить достаточно продолжительное время балансирования ячеек батареи, а для этого не нужно значительно увеличивать балансирующий ток.
Для таких устройств, как квадрокоптеры или мощный электроинструмент, в применении активных балансиров во время разряда батареи нет особого смысла. Разрядный ток может в десятки раз превышать номинальную емкость. Чтобы успеть при таких токах выполнить балансировку, балансирующий ток должен быть сопоставим с рабочим, а он и так на пределе возможности аккумулятора, и увеличивать его дальше некуда. В таком случае балансировать аккумулятор целесообразно только при заряде. Для этого можно использовать резистивные балансиры или внешние балансирующие схемы в составе зарядного устройства.
Системы мониторинга параметров аккумуляторной батареи с расширенной функциональностью типа серии микросхем BQ от Texas Instruments хорошо подходят для сложных автономных устройств, где требуется максимально продлить срок службы аккумуляторов из-за их дороговизны или сложности с заменой, имеется необходимость точно прогнозировать износ батареи и время автономной работы устройства. Это могут быть не только смартфоны и ноутбуки, но и автономные датчики с длительным сроком службы без дополнительной подзарядки.
Еще стоит учесть, что подобные микросхемы, особенно с цифровым ядром, являются дополнительным источником помех в цепях питания. Если ваше устройство критично к этому, обязательно используйте дополнительные фильтры.
Автор:
OldFashionedEngineer
