Попросил меня недавно один мой хороший знакомый оживить вторичные часы для школьного музея, мол, тыжэлектронщик. Я раньше ни о каких вторичных часах и не слышал, хотя, как оказалось, многократно их видел. Товарищ ввел меня в курс дела да ещё снабдил сразу и ссылками на заметки, как это всё решается. Статья реально отличная, после нее не остается никаких вопросов, что нужно этим часам, чтобы тикать, спасибо её автору: https://habr.com/ru/companies/ruvds/articles/827802/
Желательно сперва прочесть её, чтобы вникнуть в тему. Но, так как яжэлектронщик, то после ознакомления решил попробовать решить эту задачу сугубо «железячными» методами без единой строчки кода. H-мост L298N, который формирует импульсы амплитудой 24 вольта нужной полярности, было решено оставить, как в указанной заметке, а вот сигналы для него получать на цифровой «рассыпухе» без применения контроллеров. Тем более, что такая реализация отлично подходит как учебная задача для слушателей недавно вышедших с моим участием бесплатных онлайн-курсов по цифровой схемотехнике для начинающих: https://engineer.yadro.com/circuits-course/
Часы, которые мне передал товарищ, выглядели солидно.

Но больше всего меня впечатлил текст в паспорте часов, который тоже сохранился в коробке. При прочтении вслух от суровой торжественности формулировок аж дух захватывает!

В комментариях к упомянутой выше заметке активно дискутировалась проблема с неточностью отсчета времени, которую привносит задержка от выполнения программы в микроконтроллере. Ну а настенные и наручные кварцевые часы обеспечивают вполне приемлемую точность хода без микроконтроллеров вообще. Так называемые «часовые кварцы» стоят совсем недорого, а работать с ними предельно просто. Они выдают идеально круглую частоту 32768 Гц. Круглую, конечно же, в двоичной системе. Если поделить эту частоту пополам 15 раз подряд, то получится ровно 1 Гц или один импульс в секунду. Поэтому такие кварцевые резонаторы и называются часовыми.
Первая мысль была сделать на плате одну из множества давно известных схем генераторов частоты на кварце, потом поставить делитель на 2 в 15-й степени для секунд, потом еще делитель на 60 для минут. Затем сформировать импульсы для H-моста, управляющего ходом стрелок. Но что-то слишком много получалось микросхем для такой простой задачки. Да и проблема-то отсчета времени типовая, поэтому я предположил, что наверняка для этих целей уже давно были созданы интегральные делители частоты с кварца в секунды и минуты. Ведь сколько раньше вокруг нас было этих электронных часов с будильником и без на самых разных индикаторах. Стал искать информацию.
Предчувствие не подвело. Обнаружилось, что еще в древней 176-й серии микросхем (аналог импортной CD4000, которая еще без букв А и B после цифр) есть счетчик-делитель для часов 176ИЕ12. И его без проблем можно купить до сих пор. Я взял в известном магазине «Чип и Дип» всего за 160 рублей в текущих ценах. И самое интересное, откуда и взялся кликбейтный заголовок, выяснилось, что нет у этой микросхемы импортного прототипа! Как я понял, это сугубо отечественная разработка. Такое обстоятельство меня сильно удивило, ведь электронные настольные часы в свое время были просто повсеместно во всем мире. Если кому-то что-то известно об аналогичных микросхемах иностранного производства, пишите об этом в комментарии, с интересом ознакомлюсь, электроника слишком обширная наука, чтобы одному знать в ней всё или хотя бы половину.
Вот фрагмент из описания 176ИЕ12:

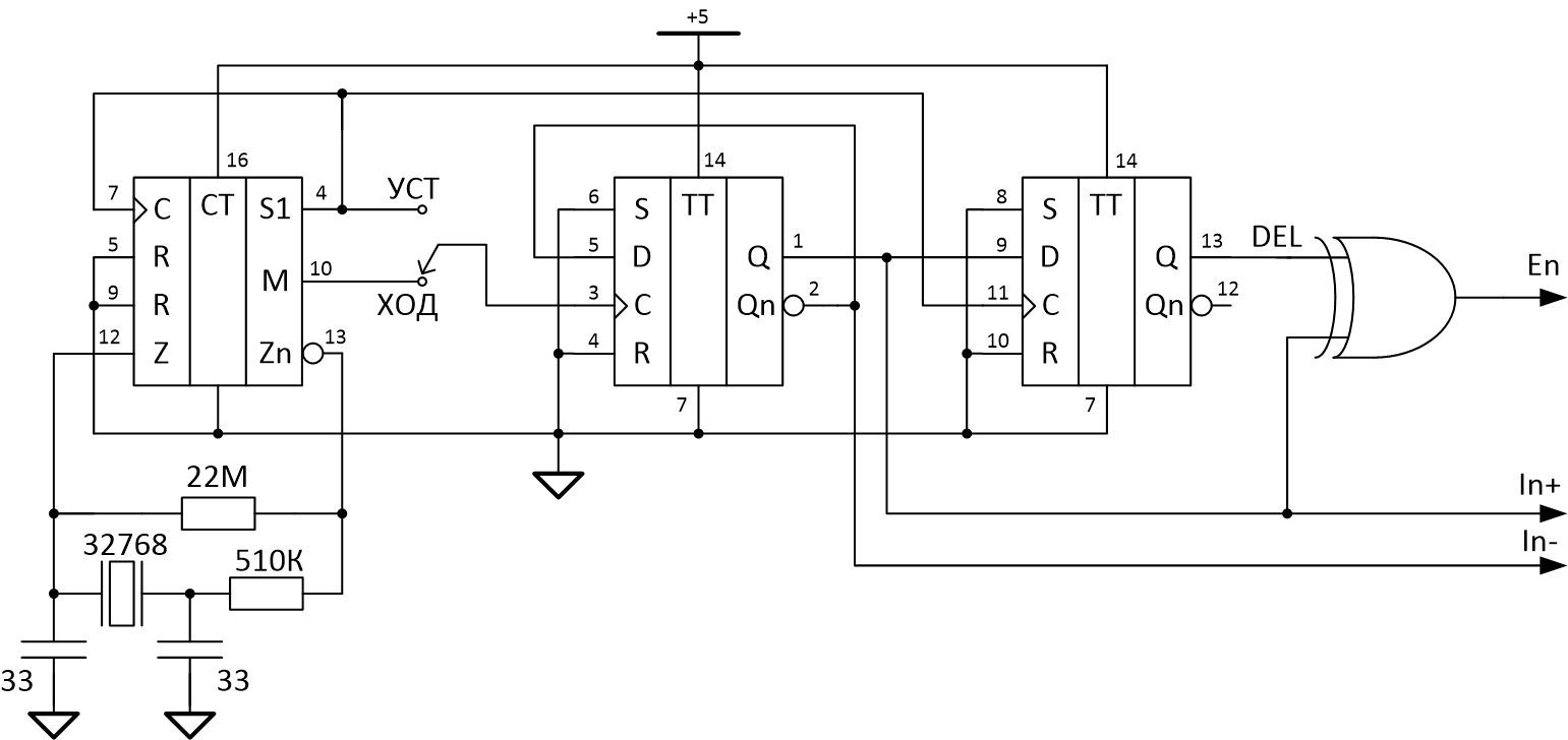
Собственно, для решения задачи запуска вторичных часов нужна только обвязка для кварца и сигналы с 10 и 4 выходов, минуты и секунды. Минутный сигнал по длительности для решаемой задачи не очень удобный, взводится на 20 секунд каждую минуту, как видно на временной диаграмме. А для управления H-мостом нужно иметь два разнополярных сигнала, поступающих на входы In+ и In- и меняющих свою полярность каждую минуту, а также импульс разрешения En, который и открывает транзисторы H-моста для протекания через них тока. Ну и способ ускоренного перемещения стрелок надо выдумать для подстройки показаний часов.
В итоге вырисовалась такая простенькая схема управления мостом:
А ее временная диаграмма выглядит так:
Со счетчика 176ИЕ12 в нормальном режиме работы (тумблер на входе синхронизации первого триггера установлен в положение «ХОД») сигнал с минутного выхода приводит к переключениям выходов In+ и In- в состояние, противоположное предыдущему раз в минуту. Следующий триггер, синхронизируясь импульсом с секундного выхода счетчика, задерживает сигнал In+ ровно на одну секунду, формируя сигнал DEL. Оба триггера находятся в одном корпусе микросхемы CD4013BE, которая нормально сопрягается со 176-й серией, хотя является прототипом более поздней отечественной серии 1561. Так что эту микросхему без проблем можно заменить на КР1561ТМ2 или К561ТМ2, у кого они есть в закромах.
Ну а далее исходный и задержанный на секунду сигнал попадают на логический вентиль «исключающее ИЛИ», для которого можно взять любую из микросхем CD4070BE или КР1561ЛП14. Там четыре таких одинаковых вентиля, можно взять тот, который удобнее при подключении. По своей таблице истинности этот вентиль выдаст высокий уровень на выходе только при несовпадении сигналов на его входах, то есть как раз один раз в минуту ровно на 1 секунду.
Если же перевести тумблер в положение «УСТ», то полярность выходов In+ и In- начнет меняться не раз в минуту, а раз в секунду. И сигнал En фактически станет всегда равным логической единице, держа мост в постоянно активном режиме. Минутная стрелка начнет работать, как секундная. И таким образом можно быстро выставить стрелки часов на нужное время, после чего переключением тумблера вернуть их в нормальный режим работы.
Прототип на макетной плате выглядел как-то так:
Резистор 22 МОм может быть заменен на другой номинал, но не менее 10 МОм. Таких номиналов среди выводных резисторов у меня не оказалось, поэтому на макетке использовались 4 последовательно включенных по 2,7 МОм.
Питание для всего это хозяйства планировалось брать с адаптера на 24 вольта, которых сейчас богатый выбор. А на сами кварцевые «ходики» 5 вольт заводятся с линейного регулятора H-моста, который имеет выход на клеммник. При отладке для питания использовался самодельный лабораторный источник. Макаронный монстр в сборе на столе выглядел не сильно устрашающе.
После отладки и прощупывания осциллографом всех режимов и сигналов никаких особых проблем уже не было. Дальше оставалось лишь набросать в редакторе плату, изготовить ее древним методом лазерно-утюжной технологии, протравить в перекиси водорода и лимонной кислоте, распаять все компоненты, и подключить эту кустарщину к H-мосту в распечатанном на 3D-принтере корпусе. На фото в левом нижнем углу возле трехвыводного регулятора питания виден джампер 5V-EN, который нужно оставить в замкнутом состоянии, чтобы 5 вольт с регулятора поступали на соответствующую клемму из трех синих вверху для питания самодельной платы. Для надежности все соединения между платами выполнялись не через клеммы, а пайкой. Наружу из корпуса торчит только тумблер переключения режимов, разъем питания и провода, идущие к часам.
Остается только подключить часы к выходным клеммам моста, завести питание 24 вольта с адаптера, установить точное время и переключить плату в рабочий режим. Так что если кому-то, как и мне, не сильно нравится или не очень получается программировать, вы можете попробовать решить такую задачу или другую подобную чисто схемотехническими решениями, для этого потребуется не так уж много времени, знаний и усилий.
Автор: pgkirich
