
Мы переходим к завершающей части обзорного цикла датчиков, в которой рассмотрим датчики постоянного и переменного тока и напряжения. По всем остальным датчикам, которые не попали в основную серию мы сделаем дополнительные обзоры когда они вдруг понадобятся в будущих статьях.
Данная статья открывает новый цикл материалов про измерение параметров качества электроэнергии, куда войдут вопросы подключения датчиков тока и напряжения к микроконтроллеру, рассмотрение алгоритмов работы анализаторов качества электроэнергии, смысл тех или иных показателей качества электроэнергии и что они обозначают. Кроме того, мы затронем волнующую многих тему точности оцифровки и обработки данных, упомянутую в комментариях к первой статье.
Содержание
Часть 1. Мат. часть. В ней рассматривается датчик, не привязанный к какому-то конкретному измеряемому параметру. Рассматриваются статические и динамические характеристики датчика.
Часть 2. Датчики климат-контроля. В ней рассматриваются особенности работы с датчиками температуры, влажности, давления и газового состава
Часть 3. Датчики электрических величин. В этой части я рассмотрю датчики тока и напряжения
ВНИМАНИЕ:
Не вставляйте спицы в розеткуНе лезьте в сеть 220В без необходимых на то навыков!
Бывает постоянный ток, бывает переменный. Бывает все и сразу, что иногда приносит много проблем. Но об этом позже. Для начала, разберемся с терминологией.

Рисунок 1: напряжение в цепях переменного тока
При измерении переменного тока мы имеем 4 различных величины, которыми будем руководствоваться при проведении измерений. Все нижеприведенные формулы и термины применимы и к измерителю тока.
1. Мгновенное значение напряжения — это разность потенциалов между двумя точками. Измеренная в определенный момент времени. Это значение является базовым во всех остальных вычислениях. Фактически, наша задача будет заключаться в считывании последовательного набора мгновенных значений напряжения через равные промежутки времени, чтобы впоследствии с их помощью получить некие другие данные.
u = u(t) (1)
Получится примерно следующий график:

Рисунок 2: Измерение серии мгновенных значений напряжения
При выборе частоты опроса датчиков мы руководствуемся теоремой Котельникова-Шеннона, когда для того, чтобы восстановить сигнал с частотой f необходимо производить считывание с частотой Больше чем 2f. Отмечу необходимость строгого неравенства, т. е. если нам надо оцифровать сигнал с частотой 50Гц, то считывание необходимо производить с частотой, не менее 101 Гц. Но, понятное дело, чем больше тем лучше.
Если вспомнить ГОСТ на показатели качества электроэнергии, то в разделе Гармоник мы найдем, что интересными для нашего измерения являются гармоники вплоть до 40, т. е. до 2кГц. И микросхемы счетчиков электроэнергии производят считывание с частотой 4096 раз в секунду. Степень двойки выбрана для того, чтобы можно было применять быстрые алгоритмы преобразования Фурье.
Имея этот большой набор данных, собранный за единицу времени, например, 1с переходим к следующим:
2. Амплитудное значение напряжения — которое определяется как максимальное по модулю значение из нашей выборки:
(2)
где [u(t)] – массив с данными.
Для гармонических колебаний это значение используется в следующей формуле:
(3)
3. Среднее значение напряжения, т. е. Среднее арифметическое, т. е. постоянная составляющая переменного напряжения.
(4)
Где
— период дискретизации аналогового сигнала. Я намеренно пишу сумму вместо интеграла. В промышленной сети переменного тока среднее значение должно быть равно нулю. Если это условие не выполняется, могут быть определенные проблемы, так как постоянный ток подмагничивает трансформаторы, вводя их в насыщение, либо подогревает питающую линию. Последнее кстати может быть полезно для решения проблемы намерзшего льда на проводах — провод подогревают и лед отваливается.
В слаботочных аналоговых цепях постоянная составляющая присутствует сплошь и рядом и может быть очень полезна. А если она нам будет мешать, то мы от нее быстро избавимся, но об этом позже.
4. Среднеквадратичное значение напряжения. — известное также как действующее значение напряжения — на линейной активной нагрузке оно совершает ту же самую работу, что и постоянное напряжение аналогичного уровня. Определяется по следующей формуле:
(5)
При измерении напряжения в розетке нас, как правило, интересует именно это самое действующее напряжение, которое составляет 230/380В.
Амплитудное и действующее значения синусоидального напряжения связаны между собой через
. Во время проектирования измерительной системы нас будет интересовать в первую очередь именно амплитудное значение напряжения и тока.
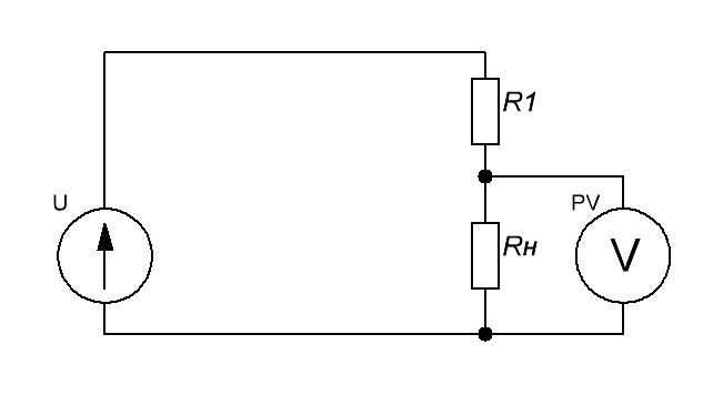
Во время измерений будем руководствоваться одной из следующих схем:

Рисунок 3: Подключение измерительных приборов
Загадка для ума — обе схемы подключения правильные, но при каких обстоятельствах важно правильно выбрать одну из них? Ответы в комментариях.
Датчики напряжения
Первым делом произведем измерение напряжения. Все нижесказанное относится к напряжениям не менее напряжения питания АЦП нашего контроллера. Таким образом, нам необходимо измерить напряжение с амплитудой большей, чем АЦП способен прожевать. Следовательно, уровень напряжения необходимо понизить — т.е. произвести ослабление сигнала.
Для малых напряжений (например как термоЭДС термопары из прошлой статьи) нужна обратная задача — усиление сигнала. Это более сложная задача и мы обязательно к ней вернемся в следующих статьях.
Поставим условие для расчета наших датчиков:
Измеряемое напряжение: переменное, 0-1000В, частота 50/60Гц. Для трехфазного напряжения в 380В амплитудное составляет почти 600В, а ведь есть сети и на 660В. Так что пусть будет. На самом деле этот расчет я взял из своей железки и переделывать его мне лень.
Выходное напряжение ± 1,65В — половина от питающего +3,3В
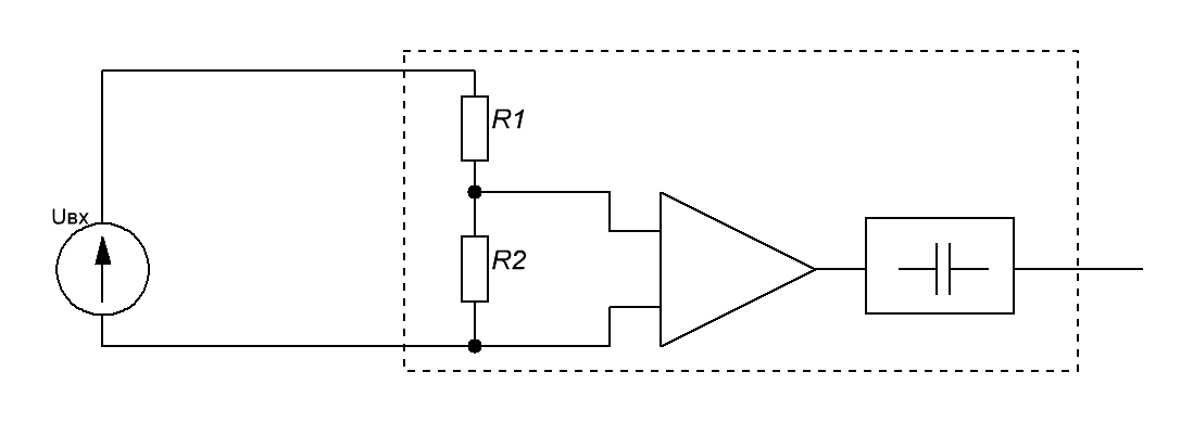
Делитель напряжения
Самым простым способом будет делитель напряжения.

Рисунок 4: Делитель напряжения
Напряжение на нашем измерительном приборе будет определяться как входное напряжение, умноженное на коэффициент делителя:
(6)
При выборе сопротивления резисторов необходимо определиться со следующими требованиями:
1. Ток через цепь резисторов должен быть на 1-2 порядка больше, чем ток нашего измерительного прибора для того, чтобы этот ток не влиял на показания. Измеритель имеет конечное значение сопротивления и получается, что к резистору R2 подключен еще один резистор. Чем внутреннее сопротивление больше, чем ближе общее сопротивление к сопротивлению R2. Сопротивление внутренних цепей АЦП ATmega, к примеру, 100 МОм.
2. Мощность, выделяемая на нашем делителе не должна быть слишком большой
3. Приложенное входное напряжение должно быть меньше напряжения пробоя резистора.
Пусть ток через наш делатель составит 1мА. Тогда, общее сопротивление резисторов будет равно:
(7)
Определим требуемый коэффициент передачи нашего делителя:
(8)
По ряду номиналов резисторов E24 выберем ближайшее значение, дающее около 1МОм:
R1 = 990 кОм (три резистора по 330 кОм)
тогда резистор R2 = K·R1 = 1,63 кОм
Из ряда Е24 выбираем второй резистор R2 = 1,6 кОм
Проверим коэффициент:
(9)
Погрешность с ранее расчетным 2,3%, что нас вполне устроит. Вообще-то можно точно подобрать резисторы из ряда Е192, но в моем случае это не обязательно — напряжение в 1000В на входе — это нештатный режим, да и калиброваться система все равно будет потом.
Выглядеть измерительная цепь будет следующим образом(кусок из рабочей схемы):

Рисунок 5: Цепь измерителя напряжения
На базе цепочки R17-C22 собран фильтр низких частот, чтобы никакие помехи нам не были страшны. Можем кстати быстренько посмотреть что делает этот фильтр:

Рисунок 6: Частотная характеристика фильтра
Как видно из графика ЛАЧХ, для рабочего диапазона частот от 0 до 2000Гц фильтр практически не портит амплитуду и фазу сигнала. А вот помехи на частотах порядка 100кГц и выше, исходящие от ВЧ преобразователей, надежно давятся. Так что все супер.
Достоинства:
- широкий диапазон напряжений и частот, определяемый номиналами резисторов;
- высокая точность, опять таки определяемая точностью и термостабильностью резисторов;
- измеряет постоянное и переменное напряжение.
Недостатки:
- отсутствует гальваническая развязка — при взаимодействии с промышленной сетью необходимо предусмотреть защиту пользователя от электрических цепей, либо использовать гальваническую развязку;
- низкий КПД — весь ток делителя уходит в тепло;
Трансформатор напряжения

Рисунок 7: Трансформатор напряжения
Для случаев, когда нужно измерить очень высокие напряжения, 6/10кВ и выше, используется трансформатор напряжения Фактически, он представляет собой обычный трансформатор, основным режимом работы которого является режим холостого хода.
Класс точности такого трансформатора зависит от рабочего участка характеристики намагничивания. Ведь нам надо пропустить через него не просто сигнал с определенной амплитудой, но и не испортить ее форму. Здесь как раз проблема — трансформатор практически не пропускает гармоники ввиду больших индуктивностей. Так что для измерения гармонических искажений большинство трансформаторов напряжения не подойдет.
Обычный класс точности трансформатора — 0,5, 1, 3
Достоинства:
- огромный диапазон рабочих напряжений — до сотен киловольт и выше;
- столь необходимая гальваническая развязка.
Недостатки:
- работает на определенной полосе частот;
- работает только с переменным напряжением;
Последний недостаток слегка надуман, так как если надо, можно воспользоваться измерительным трансформатором постоянного тока. Да, трансформаторы постоянного тока «существуют», но правильное название устройства — магнитный усилитель. Точность и линейность таких приборов оставляет желать лучшего — работа происходит на участке насыщения сердечника подмагничиванием.
Выглядит это вот так:

Рисунок 8: Измерение постоянного тока с помощью магнитного усилителя
Почитать об этом чуде техники можно здесь: analogiu.ru/6/6-2-2.html
Если тема будет интересна, то запилю обзор этих старинных регуляторов.
Электронный изолированный датчик
Недостатков и той и другой схемы лишен электронный изолированный датчик. Фактически, он представляет собой завершенное устройство. Внутри которого имеется и делитель напряжения, и операционные усилители, и блок гальванической развязки и схема изолированного питания всего этого безобразия.

Рисунок 9: Структурная схема электронного изолированного датчика
Мне попадались на глаза только промышленные датчики с выходом по напряжению 0-10В или по току 0-10мА. В отличие от предыдущих датчиков выдает однополярный сигнал. В принципе, такую схему можно разработать и самостоятельно.
Достоинства:
гальваническая развязка;
высокая точность;
широкий диапазон напряжений и частот;
измеряет постоянное и переменное напряжение.
Недостатки:
дорого;
сложная схемотехника.
Дополнительные ссылки
www.power-e.ru/2006_03_56.php
www.sensorica.ru/pdf/LEM.pdf
Измерители электроэнергиии STMP32 www.compel.ru/lib/ne/2015/4/2-dlya-odnofaznyih-i-mnogofaznyih-schetchikov-novyie-izmeritelnyie-mikroshemyi-ot-st
ru.wikipedia.org/wiki/Электрическое_напряжение
Датчики тока
Измерительный шунт
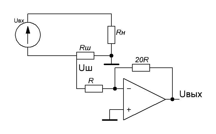
Самый простой и самый точный способ измерения тока. Как известно, при протекании тока через активное сопротивление, на нем происходит падение напряжения, пропорциональное измеряемому току. Отлично, берем резистор и помещаем его в разрыв измеряемой цепи:

Рисунок 10: Датчик тока токовый шунт
Падение напряжения на шунте пропорционально пропускаемому току:
(10)
Соответственно в зависимости от требуемого напряжения на выходе датчика подбираем нужное сопротивление шунта. Но! Падение напряжения на шунте приведет к потерям мощности, выделяемым в тепло, соответственно при больших токах мы вынуждены довольствоваться малыми значениями напряжения с датчика, дабы ограничить потери. Вот эти выпускаемые промышленностью шунты типа ШСМ обеспечивают стандартное выходное напряжение в 75мВ:

Рисунок 11: Токовый шунт типа ШСМ
На напряжение в 75мВ откалибровано большинство измерительных головок для шунтов. Обратите внимание на вторую пару винтов — они предназначены специально для подключения к измерительному прибору для снижения потерь.
Для измерения тока с помощью таких шунтов требуется использовать операционные усилители. При этом, средний коэффициент усиления составляет 20-40, что под силу широко-распространенным операционным усилителям. В принципе, в некритичных цепях постоянного тока можно воспользоваться и усилительным каскадом на базе одного транзистора. Линейность такой схемы будет хромать, но для пороговых цепей защиты — это простой и надежный вариант.
Получим следующую схему:

Рисунок 12: Использование ОУ в качестве усилителя
Следует учитывать, что при измерении переменного тока, выходной сигнал будет биполярный и операционный усилитель требуется запитать от двухполярного источника питания.
Глянем на всякий случай, как работает наша схема:

Рисунок 13: Моделирование усилителя датчика тока
На вход подаем 75мВ, умножаем на 20, на выходе имеем сигнал с амплитудой 1,5В для тока в 10А. В следующем материале мы разберемся, чем может быть неудобен биполярный сигнал.
Достоинства:
- высокая точность;
- широкий диапазон напряжений и частот;
- измеряет постоянный и переменный ток.
Недостатки:
- отсутствует гальваническая развязка;
- низкий КПД.
Измерительный трансформатор тока
Измерительный трансформатор тока представляет собой трансформатор, первичная обмотка которого подключается к источнику тока, а вторичная замыкается на измерительные приборы или устройства защитной автоматики.
Трансформаторы тока используются для измерения токов в сильноточных цепях, зачастую я высоким потенциалом. Например, нам захотелось измерить ток в сети 10кВ. Либо, мы хотим получить простой и относительно дешевый способ гальванической развязки измеряемой цепи тока нашего устройства на 220В. Основная проблема трансформаторов тока заключается в том, что они умеют измерять только переменное напряжение.
Трансформатор тока всегда нагружается. Если вторичная обмотка трансформатора тока окажется разомкнутой, то на ней возникнет потенциал в пару тысяч киловольт, который покалечит персонал и выведет из строя прибор, пробив его изоляцию.
Трансформаторы бывают со встроенной первичной обмоткой. Например такие:

Рисунок 14: Трансформатор тока серии CS2106L от Coilcraft
Либо вот такие слоники, имеющие подобие первичной обмотки в виде огромной шины, либо вовсе окно для пропускания через него провода

Рисунок 15: Промышленный трансформатор тока на много ампер
Основной недостаток трансформатора тока — это работа только на определенной частоте. Шаг влево-шаг вправо — расстрел. Виной всему металлический сердечник.
А вот если мы его удалим, то получим воздушный трансформатор, или, т. н. Катушку Роговского:

Рисунок 16: Схема подключения катушки Роговского
В отличие от остальных датчиков, требующих взаимодействия с измеряемой цепью, катушку Роговского можно установить поверх проводов измеряемой цепи как поясок.
Некоторые измерительные приборы комплектуются такими датчиками:

Рисунок 17: Датчик катушка Роговского
Диапазон измеряемых токов — от десятков до тысяч ампер, но они страдают от невысокой точности.
Достоинства:
- гальваническая развязка;
- работа с большими токами в тысячи Ампер;
Недостатки:
- измеряет только переменный ток в определенном диапазоне частот(кроме катушки Роговского);
- изменяет фазу сигнала и требует компенсации
Датчики тока на эффекте Холла
Датчики этого типа используют эффект возникновения разности потенциалов при помещении проводника с током в магнитное поле.

Рисунок 18: Эффект Холла
При создании датчика мы берем магнитопровод, пропускаем через него провод измеряемой цепи и в разрез магнитопровода помещаем датчик Холла, получая датчик тока открытого типа:

Рисунок 19: Датчик тока на эффекте Холла открытого типа
Достоинством такого датчика является простота. Недостатком — наличие подмагничивания сердечника, следовательно, повышение нелинейности показаний.
Добавим на сердечник обмотку и пустим по ней ток, пропорциональный измеряемому току:

Рисунок 20: Датчик тока на эффекте Холла компенсационного типа
С нулевым подмагничиванием сердечника мы повышаем линейность датчика и его класс точности. Однако по своей конструкции такой датчик приближается к трансформаторам тока, соответственно его стоимость повышается в разы.
Как и трансформаторы, бывают разновидности датчиков, позволяющие пропустить через себя силовой провод:

Рисунок 22: Датчик тока на эффекте Холла
Существуют датчики с разделяемым сердечником — однако их стоимость просто зашкаливает.
Датчики с интегрированной силовой цепью на базе эффекта Холла с гальванической развязкой 2,1кВ и 3кВ выпускаются компанией Allegro. Ввиду своих малых размеров они не обеспечивают высокой точности, но зато компактны и просты в использовании.

Рисунок 23: датчик тока Allegro ACS754
- Датчик ACS712 – измерение постоянного и переменного тока до 30А с точностью ± 1,5%
- Датчик ACS713 – оптимизирован для измерения постоянного тока до 30А. Имеет вдвое большую чувствительность чем его универсальный собрат.
- Датчик ACS754 – измерение постоянного и переменного тока до 200А с точностью ± 1,5%
- Датчик ACS755 – оптимизирован для измерения постоянного тока.
- Датчик ACS756 – датчик для измерения постоянного и переменного тока до 100А с напряжением питания 3-5В.

Рисунок 24: Зависимость выходного напряжения датчика от тока
Достоинства:
- широкий диапазон измеряемых токов с частотой до 50-100кГц и выше;
- измеряет постоянный и переменный ток.
- гальваническая развязка
Недостатки:
- Дорого
Дополнительные ссылки:
Измерительные трансформаторы постоянного тока analogiu.ru/6/6-2-2.html
Катушки Роговского www.russianelectronics.ru/leader-r/review/2193/doc/54046
Эффект Холла в википедии: ru.wikipedia.org/wiki/Эффект_Холла
Датчики Холла robocraft.ru/blog/electronics/594.html
Данилов А. Современные промышленные датчики тока www.soel.ru/cms/f/?/311512.pdf
Проектирование схем на базе аналогового усилителя HCPL-7851 www.kit-e.ru/assets/files/pdf/2010_04_26.pdf
Заключение
Я поставил перед собой задачу сделать обзорный материал по датчикам, наиболее часто используемым сообществом при разработке различных устройств. Большинство датчиков не вошли в цикл лишь по той причине, что в ближайшем будущем для моих материалов они не понадобятся, но некоторые из них в планах. Обязательно сделаю отдельный материал с датчиками ускорения, угловых скоростей, компасом и примерами, так что следите за новыми статьями!
Автор: radiolok
