
В этой статье я хочу рассказать о своём опыте работы с микрокалькулятором «Электроника МК-90».
Будет рассмотрено несколько вариантов работы с модулем памяти калькулятора, а также несколько игр на нём.
Данный калькулятор по своей сути это «портативная электронно-вычислительная машина на основе оригинального энергоэффективного асинхронного микропроцессорного набора серии 588, которая имеет встроенный интерпретатор языка Бейсик».
Мой образец был выпущен в апреле 1990 года и имел цену 1500 рублей.
Под одной из крышек устанавливаются четыре батарейки формата АА.
Под другой — два модуля оперативной памяти.
▍ Ознакомление с ОЗУ
Промышленность выпускала сменные модули памяти объёмом 10 Кбайт. Литиевый источник питания формата CR2016 обеспечивал сохранность данных около 1 года.


Конечно, в настоящее время информация на данном модуле была утеряна.
В интернете удалось найти сборник ПО для данного микрокалькулятора, в том числе и игры.
Человеком развившим тему общения модуля памяти с ПК был поляк Piotr Piatek. В своём блоге он вдоль и поперёк препарировал МК-90.
▍ Варианты записи информации на модуль памяти
Самый первый вариант программатора предложил сам Piotr Piatek. Это была довольно простая схема с использованием LPT-порта.

Так как на моём (а скорее всего и на большинстве современных) ПК нет данного порта, от этой схемы я отказался.
Второй вариант я подсмотрел у Ильи Данилова в его блоге.
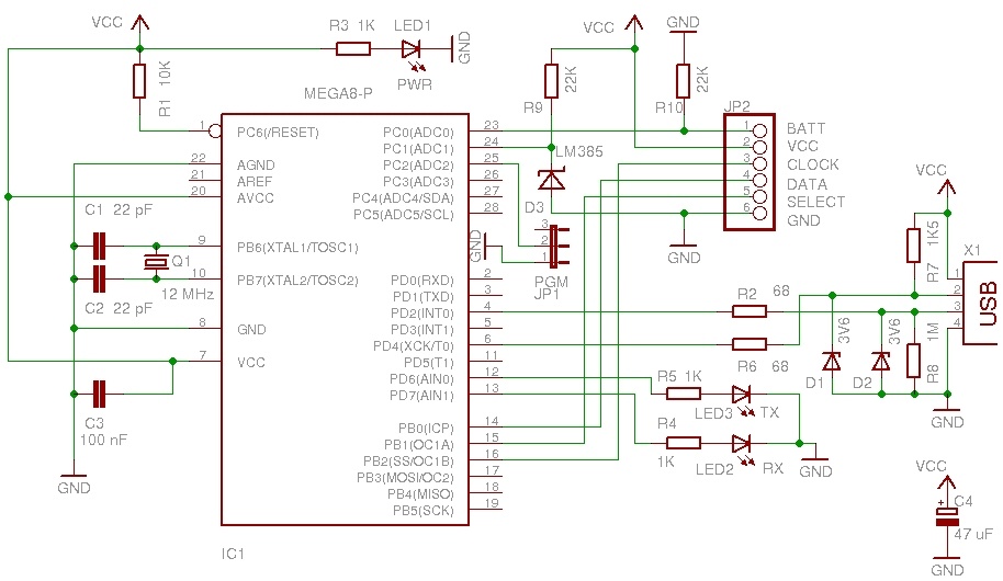
Данная схема общается с ПК через USB порт и требует наличия программатора, так как построена на микроконтроллере ATmega8-16PU.

Весь необходимый софт Илья написал сам, за что ему респект. Однако блог давно уже не обновлялся. Надеюсь, что у него всё в порядке :)
После сборки схемы и прошивки микроконтроллера через программатор Тритон меня постигла неудача:

Выглядит похоже на авторскую плату, но не работает :(
При подключении данной схемы мой ПК находил новое устройство, однако идентификаторы были нулевые, несмотря на все мои танцы с бубном.
Третий вариант также нашёлся в интернете и не потребовал наличия программатора.
Пользователи walhi и Radon17 на форуме zx-pk.ru предложили использовать два программатора USB ASP.
Суть такова: сначала через первый программатор мы прошиваем второй. После данной процедуры мы можем общаться с МК-90, используя второй программатор.
Идея простая и рабочая. Остаётся лишь к шлейфу припаять разъём для подключения модуля памяти. Необходимые драйвера и софт также доступны на вышеуказанном форуме.
На фото уже прошитый программатор с изготовленным шлейфом.
▍ Пробная запись и запуск игр
Следует отметить, что используя ПО для записи информации на модули, имеется возможность лишь записи и чтения. Режим «стирание» не предусмотрен. Поэтому для экспериментов с разными играми приходилось извлекать литиевую батарейку из модуля.
Вот небольшой перечень игр, которые корректно запустились на калькуляторе. Большинство игр занимают по 10 Кбайт, лишь игра «шахматы» занимает 20 Кбайт и требует соответственно два модуля памяти.
- Бокс
- Головоломка
- Змейка
- Космос
- Пакман
- Теннис
- Ханойская башня
- Ночная разборка (Сергей Сургутский)
- Робокоп (Сергей Сургутский)
- Терминатор 2 (Сергей Сургутский)
- «Весёлая Птичка» (2019) от Azya
Полный список, со ссылками на архивы можно найти тут.
Запуск всех игр смонтировал в небольшой ролик:
В интернете также нашёл альтернативные игры, написанные для эмулятора. Запустить их на «живом» калькуляторе не представилось возможным. Образ записывался корректно, однако при запуске отображалась ошибка.
▍ Заключение и благодарности
Надеюсь вам было интересно окунуться в мир старой компьютерной техники, благодарю за внимание!
Хотелось бы выразить отдельный почёт и уважение Сергею Фролову aka sfrolov, а также сайту zx-pk.ru.
Автор:
AntonioCerutti
