Данный материал создан учеными Национального исследовательского университета «МЭИ» (НИУ «МЭИ») кафедры Автоматизированных систем управления тепловыми процессами (АСУТП). Представленные сведения основаны на результатах исследований и отражают профессиональное мнение авторов.
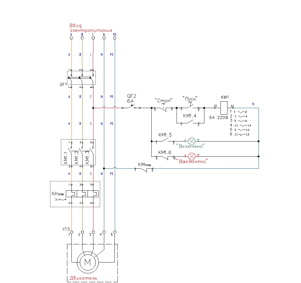
Схема пуска и стопа с самоподхватом нужна для того, чтобы при нажатии на кнопку «Пуск» на контакторе, можно было не задерживать эту кнопку. При этом схема продолжит работать, так как контактор подхватил сигнал и теперь напряжение никуда не уйдет, пока не будет нажата кнопка «Стоп». Такая система позволяет надежно и эффективно управлять двигателем.

Тепловое реле в данной схеме выступает как помощник, который не позволит перегрузить двигатель. Основной задачей теплового реле – предотвращать и защищать от перегрева и высоких нагрузок, так как оно реагирует на изменение температуры. Температура может вырасти, если вырастет значение силы тока в проводе. В качестве защиты также используется автоматический выключатель, который разрывает цепь, если ток превышает определенное значение. Для автоматического выключателя QF2 это значение 6А.
Световая индикация в данной схеме необходима для обеспечения наглядности работы. Она показывает рабочее состояние двигателя. Для удобства ассоциации: зеленая лампа означает «включено», а красная – «выключено».
Когда мы разобрались с основными элементами схемы, можно перейти к принципу работы. Для этого рассмотрим несколько моментов времени. Изначально автоматический выключатель включен, катушка КМ1 обесточена, соответственно, двигатель не работает. Поэтому напряжение подается только на замкнутый контакт КМ1.6, который позволяет гореть лампе «выключено».
В момент нажатия кнопки «Пуск» - по катушке КМ1 протекает ток. Так как напряжение на катушке есть, то это приводит к замыканию контактов на фазах А,В и С, из-за чего двигатель включается. Вместе с этим происходит замыкания контакта КМ1.4, который отвечает за самоподхват. Он позволяет продолжить работу, так как, отпустив кнопку «Пуск», ток пойдет в обход через замкнувшийся контакт КМ1.4. Начинает гореть лампа «Включено», так как ток протекает через замкнувшийся контакт КМ1.5, а контакт лампы «Выключено» разомкнулся – красная лампа больше не горит.
Далее наступает время работы двигателя. Катушка КМ1 под напряжением, контакт КМ1.4 продолжает быть замкнутым и позволяет продолжать работу двигателя без удерживания кнопки «Пуск». Теперь завершить работу можно только с помощью кнопки «Стоп». Она находится до кнопки «Пуск» и подключена последовательно. Поэтому, при нажатии на «Стоп» - цепь разрывается, катушка КМ1 больше не получает питание. Все контакты переходят в первоначальное состояние, снова загорается красная индикация «Выключено».
Схема пуска и стопа двигателя с самоподхватом является фундаментальной, потому что можно использовать ее во многих системах теплоснабжения. Она обладает следуюзщими преимуществами: простая и легко ремонтируется; низкая стоимость компонентов; энергоэффективна, так как не требует энергии для «удерживания»; высокая безопасность и надежность во многом благодаря тепловому реле; схема универсальна и стандартна, есть световая индикация. Но существуют и недостатки: отсутствие плавного регулирования – двигатель может либо работать, либо не работать; сильно ограничен функционал, так как предоставляется минимум информации; для больших мощностей будут большие шкафы управления; требуется периодический осмотр, так как контакты и реле могут подгорать.
Такие схемы используются в системах теплоснабжения: циркуляционные насосы, которые «гоняют» теплоноситель по контуру – схема обеспечивает непрерывную работу и защищает электродвигатель от перегрузки; дутьевые вентиляторы подают воздух для горения – важно, чтобы они работали бесперебойно; дренажные, аварийные, конденсатные насосы – откачивают воду или конденсат.
Данная схема важна в теплоснабжении, так как самоподхват гарантирует, что вентиляторы или насосы не остановятся из-за малейшего дребезга контактов или кратковременного пропадания напряжения. Тепловое реле обеспечивает защиту от перегрева или перегрузки, так как есть риск остановки циркуляции и сбоя в теплоснабжении здания или района. Кнопки «Пуск» и «Стоп» просты в управлении, а световая индикация позволяет быстро оценить состояние.
Автор: ASUTP_MPEI
