Предлагаю вашему вниманию разработку прототипа усилителя звука мощностью 600 Вт
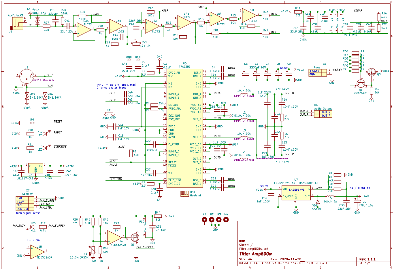
В усилителе используется микросхема TPA3255 производства компании Texas Instruments. Это высокоэффективный, высококачественный четырехканальный усилитель класса D.

Принцип работы достаточно простой. На вход микросхемы подается аналоговый сигнал, он преобразуется в PWM и подается на выходные силовые каскады.
Нас интересует один из режимов работы микросхемы, PBTL параллельное мостовое включение выходных каскадов. Этот режим обеспечивает максимальную выходную мощность.
Конфигурирование режимов работы микросхемы осуществляется подключением входов управления в заданные состояния, что позволяет работать усилителю без управляющего микроконтроллера.
Кроме режима PBTL микросхема поддерживает другие режимы работы, основные из них:
-
SE – четыре отдельных канала с выходной мощностью до 148 Вт на канал в зависимости от выходной нагрузки и допустимых искажениях;
-
PBL – два канала с выходной мощностью до 315 Вт на канал в зависимости от выходной нагрузки и допустимых искажениях.
Кроме этого, внешние входы синхронизации позволяют включать несколько микросхем параллельно и суммировать выходную мощность для получения более 600 Вт.

Рассмотрим включение микросхемы более детально
Питание микросхемы:
-
PVDD силовое питание выходных каскадов усилителя 53.5 В;
-
GVDD питание драйверов затворов 12 В;
-
VDD питание схемы управления и подготовки сигнала 12 В.
Кроме этого, внутри микросхемы есть источник опорного напряжения VBG, источник питания аналоговой части AVDD 7.75 В, источник питания цифровой части DVDD 3.3 В. Эти источники не предназначены для использоваться снаружи микросхемы, но должны быть подключены к внешним фильтрующим конденсаторам емкостью 1 мкФ.
Входы питания PVDD, GVDD, VDD микросхемы защищены схемой контроля понижения напряжения питания (UVP - Under Voltage Protection) При срабатывании этой защиты будут отключены выходные каскады усилителя и выход статуса состояния FAULT будет переключен в логический 0, вплоть до устранения причины.
Режим работы PBTL задается подключением входов M1 и M2 к общему проводу, и заземлением аналоговых входов INPUTC и INPUTD. В этом режиме на входы INPUTA и INPUTB подается балансный аудиосигнал с номинальным уровнем 2 V RMS. Выходы OUTA и OUTC включаются параллельно, выходы OUTB и OUTD включаются параллельно.
Время задержки при включении задается конденсатором на выводе C_START, для режима PBTL его емкость должна быть 47 нФ.
Частота PWM сигнала задается резистором на выводе FREQ_ADJ
|
Номинал резистора на выводе FREQ_ADJ |
Частота PWM |
|
30 кОм |
450 кГц |
|
20 кОм |
500 кГц |
|
10 кОм |
600 кГц |
Чем выше частота, тем больше динамические потери в выходных каскадах. И тем легче отфильтровать частоту PWM в выходном сигнале.
Защита от перегрузки и короткого замыкания выходных каскадов настраивается резистором на выводе OC_ADJ .
Контроль перегрузки реализован отдельно для верхнего и нижнего транзистора каждого выходного полумоста.
Схема защиты от перегрузки может работать в двух режимах CB3C (Cycle By Cycle Current Control) и Latching Over Current.
В режиме CB3C ограничение тока происходит непосредственно на каждом цикле PWM с выводом нулевого сигнала на выход статуса CLIP_OTW, при этом для каждого цикла, в котором сработала защита, увеличивается счетчик перегрузки для каждого цикла PWM, без перегрузки – счетчик перегрузки уменьшается. Когда счетчик перегрузок доходит до максимального значения (например, при коротком замыкании на выходе) каскад полностью отключается, устанавливается статус на выходе FAULT в ноль, вплоть до сброса состояния микросхемы сигналом RESET.
В режиме Latching Over Current при обнаружении перегрузки выходной каскад отключается, устанавливается статус на выходе FAULT в ноль, вплоть до сброса состояния микросхемы сигналом RESET.
Режим работы схемы защиты устанавливается номиналом резистора подключенного к входу OC_ADJ
|
Сопротивление резистора подключенного к входу OC_ADJ |
Режим работы схемы защиты |
Уровень тока при срабатывании защиты |
|
22 кОм |
CB3C |
17.0 A |
|
24 кОм |
CB3C |
15.7 A |
|
27 кОм |
CB3C |
14.2 A |
|
30 кОм |
CB3C |
12.9 A |
|
47 кОм |
Latched OC |
17.0 A |
|
51 кОм |
Latched OC |
15.7 A |
|
56 кОм |
Latched OC |
14.2 A |
|
64 кОм |
Latched OC |
12.9 A |
Для нашего применения мы используем режим CB3C с током ограничения 17 А. Выбираем резистор сопротивлением 22 кОм.
Микросхема имеет защиту от перегрева с двумя уровнями:
-
Overtemperature Warning – OTW , температура кристалла микросхемы превысила 120°C с выводом нулевого уровня на выход статуса CLIP_OTW. При охлаждении микросхемы состояние возвращается в рабочий режим.
-
Overtemperature Error – OTE, температура кристалла микросхемы превысила 155°C, каждый выходной канал переводится в отключенный режим, на выход статуса FAULT выводится низкий уровень. Микросхема вернется в рабочий режим после сброса сигналом RESET.
Вход RESET предназначен для остановки усилителя, отключения выходных каскадов, сброса состояний защиты микросхемы. Активный уровень низкий. Вход требует внешней подтяжки к уровню 3.3 В. При переводе входа RESET в логическую единицу запускается процедура конфигурирования усилителя в соответствии с режимами заданными на входах управления.
Выходы FAULT и CLIP_OTW сообщают о состоянии внутренних схем защиты. Оба выхода типа ’открытый коллектор’ с внутренней подтяжкой к 3.3 В. Оба выхода имеют низкий активный уровень. По сути, выход CLIPOTW символизирует о необходимости уменьшить уровень входного сигнала, а выход FAULT означает о наличии серьезного сбоя в работе усилителя.
Выходы BSTA BSTB BSTC BSTD предназначены для подключения конденсаторов питания драйверов затворов верхних транзисторов соответствующего полумоста.
Входы OSCIOM и OSCIOP предназначены для синхронизации PWM нескольких микросхем усилителей работающих на общую нагрузку. Такой режим позволяет получить мощности на нагрузке более 600 Вт.
Описание схемы

Для питания усилителя требуется источник питания на 53,5 В. Пиковая мощность, которую может выдать усилитель 600 Вт. В зависимости от характера музыки средняя мощность может составлять 15% – 30% процентов от пиковой. Источник питания должен обеспечивать среднюю мощность, а пиковая мощность будет браться с конденсаторов, расположенных на плате усилителя. Нужно обратить внимание, что при пиковой мощности 600 Вт токи, протекающие по плате, превышают 10 А, сама плата и компоненты должны обеспечивать работоспособность при таких токах с запасом.
Суммарная емкость конденсаторов на плате по питанию 53.5 В превышает 10000 мкФ. Разряженная емкость для источника питания равносильна короткому замыканию, у большинства источников питания будет срабатывать перегрузка и они не смогут запуститься и выйти на рабочий режим. Для успешной работы с усилителем источник питания должен поддерживать два режима работы: стабилизации напряжения и ограничения по току. Такой источник при старте ограничивает ток в нагрузку, плавно заряжая емкости по питанию в схеме усилителя. Когда напряжение на емкостях достигает заданного уровня, источник переходит в режим стабилизации напряжения.
Для работы усилителя с любым источником питания в усилитель добавлена схема ограничения тока, реализованная на транзисторах Q3 и Q4.
Микросхеме усилителя требуется напряжение 12 В, понижающий преобразователь питания реализован на микросхеме LM2596HVS-ADJ (или LM2596HV-12), обратите внимание, что требуется применять высоковольтный вариант этой микросхемы, именно HV.
Напряжение 3.3 В получаем линейным стабилизатором LM1117-3.3 или ее аналогом.
Для управления вентилятором радиатора охлаждения реализована отдельная схема на терморезисторе TH1 10 кОм, операционном усилителе U1 и транзисторе Q6. Терморезистор начальным сопротивлением 10 кОм в корпусе 0603 размещен под микросхемой усилителя и косвенно измеряет температуру, исходя из этого, температуру включения вентилятора разумно выбрать в районе 45°C – 50°C , несмотря на то, что терморезисторы в таком типоразмере бывают с различными температурными коэффициентами, сопротивление этих резисторов уменьшается в два раза от начального в диапазоне температур от 40°C до 50°C В схеме я использую резистор R45 4,7 кОм для установки уровня срабатывания вентилятора, запаивая параллельный резистор R30 можно уменьшить сопротивление и тем увеличить температуру срабатывания. На операционном усилителе заведена положительная обратная связь для реализации гистерезиса на включение/отключение вентилятора.
Была мысль реализовать плавное включение вентилятора, пропорционально температуре. Сделать это можно либо плавно изменяя напряжение на вентиляторе, либо использовать вентилятор с входом PWM для управления оборотами. В случае с плавным изменением напряжения регулирующий транзистор придется ставить достаточно мощный и на нем будет рассеиваться мощность до трех ватт, что для любительского применения возможно, но вряд ли допустимо в серийном изделии на мой взгляд. Для варианта с регулировкой оборотов вентилятора через вход PWM необходим микроконтроллер, что для данного прототипа мне показалось избыточным, и требуется вентилятор с данным входом.
Охлаждение микросхемы усилителя. Сверху корпуса микросхемы расположена площадка для передачи тепла на радиатор, в отличии от микросхем у которых площадка расположена со стороны платы, такая схема отвода тепла позволяет сократить тепловое сопротивление между корпусом микросхемы и радиатором, тем самым понижая температуру и позволяя увеличить максимальную отдаваемую мощность. У производителя Texas Instruments есть варианты микросхем усилителей с площадкой со стороны платы с меньшей выходной мощностью. При ориентировочном КПД усилителя в 90%, при пиковой мощности, в радиаторе потребуется рассеять около 60 Вт.
Для охлаждения микросхемы заложено крепление штатного радиатора для процессоров Intel под сокет LGA1150/LGA1155/LGA1156. Для передачи тепла от микросхемы на радиатор используется дополнительная пластина.
На вход усилителя требуется подавать дифференциальный сигнал (балансный), это позволяет значительно сократить наводку синфазной помехи на сигнальный кабель.
Для ввода балансного сигнала в усилитель использован разъем профессиональной аудио аппаратуры типа XLR.
Балансный сигнал используется преимущественно в профессиональной звуковой аппаратуре, в других сферах довольно затруднительно найти источник дифференциального сигнала. Для подключения однопроводных источников сигнала в схеме реализована схема согласования на операционных усилителях U3, U4, U5.
Входной буфер на U3 обеспечивает высокое входное сопротивление усилителя и стабильные характеристики независимо от различных возможных источников звука. На входе реализован фильтр второго порядка для удаления из сигнала шумов выше звукового диапазона. Фильтр реализован на проходной емкости защитного супрессора VD2, резистора R27, конденсатора C33 и резистора R26. U3B включен инвертирующим усилителем с коэффициентом усиления равным единице, при необходимости им можно задать предварительное усиление.
На операционном усилителе U4 реализована классическая схема активного регулятора громкости профессиональной звуковой аппаратуры. Эта схема реализует логарифмическую функцию регулировки громкости от угла поворота переменного резистора линейного типа. Второй операционник U4B дополнительно усиливает сигнал в десять раз.
На операционном усилителе U5 реализовано формирование дифференциального сигнала для подачи на микросхему TPA3255.
Как и для большинства импульсных силовых микросхем трассировка печатной платы определяет характеристики и качество работы прибора в целом. Для платы усилителя следует применять стеклотекстолит FR-4 с медной фольгой двойной толщины (2 oz – двухунцевый стеклоткстолит).
Мне довольно трудно оценить насколько интересна тема разработки электроники читателям Хабра и насколько детально имеет смысл описывать устройство, конструкцию или принцип работы. Кроме того, так как при разработке данного проекта отсутствовало реальное техническое задание, то какие то аспекты могут показаться чрезмерными, а какие-то недостаточно проработанными. Если у вас возникло желание реализовать или встроить в свой прибор данный усилитель я готов внести изменения под реальные потребности.
Так же, если у вас есть предложения разработать какую-то плату или схему для публичного доступа, или совместной разработки, готов рассмотреть.
Проект схемы и платы в KiCAD можно найти здесь.
Автор: mx-yh
