Корпус пластиковый, крышка плоская из стекла, тонарм двойной - один с фотодатчиком. Управление полностью автоматическое: нажал пуск - тонарм поднялся доехал до начала пластинки, опустился. Есть возможность нажать номер трека от 1 до 8 и если повезет то тонарм опустится в паузу и начнет играть нужную песню. В конце автостоп и возврат тонарма на место.
Разбираем.
Снимаем резиновый мат со стола (эта круглая штука на которую кладется пластинка)
и видим в столе два отверстия за которые удобно его взять пальцами и поднять. Затем крепим тонарм чтобы не болтался, переворачиваем аппарат и откручиваем десяток саморезов на которых крепится нижняя крышка корпуса.

Весит эта штука 10кг, внутри тороидальный трансформатор питания в железном кожухе, плата блока питания, плата управления тонармом, плата драйвера двигателя, и механика тонарма. Никакого усилителя тут нет выход со звукоснимателя проводом на внешний предусилитель-корректор и усилитель.

Шильдика на моем экземпляре не было, но по датам на деталях делаю вывод что где-то между 1983 и 1986 годами. Аппарату 40 лет, он включается но при нажатии на пуск щелкает и ничего не происходит.
Сначала посмотрим блок питания

Трансформатор выдает 10В переменки и отдельно по 20В переменки с общим проводом, на выходе отдельный стабилизатор 5 вольт для питания логики, и двуполярное напряжение +-15 Для питания драйвера двигателя, 22 вольта - соленоид в приводе тонарма.

Все напряжения были в норме но все равно меняем конденсаторы

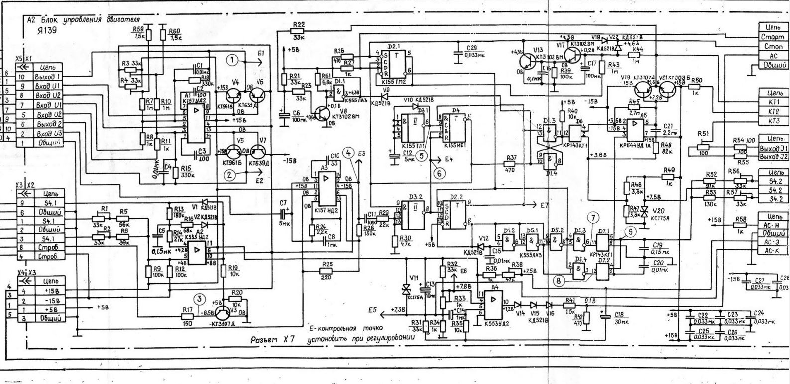
Плата управления тонармом собрана на логических микросхемах, меняем все конденсаторы - и сразу замечаем результат, тонарм поднимается, двигается, диск крутится. Подстраиваем чувствительность оптодатчика и тонарм опускается на край пластинки.

Вот так раньше из физических элементов "И" "ИЛИ" "НЕ" Счётчики и тп. собирался алгоритм работы.
Как пример:
Нажали кнопку пуск:
1 Если тонарм на своем месте, - то включи соленоид на 0,5 с и двигатель механизма тонарма в правую сторону.
2 Разомкнулся концевик 1 положения тонарма, - подай команду на запуск двигателя
3 Поступил сигнал от оптодатчика (тонарм дошел до края пластинки) - двигатель механизма тонарма в левую сторону
4 Сработал концевик тонарма (микролифт внизу) - стоп двигатель тонарма идет воспроизведение
Все паузы зарядом разрядом конденсаторов - тут и была проблема конденсатор высох и время работы соленоида было недостаточно в итоге в механизме тонарма программный диск не успевал войти в зацепление и необходимого процесса не происходило. В сети есть пример когда все это заменили на один простенький МК и всю логику написали программно.

Основной двигатель который вращает пластинку тут особенный, низкооборотистый и стол с пластинкой находится непосредственно на валу двигателя.

А это внутри: на дне катушки и датчики холла, чуть выше еще одна катушка но статор выполнен с множеством зубчиков - по его данным определяется скорость двигателя.

В данном механизме была заменена бронзовая втулка, так как был довольно большой люфт.


Схема управление двигателем полностью аналоговая, двигатель же как мы видели безколлекторный, на катушки снизу подается переменный ток, а постоянный магнит в переменном магнитном поле начинает вращаться. Цель - заставить его вращаться строго 33 или 45 оборотов в минуту. В данной модели нет кварцевой стабилизации, частота задается отдельным LC - генератором, затем обороты двигателя считываются с датчика (те зубчики которые я выше показывал) оба сигнала интегрируются и сравниваются на основании сравнения формируется сигнал управления для увеличения или снижения скорости. Подробное описание можно найти в сети, но меня удивляет насколько сложнее было инженерам в те времена в принципе такие вещи делать чем сейчас.

После замены конденсаторов настраиваем генератор и обороты двигателя.
Корпус устроен так что в перевернутом аппарате двигатель можно достать, перевернуть и одеть на него стол. Затем в контрольных точках на разных скоростях выставить соответствующую частоту сигнала.

Тонарм тоже имел люфты во всех направлениях. Люфт горизонтальной оси устраняется просто - подтягиванием винтов снаружи. А для настройки вертикальной оси пришлось тонарм снять - а это наверно самое сложное в данном ремонте.
Внизу из тонарма выходит десяток тонких проводов и припаиваются к плате, отпаиваем и отодвигаем плату.

Снимаем часть механики тонарма, этот красный фетр на пружинящей пластине придерживает тонарм при его автоматическом передвижении над пластинкой, в момент воспроизведения механика его отжимает и освобождает тонарм.

Движения тонарма были немного с рывками, заменил фетр на фторопласт, стало намного лучше.

Черная пластиковая деталь с выступом внизу справа - шторка оптического датчика автостопа - определяющего когда тонарм дошел до конца пластинки (до яблока в центре).

Пробковая прокладка - во время движения тонарма через нее передается момент от двигателя, если тонарм держать рукой то будет просто проскальзывать по пробке и не сломается.

Почти добрались - остатки механики тонарма, эта шестерня с ним жестко не связана. Ниже оголился программный диск, за счет формы его поверхностей при определённом направлении вращения происходит опускание и поднимание тонарма и соединение- разъединение привода.

И через несколько операций можно снять тонарм целиком - нужно снова перевернуть весь аппарат, снимается он вверх.

Двойной тонарм - датчик (в нем инфракрасный светодиод и фотодиод по отражению от пластинки фиксируют начало и паузы между треками), и тонарм без "шелла" держателя звукоснимателя. Здесь он съемный на стандартном механизме крепления.

Вертикальная ось на насыпном шарикоподшипнике, по обе стороны от втулки конические шайбы и регулировка двумя гайками.

Все разобрал, помыл. собрал, заложил смазку


Как позже выяснилось моя смазка сильно загустела и пришлось ее всю вымывать - смазал по итогу жидкой силиконовой смазкой, с ней прекрасно работает.
От старости места под саморезы трескались, ремонтировал их медными втулками.

На фото ниже видно пружинку антискейтинга, -снаружи ручка, при повороте которой леска наматывается на ось и растягивает эту пружинку, а пружинка пытается повернуть тонарм от центра пластинки.

Ножки внутри себя содержат пружинку, заменил на них Фетр.

Звукосниматель был заменен на новый китайский AT3600.
Маленькое видео как это работает
Автор: alexhott
