.jpg)
Привет! Все знают, какие неприятности порой доставляют внезапные проверки, при которых необходимо скоординировать действия сотрудников. Для этого в нашей компании было решено реализовать систему оповещения.
Имеется:
- 3-этажный обычный офис
- пост охраны, находящийся на расстоянии около 100 метров от офиса
- камеры наружного видеонаблюдения
Изначально планировалось установить кнопку включения тревоги в КПП и поставить в кабинетах звонки/сигнальные маяки. Это требовало разводки проводов внутри офиса (лишняя пара проводов в КПП уже была, как запасная телефонная), а также привело бы к лишним вопросам при обнаружении.
Потом пришло решение сделать оповещение на базе существующей внутренней телефонной сети. В компании установлена мини-АТС Panasonic TDE 200.
Порывшись в настройках, нашел функцию вещания.
-2.jpg)
Данная функция дает возможность создавать конференцию с максимальным количеством участников до 32х, но имеет свои недостатки:
- конференцию абонент может создавать только с цифрового телефона (на посту охраны установлен обычный аналоговый)
- необходимо ждать, пока все одновременно поднимут трубку, чтобы за раз послушать сообщение создателя
В итоге придумал схему, при которой достаточно минимума действий для запуска системы – кнопка, установленная в КПП, запускает плеер с повторяющимся сообщением, а также включает телефон — создатель конференции.
Старый цифровик KX-T7436 из старого офиса давно лежал без дела
-3.jpg)
Осталось докупить плеер, реле с двойным замыканием, и блок питания.
Из предложенных вариантов реле выбрал HLS-14F3L-DC12V-C
Плеер выбрал кассетный, с гнездом для блока питания — Sony Walkman WM-FX199
-5.jpg)
Блок питания купил с переключением уровня напряжения
-6.jpg)
А для кнопки замыкания реле использовал блок питания от старого свитча.
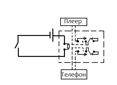
Все это собрал по данной схеме:
-7.jpg)
А плеер к телефону подключил с помощью кабеля телефонной трубки, на другой конец соединил обычный 3,5 мм jack от наушника
-8.jpg)
В собранном виде это выглядит так
Осталось настроить телефон и АТС.
Редактируем и добавляем телефонные номера в группу вещания
-10.jpg)
А на телефонном аппарате настраиваем горячую линию (автоматический набор при поднятии трубки)
Включение горячей линии:
* – 7 – 4 – 0 – 1
Настройка номера вещания
* – 7 – 4 – 0 – 2 – * – 3 – 2 – 1 – #
Теперь при нажатии кнопки включается плеер и телефон (т.к. телефонная трубка отсутствует, срабатывает автонабор вызова группы вещания). У абонентов звонит телефон и при ответе играет мелодия. Была также настроена переадресация на мобильные телефоны сотрудников, если абонент не отвечает через определенное время.
P.S.: Извиняюсь за качество фотографий.
Автор: ting_tang
