Мультимедиа-плеер MP2898BT очень удобен как собственно плеер, так и как база для построения беспроводных колонок, музыкальных центров и т.п. Как правило, дома совместно с МР2898ВТ работает усилитель мощности, который также хотелось бы включать или выключать вместе с плеером. Эту задачу возможно реализовать с помощью блока коммутации BM146, однако имеются некоторые тонкости подключения, которые мы подробно рассмотрим. + видео применения медиаплеера в автомобиле.

Нам потребуется:
1) источник питания 12 Вольт, если медиаплеер используется дома (например, PW1215B);
2) модуль MP2898BT, доработанный под напряжение питания 12В;
3) диод – практически любой. Например, 1N4007 или 1N4148;
4) электролитический конденсатор ёмкостью 10…22 мкФ на напряжение 16В или 25В.
Во-первых, необходимо убедиться, что модуль MP2898BT может быть запитан от напряжения 12В. Для этого на модуле должен быть установлен стабилизатор, как показано ниже. На некоторых модулях этот стабилизатор установлен на заводе – в таком случае никаких дополнительных действий не требуется. Если же стабилизатор не установлен, припаяйте его (тип стабилизатора: 7805 в корпусе ТО-252).Также потребуется убрать чип-перемычку 0 Ом, установленную на обратной стороне платы.
Рис.1. Доработка модуля MP2898BT: установка стабилизатора питания

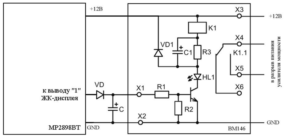
Рис.2. Схема соединения MP2898BT и BM146

Анод диода подключаем к первому выводу (расположенному в районе кнопки Vol+) ЖК-индикатора модуля MP2898BT. Катод диода подключается к контакту Х1 модуля NK146. Также между катодом диода и «-» питания подключаем электролитический конденсатор ёмкостью 10…22 мкФ на напряжение 16…25В, соблюдая полярность. Диод и конденсатор представляют собой простейший выпрямитель, сглаживающий поступающие из модуля MP2898BT импульсы.
Правильно собранная конструкция не нуждается в налаживании: теперь усилитель мощности будет включаться вместе с базовым модулем MP2898BT.
Автор: Давыдов Дмитрий
Вариант применения плеера МР2898ВТ с усилителем BM2043 в автомобиле можно увидеть на видео:
Автор: Мастер Кит
