Уже почти три года назад я делал статью про биогазовые исследования, которые мы проводили в Томске. Статья в то время вызвала значительный интерес и даже сейчас мне на почту приходят письма с просьбой подробней рассказать об этой технологии и перспективах её практического внедрения. Мы не бросили развивать эту тему, накопилось много интересных мыслей и новостей, о которых хочется рассказать, поэтому заинтересованных милости просим под кат.
Что нового?
Самая главная новость — тема до сих пор жива. Идея перерабатывать отходы в что-то полезное и даже выгодное сама по себе греет душу. Напоминаю, что биогазовые технологии позволяют переработать органические отходы (навоз, канализационные стоки и т.п.) в горючий газ и биоудобрение.

Получаемое удобрение можно использовать для увеличения урожайности практически любых растений. К примеру, увеличение урожайности пшеницы, которое было зафиксировано в независимых испытаниях на Алтае по сравнению с контрольными участками где удобрение не использовалось, составило порядка 30 процентов.
На треть! При этом затраты на удобрения составили не более 10 процентов от суммы дополнительно полученной прибыли, что само по себе отличный результат.
В последнее время появились патенты по технологии ускорения получения биогаза, однако применить их в реальных установках пока не представляется возможным, но тот факт, что в этой области продолжаются разработки, безусловно, радует. Самой успешной (на наш взгляд) является технология, описанная в другом патенте, суть которого заключается в добавлении на разных стадиях процесса простой воды, но с измененным окислительно-восстановительным потенциалом. Авторы молодцы, что досконально разобрались в биологической сути процесса.
Биогаз или биоудобрения?
Как и ранее я остаюсь сторонником того, что биогазовые технологии трудно позиционировать как исключительно энергетические. В первую очередь, эти технологии хороши для облегчения экологической ситуации, связанной с утилизацией биологических отходов, которых вокруг сельскохозяйственных предприятий скапливается огромное количество. Это настоящая проблема, которая помимо экологического вреда часто является катализатором вспышек опасных инфекций.

Конечно, в процессе переработки выделяется большое количество биогаза, но он требует тщательной очистки, осушения, сжатия и с ним больше хлопот, чем выгод. Это, в первую очередь, связано с получением из биогаза электричества, что требует огромных затрат. Поэтому разумнее всего, особенно в России, утилизировать биогаз до тепла, которое можно использовать для поддержания самого биогазового процесса и для отопления зданий и сооружений. Мы — холодная страна и тепло будет необходимо всегда. Если не использовать биогаз для генерации электричества, то становится более выгодно строительство и самих биогазовых станций.
Исследовательская установка
Так случилось, что в процессе наших исследований для экспериментальной установки нам требовался навоз в количестве 40-50 кг в сутки. Живем мы в городе, коров у нас нет, как источник биомассы мы себя рассматривали в самом крайнем случае и мы стали искать поставщика навоза. Пришлось навоз возить с пригорода. Приезжаем в деревню и находим подворье с коровами. Зима. Стучимся в дверь, открывает хозяин и мы просим у него навоза. Изумление в глазах. Оно вам зачем, ребята? Говорим, мол, ученые, делаем эксперименты. Надо. Идите, говорит дедок, по добру по здорову. А если будем покупать? По 50 рублей за ведро? Через некоторое время в деревушке под Томском стали ходить легенды о том, что из города ездят чудаки, которые платят деньги за… Ну вы поняли. Но проблемы с сырьем решены.

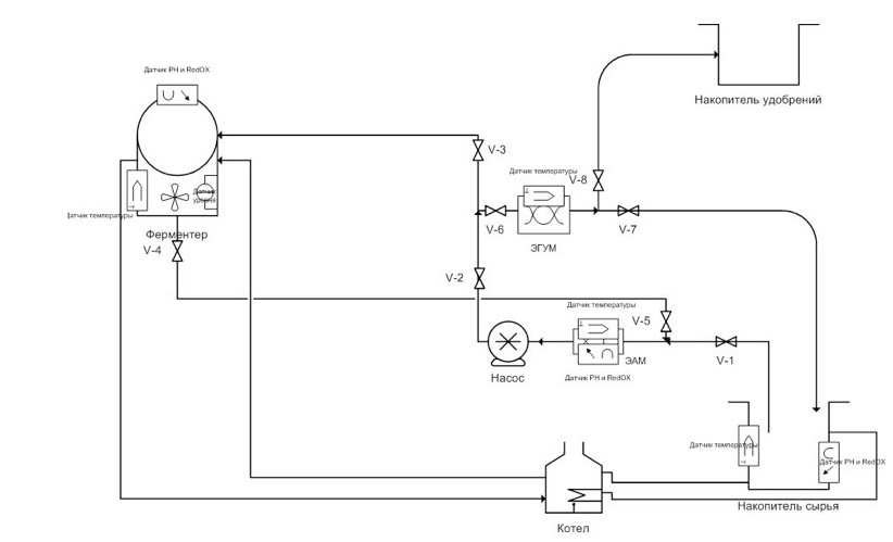
Установка состоит из трех специализированных ёмкостей, связанных собой трубопроводами с запорной (управляемой) арматурой (задвижками). Основой установки является специализированная ёмкость определенного объема, называемой ферментером, также установка содержит ёмкость для пробоподготовки сырья, систему контроля и автоматизации процесса. Система автоматизации и управления установкой — собственной разработки. Ничего особо сложного в ней нет.

Управление процессом осуществляет головной контроллер ГК АСУ, который имеет экран вывода технической информации и всей необходимой телеметрии для нормальной работы оборудования. ГК АСУ связывает все блоки установки через последовательную ассиметричную шину данных. АСУ осуществляет непрерывную телеметрию и управление блока биогазовой обработки (БГО), в том числе снимает следующие данные:
— Температуру обрабатываемой биомассы в камере гомогенизации и стерилизации КГиС (предел 55 гр.С)
— Осуществляет управление насосами для перемешивания и подачи биомассы в основной ферментер ОФ
— Контролирует температуру течения биологического процесса анаэробного брожения в пределе 39 гр.С (блок нагрева установки БНУ содержит электрокотел, твердотельное реле 40 А и температурный датчик DS18B20 с допустимой температурой котла не более 85 гр.С)
— Осуществляет сбор данных с датчиков проводимости, окислительно-восстановительного потенциала и pH (RedOx потенциал не более -100 мВ, pH анаэробной стадии процесса — 6,2)
— Ведёт логгирование всех данных
— Имеет кнопку принудительного перемешивания биомассы при необходимости.
— Имеет датчик утечек метана и систему аварийного отключения оборудования при различных сценариях развития событий, к примеру, от краткосрочных отключений электроэнергии или потери надежного заземления, перенапряжений в сети и т.п.
Ферментеры подлежат монтажу и утеплению для максимального сохранения тепловой энергии, особенно если установка будет в дальнейшем эксплуатироваться на открытой площадке. Самое важное — сделать верный расчет объема главного ферментера (конечно с некоторым запасом).

Конечно, выход биогаза зависит от качества исходного сырья, если можно применить термин «качество» к навозу. Но на самом деле, исходное сырье имеет важнейшее значение. Лучше всего, чтобы сырье было без примесей, посторонних загрязнений, без плесени и ПАВов. Главный закон биогазовой установки — путь сырья к загрузке должен быть как можно короче. Выход биогаза из навоза различных животных, конечно, разный. Это зависит от особенностей пищеварения, что определяет состав и структуру отходов.

В биогазовую станцию может быть добавлены другие органические отходы, такие как очистки овощей, фруктов, свежая трава, хозяйственные стоки и т.п. Это даже лучше, чтобы сырье для станции было смесью различных отходов. Это улучшает процесс переработки, делает его более стабильным, а выход биогаза — больше. При этом на однотипном сырье, к примеру, на чистых свиных стоках или курином помете процесс вообще может остановиться, так как эти субстраты сильно токсичны и их обязательно надо разбавлять другими отходами, обеспечивая буферизацию сырья.
Выходящий из установки газ называется биогазом. Это горючий газ сложного состава. В нем две трети метан, остальное — углекислый газ, сероводород, примеси водорода, аммиака, пары воды. Накапливается газ в специальном газонепроницаемом мягком мешке — газгольдере.

Если накопленный газ очистить от углекислоты и других опасных примесей получаем биометан — полный аналог природного газа. Однако, очистка биогаза дорогая процедура и направлена, в первую очередь, для того, чтобы получать электричество или заправлять автомобили. Если такая задача не стоит — то биогаз можно использовать без особой очистки для получения тепла и горячей воды. Именно для этих целей (по нашему мнению) целесообразней всего использовать биогазовые установки в наших условиях.
Перспективы биогазовых технологий
Для России. И, конечно, это мое частное мнение. Для начала я бы разделил этот вопрос на две части. Промышленное использование биогазовой технологии и различные частные практики.
Промышленное использование биогазовых технологий слабо развивается в принципе из-за практического отсутствия добротных технологий, правового вакуума в законодательстве и жесточайшей коррупции. Безусловно, без бюджетного плеча такие технологии достойно развить не удастся, но как быть с тем, чтобы под маркой развития биогаза не проворачивались коррупционные схемы различных деятелей от инноваций — я не знаю. Остается направление использования биогазовых станций частниками. Вот здесь наблюдается некий наш российский феномен, о котором хочется поговорить особо. Во-первых, в природе нашего человека заложен принцип по возможности никогда ни за что не платить. По крайней мере существенные деньги. А лучше всего халява! Вот это свойство используют всякие жулики, которые завалили интернет видео и сайтами с предложениями за три копейки построить биогазовую станцию, получать биогаз в неограниченных объемах и забыть про все проблемы. Именно такие деятели дискредитировали саму тему биогаза в России, которая, кстати, очень активно развивается сейчас во всем мире. Особенно в Китае. Биогазовая установка не может стоить дешево. Это все-же биотехнология, которая имеет ряд особенностей, требует современного контроллинга, определенной квалификации операторов и т.д. Это не сарайная технология, она требует нового понимания сути сельскохозяйственного производства, принципа неразрывности всех процессов — от подготовки сырья, транспортировки, ветеринарных манипуляций, навозоудаления, заканчивая маркетингом биоудобрений и энергетическим аудитом производства. Только в этом случае биогазовые технологии дадут необходимый эффект. Какой смысл городить биогазовые станции в старых коровниках и на СХ предприятиях прошлого века? Почему не делать новые проекты крупных животноводческих комплексов с интеграцией всех наиболее перспективных и интересных технологий, которые существуют? Ведь очевидно, что именно здесь заложен будущий успех. Опять же — это мое мнение.
Эффект кулака
С одной стороны мы видим большое количество самоделок биогазовых станций, с другой — наблюдается иной феномен. Эффект кулака. Что я имею ввиду? Есть люди, которые занимаются фермерским хозяйством. Такие вот современные кулаки. Хозяйственные и ответственные с одной стороны, но и независимые с другой.

Такие люди дают другой запрос. Они через биогазовую установку хотят приобрести независимость. Газ для себя, никому не кланяться в ноги. Такие люди готовы покупать установки хорошего качества и дорого. Именно на этот необычный сегмент потребителей стоит обратить особое внимание. В этой связи сейчас наша группа ориентирована на создание комплексного решения — минифермы для частного фермера с установкой биогазового синтеза на 500-600 м3 газа в месяц. Для решения этой задачи хватит дюжины дойных коров. Проект самого коровника уже есть, остается его связать с биогазовой установкой, зарегистрировать и придать четкий технический и юридический статус этого животноводческого комплекса.

Почему такой подход? Поясняю. Станция предназначена для независимого отопления усадьбы фермера (до 200м3) и обеспечения горячей водой как его дома, так и на производстве. Электричество из биогаза получать не предусматривается — дорого. Поддержкой проекта (помимо биогаза) является использование биоудобрения. Как для себя, так и для продажи под единым торговым брендом, который набирает обороты сейчас.

Это помогает формально окупить установку за два-три года. Не за два-три месяца, как в рекламе в Интернет или на YouTube, а именно за пару-тройку лет. Чтобы проект такой минифермы довести до ума, нужны электронщики, специалисты по промышленной автоматизации, специалисты- проектировщики легкий зданий и сооружений, эксперты по пожарной безопасности, люди, которые хорошо знают особенности технических регламентов, всяких ГОСТов, СНИПОВ, нужен хороший юрист (на всякий случай), маркетолог, патентовед, конструкторы. Мы делаем этот проект открытым, желающие могут предложить свои компетенции. Так часто бывало, что только всем миром можно что-то сделать. Что-то стоящее. Напишите мне asmtomsk@gmail.com если вам эта тема интересна и( или) есть собственные идеи.

Автор: Uris
