Приветствую! В моих предыдущих статьях (раз и два) вы ознакомились с силовым модулем полумоста, который позволяет построить преобразователь практически любой топологии. Я показал как можно быстро и без особых усилий получить макет силового преобразователя и обкатать идею, а в процессе их реализации были выявлены определенные недостатки.
Увы, но даже в достаточно простых устройствах требуется 2-я ревизия железа, чтобы «подчистить» плохие реализации того или иного функционала, улучшить компоновку и конструктив. В итоге была проведена работа по оптимизации технических параметров и по улучшению удобства работы с модулем. Сегодня в статье я как раз расскажу подробнее о данных изменениях, объясню почему именно так, а в конце статьи вы увидите обновленные исходники и прямую ссылку для заказа плат на PCBway — вам даже не потребуется загружать gerber-файлы, все уже проверено и подготовлено за вас. Поехали!
Изменение №1
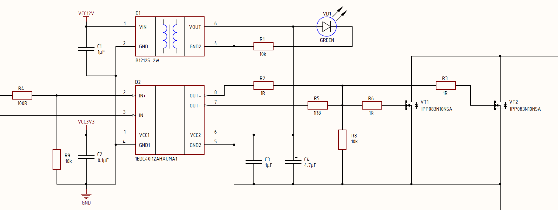
В процессе сбора макета я испытал дикое неудобство от необходимости тащить на силовую плату дополнительное питание +3.3В. Не знаю даже зачем я так сделал, смотрю на схему и сам себя не понимаю)) В любом случае решено было сделать питание для модуля только 12В, а 3.3В получать уже на плате. Ток потребления по шине 3.3В составляет около 10 мА, она запитывать логическую часть драйверов транзисторов, логику аппаратной защиты и 1 светодиод, поэтому ставить dc/dc экономически не целесообразно и было решено применить обычный линейный стабилизатор (LDO):
Изменение №2
Вторая ревизия конструкции была так же оптимизирована по стоимости компонентов. Одним из ключевых компонентов, который определяет характеристики модуля является драйвер для силовых ключей — 1EDC60I12AHXUMA1. Это топовый драйвер от Infineon, но он оказался несколько избыточным, вернее в данной концепции не смог себя реализовать.
Да, у него большой ток 6.8А на открытие и 10А на закрытии, это позволяет коммутировать достаточно большой ток на высокой частоте. В теории круто, но на практике я уперся в ограничение по частоте, вызванное паразитными параметрами цепей и проводов, которые подключаются к модулю. Практический потолок находится где-то в районе 250-300 кГц, а самый «популярный» диапазон рабочих частот примерно 60...120 кГц, поэтому было решено поставить драйвер из той же линейки, но с меньшим током открытия и при этом более дешевый и доступный — 1EDC40I12AHXUMA1. Отличается он в общем-то только меньшим током, на практике были опробованы buck-преобразователь и полумост с рабочей частотой до 250 кГц и данного драйвера оказалось достаточно для получения оптимальных потерь, которые составили примерно 15...20% от статических на канале. При этом данная замена позволила уменьшить стоимость на 6$ только на одной позиции! Кстати, драйвер этот есть в ДКО Электронщик по весьма неплохой цене, правда 2 недели назад распродавали 200 штук по 121 руб, но разгребли их быстро, я сам от жадности хапнул 50 штук в запас.
Вы разумеется можете оставить и старый драйвер, но в РФ он стоит в 2 раза дороже, правда позволит уменьшить суммарные потери на транзисторах примерно на 5..10%. Либо на макетах использовать 1EDC40I12AH, а в продакшен ставить старшего брата 1EDC60I12AH, ибо вся линейка данных драйверов является pin-to-pin совместимой.
Изменение №3
Самой глубокой переработке подверглась аппаратная защита по току. В комментариях было много ценных и не очень советов и вопросов, часть из них была учтена, другая часть мне показалась неактуальной.
Тут хотелось бы немного отойти в сторону и рассказать про микро-эксперимент, который был проведен в первой ревизии. Как помните для развязки силовой части от управления был применен простейший оптрон LTV-817 (это все тот же «народный» PC-817). Его часто можно встретить в обратной связи (ОС) дешевых импульсных источников питания (ИИП), но там он используется в ОС по напряжению, где особого быстродействия не требуется. Я же захотел попробовать его в аппаратной защите по току, т.к. цена у него приятная (около 0,03$) и посмотреть на практике как он себя поведет. В принципе со своей задачей он справляется на частотах до 40...60 кГц, при дальнейшем росте частоты коммутация оптрон уже не успевает (медленно нарастает напряжение) и сквозной ток через ключи проходит в течение 2-3 периодов. Конечно при токе КЗ в 10-15А это лишь вызовет небольшой нагрев и защита все таки отработает, но при питании от сети это 100% бабах — проверил. Эксперимент считаю удался и PC817 можно ставить в защиту, если вы делаете крупносерийное устройство с низкой частотой коммутации, где экономия в 0,2-0,3$ будет являться существенной.
В итоге заменил данный оптрон на быстрый, но более дорогой и менее популярный — TLP2362, с ним время реакции защиты поставляет 2...6 мкс.
Как видите общая идеология осталась прежней, изменилась немного реализация и компоненты. В качестве датчика тока используются 2 параллельно включенных шунта в корпуса похожем на 2512, по сути это 2 точных резистора с 1% погрешностью, более жирными площадками под пайку и мощностью рассеивания 3 Вт, производит их Bourns. В магазинах в РФ они стоят примерно 1-1,5$, но я заказывал 1000 штук на LCSC, они закупили их вероятно катушку сразу и остаток у них появился на сайте, цена 0,05$ или в 20 раз ниже! Закупайтесь пока есть в наличии — ссылка. Обычно таких специфичных компонентов на LCSC нет, а появляются только если кто-то заказал много и магазин закупил их и остатки распродает. Либо вам нужно будет заказать 100+ таких шунтов и тогда привезут под вас.
Сигнал с датчика тока усиливается с помощью операционного усилителя (ОУ) D5, который поднимает напряжение до 4В при 20А. Затем с помощью компаратора D6 данный сигнал сравнивается с эталонным и если он оказывается выше него, то на выходе D6 (вывод 1) появляется логическая 1, которая «зажигает» светодиод в оптроне. Оптрон в данном случае имеет инверсию, то есть при подаче на него лог.1 он на выходе дает лог.0, а чтобы отключить драйверы D2 и D4 им на выводы 3 нужно подать лог.1, получается что сигнал надо инвертировать обратно для чего применен инвертор D8. Получаем, что при возникновение ошибки на выходе защиты устанавливается лог.1 и выключает драйвера, а при нормальном режиме работы на выходе защиты лог.0 и это позволяет драйверам нормально работать.
Конечно, можно было обойтись без инвертора и реализовать «предварительную инверсию» на компараторе, включив его несколько иначе, чтобы при превышение тока он выдавал лог.0, тогда на выходе оптрона была бы лог.1 и инвертор D8 можно было бы удалить из схемы. Я же сделал так как сделал, чтобы логика работы защиты была более понятной начинающим, т.к. данное включение самое очевидное, ну и инвертор по сути является дополнительным усилителем тока, что важно, т.к. на выходе сигнала об ошибке сидит светодиод, 2 микросхемы драйвера и еще наш микроконтроллер, а может вы решите повесить еще что-то, так что запас по току тут не помешает.
Так же ради удобства работы было добавлено 2 джамера. Первый (на схеме J1) служит для отключения сигнала с защиты по току, по умолчанию данный джампер замкнут и подает сигнал на драйвера и ШИМ-контроллер/DSP. Если вам по каким-то причинам необходимо отключить сигнал защиты или завести его на другую схему, то вы можете снять перемычку. Второй (на схеме J2) является просто выходом усиленного сигнала с шунта, чтобы можно было удобно подключить щуп осциллографа или для ОС по току, правда «потеряется» гальваническая развязка.
Изменение №4
На самом деле это группа изменений и она относится к изменению компоновки и разъемов. Во-первых, разъем для соединения с платой управления заменен с WF-6 на BH-10, т.к. последний позволяет более аккуратно оформить шлейф и для сборки шлейфа не требуется пайки или хитрой обжимки. Во-вторых, радиатор был отодвинут от транзисторов на 1 мм, то есть на толщину керамической прокладки, т.к. в первой ревизии это было не учтено и пришлось немного насиловать ноги транзисторов, что не есть хорошо. В-третьих, конденсаторы С7-С9 на силовой шине были отодвинуты еще на 1 мм от радиатора, теперь зазор между радиатором и конденсаторами составляет 3 мм.
Последнее изменение для меня не является критичным, т.к. радиатор при номинальном токе 20А не грелся у меня выше +65 oС, но несколько человек высказались об этой потенциальной проблеме, поэтому было решено потратить лишний миллиметр текстолита.
Изменение №5
Тут скорее не изменение, а просто альтернативная версия — в этот раз была сделана так же высоковольтная версия модуля. Был применен транзистор IPP65R225C7XKSA1, конденсаторы C7-C9 применены в аналогичном корпусе 22х25 мм емкостью 100 мкФ на 400В. Так же в цепи защиты по току вы можете установить всего один шунт, тогда его сопротивление будет 4 мОм, а не 2 и соответственно токовая отсечка будет на 10А вместо 20.
Объективно 20А в высоковольтном модуле не выжать, т.к. размер радиатора не позволит рассеивать столько тепла, а на 10А успешно были протестированы в макете частотника на 3 кВт. Поэтому в высоковольтном модуле ставим по 1 транзистору, а количество шунтов уже выбирайте сами. В принципе если защита на 20А настроена, то от КЗ так же спасет, а при значительном пусковом токе не будет сходить с ума. Так же никто не запрещает в высоковольтном модуле поставить по 2 ключа вверх и вниз, место никуда не делось.
Еще было увеличено расстояние между dc/dc модулем и драйвером, а так же исправлен футпринт модуля. Дело в том, что изначально я модель корпуса модуля (SIP-7) взял с 3dcontent-а и не проверил ее, она оказалась с ошибкой — ноги были на 1 мм дальше от границы корпуса, чем в реальности, поэтому модуль вставал в натяг. Сейчас модель была исправлена и зазор увеличен на 3 мм.
Заказ печатных плат
В первой ревизии я отработал основной концепт модуля и компоновку, вторая ревизия конечно несколько изменила модуль, но не глобально, поэтому было решено заказать сразу 50 плат, собрать себе полный комплект и несколько модулей раздать по знакомым для тестирования повторяемости и живучести в кривых руках лапках.

Для себя собрал 5 модулей: 2 низковольтных и 3 высоковольтных. Именно такой набор я задумывал как «комплект разработчика», т.к. он позволяет собрать не просто отдельный преобразователь, но и смакетировать целое устройство, например, бегло уже протестировал на стабилизаторе напряжения (3 высоковольтных полумоста), на частотнике и сейчас занимаюсь инвертором, который представляет из себя 2 низковольтных модуля для повышения 24В в +-380В по мостовой схеме и один полумост для рисовалки синуса из двухполярного напряжения (про это планирую написать). Поэтому если вы планируете основательно заняться изучением силовой электроники, то собирайте такой же комплект, а для «попробовать» хватит и одного разумеется.

Заказывал платы на PCBway, в принципе можно было попросить их оплатить и эту партию, но как-то жирно 50 плат на халяву получать, поэтому оплачивал сам и могу поделиться достоверной информацией о стоимости плат:
Тут в заказе 2 комплекта плат, но видно, что сами модули обошлись в 64$, то есть каждая плата стоит 1,28$/шт. Доставка стоит 13$ за все, думаю если выкинуть второй комплект плат, то можно было бы уложиться в 10$ на доставку. Итого себестоимость плат вышла 1,48$/шт. Можно сжигать и не огорчаться))
В следующий раз планирую попробовать заказать у PCBway и платы, и компоненты, и монтаж. Интересно посмотреть удастся ли сэкономить в итоге на закупке компонентов. В отличии от LCSC сами PCBway закупаются на digikey, mouser и arrow (эти дистрибьютеры вызывают больше доверия), соответственно можно закупить все разом. В этом же заказе транзисторы и драйвера шли с Электронщика, остальное с LCSC — неудобно и платить за 3 доставки (платы + 2 магазина компонентов) невыгодно, можно сэкономить 20-30$. Если будет интересно, то по данной процедуре и подготовке пакета документации могу написать «туториал».
Как получить платы?
Про это многие спрашивали в личку и в комментариях, я отвечал многозначным «потом» и просто отбивался раздачей исходников, которые прикреплены в конце статей были. К сожалению за первую ревизию я на 100% не был уверен, поэтому просил подождать ее обкатку и ревизию номер два. «Ревизия номер два» настала и я опишу различные способы:
- Взять исходники в виде Gerber-файлов и отправить вашему любимому производителю. Да, я не привязываю вас к конкретному производству, все открыто и демократично. Возможно вы найдете цены ниже или захотите платы из Штатов, а не Китая. Если будут сложности с заказом где-то, то тоже можно спросить меня, постараюсь помочь;
- Заказать в один клик на PCBway — заказать. Качество плат, которые вы получите можно видеть на фотографиях в статье, так же производитель точно не накосячит уже с вырезами внутри плат, а то у других были проблемы, просто не сделали вырезы изоляции под драйверами и dc/dc модулями;
- У меня осталось около 30 плат, в принципе я могу поделиться ими. Единственная просьба — если можете заказать сами, то заказывайте, 5 плат стоят 12$ с учетом доставки. Если по каким-то причинам вы не можете заказать самостоятельно, то пишите — отправлю вам почтой.
Исходники для силового модуля
В этот раз вам доступны не только схема в pdf и gerber-файлы, но и исходный проект в Altium Designer. Вы можете вносить любые изменения или заменить компоненты, например, вдруг вам хочется транзисторы в TO-247, ставьте если считаете это нужным. Предложений и разных советов было не мало в комментариях, объективно реализовать их все не получится, т.к. они иногда противоречат друг другу да и времени у меня совсем не вагон, поэтому у вас теперь есть возможность самостоятельно добавить все свои хотелки и показать всем «как надо делать».
- Принципиальная схема — PDF
- Список компонентов (BOM) — Excel
- Gerber-файлы для заказа печатных плат — RAR
- Исходники в Altium Designer — RAR
Автор: NordicEnergy





