Разработка LED-драйвера – интересная и комплексная задача. Рынок в этом направлении весьма насыщен – иногда кажется, что производство светодиодных светильников везде. Начиная от гаража и заканчивая огромными заводами. Что касается драйверов, гиганты типа Philips или Meanwell с одной стороны, добротные китайцы вроде Moso и Billion с другой, noname китайцы с третьей… В этих условиях к инженерным составляющим (схемотехнической и конструкторской) добавляется задача оптимизации изделия по цене.

Итак, рассказываю про разработку LED-драйвера при существенном ограничении по цене комплектующих.
В своей предыдущей статье я провёл небольшой анализ требований, предъявляемых к светодиодному оборудованию, а также нормативной документации, описывающей эти требования. Настало время рассказать про разработку. Как известно «без ТЗ – результат непредсказуем», с этого и начнём.
Требования ТЗ
- Питающее напряжение 220±10%
- Потребляемая мощность 15 Вт
- Выходное напряжение: 110 — 120В
- Гальваническая развязка: не требуется
- Пульсации светового потока: не более 5%
- Световая отдача: не менее 100лм/Вт
- Коэффициент мощности: не менее 0,9 (также проработать вариант 0,5)
- Конструктивные ограничения: Высота элементов 14мм, максимум SMD (по возможности).
- Стоимость комплектующих LED-драйвера: не более 1$
Анализ вариантов схемотехники LED-драйвера
Рассмотрим варианты реализации.
Вариант без ККМ. В данном случае, так как выходное напряжение 110-120В, нужно делать понижающий преобразователь (buck). На входе buck-конвертера выпрямитель и накопительный конденсатор, это даст постоянное (пульсирующее) напряжение приблизительно 310В. Для того, чтобы было более понятно о чём идёт речь, здесь и далее для каждого варианта буду приводить примеры микросхем, на которых можно реализовать рассмотренную структуру. Примеры микросхем для понижающего конвертера без ККМ: LM3444, HV9910B, HV9961, BP2831.
Одностадийный совмещённый ККМ/стабилизатор тока. Вариант, когда одна стадия преобразования обеспечивает потребление синусоидального тока по входу и стабилизацию тока линейки светодиодов. Примеры микросхем: TPS92074, BP2366, PT6917. Есть и экзотические варианты типа HV9931.
Линейный драйвер. Вариант, когда стабилизация тока обеспечивается засчёт рассеивания части мощности на регуляторе (по аналогии с линейным стабилизатором). Примеры микросхем NSI45090, FAN5640, PT6913, BCR402, BP5131.
Двухстадийный: PFC+стабилизатор тока. Первая стадия – повышающий (boost) ККМ, после него на накопительном конденсаторе получается постоянное напряжение 380-400В. Вторая стадия понижающий (buck) конвертер со стабилизацией тока. Так как данное решение обычно применяется для более мощных LED-драйверов, то обычно для первой стадии (ККМ) применяется микросхема с внешним ключом, например, NCP1650, UCC38051, LT1249.
Одностадийный с пассивным ККМ типа «Valley fill». ККМ этого типа это довольно известная в узких кругах схема, о ней я более подробно напишу ниже.
Использование активного фильтра. Это не самостоятельный вариант, а дополнение к одному из вариантов, которое позволяет уменьшить пульсации тока, а, следовательно, и пульсации светового потока. Активный фильтр можно реализовать как на полевом, так и на биполярном транзисторе. Пример схемы:

Также существуют специальные микросхемы для этой цели, например, BP5609, JW1210.
Есть и другие варианты построения LED-драйверов, например, обратноходовой преобразователь (flyback) или сегментный линейный драйвер, они не рассматриваются, так как очевидно не подходят под требования ТЗ.
Для удобства анализа плюсы и минусы рассмотренных вариантов сведены в таблицу:
| Тип драйвера | Плюсы | Минусы |
|---|---|---|
| Вариант без ККМ (buck) | Не много элементов ➔ дешевле, компактнее.
При наличии электролита на входе можно обеспечить низкую пульсацию света. |
Низкий PF. |
| Одностадийный ККМ (APFC-buck) | Не много элементов ➔ дешевле, компактнее.
Высокий PF. |
Без специальных мер невозможно получить пульсации света меньше 20-30%. |
| Линейный драйвер с электролитом на входе | Очень мало элементов ➔ можно сделать очень дёшево.
Низкие пульсации света. Нет проблемы ЭМС. |
Потери на регулирующем элементе ➔ меньше КПД, проблема отвода тепла.
Низкий PF. |
| Линейный драйвер без ёмкости на входе | Очень мало элементов ➔ можно сделать очень дешево.
Высокий PF. Нет проблемы ЭМС. Подходит для TRIAC-диммеров. |
Потери на регулирующем элементе ➔ меньше КПД, проблема отвода тепла.
Пульсации света 100%. |
| Двухстадийный (boost PFC+buck) | Высокий PF.
Низкие пульсации света. |
Два преобразователя ➔ больше элементов ➔ дороже, больше габариты. |
| Одностадийный + «Valley fill» | Корректор VF проще чем полноценный APFC ➔ дешевле, компактнее чем двухстадийный. | Выходное напряжение VF пульсирующее, с минимальным значением Uвх/2.
Сложно получить PF лучше, чем 0,9. Не подходит для мощных решений. |
| Применение активного фильтра | Позволяет уменьшить пульсации света. | Рассеивает мощность ➔ ухудшение КПД. |
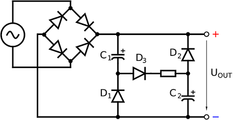
Немного о корректоре «Valley fill»
Перед тем, как анализировать и выбирать варианты нужно кратко пояснить, что такое пассивный корректор «Valley fill». Схема выглядит так:

Конденсаторы C1, C2 заряжены каждый до половины амплитудного напряжения сети. Суть работы схемы заключается в том, что конденсаторы C1, C2 с помощью диодов D1, D2, D3 перекоммутируются с последовательного (при заряде) на параллельное (при разряде на нагрузку) соединение. В результате, нагрузка питается от энергии конденсаторов только в периоды, когда значение выпрямленного напряжения сети становится меньше половины амплитудного значения. Таким образом, длительность потребления тока от сети расширяется и коэффициент мощности увеличивается. Однако, у схемы есть существенный недостаток – выходное напряжение имеет существенную пульсацию – до уровня половины напряжения. Это влияет на выбор напряжения светодиодной линейки, оно должно быть меньше чем половина амплитудного значения входного напряжения плюс некий запас.
Для пояснения принципа работы PFC Valley-Fill сделал spice-модель в LTspice:

Модель доступна тут . Можно скачать и поэкспериментировать, посмотреть принципы работы.
Выбор структуры LED-драйвера
Сначала нужно осветить вопрос гальванической развязки. Устройство (светильник) в целом представляет собой изделие II класса по электробезопасности. Почему не требуется гальваническая развязка? Если устройство в пластиковом корпусе без металлических элементов, к которым может прикоснуться человек, то развязка не нужна, так как защита обеспечена корпусом. Это можно видеть на примере светодиодных ламп – драйверы в LED-лампах никогда не делаются гальванически развязанными.
Вполне очевидно, что мне пришлось отказаться от двухстадийного варианта. Даже если удастся найти для обеих стадий микросхемы со встроенными силовыми ключами (а для boost PFC на первом обзорном этапе (по-быстрому) я не смог найти такие микросхемы, кроме какого-то монстра в гигантском корпусе от Power Integrations), то это всё равно будет две силовых микросхемы и два дросселя. Забегая вперёд скажу, что именно дроссель добавляет существенную часть к стоимости BOM-а. Вариант получается дорогой, кроме того, я прикинул компоновку и понял, что на плату заданного размера это всё не влезет.
Далее, я откинул линейные драйверы. Причина номер один – выходное напряжение 120В, значит на линейнике нужно будет рассеять более половины мощности, это конечно не допустимо. Даже если согласовать увеличение напряжения линейки светодиодов (а такая возможность у меня была), то для таких мощностей линейный драйвер не очень применим. Большая рассеиваемая мощность в компактном пластиковом корпусе превратит его в нагревательный прибор.
Точнее, применить для такой мощности линейный LED-драйвер можно, но только пожертвовав коэффициентом мощности или коэффициентом пульсаций света, чего я делать не собирался. Это и есть вторая причина — невозможно достичь заданных характеристик либо по PF либо по Кп света.
Как вы помните из требований ТЗ, мне нужно предложить два варианта: один без ККМ, а второй с Pf не менее 0,9. В результате анализа выбор для первого варианта очевиден – это понижающий преобразователь (buck) со стабилизацией тока по выходу. То есть, входной фильтр ➔ выпрямитель ➔ электролитический конденсатор большой ёмкости ➔ buck-конвертер. Это вариант довольно простой, и, в общем, не столь интересный для рассмотрения. Далее я буду рассматривать только вариант с ККМ.
А вот для второго варианта я столкнулся с непростым выбором: {корректор «Valley fill» + понижающий преобразователь} или {APFC-buck + активный фильтр на выходе}. Без активного фильтра получить заданные пульсации света не получится – это было мне очевидно.
Сомнения были такие. Схема с активным фильтром это дополнительный силовой транзистор, а, следовательно, увеличение цены, а также дополнительные потери, значит снижение эффективности. В другом варианте меня смущало, удастся ли получить требуемый Pf с помощью схемы «Valley fill». С одной стороны, в appnote от IR получают коэффициент мощности до 0,96, но там есть и нюансы. Например, не хотелось чрезмерно увеличивать сопротивление резистора Rvf. Кроме того, был риск, что не хватит запаса по напряжению для нормального регулирования buck-ом. Моделирование показывало, что запаса хватает, но не факт, что это будет также в реальности.
Итак, вариант с корректором «Valley fill» по моей оценке позволял получить меньшую или ту же цену, при увеличении эффективности, это и стало решающим в моём выборе.
Разработка схемы

Описание элементов схемы:
FU1 – предохранитель, необходим по требованиям безопасности;
RV1 – варистор для подавления микросекундных импульсных помех большой энергии, а также наносекундных импульсных помех;
R1, R2 – резисторы для разряда входного конденсатора при отключении устройства от сети;
C1 – конденсатор входного фильтра помех (X2-class capacitor), подавляет кондуктивные помехи в сеть, а также вместе с RV1 помогает в борьбе с импульсными помехами;
L1, L3, R3, R4 – элементы входного фильтра помех (кондуктивные, импульсные);
VD1 – выпрямительный мост;
C2, C3, VD2…VD4, R5 – элементы корректора «Valley fill»;
C4 – входной конденсатор buck-конвертера;
R6, R8 – резисторы, обеспечивающие питание микросхемы;
R7 – резистор, устанавливающий порог защиты по превышению выходного напряжения (при обрыве светодиодной линейки);
C5 – конденсатор по питанию микросхемы;
DA1 – микросхема понижающего преобразователя со встроенным силовым MOSFET-ом;
R9, R10 – резисторы токового шунта;
VD5 – силовой диод buck-конвертера;
L3 – силовой дроссель buck-конвертера;
C6 – выходная ёмкость.
Выбор элементов
Предохранитель. Долго искать не пришлось, компактный SMD предохранитель 25F-010H от компании Hollyland всего за 0,048$.
Варистор. Тут мне пришлось попотеть. Кажется, теперь знаю всех производителей SMD варисторов в Китае и Тайване. Из того, что подходит и доставабельно составил список и квотировал такие элементы:

В результате даже китайские цены ужаснули, пришлось отказаться от SMD в данном случае и выбор пал на варистор TVR05391KSY за 0,027$.
Европейских производителей тоже рассматривал, например, у Epcos есть SMD-варисторы, но ещё дороже, к сожалению.
Х-конденсатор. SMD-варианты для таких конденсаторов очень дороги, поэтому 0,1 мкФ 10% 300В X2 J104K300A100 от ведущего мирового производителя Chiefcon – лучший выбор за 0,036$.
Электролитические конденсаторы. Выбор SMD-электролитов на 200В не так велик, а те что есть оказались гигантского размера. Рассмотрел серии «VE», «VEJ» от Lelon, «ULR», «UUG», «UUJ» от Nichicon и тд. 10 мкФ в габарите 12,5х13,5 меня не устраивали. В результате наткнулся на интересного китайского производителя Ymin, у которого на сайте написано «Small expert». И действительно, серия VKM, 12 мкФ в габарите 8х12,5 – отличный вариант и всего за 0,046$ за шт. Дайте два.
Диоды. Диодный мост MB6S (0,028), силовой диод выбрал типа ES1J – тут всё стандартно, а вот диоды для «Valley fill» хотелось выбрать поменьше габаритами и я нашёл очень интересный вариант GS10xxFL от PANJIT. Диоды на напряжения до 1000В в корпусе SOD-123, вы шутите? Нет, они существуют. В результате GS1006FL всего по 0,019$. Найти такие же ультрафасты и может быть применить и в качестве силового диода для понижалки. Эту идею я оставил до проведения тепловых испытаний. Если ES1J не будет греться, то можно будет об этом подумать.
Дроссели. Изначально обратился к евробрендам, но квотирование показало, что самое недорогое из того, что мне подходит это SRR1208 за 0,28$ от Bourns. Даже Wurth не предложили дешевле чем примерно 0,3$. Это речь идёт о силовом дросселе. В результате я повернул вектор поиска в сторону азиатских брендов. Просмотрев и проквотировав продукцию таких контор как Ferriwo, ABC Taiwan, Fuantronics, Coilmaster, я остановился на варианте SRI1207 от тайваньской компании Coremaster. Всего за 0,142$.
Микросхема. Решил остановить свой выбор на компании BPS, так как у них большое портфолио в области микросхем для LED-драйверов, встречал их продукцию во многих устройствах, и, к тому же есть дистрибьютор в России – компания «Платан». Я выбрал микросхему со встроенным силовым ключом BP2832AJ – у неё есть pin-2-pin совместимые «старшие братья» (или «сёстры», простите моё гендерное невежество) BP2833 и BP2836 с меньшим сопротивлением канала встроенного MOSFET-а (если вдруг понадобиться увеличить мощность или получить больший КПД). К тому же эту микросхему можно купить в РФ.

0,81$ – неплохой результат для первой версии. Есть небольшой запас – ведь вы знаете как это бывает, после проведения испытаний первой итерации платы обычно вылезает какое-нибудь… несоответствие, и, приходится добавлять несколько «волшебных» элементов по три бакса каждый.
Заключение
Как уменьшить кондуктивные помехи не добавляя новые элементы в схему? Почему в корректоре «Valley fill» нельзя применять тонкоплёночные резисторы? Как увеличить световую отдачу светильника без увеличения КПД LED-драйвера? Ответы на эти и другие вопросы вы узнаете из второй части этой статьи. Статья будет посвящена испытаниям, которые автор вместе с первой итерацией платы должны будут пройти, а также разработке второй итерации устройства.
Power is cool — deal with it.
Автор: power-link
