(3.000.000 вольт — надпись на коробке, реальное напряжение на выходе неизвестно)
Вдохновленный экспериментами луганских коллег и интересом к распилу лазера, решил продолжить исследовать внутренности мощных устройств, которые можно легко купить в интернет магазине. (Благодарю magnad.ru за предоставленное оборудование.)
Немного истории
В 1852 г. Альберт Суненберг и Филипп Рехтен запатентовали технологию, по которой гарпун соединялся проводом с оборудованием на корабле, вследствие чего животное получало сильный разряд электрического тока. Прошло 100 лет, а дальше китов дело не двинулось.
Дальним родственником электрошокеров можно считать электрический хлыст для животных, запатентованный американцем Генри Диксоном еще в 1915 году. Его идею развили в своем электрошоковом устройстве другие изобретатели, пока, наконец, некто Джон Кавер не придал этому изделию все черты современного электрошокера. В 1974 году он оформил патент на устройство под названием «Оружие для обездвижения и задержания», подразумевающее поражение человека переменным током высокого напряжения.
О чем подумал я в первую очередь когда мне попался в руки электрошокер?
Под катом несколько фоток и описание того, что находится внутри электрошокера-фонарика, плюс как сделать шокер самому и как сделать бронежилет против шокера

(В ходе эволюции десептиконы шокеры научились маскироваться под разные предметы)

(Мой шокер (Молния Premium) ненавязчиво «вшит» в диодный фонарик)

(Прошелся по Хакспейсу с предложением просто подержаться за проводки)

(Цельноалюминиевый корпус не рассчитан, чтобы его раскручивали, но разве это кого-то остановит?)

(Без «соединительного» скотча. Справа «отсек» с трансформатором, по центру — отсек с переключателем, слева — отсек с конденсаторами)
Все модули залиты смолой, пока расковыривал, ощущал себя палеонтологом на раскопках. Ниже — то что удалось извлечь при помощи плоскогубцев, отвертки и ножовки по металлу.

(Катушки, конденсаторы, диоды, осколок ферромагнетика)
Принцип действия
Усиленное сокращение мышц в области контакта с электродами приводит к быстрому их истощению вследствие разложения сахара в крови. Эти процессы в совокупности с умеренными болевыми ощущениями и сильным психологическим воздействием приводят к кратковременному обездвиживанию мышц и временной недееспособности нападающего. (Думаю, что девушки сообразят какую мышцу стоит обездвижить/истощить первым делом)
Резкий звук («трещотка») приводит к замешательству на несколько секунд, чем можно воспользоваться.
Бронежилет против шокера
Нашлись умельцы, которые смастерили из карбоновой стропы подкладку под пиджак, защищающую от электрошокера


Сделай сам
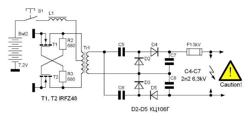
Еще один товарищ очень огорчился малой мощностью шокеров, которые есть в свободной продаже, и решил смастерить свой шокер.
Как говорит автор, «простым смертным запрещено носить/использовать шокер мощностью более 3 Ватт» и с легкостью спаял из остатков плеера шокер мощностью 70 Ватт

похожие компоненты



Более подробное описание тут

Будучи школьником, одной из самых прикольных электрических игрушек был пьезоэлемент из зажигалок. Чувствовал себя если не Рэйденом, то уж Джокером из старого Бэтмена. Плюс проводил кучу опытов с тем, в какое место себя щелкнуть, чтоб определенный пальчик дернулся.
Если создатель FidoNet учит детей взламывать машины, а скейтбордист учит афганских детей физике и истории во время катания на доске, так почему бы не сделать труды/ОБЖ/электродинамику более наглядной и не творить полезные штуки?
Понятное дело, что стоит вопрос безопасности/адекватности и ответственности (но я из медицинского жгута в 5-м классе собирал рогатку которая пулей от макарова пробивала кровельную жесть, что намного опаснее шокера и дальнобойнее), зато как интересно-то будет мальчишкам.
Интересно, будут ли «трудовики» нового поколения рассказывать школьникам как собрать шокер или лазер самостоятельно?
Автор: MagisterLudi
