
Многие дети российских 90-х с теплотой вспоминают часы, проведённые за приставками, — как с друзьями играли в «танчики», Батлтодс, Рокэнролл рэйсинг и кучу других игр. Уверен, что есть среди вас и такие, кто и до сих пор играет и коллекционирует классические приставки и игры для них. Что-то в них есть такое, что связывает с беззаботным детством.
Я и сам этим отчасти болею. Но когда я немного погрузился в мир ретрогейминга, оказалось, что в моем детстве было много такого, что так или иначе обошло меня стороной. Сейчас я говорю об аркадных автоматах — явлении, которое в 80-90-е было фактически двигателем прогресса. Многие знакомые нам игры сначала писались именно под аркадные автоматы, а уже потом портировались на домашние консоли в урезанном виде.
Среди интересующихся ретрогеймингом есть мнение, что играть надо на оригинальном железе, а эмуляция — это не тру. Это означает, что если вы решили вспомнить былые деньки и погонять с друзьями в «Чипа и Дэйла», то будьте добры достать себе приставку (желательно оригинальную NES или Famicom) и пару картриджей к ней. В современном мире это не проблема — можно купить всё это на интернет-аукционах. Вопрос только в том, с какой суммой вы готовы расстаться.
Но что же делать с аркадными играми? Купить оригинальный автомат можно. Но доставка его обойдется в неприлично большую сумму американских денег, да и игра там будет одна.
Тут мы неизбежно приходим к эмуляции. Но ощущения-то от игры хочется получить особенные, как в аркадном зале.
Выход — собрать аркадный автомат самому
Из чего будет собран наш аркадный автомат
Сердце аркадного автомата — аркадный джойстик, именно он наряду с общим антуражем должен помочь нам перенестись в 80-90-е и попытаться уловить атмосферу аркадного зала.
Какой джойстик использовать — не принципиально. На AliExpress уйма предложений разнообразных DIY-наборов. Мой выбор пал на этот.

Как я уже писал, игры мы собираемся запускать на эмуляторе. Значит, нашего автомата станет вполне обычный ПК. Можно, конечно, сделать всё и на одноплатном компьютере, но:
- Я выбрал полноформатный вариант автомата. Его высота — около двух метров. Значит, можно не экономить на месте внутри автомата.
- С полноценным ПК проще в плане модификаций и подключения периферии.
- Так как для автомата нужен монитор 4:3, то не хочется создавать себе проблему подключения старого монитора по HDMI.
- Мне системный блок достался дешевле, чем одноплатный компьютер.
Мощность в этом случае не сильно-то и важна. Скажу лишь, что я использовал ПК на Core 2 Duo, 1GB RAM, 120GB HDD.
Что касается монитора: пробежавшись по комиссионкам, максимум, что я смог найти подходящего — это 20-ти дюймовый монитор HP L2035. Главным критерием было соотношение сторон 4:3. Ну а бонусом оказалась удобная конструкция, которая крайне удачно поддается модификации.
Последняя крупная часть автомата — его корпус. Без него это просто ПК. Собрать его я решил из ЛДСП — чтобы надежно.
Сборка корпуса
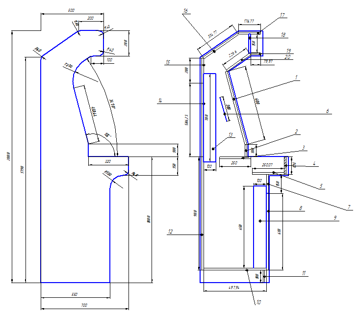
Кажется, самая сложная задача, которая предстоит решившему сделать игровой автомат, это сборка корпуса для автомата. Звучит несложно — фактически надо просто построить шкаф, в который будет установлен ПК и встроен монитор. На деле всё чуть сложнее — готовые чертежи с размерами найти сложно (или я плохо искал). То, что нашёл, позволило набросать кривую 3D-модельку.

Оценив результат как удовлетворительный, я решил, что проще и удобнее всего заказать распил ЛДСП.
Чтобы это сделать, нужен конкретный список деталей с точными размерами. Поэтому вспоминаем студенчество и «Компас» и рисуем чертёж боковой панели. Отмечаем на ней все внутренние детали. Вот уже с этими артефактами можно идти в любую компанию, которая продаёт ЛДСП режет такие плиты.
Вот что получилось конкретно у меня: раскрой и чертёж

В принципе, для большинства деталей можно заказать кромление ПВХ-лентой, но, скорее всего, криволинейные детали откажутся кромить в том месте где вы закажете распил. Выхода три:
- Купить ПВХ-ленту и с помощью строительного фена покромить торцы самостоятельно.
- Купить накладной кант и приклеить его на двухсторонний скотч или на клей.
- Купить врезной кант и установить его с помощью фрезера, заряженного торцевой фрезой, и киянки.
Я выбрал последний вариант, так как он самый каноничный и у меня был доступ к инструменту.
В конструкциях всех аркадных автоматов 80-90х всегда был козырёк, на котором гордо светился логотип игры, завлекая игроков. Безусловно, здесь он тоже необходим. Сам логотип я сделал из куска оргстекла, обклеенного заранее напечатанной наклейкой с названием автомата.

Чтобы лицевая панель автомата выглядела красиво, нужна деталь из оргстекла толщиной 5 мм, заказать такую по размерам — не проблема. С одной из сторон оргстекло красим чёрной аэрозольной краской, оставив по центру непрокрашенный прямоугольник размером с экран монитора.
Резюмирую алгоритм:
- Заказываем раскрой ЛДСП по списку деталей.
- Покупаем кант (врезной, накладной или ленту).
- Покупаем расходники (евровинт, мебельные петли, замки на дверцы если надо, решетки вентиляции и прочее).
- Заказываем оргстекло по размерам.
- Вооружаемся дрелью, шуруповертом, электролобзиком, фрезером (опционально).
- Тратим непрогнозируемое количество времени на сборку корпуса.
- Profit!

Софт
Так как внутри автомата в моей версии — ПК, то встаёт вопрос выбора операционной системы. Поставленную задачу можно решить как на Windows, так и на Linux. Последний вариант мне как-то ближе (и покупать систему не надо), поэтому расскажу немного о том, как развернуть всё на Linux. Наиболее подходящий, на мой взгляд, для этой цели дистрибутив — Lubuntu 16.04 LTS.
Важный вопрос — это удобство выбора и запуска игр, хочется управлять автоматом исключительно с помощью установленного джойстика. Для этого нужна своеобразная frontend-оболочка, в удобном виде показывающая список игр и по требованию запускающая эмулятор с выбранной игрой. Благо Open source-сообщество уже давно решило эту задачу. Как говорится: «всё уже написано до нас». Например, у проекта Attract-mode есть версии под все популярные платформы, в том числе интересующую Ubuntu. Оболочка поддерживает темы оформления, которые, кстати говоря, написаны на Squirrel, так что любителям модификаций будет, где развернуться. Ну или можно посетить форум проекта и найти что-нибудь по душе.
Работа с оболочкой предельна проста: после запуска нажимаем tab и попадаем в меню. В первую очередь настраиваем эмуляторы — пути к играм и всяческим красивостям: логотипам, видео-превью, обложкам, постерам. В зависимости от темы могут использоваться разные красивости. Их, кстати, можно попробовать стянуть с помощью встроенной функции scrape artwork. Не надо думать, что найдется всё, но для большинства популярных игр всё приедет автоматом. Для поиска видео-превью игр можно ещё воспользоваться проектом Progettosnaps.net — ребята собрали очень большую коллекцию видео и распространяют её абсолютно бесплатно.
После настройки путей надо обязательно прожать пункт generate romlist — после того как, счётчик дойдет до 100%, автоматически будет добавлен экран (display) данного эмулятора. Выйдя из меню, на этом экране уже можно полистать список игр и попробовать что-нибудь запустить.
Основным эмулятором станет известный MAME — благо, его сборка существует и под Linux. Для меня стало открытием, что ромы для этого эмулятора так же версионированы, как и сам эмулятор, так что не получится на новом эмуляторе запустить ром со старой версии. Но так как версию рома узнать не получится, придётся качать много апдейт-паков и обновлять ромы, которые вы выберете для своего аркадного автомата. Много ромов и апдейтов к ним можно найти на проекте Emuparadise.me.
Для разнообразия можно поставить ещё несколько эмуляторов: nestopia, gens, zsnes и настроить их в attract-mode.
Есть небольшой нюанс — не во всех эмуляторах есть возможность замапить выход из эмулятора на кнопку джойстика. Он решается установкой пакета antimicro, который висит в процессах и мапит кнопки джойстика на кнопки клавиатуры: просто выбираем кнопку на джойстике и мапим её на Esc.
Остается только сделать так чтобы attract-mode и antimicro запускались сразу при логине и всё!
Провода и прочее
Итак, у нас уже есть корпус и настроенный ПК, Всё, что нам осталось, это встроить джойстик, колонки, свет и развести провода внутри корпуса.
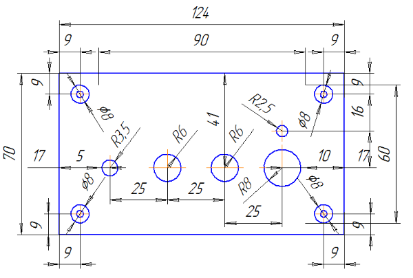
Встроить джойстик в автомат, вернее, в панель управления, не составит труда. Фактически надо просто насверлить отверстий необходимого размера. А вот расположить их — процесс творческий и поле для экспериментов. У меня получилось вот так:


Чертежик можно посмотреть тут
Для подсветки лого я использовал метра два LED-ленты 12V (потому как проще всего запитаться от блока питания ПК).
Колонки проще взять с питанием от USB — как-то комфортнее работать с 12V вместо 220V.
Чтобы было удобно включать и выключать автомат, регулировать уровень громкости и включать подсветку, делаем небольшой блок управления на передней панели автомата.
Выносим на панель:
- кнопку включения из системника;
- регулятор уровня громкости;
- выключатель звука (просто впаиваем тумблер в цепь питания колонки);
- выключатель подсветки.

В этот момент остается только дизайнерская работа: если вы можете спроектировать и распечатать красивые сайдарты, чтобы чёрный ящик заиграл новыми красками, то я вам завидую белой завистью. А если вы такой же технарь, как и я, — то приходится искать способы выйти из положения. Например, купить абстрактную виниловую наклейку или заказать на AliExpress неприлично много стикеров и залепить ими весь автомат. Последним вариантом я и воспользовался. На это ушло около 500 стикеров.
Вместо заключения
Я рассказал историю сборки аркадного автомата, но история его жизни с этого только началась. Почти сразу в моей голове возникло желание поделиться радостью и эмоциями со своими коллегами, ведь играть всегда лучше в компании.
В итоге аркадный автомат переехал в офис «2ГИС» на 20 этаж и в данный момент причиняет добро и наносит радость всем желающим. По ощущениям очень много людей пробует играть в автомат. После работы стабильно можно застать кого либо, пытающегося найти именно ту игру из своего детства, даже были заказы что-то добавить. Вечером в пятницу небольшая толпа людей создает ощущение маленького аркадного зала. Мне кажется именно таким оно и было — когда ты ждешь своей очереди поиграть автомат — с интересом наблюдаешь как играют твои друзья и искренне переживаешь с ними особо сложные моменты.
Ну всё, с обязательной программой закончил, теперь произвольная часть.
Автор: 2ГИС
