
Пик популярности Arduboy уже позади, но разработка гиками схожих по идеологии минималистических консолей продолжается. И вот перед вами — две новые конструкции авторов под никами Igor и davedarko, увидевшие свет совсем недавно.
Первая из них — ESP Little Game Engine — представлена сразу на двух ресурсах: Hackaday.io (описание) и GitHub (код). Она выполнена на ESP8266, выводит изображение на TFT-дисплей с контроллером ILI9341, а восемь кнопок подключены к ESP по шине I2C при помощи расширителя портов PCF8574. 32 спрайта реализованы программно, как и их поворот и обнаружение столкновений. Любопытно, что поначалу схема устройства приведена не была — и это при прошивке под GPL. Но после «багрепорта» в комментариях…
tormozedison wrote 3 days ago
Cool! A project with open source firmware, but top secret circuit diagram. Why?reply edit delete
Igor wrote 4 hours ago
Nothing secret. Just a screen on spi and a keyboard on i2creply
… разработчик выложил схему:

Компилировать и отлаживать игры для консоли можно в IDE, работающем прямо в браузере, выглядит это так:

Эмулятор требует физической клавиатуры, остальные функции IDE работают и на сенсорной.
Авторский вариант консоли помещён в корпус от Game Boy, в вашем исполнении он может быть и другим.
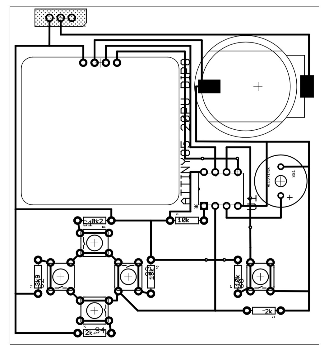
Вторая консоль выполнена на микроконтроллере ATiny85, в ней применён такой же OLED-дисплей, как в Arduboy. Поначалу повествование о ней велось также на Hackaday.io, и разработчик предполагал, что кнопки будут подключены чарлиплексингом. Не удивляйтесь, так можно подключать не только светодиоды, но и кнопки, последовательно с каждой из которых включено по диоду. Схема выходила такой:

А собранная по ней консоль выглядела так:

Выложив небольшой фрагмент кода, автор сообщил, что переходит на другой способ подключения кнопок — через резисторы, и опубликовал видео:
И прекратил публиковать обновления проекта на Hackaday.io, но из описания видео следует, что оно снято для сайта Element14 (кстати, это кремний). Что ж, последуем за разработчиком туда и обнаружим эту страницу.
Здесь проект уже в актуальном состоянии, выложены архивы Code.zip и Schematics.zip, информации в которых достаточно для повторения консоли. Программная часть проекта — также под GPL (update: в комментарии самого разработчика на Element14 сказано, что ПО форкнуто отсюда).
Новый способ подключения кнопок задействует меньше выводов микроконтроллера, что дало возможность сделать эту консоль, в отличие от предыдущей, не «немой». Схема стала следующей:

В таком виде устройство не подходит под определение «handheld», поскольку играть, держа «скелет» в руке, невозможно — он деформируется. Можно положить его на стол, а можно просто приклеить, например, к старому ненужному RFID'у, как сделал пользователь под ником xlamzerg:

Вряд ли обе консоли ждёт такой же успех, как Arduboy. У них не будет страниц на различных "-стартерах", на них не обратит внимание The Tetris Company и не предложит выпустить вариант под своим брендом. Но в чём можно не сомневаться — повторять их будут. Пусть и в меньших количествах, но будут обязательно.
Автор: tormozedison
