Осциллограф это один из самых желанных приборов на столе любого радиолюбителя. Этот прибор открывает огромные возможности для отладки или ремонта различной электроники. Но, часто, начинающие электронщики не до конца понимают, как же он работает.
В этой статье я предлагаю вместе разобраться, на каких принципах работает осциллограф. Для этого мы смоделируем электрическую схему простого осциллографа с индикацией на светодиодной матрице из дискретных компонентов в моем любимом симуляторе ISIS Proteus.
❯ Введение
Во время отладки электронных схем иногда нужно понимать, как изменяется форма сигнала (его амплитуда и частота) при прохождении электрических цепей, именно для этого удобно пользоваться осциллографом. Фактически, он позволяет увидеть электрические сигналы своими глазами.

Большинство современных осциллографов цифровые, и, практически, представляют собой специализированный планшет с сильно прокаченной звуковой картой, которая способна оцифровывать входные сигналы далеко за пределами звукового диапазона. Они накапливают информацию о сигнале в памяти, проводят необходимую математическую обработку и строят на дисплее график сигнала. Это позволяет реализовать множество автоматических функций, например измерение частоты, определение амплитуды, или даже преобразование Фурье. С помощью таких приборов можно отлавливать и расшифровывать даже одиночные цифровые посылки.

Но еще в прошлом веке в эпоху аналоговой электроники использовались осциллографы на основе лучевых трубок. Они не имели совсем никакой памяти, и вполне успешно использовались преимущественно потому, что в схемах преобладали аналоговые сигналы. Форма таких сигналов не сильно изменяется в течение достаточно большого количества периодов следования. Горизонтальное отклонение луча на трубке осциллографа синхронизировали с частотой исследуемого сигнала, а отклонение луча по вертикали происходит пропорционально амплитуде измеряемого сигнала. На фоне разметки экрана «отпечаток» в люминофоре формирует график, называемый осциллограммой.
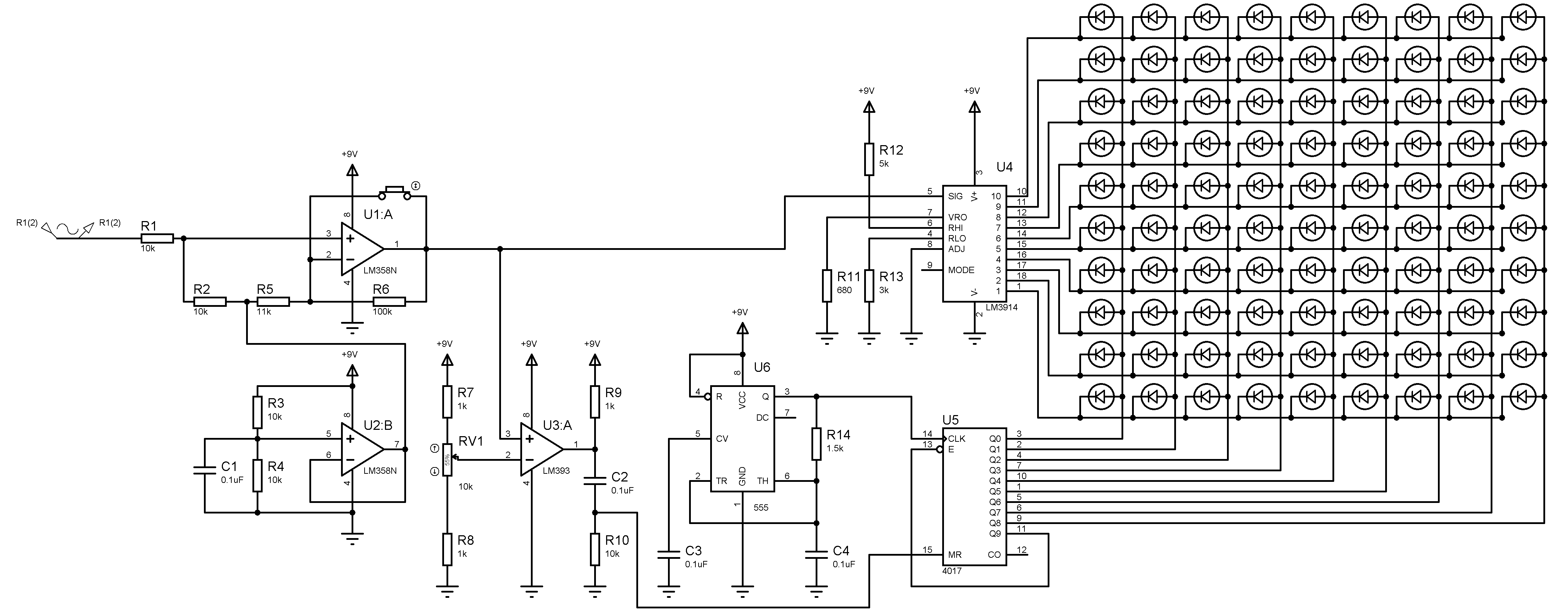
Схема, которой просвещена данная статья, имеет аналогичный принцип работы, с той разницей, что вместо электронно-лучевой трубки будет использоваться динамическая светодиодная матрица.
Интернет почти забыл подобные схемы, и удивляет, что до сих пор находятся энтузиасты, которые собирают аналогичные устройства и в наше время. Мне-то казалось, что я один такой «повернутый»…
На фотографии вы видите осциллограф со светодиодной матрицей, конструкцию которого придумал наш коллега из Бразилии Arthur Zuliani для обучения своих студентов навыкам сборки радиоэлектроники.
Схемы таких осциллографов можно найти в старых журналах, и мне даже удалось найти на ютубе несколько относительно свежих проектов. Одно из таких видео загружено примерно 5 лет назад, но просмотр оставляет впечатление, что снимали его значительно раньше.
Ну что же, самое время разобраться в том, как это работает, погнали дальше!
❯ Структурная схема
Структурная схема осциллографа со светодиодной матрицей показана на рисунке ниже, и в целом она очень похожа на схему осциллографа с электронно-лучевой трубкой.

Пускай светодиодная матрица в нашей схеме будет иметь разрешение 10 на 10 точек. Этого будет достаточно, чтобы условно отличить синусоиду от прямоугольных импульсов или пилы. На рисунке показано, как это примерно будет выглядеть, оттенки красного демонстрируют яркость светодиодов, которая будет не равномерной из-за динамической развертки.

В отличии от люминесцентной маски электронно-лучевой трубки, светодиодная матрица способна показывать изображение только в виде дискретных точек, причем весьма крупных точек. По этому признаку нашу схему нельзя считать полноценным осциллографом, никаких подробностей и деталей на ней не разглядеть. Но оценить форму сигнала вполне можно. Так что это устройство скорее следует называть осциллографическим пробником.
❯ Канал вертикального отклонения
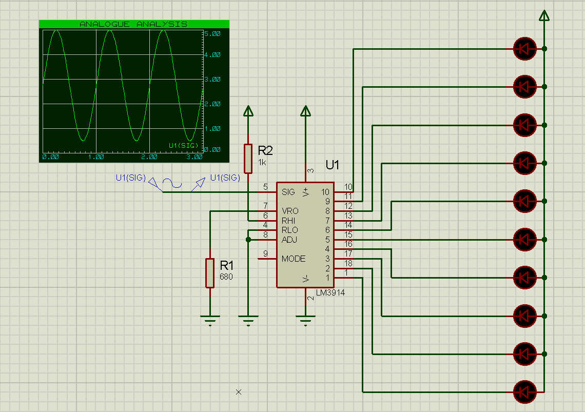
Для включения светодиодов в столбцах матрицы необходимо формировать дискретные сигналы управления, для этого в схеме осциллографа используется детектор уровня аналогового сигнала. Эта схема делит максимальный диапазон входного сигнала на уровни в соответствии с количеством светодиодов в столбце. И каждый светодиод должен гореть, пока входной сигнал находится в границах его диапазона. Технически это может быть реализовано на отдельных компараторах, или с помощью специализированной микросхемы – индикатора уровня LM3914.

В составе микросхемы уже имеется десяток компараторов со светодиодными драйверами и источник опорного напряжения для каждого из них. Получается, что входной сигнал может быть разделен на десять уровней, и в матрице может быть под десять светодиодов в каждом столбце.

❯ Аттенюатор и предварительный усилитель
Для того, чтобы наша схема могла масштабировать амплитуду сигнала по вертикале на светодиодной матрице, и значение амплитуды можно было измерить по клеточкам, в ней используется предварительный усилитель и аттенюатор. Именно они обеспечивают связь между клеточками на экране осциллографа и вольтами, то есть позволяют получить те самые заветные вольты на деление.
Так как мы не претендуем на звание «измерительный прибор года», ограничимся двумя пределами регулировки вертикальной развертки: 1 В на деление и 100 мВ на деление.
Для начала нужно определиться с напряжением питания всей схемы, пускай это будет батарейка типа «Крона» с напряжением 9 В.
Сейчас самое время вспомнить, что измеряемые сигналы могут иметь не только положительное значение амплитуды. Амплитуда сигналов может увеличиваться в отрицательной полярности. Поэтому входной сигнал будет правильным подключать относительно «середины» питания схемы.
Для удобства разработки схемы добавим дополнительные резисторы в цепь опорного напряжения LM3914 относительно плюсового и минусового потенциалов питания так, чтобы опорное напряжение находилось в диапазоне 5 В относительно середины питания. Диапазон переключения для светодиодов получается 0,5 В.

Чтобы получить вертикальную развертку с разрешением «1В/деление» аттенюатор должен иметь соотношение 1:2. Для развертки «100мВ/деление» входной сигнал после аттенюатора потребуется усилить в 10 раз. Таким образом в схему добавим делитель напряжения и усилитель с переключаемым коэффициентом усиления. И не забудем, что входной сигнал должен усиливаться относительно середины питания.

Получилось так, что аттенюатор на резисторах R1, R2 делит измеряемый сигнал пополам, и, в зависимости от положения кнопки, усилитель либо усиливает его в 10 раз, либо передает без усиления. В разомкнутом положении кнопки мы получим значение развертки «100мВ/деление», в замкнутом — «1В/деление».
Усилитель построен на операционном усилителе LM358. По своим параметрам это не самая лучшая микросхема, но для нашего случая пойдет. Благодаря тому, что опорное напряжение для LM3914 уже, чем напряжение питания, нам не важно, что выход LM358 «не дотягивается» до диапазона питания. Микросхема LM3914 рассчитана на звуковой диапазон, поэтому невысокие частотные характеристики LM358 нас тоже не должны беспокоить.
Вентиль А LM358 осуществляет усиление измеряемого сигнала в 10 раз при разомкнутой кнопке и передает сигнал без усиления — при замкнутой. Вентиль В LM358 формирует искусственную среднюю точку, относительно которой нужно подавать входной сигнал. Объединять предварительный усилитель и искусственную среднюю точку в одном корпусе конечно не правильно, т.к. вентиль В будет генерировать по общей подложке микросхемы помехи, но мы можем закрыть на это глаза, они все равно не будут различимы на светодиодной матрице из-за ее низкого разрешения.
❯ Горизонтальная развертка
Горизонтальную развертку изображения сигнала на светодиодной матрице обеспечивает счётчик Джонсона CD4017. На рисунке показан график переключения выходов счетчика при подаче импульсов на его счетный вход.

Выходы счетчика подключены к столбцам светодиодной матрицы и поочередно включают один из них. Если частота этих переключений будет достаточно высокой, зрительно они не будут различимы, и глазу будет казаться, что светодиоды во всех столбцах матрицы светятся одновременно.
Как это примерно будет выглядеть, можете посмотреть на картинке. Из-за особенностей виртуальной модели LM3914 время моделирования на моем компьютере отличается от реального времени раз в десять.

Серия CD тут выбрана не случайно, микросхема имеет широкий диапазон напряжений питания, не требует отдельного стабилизатора напряжения и может напрямую управлять выбором столбца матрицы светодиодов.
Дополнительное усиление на выходе счетчика не потребуется. Декодер уровней аналогового сигнала LM3914 сконфигурирован так, что на его выходе одновременно может светиться только один светодиод, и ток светодиода не превышает 20 мА. Таким образом выходы счетчика не будут перегружены по току.
Каждый новый период измеряемого сигнала, показанного в примере, попадает в те же самые точки, что и предыдущий. Так получается потому, что частота этого сигнала синхронизирована с частотой тактирования схемы горизонтальной развертки. То есть время, за которое последовательно переключаются все десять столбиков матрицы, точно совпадает с длительностью периода входного сигнала. Но, на практике добиться такого результата очень сложно, этому не способствует точность органов управления, различные дрейфы в схеме и нестабильность частоты самого измеряемого сигнала, такое возможно только в симуляторе.

Если же частота синхронизации не совпадает с частотой измеряемого сигнала, то из-за частой смены кадров на экране осциллографа мы увидим либо шум, различить в котором отдельные периоды сигнала будет практически невозможно, либо измеряемый сигнал будет «бежать» по экрану, а это тоже не способствует удобству измерений.

❯ Синхронизация
Чтобы стабилизировать отображение сигнала на экране осциллографа, и оно постоянно не «прыгало», необходима схема запуска развертки. Принцип ее работы очень прост. Схема контролирует уровень входного сигнала, и разрешает формирование сигналов горизонтальной развертки только тогда, когда амплитуда входного сигнала превысит заданный уровень.

Когда входной сигнал превысит порог запуска, схема развертки должна отсчитать десять тактовых импульсов и остановится до следующего запуска. Такой подход позволяет стабилизировать изображение при условии, что входной сигнал имеет периодический характер.

Получается, что масштабирование измеряемого сигнала по ширине экрана будет определяться периодом тактовых импульсов для счетчика, переключающего столбцы светодиодов в матрице. То есть заветное «время на деление» можно настраивать установкой периода тактового сигнала.
Чтобы счетчик Джонсона останавливался при достижении своего максимального значения, проще всего завести его старший выход на вход разрешения тактового сигнала. Такое решение попадалось в нескольких схемах из интернетов.

Но за простоту мы заплатим потерей одного столбца в светодиодной матрице, его придётся отключить от старшего выхода. Если этого не сделать, то десятый столбик все равно будет работать не корректно.

Схему запуска развертки можно реализовать на компараторе LM393. Порог запуска будет определяться положением подстроечного резистора RV1. Конденсатор С1 выполняет функции детектора фронта, с его помощью будет получен короткий положительный импульс для сброса счетчика при переключении компаратора. Это приведет к повторному запуску сигнала развертки.
Эта схема будет иметь один недостаток. Она не сможет показать на экране больше одного периода измеряемого сигнала. Счетчик может быть сброшен до того, как досчитает до своего максимального значения.
Для настоящего осциллографа было бы неплохо использовать высоко стабильный по частоте источник сигнала горизонтальной развертки. Но для нашей схемы вполне сгодиться генератор на основе таймера NE555, а лучше использовать CMOP версию, тогда можно будет иметь более высокую частоту развертки. Импульсы, которые будет формировать таймер, можно использовать для тактирования дешифратора CD4017. Изменение периода импульсов можно реализовать переключением времязадающих конденсаторов, вы можете подобрать их значение в зависимости от необходимых значений времени на деление.

Параметры таймера подобраны так, что тактовый сигнал составит 5 кГц. Это позволит показывать один полный период измеряемого сигнала с частотой 500 Гц. Можно будет подключиться к выходу ФНЧ усилителя звуковой частоты и использовать схему осциллографа для его украшения.
❯ Заключение
На сегодняшний день рассмотренная нами схема осциллографа со светодиодной матрицей не имеет прикладной ценности в качестве измерительного прибора. Но вполне может сгодиться в качестве украшения для самодельного усилителя звуковой частоты. Полная схема осциллографа со светодиодной матрицей показана на рисунке.

- 1. Простая схема динамических указателей поворотов, и никаких микроконтроллеров
- 2. Светодиодная шкала для переменного резистора на «рассыпухе»
- 3. Светофор на логике со схемотехникой в стиле Beatles. Как электроника вновь стала моим хобби
- 4. Профессиональные методы прототипирования печатных плат. Распечатать на принтере или фрезеровать, ни слова про утюг
- 5. Бирдекель или арифметический детектив на операционных усилителях
- 6. Электронная игра «лабиринт» на сервоприводах. Никаких arduino, только жесткая логика
- 7. Велосипедный фонарь с динамическими поворотами. Зачем покупать на AliExpress, если можно сделать самому?
- 8. LPKF ProtoMat S63. Мыши плакали, кололись, но… продолжали фрезеровать печатные платы
- 9. Звуковой усилитель на драйвере шагового двигателя L298 и таймере 555. Да, 555-й может и спеть
- 10. Графический спектроанализатор с динамической индикацией на жесткой логике
- 11. Цифровой термометр на жесткой логике
Автор:
OldFashionedEngineer
