Пора уже поближе познакомиться с квантовой физикой на практике! Сегодня я расскажу вам об истории открытия эффекта ядерного магнитного резонанса, но в отличие от классических учебников полных зубодробительного матана мы обратим наш разрушительный для когеренции взгляд на экспериментальную составляющую. С полученными знаниями вы сможете в духе старого доброго DIY собрать несложный прибор, который позволит вживую послушать сигналы ядер атомов водорода а также измерить величину магнитного поля нашей планеты.
Немного истории
Где-то сто лет тому назад, физики увлечённо пытались разобраться из чего же состоит наш мир. На тот момент было очень мало известно о том, что же из себя представляют мельчайшие частицы материи – атомы. Резерфорд в своём знаменитом эксперименте обстрелял тонкую золотую фольгу альфа-частицами и после интерпретации результатов предположил что атом (уж по крайней мере, золота) это положительное ядро-планета, а вокруг него вращаются отрицательные спутники-электроны. Однако это был полный нонсенс для физиков того времени, так как уже тогда в школах изучали простую истину «положительный заряд притягивается к отрицательному». Ради забавы делали даже расчёты, которые предсказывали что электрон в такой модели должен был бы упасть на ядро за примерно 0.0000000001 секунды, на чём история нашей вселенной и закончилась бы. Но Нильс Бор всех спас, введя свои знаменитые постулаты. Он послал подальше классическую механику и заявил, что орбиты электронов в отличие от хорошо уже изученных на тот момент орбит планет, могут принимать только несколько определённых значений. Причём обязательно таких, чтобы атом был стабилен, и никто никуда в нём не падал. Честно говоря, такая модель физикам ещё больше не понравилась, ведь это было скорее похоже на натягивание совы на глобус атом. Масла в огонь подлил Арнольд Зоммерфельд, который дополнил модель Бора и предположил, что на этих невообразимо мелких масштабах вообще всё в атоме должно принимать только определённые значения (проще говоря — квантоваться): энергия, угловой момент движущихся электронов и ядер и даже ориентация орбит электронов в пространстве!
Последнее особенно сильно зацепило Отто Штерна, тоже физика. Он потратил кучу времени на то, чтобы найти способ опровергнуть эту возмутительную теорию, и даже выпросил денег на эксперименты у самого Эйнштейна. Вместе со своим коллегой Вальтером Герлахом они построили установку, которая позволяла бы определить, любую ли ориентацию в пространстве могут иметь орбиты электронов атомов или только несколько определённых. Предположения были довольно простые: как было известно из простейших экспериментов, ток, текущий по кругу в медной рамке, приводит к возникновению магнитного поля. Ток — это поток электронов, следовательно и на атомарном уровне, электрон, двигающийся по орбите, тоже должен создавать своё небольшое магнитное поле, а атом в целом вести себя как маленький магнитик. Выходит, что если пустить поток атомов через неоднородное поле больших магнитов, то в зависимости от того, как ориентирована орбита каждого атома в пространстве, они разлетятся в разные случайные направления, что и можно попытаться зафиксировать.
Установка состояла из печи, которая нагревала серебро до тех пор, пока оно не начинало испаряться (более 1000 ℃), после чего его атомы собирались в подобие пучка при помощи заслонки с отверстием посередине. Стоит ли говорить, что всё это, разумеется, происходило в вакууме. Поток атомов пролетал между магнитами и в итоге попадал на пластину — детектор.

Схема экспериментальной установки Штерна-Герлаха, которую можно часто встретить на страницах учебников. Магнит сверху специально сделан в виде клина, чтобы сделать поле в районе пучка как можно более неоднородным. Для простоты показаны только полюса магнитов, участвующие в процессе (нет, это не монополи!).
Прожжённый физик конечно скажет, что картинка эта слишком рафинированная. Ведь настоящая установка напоминала собой этакий самовар с кучей непонятных трубочек, вполне в духе своего времени. Эксперимент с ней шёл пару часов, после чего надо было разбирать аппарат и подготавливать всё заново. Вместо отверстия для получения луча из атомов иссдедователи в итоге использовали щель (с отверстием опыт нормально не получался). Также, в первых попытках след не было видно вовсе и какое-то время коллеги полагали, что луч просто не попадал в пластину. Однако в один прекрасный момент, в процессе пристального разглядывания Штерн имел неосторожность подышать на неё, от чего внезапно рисунок проявился. Оказалось что дешёвые сигары, которые Отто курил порой прямо в лаборатории содержат очень много серы, реакция с которой и приводила к такому эффекту (похоже на байку, но это таки было проверено в 2002 году). В итоге, из-за несовершенства магнитов и сложностей в их юстировке, два раздельных пучка всё равно не расходились полностью, а лишь в середине, но тем не менее, рисовали на стекле первый поцелуй от квантовой физики человечеству:

Настоящая установка Штерна-Герлаха во всей красе.
Результат у них получился шокирующим и полностью противоположным их ожиданиям. Вместо опровержения теории они подтвердили её: поток атомов серебра четко разбивался на два пучка, что означало что квантование — это не теоретическая выдумка и математические шуточки, а нечто реальное. И где-то на глубоком уровне наноскопических масштабов магнитные свойства электронов могут принимать только два значения и никаких промежуточных. Исследователи по всему миру тут же стали повторять опыт, дорабатывать его, и писать новые теоретические обоснования и статьи. Было выяснено, что наблюдаемый эффект возникает из-за наличия магнитного момента у одного-единственного электрона, что болтается без пары на внешней орбитали атома серебра. Взяли бы Штерн и Герлах другое вещество для эксперимента, где все электроны парные и компенсируют моменты друг друга, не факт, что у них бы что-то получилось. Так, случайность как минимум дважды сыграла главную роль в этой цепочке событий.
Ещё немного истории
Когда все отошли от первого шока, стало интереснее заглянуть ещё глубже и понять вращаются ли ядра атомов, как и планеты, есть ли у них свой магнитный момент и самое главное, квантуется ли он. В экспериментальной установке Штерна-Герлаха электронные оболочки мешали это выяснить, так как момент электронов был много больше, чем у ядер. Одним довольно логичным решением оказалось использовать в экспериментах вместо атомов целые молекулы. Ведь если два атома с одним внешним электроном образуют молекулу, то магнитный момент оболочек будет скомпенсирован, и станет видно только момент ядер. Таким образом удалось определить, что момент есть в наличии у ядер водорода (протонов), однако точно измерить его не получалось. И тут за дело взялся Исидор Раби. Он улучшил разработку своих коллег, скрестив в своём аппарате сразу две их секции:

Парные магниты А и В повторяли собой конструкцию Штерна-Герлаха, но при этом технологично были более совершенны. Вместо постоянных везде были использованы компактные и температурно-стабилизированные электромагниты с активным жидкостным охлаждением. Это позволяло точнее контролировать и без того многочисленные переменные величины эксперимента и избавиться от кучи проблем связанных с неодинаковостью параметров молекул в пучках. Предполагалось, что пучок молекул входит в установку немного под углом и дважды изгибаясь снова фокусируется на выходе, где стоит детектор. Он, кстати, тоже стал электронным и курить около него не требовалось:

Хитрость была в том, что пары магнитов А и B были расположены с противоположной друг другу по вертикали полярностью, что и позволяло загибать и разгибать обратно пучки используя только магнитный момент ядер атомов. Две синие кривые на рисунке показывают путь молекул с разной скоростью и угловым моментом. Как бы они не старались, в середине установки они были в одинаковых условиях и над ними можно было проводить всяческие манипуляции. Именно там Раби разместил третий электромагнит, помеченный как «С» с однородным полем, направленным уже горизонтально и, чтобы совсем стало сложно и научно, ещё и небольшие витки из медных трубочек внутри этого магнита, подключаемые к высокочастотному генератору.
Идея Раби была основана на теории о том, что у молекул, ядер атомов и электронов в постоянном магнитном поле должен быть разный угловой, а следовательно, и магнитный момент. Предпосылки к таким умозаключениям выросли опять же из механики: имея две юлы с разной массой вы скорее всего получите разные скорости их вращения в одном и том же поле тяготения вашей планеты и при прочих других равных условиях. А потому он предполагал, что когда пучок молекул попадает в магнит «С», на вращающиеся ядра составляющих их атомов можно будет выборочно воздействовать при помощи переменного поля подходящей частоты и таким образом переориентировать их в пространстве. Если такое произойдёт, то пучок молекул уже не сможет достигнуть детектора, так как он изогнётся в другую сторону. Именно такая ситуация показана на рисунке в виде перехода синих кривых в желтые.
Раби подавал на медные витки в центре установки фиксированный высокочастотный сигнал 3.5 МГц и менял ток в центральном электромагните, таким образом регулируя величину поля. В какой-то момент было зафиксировано отклонение пучка от детектора, что означало, что магнитный момент ядер поменялся под воздействием внешнего сигнала. Причём важно отметить, что процесс происходил довольно внезапно, то есть носил резонансный характер. Это было свидетельством квантовой природы феномена. Ядра при смене своего магнитного состояния поглощали энергию фотонов только строго определённой величины, и конечно же, количество таких состояний было ограничено:

Первый в мире график, демонстрирующий ядерный магнитный резонанс, именно Раби дал этому эффекту его имя (1938 г.). Получен он на пучках хлорида лития, содержащих изотоп 7Li.
Зная параметры процесса, стало возможным с небывалой точностью измерять магнитные моменты ядер разных атомов. Правда даже гениальному Раби на тот момент не пришло в голову, что открытый им эффект может быть повёрнут с ног на голову и использован где-то ещё кроме экспериментальных вакуумных установок для ядерной физики.
Лишь некоторое время спустя, в разных местах планеты Феликс Блох, Эдвард Пёрселл и Константин Завойский независимо обнаружили, что магнитный резонанс – это не только поглощение энергии ядрами, для смены их магнитной ориентации, но ещё и последующий процесс её высвобождения при их возвращении в предыдущее состояние. Оказалось, что такие сигналы релаксации вполне можно детектировать и в обычных материалах и предметах, а не только с отдельными атомами или молекулами в пучках. Достаточно поместить исследуемый объект в однородное магнитное поле, побеспокоить его другим перпендикулярным полем, и ядра атомов (или электроны) хором начнут отвечать:

Как измеряются сигналы магнитного резонанса. Стрелка компаса имитирует общую суммарную намагниченность ядер атомов внутри какого-либо объекта. Для их возбуждения на катушку можно подавать постоянный ток, или же сигнал определённой частоты (что, конечно, более эффективно). На экране осциллографа — сигнал релаксации от ядер атомов, снимаемый с той же катушки. Частота его специфична для разных атомов и даже их позиций в молекулах вещества.
Такой разворот открыл человечеству небывалые перспективы для новых методов определения состава веществ, структур молекул и всякой там томографии при помощи одних только магнитных полей. Все кроме Завойского в итоге получили нобелевские премии, химики – крутейшие спектроскопические анализаторы для лабораторий, а вы — возможность посмотреть, что же там болит в пояснице без какого-либо внешнего вмешательства.
Дико неэффективный процесс
Сегодня мы уже знаем, что ничего нигде в атомах не вращается. Ведь, например, чтобы получить величину магнитного момента электрона, наблюдаемую экспериментально, последний в своём вращении должен превышать скорость света где-то в сто раз, что крайне сомнительно. А ещё выяснилось, что он не возвращается в исходное состояние за один оборот, как это происходит с привычными нам в быту предметами. Поэтому для всех этих квантовых странностей был введён специальный отдельный термин «спин». Он есть и у ядер, которые следуют похожей никому непонятной логике.
Также выяснилось, что далеко не с любыми атомами магнитно-резонансные фокусы работают. Необходимым условием оказалось наличие нечётного количества протонов и (или) нейтронов в ядре. Но тем не менее, охват таблицы Менделеева впечатляет. Вот современные сводные данные от лаборатории государственного университета Флориды, где профессионально увлекаются вопросом:

Как видите, покрытие практически полное. Однако нельзя игнорировать слово «изотопы». Оно присутствует на картинке вовсе не для научного занудства. Многие химические элементы в обычном своём состоянии не удовлетворяют условиям получения сигналов от их ядер, а потому приходится выкручиваться с их собратьями другой массы, которые зачастую и не особо интересны для исследователей.
Другая титаническая проблема состоит в том, что ядра будучи не в лабораторных условиях, а внутри вещества упорно не хотят поляризоваться внешним магнитным полем, особенно если оно слабое. Причин для этого на атомных масштабах целая куча, но мы с высоты своих гигантских размеров не имеем возможности особо в них вникать, а поэтому называем ёмким термином «температура». Так, например, в поле величиной 1 Тесла (примерно такое можно найти у самой поверхности неслабых таких неодимовых магнитов) при комнатной температуре поляризация ядер водорода будет всего лишь 3 ядра на миллион своих ленивых собратьев, которые участвовать в этом откажутся. Разумеется, поймать сигнал от трёх ядер малореально, даже если задействовать самые топовые технологии человечества. Выручает тот факт, что в одной лишь капле воды атомов водорода будет где-то в районе 3,34*1021. Благодаря такому безумному множителю мы уже можем что-то с этим сообразить.
Вообще говоря, водород как будто идеально был создан для магнитного резонанса: он есть практически везде и в больших количествах а его частота прецессии в магнитных полях, которые мы можем технически организовать или даже найти в природе — очень удачно подходит под возможности нашей приёмной электроники. Именно сигналы этого элемента чаще всего измеряют во всех сферах деятельности, где так или иначе замешан ядерный магнитный резонанс. И именно поэтому далее мы будем получать сигналы от протонов водорода в нашем самодельном магнитометре.
Ну наконец-то! Переходим к практике
Итак, довольно историй, пора действовать! Сперва понадобится найти подходящую ёмкость для водорода. Шучу, нам сойдет любая чистая вода, даже из-под кулера в вашем офисе (но в идеале, конечно, дистиллированная). Нужных атомов в ней будет предостаточно. Но тем не менее, не повторяйте моих ошибок и найдите по-настоящему герметичную ёмкость для жидкости. Для выбора её размеров есть ограничения с двух сторон — слишком маленькая бутылочка даст в итоге очень слабый сигнал, слишком большую использовать нецелесообразно экономически, так как впоследствии потребуется намотать вокруг неё катушку медного провода, который сегодня в дефиците. Я остановил свой выбор на баночке из-под жвачки:

Баночка из-под жвачки избавлена от содержимого и этикетки. Катушка справа — спойлер к дальнейшим действиям.
Следующий важный компонент — много медной проволоки. Понадобится как минимум метров 50-80 если речь идёт о диаметре 0.8 мм, который использовал я. В моём случае она была аккуратно выдрана из сломанного двигателя от какой-то бытовой техники. Вообще говоря, чем больше будет у вас проволоки и чем она толще — тем лучше для экспериментов. Проволоку надо намотать прямо поверх бутылки. Я использовал суперклей для фиксации в начале и прямо в процессе. Если вы когда-либо собирали катушку Тесла, то это не вызовет у вас затруднений. Да, нам понадобится значение индуктивности этой самодельной катушки далее, так что если у вас нет приборов для её измерения, то придётся считать витки по ходу дела:

Мотаем первый слой, не останавливаемся, и также мотаем поверх второй и третий. Резинка на горлышке немного поможет от будущих протечек.
Данная конструкция будет одновременно служить и для возбуждения протонов в воде и для приёма сигнала от них. Поэтому катушка должна иметь с одной стороны как можно большую индуктивность (много витков), с другой — не слишком большое сопротивление (мало витков). Эти условия как два конца одной палки, поэтому придётся находить баланс, учитывая материалы, которые вы найдёте. Для поляризации протонов на катушку понадобится подавать ток в пределах 250-750 мА, соответственно, если намотаете слишком много, то придётся объединять кучу батареек последовательно, чтобы получить нужный ток. Да-да, именно батареек. Забудьте про любые импульсные источники питания и стабилизаторы, ибо данный процесс будет дико чувствительным к любым помехам. Сопротивление моей катушки получилось около 27 Ом, что потребовало в итоге использования как минимум одного (18 В) аккумулятора от шуруповёрта для получения нужного тока поляризации.
Процесс работы устройства будет выглядеть так:

Принцип работы простейшего магнитно-резонансного протонного магнитометра (о-о-о-чень упрощённый).
Мы поляризуем протоны воды магнитным полем, создаваемым катушкой, а далее подключаем её к аудио-усилителю и слушаем ответные сигналы водорода. Частота сигналов будет зависеть от величины внешнего однородного магнитного поля, в котором находится бутылочка. Где ж его взять? Оно уже здесь вокруг вас, бесплатно предоставлено в пользование нашей любимой планетой Земля. Так удачно совпало, что резонансные сигналы водорода в поле Земли будут в районе 2 кГц, прекрасно слышимых нашими ушами (не зря же выбирали водород!).
Усилитель
К сожалению, сигналы эти, несмотря на огромное количество протонов в воде, будут категорически слабыми, с амплитудой где-то в десяток микровольт в лучшем случае. Посему просто прицепить к катушке переключатель и динамик как на анимации выше не прокатит, и без специального усилителя тут не обойтись. И спаять его придётся самостоятельно:

Да, коэффициент усиления будет бешеный, но и мы собираемся тут атомные ядра слушать, а не перфоратор соседа.
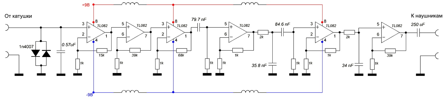
Общую архитектуру я скопировал отсюда, хотя компонентно моё решение думаю будет даже проще для повторения. Нам понадобится всего лишь три микросхемы двойных операционных усилителей. Я использовал то что было под рукой (TL082), но безусловно можно найти и что-то получше. Для данной задачи нужно обратить внимание на такие характеристики как коэффициент шума и входное сопротивление. Чем первая ниже, а вторая соответственно выше, тем будет лучше устройство работать в итоге.
Итак, главная причина, по которой усилитель надо собрать самостоятельно состоит в том, что его конструкция будет буквально зависеть от того, на каком месте планеты вы находитесь. Так как мы задействуем в эксперименте магнитное поле Земли, то перед созданием схемы сначала надо примерно выяснить величину этого поля, после чего получить значение рабочей частоты, а от него уже посчитать номиналы элементов схемы.

Карта магнитных полей нашей планеты, значения представлены в нанотесла.
По такой карте выходит довольно грубая прикидка, поэтому тут можно схитрить и использовать плоды прогресса. В смартфоне, с которого вы вероятнее всего читаете этот текст, уже есть магнитометр, который можно задействовать для более точных локальных измерений. Также в маркетах много приложений, которые показывают величины для вашей местности (напр. CrowdMag). В моём случае я выяснил величину в 49600 нанотесла. Её нужно умножить на гиромагнитное соотношение для водорода (42.58) и разделить на тысячу чтобы не было путаницы в порядках. Таким образом у меня вышло 2112 Герц. Это число далее будем использовать для подбора резонансного конденсатора, а также полосовых фильтров в схеме усилителя.
Кстати, вот и она:

Нажмите чтобы увидеть полный размер.
Несмотря на то, что выглядит сложно, она состоит из одинаковых кирпичиков — ступеней усиления, повторяя структуру с картинки выше. Если уж у вас хватит усидчивости мотать катушку, то спаять вместе три микросхемы — и подавно.
Следом идёт конденсатор. Он является, наверное, самым критичным элементом, и должен чётко быть в резонансе с катушкой. Именно для расчёта его номинала нам нужно значение индуктивности последней, а также рабочая частота контура (2112 Гц в моём случае). В интернете полно калькуляторов для его вычисления. Обратите внимание, для вашей местности номинал будет скорее всего отличаться от моего! Если вдруг у вас есть векторный анализатор (напр. OSA103), то настроить резонансный контур будет проще простого. Особо отчаянные могут использовать научный метод подбора и генератор. Чем меньше индуктивность вашей катушки — тем больше придётся делать номинал этого конденсатора.
Затем идут каскады усиления. Каждому операционному усилителю в соответствии с нужным коэффициентом вычисляются номиналы резисторов, тут можно просто повторить предстваленные в моей схеме. А вот для ступеней полосовых фильтров придётся применить вот этот калькулятор (снова используем значение частоты, полученное ранее). В итоге во всей схеме получается четыре одинаковые каскада, отличающиеся лишь номиналом одного резистора и две ступени с дополнительными резисторами и конденсаторами, формирующие фильтры. Как и в соц сетях, без фильтров тут никак не обойтись.
Катушки индуктивности на линиях питания — тоже важный элемент, предотвращающий взаимодействие каскадов друг с другом, их надо поставить обязательно. Номинал я не написал, так как намотал их наобум, но в данном случае — чем больше мкГн тем лучше.
На выходе последнего операционника стоит электролитический конденсатор, он позволяет отсечь постоянный ток через наушники, чтобы выход нашего усилителя не надорвался, если вдруг сопротивление подключенных динамиков будет слишком малым.
Для запитки усилителя снова потребуются батарейки. Я задействовал две «кроны», так как TL082 хочет двухполярного питания для нормальной работы. В любом случае, не следует использовать один и тот же источник питания для запитки усилителя и для поляризации во избежание недоразумений.
Чтобы читатель не пугался всех этих электронных сложностей, я спаял схему в максимально небрежной и раздолбайской манере и ещё и на макетке. Это было сделано умышленно и должно продемонстрировать насколько грубой может быть реализация такого чувствительного прибора, но работать он всё равно будет:

Мне настолько понравилось мотать катушки в процессе экспериментов, что и мелкие блокирующие индуктивности я изготовил самостоятельно, используя в качестве основы гильзы для обжима проводов. К сожалению, один из операционников у меня был только в мелком корпусе, отсюда такие страсти на обратной стороне платы. Кстати, она вышла эко-френдли, все компоненты кроме SMD я взял со старой сломанной техники.
А работать усилитель будет в полевых условиях. Поэтому желательно засунуть всё в какой-никакой корпус. Я распечатал вот такую коробочку из трёх частей с претензией на дизайн:

Усилитель в сборе. Внутри платка и две батареи «крона». Кнопка просто выключатель для питания, чтобы не сажать батареи попусту.
Вход усилителя будет соединяться с переключателем поляризации и далее с катушкой при помощи коаксиальных кабелей, именно поэтому вы наблюдаете SMA разъём спереди. Коаксиальные кабели нужны чтобы защитить и так слабые сигналы от внешних наводок. В целом для этого сойдёт абсолютно любой антенный кабель и разъёмы к нему. Единственное, нельзя размещать никаких магнитных частей около катушки, а саму катушку расположить как минимум в метре от усилителя.
Вернёмся к катушке
Прерывать в катушке индуктивности ток — это очень нехорошо. Катушки такое не любят и в ответ выдают большое обратное напряжение на своих концах. Разумеется, в таких условиях ничего измерять нельзя. Чтобы избавиться от этого паразитного эффекта, достаточно воткнуть в схему ещё один диод, повесив его прямо на её выводы:

Схема подключения катушки к диоду, переключателю поляризации и усилителю.
Катушка соединяется при помощи длинного кабеля к кнопке с батареей — переключателю режимов «поляризация» и «приём», а та — уже при помощи короткого коаксиала к усилителю.
Итак, если вы таки соберёте всё это дело вместе и включите, в наушниках вы должны услышать знакомое радиоприёмное «пшшш». Да, усилитель (будучи собран без ошибок) будет настолько чувствителен, что вы с его помощью сможете слышать вообще всё: статику от переливающейся воды в ёмкости с катушкой, трение коаксиального кабеля о пол, любые источники электромагнитного излучения, особенно всепроникающие 50 Герц и их гармоники. Даже узкополосные фильтры в нашей схеме увы не помогут это отфильтровать. В такой какофонии звуков пытаться расслышать жалкие сигналы атомных ядер просто невозможно физически. Чтобы прикоснуться к протонной магии, придётся отправится в путешествие подальше от людей. Только отринувши мирскую суету можно будет познать природу настолько глубоко.

Чем дальше от цивилизации и металлических объектов — тем лучше.
Перед стартом позаботьтесь о подставке для катушки. Измерения лучше проводить в метре от поверхности земли или выше, там поле более однородное. Я использовал пластиковую палку и распечатал небольшой крепёж для бутылочки:

Следы на катушке — это излишки суперклея.
Снизу крепления я сделал градуированную шкалу с шагом 22.5 градуса. Дело в том, что максимально эффективно процесс релаксации протонов будет происходить только когда бутылочка ориентирована в направлении на запад или восток. Нормального компаса у меня под рукой не было, и я решил сделать серию измерений, чтобы точно не ошибиться.
Итак, когда все условия будут соблюдены, после нескольких секунд поляризации вы услишите его:
Первый щелчок на аудио обозначает старт тока через катушку и начало поляризации, а второй возникает при переключении в режим приёма. Именно протяжный угасающий звук колокольчика после второго щелчка — это и есть далёкий чарующий голос протонов, доносящийся из глубокой бездны ядерных масштабов. Длится он целых пару секунд, так что перепутать его с чем-либо ещё будет сложно. Построим в matplotlib спектрограмму этого сигнала:

Это спектры шестисекундного отрывка со стартом от второго щелчка.
Измеренная частота довольно близко оказалась к расчётной! Далее я провёл измерения сигнала в разных положениях поворота бутылочки, чтобы найти заветное направление запад-восток.

Что интересно, частота не сильно менялась от измерения к измерению.
Тут меня ждал сюрприз, так как по ожиданиям должно было быть два максимума за полный оборот, а вместо этого, я получил один. Я провёл два раунда таких измерений, поворачивая бутылку сначала по часовой стрелке, затем против неё, пока не заметил, что вода в ней заметно нагрелась от тока, периодически текущего по катушке, на чём я и решил остановиться. Результаты я представил в виде диаграммы направленности:

График зависимости максимальной амплитуды сигнала от угла поворота бутылочки. По идее тут должна была быть «восьмёрка», но что-то пошло не так.
Такой результат вышел очень занятным, в качестве варианта объяснения, я могу предположить, что бутылочка была слегка под наклоном, а из-за того, что её конструкция не позволяла наполнить её доверху, там был воздушный пузырь, который переходил из одного её конца в другой, меняя количество воды внутри катушки, а соответственно и протонов. На этом мои эксперименты подошли к концу, а вот возможные применения для приборчика — нет.
Ну и зачем это всё?
Итак, полученный девайс не зря называется магнитометром. В первую очередь, он позволяет точно измерить величину магнитного поля планеты, достаточно использовать формулу для расчёта рабочей частоты в обратную сторону (мой результат 50186 нанотесла). Поле Земли непостоянно, и можно следить за его сезонными и годовыми изменениями, чтобы, например не проворонить переполюсовку. Также такой магнитометр можно использовать в археологических изысканиях, чтобы находить следы древних строений и их фундаментов, а ещё строить всякие интересные карты, привязав измерения к координатам GPS.
Далее, можно сделать две такие бутылочки и повесить их на концы длинной палки. В таком случае мы получим металлоискатель, работающий за счёт разницы резонансных частот протонов. Если в магнитном поле будут локальные неоднородности, то такая конструкция позволит их отыскать. Она, кстати, была предложена впервые аж в 1967 году,

Картинка из статьи с примером использования дифференциального ядерного магнитометра — металлоискателя.
Кроме того, никто не заставляет ставить эксперименты только над водой. Можно залить и любую другую жидкость, где есть протоны и измерить резонансные частоты ядер в ней. Кто-то даже строит в таких условиях целые спектры. Конструкцию приёмника, для этого правда, придётся доработать, так как в данной статье она узкополосная.
Если добавить к этой штуке градиентные обмотки и какую-нибудь ардуину, то можно получить простейший аппарат МРТ для применения в полях. Он, конечно, будет очень долгим и разрешение картинок будет оставлять желать лучшего, но зато не требует никакого гелия и записи на приём за неделю.
Итог
Вот такой получился рассказ. Я надеюсь, что вы, как и я оценили объём практической и теоретической работы, который стоит за этим маленьким «дзынь», еле слышимым в наушниках. Квантовый мир хоть и окружает нас повсюду, но в тоже время он такой же далёкий, как и космос. Сегодня мы немного побыли в роли астрономов, которые развернули свои телескопы в другую сторону шкалы масштабов. Мир вокруг нас интересен в каждой мельчайшей детали, и поразительно как при помощи бутылки с водой и мотка проволоки можно немного коснуться самой его сути.
Автор: Егор Кретов
