В какой-то момент времени во мне воспылал энтузиазм к постройке бытового электростатического очистителя воздуха (электрофильтра). Удивительно, но мне не удалось в сети найти годных материалов по этой области что и подтолкнуло меня к написанию данной статьи.
В первой части предлагаю познакомиться с принципами работы этих устройств, а в следующей – построить полноценный очиститель своими руками.

На фото коронный разряд, используемый в электростатических очистителях воздуха
Содержание
Источники пыли и доступные бытовые очистители воздуха
Однородное электрическое поле и электрический пробой воздуха
Неоднородное электрическое поле и коронный разряд в воздухе
Принцип электрической очистки воздуха
Электродные системы электрофильтров
Заключение
Источники
Зачем нужен очиститель
Содержащиеся в воздухе мелкие пылевые частицы PM10 и PM2.5 способны проникать в наш организм при дыхании: бронхи, легкие и даже попадать в кровоток. По данным всемирной организации здравоохранения (ВОЗ) загрязнение воздуха такими частицами несет серьезную опасность для здоровья: воздействие воздуха с высоким содержанием таких частиц (превышение по PM2.5 среднегодовой концентрации 10мкг/куб.м и среднесуточной 25мкг/куб.м; превышение по PM10 среднегодовой 20мкг/куб.м и среднесуточной 50мкг/куб.м) повышает риск возникновения респираторных заболеваний, заболеваний сердечнососудистой системы и некоторых онкологических заболеваний, загрязнение уже отнесено к 1 группе канцерогенов. Высокотоксичные частицы (содержащие свинец, кадмий, мышьяк, бериллий, теллур, и др., а также радиоактивные соединения) представляют опасность даже при небольших концентрациях.
Самый простой шаг к снижению негативного воздействия пыли на организм – установка эффективного очистителя воздуха в спальном помещении, где человек проводит около трети времени.
Источники пыли
Крупными природными поставщиками пыли являются извержения вулканов, океан (испарение брызг), природные пожары, эрозия почв (например, пыльные бури: г.Забол, Ирак), землетрясения и различные обвалы грунта, пыльца растений, споры грибов, процессы разложения биомассы и др.
К антропогенным источникам относятся процессы сжигания ископаемых (энергетика и промышленность), транспортирование хрупких/сыпучих материалов и погрузочные работы (см. порт «Восточный» г.Находка, порт «Ванино» Хабаровский кр.), дробление материалов (добыча ископаемых, производство стройматериалов, сельхоз промышленность), механическая обработка, химические процессы, термические операции (сварка, плавка), эксплуатация транспортных средств (выхлоп двигателей внутреннего сгорания, истирание шин и дорожного покрытия).
Наличие пылевых частиц в помещениях обусловлено поступлением загрязненного наружного воздуха, а также присутствием внутренних источников: разрушение материалов (одежда, белье, ковры, мебель, стройматериалы, книги), приготовление пищи, жизнедеятельность человека (частички эпидермиса, волосы), плесневелые грибы, клещи домашней пыли и др.
Доступные очистители воздуха
Для снижения концентрации частиц пыли (в том числе самых опасных – размером менее 10мкм) доступны бытовые приборы, работающие на следующих принципах:
- механическая фильтрация;
- ионизация воздуха;
- электростатическое осаждение (электрофильтры).
Метод механической фильтрации является самым распространенным. Принципы улавливания частиц этими фильтрами здесь уже были описаны. Для улавливания тонких твердых частиц используются высокоэффективные (более 85%) волокнистые фильтрующие элементы (стандарты EPA, HEPA). Такие устройства хорошо справляются со своей задачей, но имеют и некоторые недостатки:
- высокое гидравлическое сопротивление фильтрующего элемента;
- необходимость в частой замене дорогостоящего фильтрующего элемента.
Из-за высокого сопротивления разработчики таких очистителей вынуждены обеспечить большую площадь фильтрующего элемента, использовать мощные, но при этом малошумные вентиляторы, избавляться от щелей в корпусе устройства (так как даже небольшой подсос воздуха в обход фильтрующего элемента значительно снижает эффективность очистки прибора).
Ионизатор воздуха при работе электрически заряжает взвешенные в воздухе помещения частицы пыли, из-за чего последние под действием электрических сил осаждаются на пол, стены, потолок или предметы в помещении. Частицы остаются в помещении и могут вернуться во взвешенное состояние, поэтому решение не выглядит удовлетворительным. Кроме того, прибор значительно изменяет ионный состав воздуха, при этом воздействие такого воздуха на людей на данный момент изучено недостаточно.
Работа электростатического очистителя основана на том же принципе: поступающие внутрь прибора частицы сначала электрически заряжаются, затем притягиваются электрическими силами к специальным пластинам, заряженным противоположным зарядом (все это происходит внутри прибора). При накоплении слоя пыли на пластинах выполняется чистка. Эти очистители обладают высокой эффективностью (более 80%) улавливания частиц разных размеров, низким гидравлическим сопротивлением, и не требуют периодической замены расходных элементов. Имеются и недостатки: выработка некоторого количества токсичных газов (озон, оксиды азота), сложная конструкция (электродные сборки, высоковольтное электропитание), необходимость периодической чистки осадительных пластин.
Требования к очистителю воздуха
При применении рециркуляционного очистителя воздуха (такой очиститель засасывает воздух из помещения, фильтрует, а затем возвращает в помещение) обязательно должны учитываться характеристики прибора (однопроходная эффективность, объемная производительность) и объем целевого помещения, иначе прибор может оказаться бесполезным. Американской организацией AHAM для этих целей был разработан показатель CADR, учитывающий однопроходную эффективность очистки и объемную производительность очистителя, а также способ вычисления необходимого CADR для заданного помещения. Здесь уже есть неплохое описание этого показателя. AHAM рекомендует использовать очиститель со значением CADR большим или равным пятикратному обмену объема помещения в час. Например, для комнаты площадью 20 кв.м и высотой потолка 2,5м показатель CADR должен составлять 20 * 2.5 * 5 = 250 куб.м/час (или 147CFM) или более.
Также очиститель при работе не должен создавать какие-либо вредные факторы: превышение допустимых значений уровня шума, превышение допустимых концентраций вредных газов (в случае использования электрофильтра).
Однородное электрическое поле
Из курса физики мы помним, что вблизи тела, обладающего электрическим зарядом, образуется электрическое поле [2].

Силовой характеристикой поля является напряженность E [Вольт/м или кВ/см]. Напряженность электрического поля – векторная величина (имеет направление). Графически изображать напряженность принято силовыми линиями (касательные к точкам силовых кривых совпадают с направлением вектора напряженности в данных точках), величина напряженности характеризуется густотой этих линий (чем более густо расположены линии – тем большее значение принимает напряженность в этой области).
Рассмотрим простейшую систему электродов, представляющую из себя две параллельные металлические пластины, находящиеся друг от друга на расстоянии L, к пластинам приложена разность потенциалов напряжением U с источника высокого напряжения:
L= 11мм = 1.1см;
U = 11кВ (киловольт; 1киловольт = 1000вольт);

На рисунке показано примерное расположение силовых линий. По густоте линий видно, что в большей части пространства межэлектродного промежутка (за исключением области вблизи кромок пластин) напряженность имеет одинаковое значение. Такое равномерное электрическое поле называется однородным [2, 3, 4]. Значение напряженности в пространстве между пластинами для этой электродной системы можно вычислить из простого уравнения [1, 2.]:

Значит, при напряжении 11кВ напряженность составит 10кВ/см. В данных условиях атмосферный воздух, заполняющий пространство между пластинами, является электрическим изолятором (диэлектриком), то есть не проводит электрический ток, поэтому в электродной системе ток протекать не будет. Проверим это на практике.
Электродная система может быть собрана в один из трех вариантов: «две параллельные пластины», «провод-пластина» или «зубья-пластина»:

Межэлектродное расстояние для всех вариантов одинаковое и составляет 11мм.
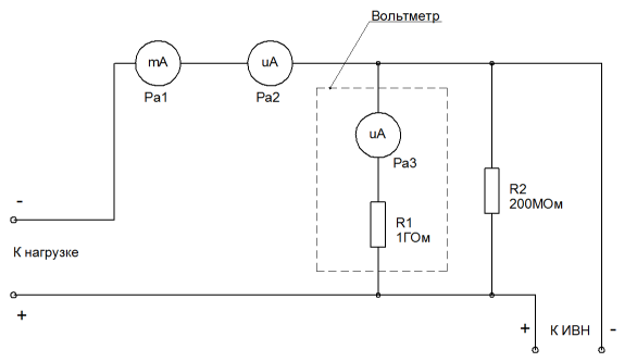
Стенд состоит из измерительных приборов:
- вольтметр 50кВ (микроамперметр Pa3 на 50мкА с добавочным сопротивлением R1 1ГОм; 1мкА показаний соответствует 1кВ);
- микроамперметр Pa2 на 50мкА;
- миллиамперметр Pa1 на 1мА.
электрическая схема:

При высоких напряжениях некоторые непроводящие материалы внезапно начинают проводить ток (например, мебель), поэтому все смонтировано на листе оргстекла. Выглядит это безобразие так:

Конечно, точность измерений таким оборудованием оставляет желать лучшего, но для наблюдений за общими закономерностями вполне должно хватить (лучше, чем ничего!). Со вступлениями заканчиваем, приступим к делу.
Эксперимент #1
Две параллельные пластины, однородное электрическое поле;
L = 11мм = 1.1см;
U = 11…22кВ.
По показаниям микроамперметра видно, что электрический ток действительно отсутствует. Ничего не изменилось и при напряжении 22кВ, и даже при 25кВ (максимальном для моего источника высокого напряжения).
Вольт-амперная характеристика:
| U, кВ | E, кВ/см | I, мкА |
|---|---|---|
| 0 | 0 | 0 |
| 11 | 10 | 0 |
| 22 | 20 | 0 |
| 25 | 22.72 | 0 |
Электрический пробой воздушного промежутка
Сильное электрическое поле способно превратить воздушный промежуток в электрический проводник – для этого необходимо, чтобы его напряженность в промежутке превысила некоторую критическую (пробойную) величину. Когда это происходит, в воздухе с высокой интенсивностью начинают протекать ионизационные процессы: в основном ударная ионизация и фотоионизация, что приводит к лавинообразному росту количества свободных носителей зарядов – ионов и электронов. В какой-то момент времени образуется проводящий канал (заполненный носителями зарядов), перекрывающий межэлектродный промежуток, по которому начинает течь ток (явление называется электрическим пробоем или разрядом). В зоне протекания ионизационных процессов имеют место химические реакции (в том числе диссоциация молекул, входящих в состав воздуха), что приводит к выработке некоторого количества токсичных газов (озон, оксиды азота).
Ионизационные процессы [1, 2]
Ударная ионизация
Свободные электроны и ионы различных знаков, всегда имеющиеся в атмосферном воздухе в небольшом количестве, под действием электрического поля будут устремляться в направлении электрода противоположной полярности (электроны и отрицательные ионы – к положительному, положительные ионы–к отрицательному). Некоторые из них будут по пути сталкиваться с атомами и молекулами воздуха. В случае, если кинетическая энергия движущихся электронов/ионов оказывается достаточной (а она тем выше, чем выше напряженность поля), то при столкновениях из нейтральных атомов выбиваются электроны, в результате чего образуются новые свободные электроны и положительные ионы. В свою очередь новые электроны и ионы будут также ускоряться электрическим полем и некоторые из них будут способны таким образом ионизировать другие атомы и молекулы. Так количество ионов и электронов в межэлектродном пространстве начинает лавинообразно увеличиваться.
Фотоионизация
Атомы или молекулы, получившие при столкновении недостаточное для ионизации количество энергии, испускают ее в виде фотонов (атом/молекула стремится вернуться в прежнее стабильное энергетическое состояние). Фотоны могут быть поглощены каким-либо атомом или молекулой, что может также привести к ионизации (если энергия фотона достаточна для отрыва электрона).
Для параллельных пластин в атмосферном воздухе критическую величину напряженности электрического поля можно вычислить из уравнения [1]:

Для рассматриваемой электродной системы критическая напряженность (при нормальных атмосферных условиях) составляет около 30,6кВ/см, а напряжение пробоя –33,6кВ. К сожалению, мой источник высокого напряжения не может выдать более 25кВ, поэтому для наблюдения электрического пробоя воздуха пришлось уменьшить межэлектродное расстояние до 0,7см (критическая напряженность 32.1кВ/см; напряжение пробоя 22,5кВ).
Эксперимент #2
Наблюдение электрического пробоя воздушного промежутка. Будем повышать приложенную к электродам разность потенциалов до возникновения электрического пробоя.
L = 7мм = 0.7см;
U = 14…25кВ.
Пробой промежутка в виде искрового разряда наблюдался при напряжении 21,5кВ. Разряд испускал свет и звук (щелчок), стрелки измерителей тока отклонялись (значит, что электрический ток протекал). При этом в воздухе ощущался запах озона (такой же запах, например, возникает при работе УФ-ламп во время кварцевания помещений в больницах).
Вольт-амперная характеристика:
| U, кВ | E, кВ/см | I, мкА |
|---|---|---|
| 0 | 0 | 0 |
| 14 | 20 | 0 |
| 21 | 30 | 0 |
| 21.5 | 30.71 | пробой |
Неоднородное электрическое поле
Заменим в системе электродов положительный пластинчатый электрод на тонкий проволочный электрод диаметром 0.1мм (т.е. R1=0.05мм), также расположенный параллельно отрицательному пластинчатому электроду. В этом случае в пространстве межэлектродного промежутка при наличии разности потенциалов образуется неоднородное [2, 4] электрическое поле: чем ближе точка пространства к проволочному электроду – тем выше значение напряженности электрического поля. На рисунке ниже представлена примерная картина распределения:

Для наглядности можно построить более точную картину распределения напряженности — проще это сделать для эквивалентной электродной системы, где пластинчатый электрод заменен на трубчатый электрод, расположенный коаксиально коронирующему электроду:

Для этой электродной системы значения напряженности в точках межэлектродного пространства можно определить из простого уравнения [1, 2]:

На рисунке ниже представлена рассчитанная картина для значений:
R1 = 0.05мм = 0.005см;
R2 = 11мм = 1.1см;
U = 5кВ;
Линии характеризуют значение напряженности на данном удалении; значения соседних линий отличаются на 1кВ/см.

Из картины распределения видно, что в большей части межэлектродного пространства напряженность изменяется незначительно, а вблизи проволочного электрода, по мере приближения к нему, резко возрастает.
Коронный разряд
В электродной системе провод-плоскость (или подобной, в которой радиус кривизны одного электрода существенно меньше межэлектродного расстояния), как мы увидели из картины распределения напряженности, возможно существование электрического поля со следующими особенностями:
- в небольшой области, приближенной к проволочному электроду, напряженность электрического поля может достигать высоких значений (значительно превышающих 30кВ/см), достаточных для возникновения интенсивных ионизационных процессов в воздухе;
- одновременно с этим, в большей части межэлектродного пространства напряженность электрического поля будет принимать невысокие значения – менее 10 кВ/см.
При такой конфигурации электрического поля образуется электрический пробой воздуха, локализованный в небольшой области вблизи провода и не перекрывающий межэлектродный промежуток (см. фото). Такой незавершенный электрический разряд называется коронным разрядом [1, 2], а электрод, вблизи которого он образуется – коронирующим электродом [2].
В межэлектродном промежутке с коронным разрядом выделяется две зоны [1]: зона ионизации(или чехол разряда) и зона дрейфа:

В зоне ионизации, как можно догадаться из названия, протекают ионизационные процессы – ударная ионизация и фотоионизация, и образуются ионы разных знаков и электроны. Электрическое поле, присутствующее в межэлектродном пространстве, воздействует на электроны и ионы, из-за чего электроны и отрицательные ионы (при наличии) устремляются к коронирующему электроду, а положительные ионы вытесняются из зоны ионизации и поступают в зону дрейфа.
В зоне дрейфа, на которую приходится основная часть межэлектродного промежутка (все пространство промежутка за исключением зоны ионизации), ионизационные процессы не протекают. Здесь распределяется множество дрейфующих под действием электрического поля (в основном в направлении пластинчатого электрода) положительных ионов.
За счет направленного движения зарядов (положительные ионы замыкают ток на пластинчатый электрод, а электроны и отрицательные ионы — на коронирующий электрод) в промежутке протекает электрический ток, ток коронного разряда [2, 3].
В атмосферном воздухе в зависимости от условий положительный коронный разряд может принимать одну из форм [1]: лавинную или стримерную. Лавинная форма наблюдается в виде равномерного тонкого светящегося слоя, покрывающего гладкий электрод (например, провод), выше было фото. Стримерная форма наблюдается в виде тонких светящихся нитевидных каналов (стримеров), направленных от электрода и чаще возникает на электродах с острыми неровностями (зубья, шипы, иглы), фото ниже:

Как и в случае с искровым разрядом, побочным эффектом протекания любой формы коронного разряда в воздухе (из-за наличия ионизационных процессов) является выработка вредных газов – озона и оксидов азота.
Эксперимент #3
Наблюдение положительного лавинного коронного разряда. Коронирующий электрод – проволочный, положительное питание;
L = 11 мм = 1.1см;
R1 = 0.05 мм = 0.005см
Свечение разряда:
Процесс коронирования (появился электрический ток) начался при U = 6.5кВ, при этом поверхность проволочного электрода начала равномерно покрываться тонким слабосветящимся слоем и появился запах озона. В этой светящейся области (чехле коронного разряда) и сосредоточены ионизационные процессы. При увеличении напряжения наблюдалось увеличение интенсивности свечения и нелинейный рост тока, а при достижении U = 17.1кВ произошло перекрытие межэлектродного промежутка (коронный разряд перешел в искровой разряд).
Вольт-амперная характеристика:
| U, кВ | I, мкА |
|---|---|
| 0 | 0 |
| 6,5 | 1 |
| 7 | 2 |
| 8 | 20 |
| 9 | 40 |
| 10 | 60 |
| 11 | 110 |
| 12 | 180 |
| 13 | 220 |
| 14 | 300 |
| 15 | 350 |
| 16 | 420 |
| 17 | 520 |
| 17.1 | перекрытие |

Эксперимент #4
Наблюдение отрицательного коронного разряда. Поменяем местами провода электропитания электродной системы (отрицательный провод к проволочному электроду, положительный провод – к пластинчатому). Коронирующий электрод – проволочный, отрицательное питание;
L = 11 мм;
R1 = 0.05 мм = 0.005 см.
Свечение:
Коронирование началось при U = 7.5кВ. Характер свечения отрицательной короны существенно отличался от свечения положительной короны: теперь на коронирующем электроде возникали отдельные пульсирующие светящиеся равноудаленные друг от друга точки. При повышении приложенного напряжения возрастал ток разряда, а также увеличивалось количество светящихся точек и интенсивность их свечения. Запах озона ощущался сильней, чем при положительной короне. Искровой пробой промежутка произошел при U = 18.5кВ.
Вольт-амперная характеристика:
| U, кВ | I, мкА |
|---|---|
| 0 | 0 |
| 7.5 | 1 |
| 8 | 4 |
| 9 | 20 |
| 10 | 40 |
| 11 | 100 |
| 12 | 150 |
| 13 | 200 |
| 14 | 300 |
| 15 | 380 |
| 16 | 480 |
| 17 | 590 |
| 18 | 700 |
| 18.4 | 800 |
| 18.5 | перекрытие |

Эксперимент #5
Наблюдение положительного стримерного коронного разряда. Заменим в электродной системе проволочный электрод на пилообразный электрод и вернем полярность электропитания в исходное состояние. Коронирующий электрод – зубчатый, положительное питание;
L = 11 мм = 1.1см;
Свечение:
Процесс коронирования начался при U = 5.5кВ, при этом на остриях коронирующего электрода появились тонкие светящиеся каналы (стримеры), направленные в сторону пластинчатого электрода. По мере увеличения напряжения размер и интенсивность свечения этих каналов, а также коронный ток увеличивался. Запах озона ощущался примерно как при положительной лавинной короне. Переход коронного разряда в искровой разряд произошел при U = 13кВ.
Вольт-амперная характеристика:
| U, кВ | I, мкА |
|---|---|
| 0 | 0 |
| 5.5 | 1 |
| 6 | 3 |
| 7 | 10 |
| 8 | 20 |
| 9 | 35 |
| 10 | 60 |
| 11 | 150 |
| 12 | 300 |
| 12.9 | 410 |
| 13 | перекрытие |

Как было видно из экспериментов, геометрические параметры коронирующего электрода, а также полярность питания существенно влияют на закономерность изменения тока от напряжения, величину напряжения зажигания разряда, величину напряжения пробоя промежутка. Это не все факторы, влияющие на режим протекания коронного разряда, вот более полный список[1,2,3,4]:
- геометрические параметры межэлектродного пространства:
- геометрические параметры коронирующего электрода;
- межэлектродное расстояние;
- полярность электропитания, подводимого к коронирующему электроду;
- параметры воздушной смеси, заполняющей межэлектродное пространство:
- химический состав;
- влажность;
- температура;
- давление;
- примеси (частицы аэрозолей, например: пыль, дым, туман)
- в некоторых случаях материал (значение работы выхода электрона) отрицательного электрода, так как с поверхности металлического электрода при бомбардировке ионами и при облучении фотонами может происходить отрыв электронов.
Далее в статье будет идти речь только о положительном лавинном коронном разряде, так как такой разряд характеризуется относительно низким количеством вырабатываемых токсичных газов [3,4]. Данная форма разряда менее эффективна для электрической очистки воздуха в сравнении с отрицательным коронным разрядом [3,4] (отрицательная корона повсеместно применяется в промышленных аппаратах по очистке дымовых газов перед их выбросом в атмосферу).
Электрическая очистка воздуха: принцип работы
Принцип электрической очистки заключается в следующем: воздух с взвешенными частицами загрязнений (частицы пыли и/или дыма и/или тумана) пропускается со скоростью Vв.п. через межэлектродный промежуток, в котором поддерживается коронный разряд (в нашем случае положительный).

Частицы пыли сначала электрически заряжаются в поле коронного разряда (положительно), а затем притягиваются к отрицательно заряженным пластинчатым электродам за счет действия электрических сил.
Зарядка частиц
Дрейфующие положительные ионы, имеющиеся в большом количестве в межэлектродном коронирующем промежутке, сталкиваются с частицами пыли, из-за чего частицы приобретают положительный электрический заряд. Процесс зарядки выполняется в основном за счет двух механизмов [1,2,4] – ударной зарядки дрейфующими в электрическом поле ионами и диффузионной зарядки ионами, участвующими в тепловом движении молекул. Оба механизма действуют одновременно, но первый более существенен для зарядки крупных частиц (размерами более микрометра), а второй – для более мелких частиц [1,2,4]. Важно отметить, что при интенсивном коронном разряде скорость диффузионной зарядки значительно ниже ударной [4].
Процессы зарядки [1]
Процесс ударной зарядки протекает в потоке ионов, движущихся от коронирующего электрода под действием электрического поля. Ионы, оказавшиеся слишком близко к частице, захватываются последней за счет молекулярных сил притяжения, действующих на коротких расстояниях (в том числе сила зеркального отображения, обусловленная взаимодействием заряда иона и наведенного за счет электростатической индукции противоположного заряда на поверхности частицы).
Механизм диффузионной зарядки выполняется ионами, участвующими в тепловом движении молекул. Ион, оказавшийся достаточно близко к поверхности частицы, захватываются последней за счет молекулярных сил притяжения (в том числе силой зеркального отображения), поэтому вблизи поверхности частицы образуется пустая область, где ионы отсутствуют:

Из-за образовавшейся разности концентраций возникает диффузия ионов к поверхности частицы (ионы стремятся занять пустую область), и в результате эти ионы оказываются захваченными.
При любом механизме по мере накопления частицей заряда, на находящиеся вблизи частицы ионы начинает действовать отталкивающая электрическая сила (заряд частицы и ионов одного знака), поэтому скорость зарядки будет со временем снижаться и в некоторый момент прекратится совсем [1,4]. Этим объясняется существование предела зарядки частицы.
Величина заряда, полученного частицей в коронирующем промежутке, зависит от следующих факторов:
- способность частицы к зарядке (скорость зарядки и предельный заряд, больше которого частица зарядиться не может);
- время, отпущенное на процесс зарядки;
- электрические параметры области, в которой находится частица [1,4] (напряженность электрического поля, концентрация и подвижность ионов)
Способность частицы к зарядке определяется параметрами частицы [2,4] (в первую очередь размер, а также электрофизические характеристики). Электрические параметры в месте нахождения частицы определяются режимом коронного разряда и удаленностью частицы от коронирующего электрода [1,3,4].
Дрейф и осаждение частиц
В межэлектродном пространстве коронирующей электродной системы присутствует электрическое поле, поэтому на частицу, получившую какой-либо заряд, сразу начинает действовать [1,2,3,4] сила Кулона Fк, из-за чего частица начинает смещаться в направлении осадительного электрода – возникает скорость дрейфа W:

Значение силы Кулона пропорционально заряду частицы и напряженности электрического поля в месте ее нахождения [1,2,4]:

Из-за движения частицы в среде возникает [1,2] сила сопротивления Fс, зависящая от размеров и формы частицы, скорости ее движения, а также вязкости среды, поэтому нарастание скорости дрейфа ограничивается. Известно [1]: скорость дрейфа крупной частицы в поле коронного разряда пропорциональна напряженности электрического поля и квадрату ее радиуса, а мелкой – пропорциональна напряженности поля.
Спустя какое-то время частица достигает поверхности осадительного электрода, где удерживается за счет следующих сил [4]:
- электростатических сил притяжения, обусловленных наличием заряда на частице;
- молекулярных сил;
- сил, обусловленных капиллярными эффектами (в случае присутствия достаточного количества жидкости и способности частицы и электрода к смачиванию).

Эти силы противодействуют воздушному потоку, стремящемуся сорвать частицу. Частица выведена из воздушного потока.
Как можно заметить, коронирующий промежуток электродной системы выполняет следующие необходимые для электрической очистки функции:
- производство положительных ионов для зарядки частиц;
- обеспечение электрического поля для направленного дрейфа ионов (необходимого для зарядки частиц) и для направленного дрейфа заряженных частиц к осадительному электроду (необходимого для осаждения частиц).
Поэтому электрический режим коронного разряда существенно влияет на эффективность очистки. Известно [4], что процессу электроочистки способствует увеличение мощности, затрачиваемой коронным разрядом – увеличение разности потенциалов, приложенной к электродам и/или силы тока разряда. Из ВАХ межэлектродного промежутка, рассмотренной ранее, видно, что для этого необходимо поддерживать предпробойное значение разности потенциалов (кроме того видно, что это непростая задача).
Некоторые факторы могут оказывать существенное влияние на процесс электрической очистки:
- высокая количественная концентрация частиц загрязнений; приводит к дефициту ионов [2,3] (большая их часть осаждается на частицах), в результате чего снижается интенсивность коронирования, вплоть до прекращения (явление носит название запирание короны), ухудшению параметров электрического поля в промежутке [1]; это приводит к падению эффективности процесса зарядки;
- накопление слоя пыли на осадительном электроде:
- если слой обладает высоким электрическим сопротивлением, то в нем накапливается электрический заряд того же знака, что и заряд дрейфующих частиц (и полярность коронирующего электрода), в результате чего:
- снижается интенсивность коронного разряда [2,3] (из-за деформации электрического поля в промежутке), что негативно отражается на процессе зарядки частиц и процессе дрейфа частиц к осадительному электроду;
- заряженный слой оказывает отталкивающее действие на осаждающуюся частицу [2], имеющую заряд того же знака, что негативно отражается на процессе осаждения;
- если слой обладает высоким электрическим сопротивлением, то в нем накапливается электрический заряд того же знака, что и заряд дрейфующих частиц (и полярность коронирующего электрода), в результате чего:
- электрический ветер [1,2] (возникновение воздушного потока в направлении от коронирующего электрода в сторону осадительного электрода) в некоторых случаях может оказывать заметное влияние на траекторию движения частиц, особенно мелких.
Электродные системы электрических фильтров
По мере удаления от коронирующего электрода по направлению вдоль пластин, значение напряженности поля снижается. Условно выделим в межэлектродном промежутке активную область, в пределах которой напряженность поля принимает существенные значения; за пределами этой области необходимые для электрической очистки процессы неэффективны из-за недостаточной напряженности.

Сценарий движения частицы загрязнения на практике может отличаться от описанного ранее: например, частица так и не достигнет осадительного электрода (а), или осажденная частица может по каким-то причинам оторваться (б) от осадительного электрода с последующим уносом воздушным потоком:

Очевидно, что для достижения высоких показателей качества очистки необходимо, чтобы выполнялись условия:
- каждая частица загрязнения должна достигнуть поверхности осадительного электрода;
- каждая частица, достигнувшая осадительного электрода, должна надежно удерживаться на его поверхности до момента ее удаления при чистке.
Напрашивается предположение, что следующие меры должны приводить к повышению качества очистки:
- увеличение скорости дрейфа W;
- снижение скорости воздушного потока Vв.п.;
- увеличение длины S осадительных электродов по ходу движения воздуха;
- уменьшение межэлектродного расстояния L, что приведет к уменьшению расстояния A (которое необходимо преодолеть частице, чтобы достигнуть осадительного электрода).

Наибольший интерес, конечно, вызывает возможность повышения скорости дрейфа. Как было ранее отмечено, она в основном определяется величиной напряженности электрического поля и зарядом частицы, поэтому для обеспечения ее максимальных значений необходимо поддерживать интенсивный коронный разряд, а также обеспечить достаточное время пребывания (не менее 0,1с [2,3]) частицы в активной области промежутка (чтобы частица успела получить значительный заряд).
Величина скорости воздушного потока (при постоянном размере активной области) определяет время пребывания частицы в активной области промежутка, и, следовательно, время, отпущенное на процесс зарядки и время, отпущенное на процесс дрейфа. Кроме того, чрезмерное увеличение скорости приводит [3] к возникновению явления вторичного уноса – к вырыванию осажденных частиц с осадительного электрода. Выбор скорости потока является компромиссом, так как снижение скорости приводит к падению объемной производительности аппарата, а значительное увеличение – к резкому ухудшению качества очистки. Обычно скорость в электрофильтрах составляет [1,3] около 1 м/с (может находиться в пределах 0,5…2,5 м/с).
Увеличение длины S осадительного электрода не сможет оказать значительного положительного эффекта, так как в удлиненной части межэлектродного промежутка за пределами условной активной области (большое удаление от коронирующего электрода) напряженность электрического поля и, следовательно, скорость дрейфа частицы будет мала:

Установка дополнительного коронирующего электрода в удлиненной части значительно улучшит ситуацию, но для бытового устройства это решение может вызвать проблемы с выработкой токсичных газов (из-за увеличения суммарной протяженности коронирующего электрода):

Аппараты с таким расположением электродов известны как многопольные электрофильтры [4] (в данном случае двухпольный электрофильтр) и применяются в промышленности для очистки больших объемов газов.
Уменьшение межэлектродного расстояния (L → *L) приведет к уменьшению пути (*A < A), который необходимо преодолеть частице, чтобы достигнуть осадительного электрода:

Из-за сокращения межэлектродного расстояния будет снижена разность потенциалов U, из-за чего уменьшится и размер активной области межэлектродного промежутка. Это приведет к сокращению времени, отпущенного на процесс зарядки и процесс дрейфа частицы, что в свою очередь может привести к снижению качества очистки (особенно для мелких частиц, обладающих низкой способностью к зарядке). Кроме того, уменьшение расстояния приведет к сокращению площади поперечного сечения активной зоны. Решить проблему сокращения площади можно параллельной установкой такой же электродной системы:

Аппараты с таким расположением электродов известны как многосекционные электрофильтры[4] (в данном случае двухсекционный) и применяются в промышленных установках. У данной конструкции увеличена протяженность коронирующего электрода, что может вызвать проблемы с выработкой токсичных газов.
Гипотетический высокоэффективный электрический фильтр, наверное, содержал бы некоторое количество электрический полей и секций очистки:

Каждая поступившая в этот многосекционный многопольный электрофильтр частица успевала бы получить максимально возможный заряд, так как в аппарате обеспечивается активная область зарядки большой протяженности. Каждая заряженная частица достигала бы поверхности осадительного электрода, так как в аппарате обеспечена активная область осаждения большой протяженности и уменьшено расстояние, которое необходимо преодолеть частице, чтобы осесть на электроде. Аппарат без труда справлялся бы и с высокой запыленностью воздуха. Но такая компоновка электродов из-за большой суммарной длины коронирующих электродов будет вырабатывать недопустимо большое количество токсичных газов. Поэтому подобная конструкция совершенно непригодна для использования в устройстве, предназначенном для очистки воздуха, который будет использоваться людьми для дыхания.
В начале статьи была рассмотрена электродная система, состоящая из двух параллельных пластин. Она обладает очень полезными свойствами в случае ее применения в бытовом электрофильтре:
- электрический разряд в электродной системе не протекает (ионизационные процессы отсутствуют), поэтому токсичные газы не вырабатываются;
- в межэлектродном пространстве образуется однородное электрическое поле, поэтому пробойная прочность межэлектродного промежутка выше, чем эквивалентного промежутка с коронирующим электродом.
Благодаря этим свойствам использование данной электродной системы в электрическом фильтре может обеспечить эффективное осаждение заряженных частиц без наработки вредных газов.
Заменим в двухпольной электродной системе второй коронирующий проволочный электрод на пластинчатый электрод:

Процесс очистки воздуха в модифицированной электродной системе немного отличается – теперь он протекает в 2 стадии: сначала частица проходит коронирующий промежуток с неоднородным полем (активная область 1), где получает электрический заряд, затем поступает в промежуток с однородным электростатическим полем (активная область 2), который обеспечивает дрейф заряженной частицы к осадительному электроду. Таким образом, можно выделить две зоны: зона зарядки (ионизатор) и зона осаждения (осадитель), поэтому данное решение и получило название — двухзонный электрофильтр [2,3]. Пробойная прочность межэлектродного промежутка осадительной зоны выше [1,2] пробойной прочности промежутка зоны зарядки, поэтому к ней приложено большее значение разности потенциалов U2, что обеспечивает большее значение напряженности электрического поля в этой зоне (активная область 2). Пример: рассмотрим два промежутка с одинаковым межэлектродным расстоянием L=30мм: с коронирующим электродом и с пластинчатым электродом; пробойное значение средней напряженности для промежутка с неоднородным полем не превышает 10кВ/см [1]; пробойная прочность промежутка с однородным полем составляет около 28кВ/см, (более, чем в 2 раза выше).
Увеличение напряженности поля будет способствовать повышению качества очистки, так как сила, обеспечивающая дрейфа заряженных частиц пыли, пропорциональна ее значению. Что примечательно, электродная система зоны осаждения почти не потребляет электроэнергию. Кроме того, так как поле однородное, по всей длине зоны (по ходу движения воздуха) напряженность будет принимать одинаковое значение. Благодаря этому свойству можно увеличить длину электродов осадительной зоны:

В результате увеличится длина активной области осаждения (активная область 2), что обеспечит увеличение времени, отпущенного на процесс дрейфа. Это будет способствовать повышению качества очистки (особенно для мелких частиц, обладающих низкой скоростью дрейфа).
В электродную систему можно внести еще одно усовершенствование: увеличить количество электродов в осадительной зоне:

Это приведет к уменьшению межэлектродного расстояния осадительной зоны, в результате чего:
- уменьшится расстояние, которое необходимо преодолеть заряженной частице, чтобы достигнуть осадительного электрода;
- увеличится пробойная прочность межэлектродного промежутка (видно из уравнения критической напряженности воздушного промежутка), благодаря чему будет возможно обеспечить еще более высокие значения напряженности электрического поля в зоне осаждения.
Например, пробойная напряженность при межэлектродном расстоянии L=30мм составляет около 28кВ/см, а при L=6мм – около 32кВ/см, что на 14% выше.
Протяженность активной области 2 по ходу движения воздуха при этом, что важно, не уменьшится. Поэтому увеличение количества электродов в осадителе тоже будет способствовать повышению качества очистки.
Заключение
В конечном счете, мы пришли к двухзонной электродной системе, обладающей высоким качеством очистки от взвешенных частиц, даже мелких, улавливание которых вызывает наибольшие трудности (низкая способность к зарядке и, следовательно, низкое значение скорости дрейфа) при низком уровне вырабатываемых токсичных газов (при условии использования положительной лавинной короны). Конструкция имеет и недостатки: при высокой количественной концентрации пыли возникнет явление запирания короны, что может привести к значительному снижению эффективности очистки. Как правило, воздух жилых помещений не содержит такого количества загрязнений, поэтому такой проблемы возникнуть не должно. Благодаря неплохому сочетанию характеристик устройства с аналогичными электродными системами успешно применяются для тонкой очистки воздуха в помещениях.
По возможности в следующей части будут выложены материалы по конструкции и сборке в домашних условиях полноценного двухзонного электростатического очистителя воздуха.
Огромная благодарность Яне Жировой за предоставленную фотокамеру: без нее качество фото- и видеоматериалов было бы значительно хуже, а фото коронного разряда вообще бы отсутствовали.
Назаров Михаил.
Источники
- Электрофизические основы техники высоких напряжений. И.П.Верещагин, Ю.Н. Верещагин. – М.: Энергоатомиздат, 1993г.;
- Очистка промышленных газов электрофильтрами. В.Н. Ужов. – М.: Издательство «Химия», 1967г.;
- Техника пылеулавливания и очистки промышленных газов. Г.М.-А. Алиев. – М.: Металлургия, 1986г.;
- Промышленная очистка газов: Пер. с англ. – М., Химия, 1981г.
Автор: Назаров Михаил

