«Говорят, что те кто видел гиперзвуковой экраноплан, летящий в пузыре плазмы, из которого выехал танк, сфотался, а потом заехал обратно, никому про это уже ничего не расскажут.»

Зимой я долго приставал к Зеленому Коту по поводу плазменных движков и их физических ограничений. И вот он опубликовал пост, а я вдогонку хочу немного разобраться со «лженаукой» и мифами, а так же понять, есть ли в ближайшей перспективе заменитель химическим ракетным движкам для моего реактивного ранца.
Я не специалист в движках. Ну совсем ни разу не специалист, но разобраться хочу. Сделаю небольшой «вброс» с расчетом на то, что хабраинтелект выведет на чистую воду плазму.
- Как звучит в атмосфере двигатель, скорость истечения «струи» которого выше четвертой космической?
- Возможно ли, что уже сейчас есть рабочие образцы плазменных движков на военной технике, которые могут обеспечит скорость полета 27 махов для объекта 100-1000 кг?
- Какие есть первоисточники с разным уровнем достоверности по этому вопросу?
Вот испытания немцев:
Статья в Journal of Physics: Conference Series.
Прототип, будучи масштабированным до размеров обычного авиационного двигателя, как утверждается, сможет развивать тягу от 50 до 150 килоньютонов в зависимости от подаваемого напряжения. Испытанный прототип представляет собой установку длиной 80 миллиметров и диаметром 14 миллиметров.
Исследователи полагают, что в будущем такие магнитоплазмодинамические двигатели можно будет устанавливать на самолеты, причем силовые установки будут эффективно работать на всех этапах: от взлета до полета на высоте 50 тысяч метров.
Принцип работы магнито-плазменного компрессора для аналога сопла Лаваля.

Тяга и импульс для различных типов батарей при различном давлении.

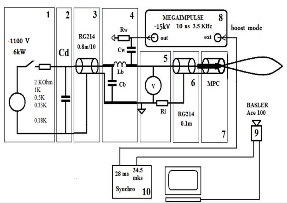
Общая схема
Тестовый образец

Струя/факел плазмы при различном вольтаже.

Плазма в различных фильтрах.

Распределение магнитного поля.

Эрозия после 1000 запусков.
Источники
- First Breakthrough for Future Air-Breathing Magneto-Plasma Propulsion Systems
- Физики испытали плазменный двигатель для самолетов
- В Сибири начнут эксперименты, которые позволят создать плазменный двигатель
- Немцы испытали высокочастотный плазменный двигатель
- Плазменные двигатели: миф и реальность
- Победа над плазмой — новый метод для связи с космическим аппаратом
Автор: MagisterLudi
