
В этой статье я расскажу о том, как создал специализированный комплект антенн для тестирования клеток Фарадея, применяемых в клиническом оборудовании для магнитно-резонансной томографии. Проект является open-source и доступен для повторения каждому кто желает обзавестись таким весьма необычным инструментарием.
Если вы хоть раз проходили процедуру МРТ, то могли обратить внимание, что дверь в комнату, где стоит сам томограф, выглядит специфично: она металлическая и по краям имеет гибкие гребешки контактных пластинок, либо проводящий уплотнитель. Хоть в МРТ и нет никакой радиации, во время процедуры сканирования дверь обязательно плотно закрывают, а сам оператор располагается напротив окошка, в котором если приглядеться, под стеклом видна тонкая металлическая сетка. Все эти элементы являются частью клетки Фарадея, которая обычно используется в довольно специфичных обстоятельствах. Например, во время проведения всяких точных научных экспериментов или конструкторских изысканий при разработке высокочастотного оборудования. В МРТ же такие клетки давно стали обыденностью и, прежде чем установить аппарат в больнице или клинике, вокруг него строится специализированное экранирующее помещение.
Дело в том, что во время работы аппарат излучает радиосигналы для возбуждения ядер атомов водорода в теле пациента. В зависимости от величины его статического магнитного поля, частота радиосигналов варьируются и имеет разные значения. Полоса у них при этом довольно узкая (не более пары сотен килогерц), а вот пиковая мощность может достигать десятков киловатт:
1 T) аппаратов МРТ. Частота определяется гиромагнитным соотношением для ядра которое сканируют, в данном случае - водорода." title="Распространённые значения полей низкопольных (<1 T) и высокопольных (>1 T) аппаратов МРТ. Частота определяется гиромагнитным соотношением для ядра которое сканируют, в данном случае - водорода." width="689" height="400" data-src="https://habrastorage.org/getpro/habr/upload_files/074/710/d00/074710d00154e750ad8139215ebe154c.jpg" data-blurred="true"/>
Для построения картинки аппарат собирает слабые ответные сигналы ядер на той же частоте. При этом их амплитуда составляет уже порядка жалких десятков нановольт, что делает измерения весьма проблематичными в условиях современного шумного электромагнитного фона. Потому клетка (на жаргоне иногда «кабина») выполняет сразу две полезные функции: она защищает аппарат от внешних радиопомех, а с другой стороны - изолирует внешний мир от сигналов самого томографа. Однако как показывает наш суровый быт, клетки зачастую строят без каких либо полноценных проверок, либо не сильно обременяют себя поддержанием их состояния в должном виде. Потому если вооружиться SDR приёмником, то недалеко от клиники с аппаратом МРТ можно без проблем поймать его сигналы во время процедуры сканирования:

Конечно же на спектре будет видно только мощные сигналы возбуждения, которые не содержат в себе какую-либо информацию о внутренностях пациента, что со скучающим взором лежит себе и изучает краску на потолке тоннеля. Однако некоторые данные всё же можно извлечь и отсюда. Первое и самое очевидное - это то, что клетка Фарадея неисправна (иначе бы мы ничего и не поймали). Во-вторых - можно вычислить величину статического поля аппарата по рабочей частоте его сигнала. Иногда в своей рекламе клиники недобросовестно завышают величину поля чтобы привлечь клиентов - так можно вывести их на чистую воду. В данном примере величина составляет 1.5 Т (см. таблицу выше). И наконец, в-третьих, если, конечно, у нас есть очень глубокие знания в вопросе - то примерно можно даже определить какой регион сканируют и какой последовательностью:

Также можно собрать статистику по потоку клиентов, самым востребованным областям для исследований и среднему времени сканирования. К счастью, такой ерундой заниматься вряд ли кто-то будет, а данная статья вовсе не про информационную безопасность.
Гораздо больше как докторов, так и пациентов интересует обратная сторона вопроса – когда внешние помехи проникают через неисправную клетку. В первую очередь при такой ситуации повышается общий уровень шума, и картинка становится более зернистой. В совсем плохом случае может быть как на вот в этом примере (это позвоночник если что):

Такие изображение как справа ни один уважающий себя специалист анализировать не возьмётся, ибо посреди шума легко пропустить что-то критичное для здоровья пациента. Стоит отметить, что в этом примере взят совсем крайний случай, и если клетка более-менее целостная, такого сильного негативного эффекта не будет. Но даже при условно-рабочем экранировании всё равно могут пробиваться радиосигналы от внешних источников, которым посчастливилось попасть в узкую рабочую полосу МРТ. Выглядят они обычно как вертикальные, либо горизонтальные полосы, либо группы точек и звёздочек:

Источниками помех могут быть импульсные блоки питания, светодиодные лампы, ларёк с шаурмой, холодильник "Зил", радиолюбители и ещё добрая сотня разных причин. Поэтому чтобы обезопасить медицинское оборудование от негативного влияния внешних факторов, очень важно оценивать, насколько же хорошо клетка Фарадея работает. В идеальном мире есть специализированные компании, которые этим занимаются. Серьёзные дяди с чемоданами приезжают и раскладывают огромные антенные установки на треногах. На экранах баснословно дорогих спектральных анализаторов они смотрят, как затухает сигнал при прохождении экранированных стен. По завершении измерений дают бумагу с красивым экспертным заключением и жирной синей печатью.

В основном в профессиональной сфере используют широкополосные антенны и их комбинации. Особенно популярны логопериодические. Они позволяют покрывать огромный диапазон частот начиная от сотен килогерц и до единиц гигагерц. В целом порядок измерений прост: одна антенна с генератором располагается внутри помещения, вторая с приёмником - снаружи. Сначала проводят калибровку, когда помещение открыто, измеряя уровень прохождения сигнала от одной антенны ко второй, затем закрывают дверь и проверяют насколько сигнал изменился. Результат обычно представлен в виде графика затухания в децибелах, что является логарифмическим представлением нашего линейно-бытового понятия "во столько-то раз" сигнал стал меньше.
Однако я не зря ранее упомянул идеальный мир ранее. Таких компаний очень мало, занимаются они обычно чем-то более серьёзным, чем клетки для МРТ, и их услуги соответственно весьма и весьма дороги. Поэтому в большинстве случаев пользуются народными средствами: мобильными телефонами, рациями и радиоприёмниками. Если клетка Фарадея действительно хорошая - то ни телефон, ни приёмник "Заря", ни голоса в голове рация ловить внутри не будут. Однако все эти методы имеют свои недостатки, и они не настолько точные и универсальные как хотелось бы. Особенно в случае, когда проблему надо локализовать в пространстве, или когда источник помех внезапно оказывается внутри клетки, а не снаружи. Поэтому мне, как инженеру, тесно работающему с МРТ и антеннами захотелось разработать что-то своё.
Как полагается, я начал с изучения готовых решений, вроде тех что показаны на картинке выше. Широкополосные логопериодические антенны, диполи и прочие огромные конструкции, покрывающие большие диапазоны за счёт своих внушительных размеров отпали сразу же. Они слишком громоздкие, должны состоять из крупных немагнитных частей (мы же в МРТ их ставить будем), и самое главное - непонятно как с их помощью определить брешь в электромагнитной обороне стен. Потому я обратил внимание на петлевые антенны, и в частности на решение от компании MPB, которое называется SEMS (Shielding Effectiveness Measurement System):

Комплект этих весьма компактных устройств предназначен специально для применения в МРТ и представляет собой два девайса, первый из которых - генератор, а второй - приёмник с дисплеем. Благодаря тому, что петлевые антенны скомбинированы с усилителями (т.е. они активные), они по сути широкополосные и могут покрывать диапазон от 2 до 128 МГц, что включает в себя все возможные частоты клинических аппаратов МРТ. Я не видел их в действии, но полагаю, что с их помощью можно также искать места утечек вручную путём перемещения антенны приёмника вдоль стенок помещения и наблюдения за цифрами. Единственный минус — это стоимость около 10 000$, что даже для профессионального оборудования весьма дорого.
Я подумал, что смогу максимально сократить стоимость и сложность собственного решения если не буду пытаться делать широкополосных устройств. Ознакомившись со списком самого распространённого оборудования МРТ, я решил, что достаточно будет выделить шесть рабочих частот (см. таблицу в начале), которые максимально полно охватят большую часть парка оборудования. Также я не стал заморачиваться с активными усилителями и какой-либо специализированной измерительной электроникой и софтом. Вместо этого проще сделать набор из двух небольших одинаковых антенн, которые уже можно будет по желанию присоединить к любому измерительному прибору или генератору сигналов.
В качестве первого блина, который обычно комом, за основу дизайна я взял распространённую радиолюбительскую конструкцию в виде петлевой антенны с индуктивно связанной согласующей петлёй:

В оригинале частота резонанса антенны настраивается при помощи переменного конденсатора, стоящего в разрыве главной петли. Так как мне нужны было всего лишь шесть разных дискретных значений частот, я решил что могу просто поставить поворотный галетный переключатель, который будет коммутировать конденсаторы разного номинала. Согласование антенны же должно было получается автоматически за счет той самой хитрой индуктивно-связанной маленькой петли, сделанной по схеме симметричного магнитного пробника (который я уже показывал ранее).
К сожалению, эта затея вышла неудачной: на высоких частотах галетный переключатель уже не смог полноценно выполнять свои функции и пропускал часть сигнала на соседние с замкнутыми пары контактов. Я настроил три нижние частоты, после чего этот нудный процесс мне надоел, так как каждый следующий впаяный конденсатор сбивал настройку сразу всех предыдущих контуров. Также, малая индуктивная петля не обеспечивала нужного уровня согласования на высоких частотах, и с каждым переключением по частоте вверх эффективность антенны уменьшалась.
В итоге я убрал и переключатель, и петлю, тем самым упростив конструкцию. В тоже время, однако, неизбежно усложнился процесс перестройки антенны с одной частоты на другую, но об этом позже. Итак, вторая и более удачная версия антенного элемента получилось вот такой:

И описание процесса его изготовления
Изготавливается он следующим образом: жесткий коаксиальный кабель диаметром 3.5 мм наматывается вокруг катушки от 3d принтера или другой подходящей оправки в кольцо диаметром около 200 мм. Чтобы кабель лучше принимал форму, ему можно помочь резиновой киянкой. Нужно спаять внутренний и внешний проводники коаксиала в основании антенны как показано на схеме выше. Это один из сложных моментов, поэтому можно использовать медную фольгу для фиксации и облегчения задачи. Кроме того, надо стараться не делать этот узел слишком толстым, чтобы он влез в будущий корпус. В верхней части антенны аккуратно вырезается участок внешнего проводящего слоя коаксиала, например, при помощи бокорезов. Длина оголённого участка должна быть около 40 мм. Также, внизу нужно оставить хвост около 40-50 мм к которому припаивается антенный коннектор. Я использовал SMA male как один из самых универсальных, но сейчас я думаю, что SMB подошёл бы даже лучше, так как не требует закручивания при соединении.
На данной конструкции я и решил остановиться. Далее стало очевидно, что простому голому антенному элементу конечно же нужен какой-никакой корпус. Ведь предполагается, что мы будем таскать антенну с собой от одного аппарата МРТ к другому, а также держать в руках при поиске проблем в клетках. Соответственно, корпус должен избавлять от необходимости трогать коаксиал, а также защищать антенну от изгибов, ведь всё это может портить её настройку. Я спроектировал несущие пластиковые конструкции корпуса для последующей 3d-печати в бесплатном ПО DesignSparkMechanical:

Корпус состоит из основной крестовины и крепежных элементов. В крестовину при помощи плоскогубцев, зубов или газового ключа впрессовываются пластиковые гайки М4, а крепления кабеля прикручиваются пластиковыми винтами (легко найти на aliexpress). Центр крестовины украшает опциональный лейбл с моей электронной почтой. Его надо приклеить, также как и нижнюю деталь Main_frame_P2, которая пристыковывается к рукояти уже как многоразовое разборное соединение. Разделение некоторых деталей с последующей склейкой понадобилось для того, чтобы всё это влезло в область печати недорогого 3d принтера (например Ender-3 Pro который использовал я).

Рукоять нужна чтобы в аэропорту до вас докапывались было удобно держать антенну при поиске мест утечек. Основу для неё я стащил с Thingiverse, доработав модель под свои нужды. Она также состоит из двух частей, которые надо склеить (PLA без проблем склеивается любым дешёвым цианоакрилатным клеем, ABS - ацетоном). Внизу у неё планировалась универсальная площадка под штатив, но изучив несколько разных моделей я понял, что все они отличаются друг от друга. Потому я эгоистично остановился лишь на призме, которая подходила под тот штатив, что был у меня в наличии. В дополнение я сделал подставочку-стенд, в которую можно вставить антенну, если штатива нет. Дальнейшие испытания, впрочем, показали что она вполне хороша и сама по себе. Вообще все упомянутые пластиковые детали конструкции в итоге прошли не менее четырёх итераций доработки каждая. А первые прототипы выглядели не очень красиво и печатались одноцветным пластиком.
Однако вернёмся к электронной составляющей. На данном этапе у нас есть, хоть и оригинально оформленный, но всё же просто кусок провода, который напрямую соединить с приборами можно, но толку от этого будет мало. Самая интересная деталь здесь - та, что позволит настроить антенну на нужную рабочую частоту:

Так как от идеи переключателя пришлось отказаться, то теперь антенна настраивается при помощи подключаемых к ней съёмных печатных плат (ссылка на gerber далее) с двумя разъёмами SMA 1.6 мм. Одним концом плата подключается к антенне, а другим - к кабелю измерительного прибора или генератора. Конечно же это не так удобно, как переключатель, но как потом уже показали натурные испытания, это и не так важно, ведь редко когда тестируется больше одной частоты за раз.
Согласующей платке конечно же тоже потребовался корпус. Его я оформил в виде коробочки, сверху которой указывается на какую рабочую частоту/статическое поле аппарата МРТ она позволяет настроить антенну:

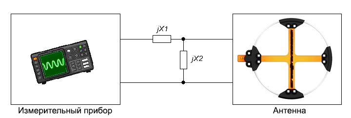
Ну а теперь про содержимое коробочек. Теория согласования в данную статью, конечно, никак не влезет. Но если кратко, то у антенны есть комплексное сопротивление (импеданс), которое меняется с частотой и может иметь как активную, так и реактивную составляющие. А большинство измерительных радиотехнических приборов (так уж сложилось) настроены на активное сопротивление в 50 Ом. Задача цепи согласования - путём включения между прибором и антенной реактивных элементов (конденсаторов и катушек индуктивности) изменить её сопротивление так, чтобы оно также стало равным 50 Ом без каких-либо паразитных комплексных величин. Именно в таком случае достигается наибольшая её эффективность в работе. Правила при этом простые: излишнюю ёмкость можно компенсировать индуктивностями, излишнюю индуктивность - наоборот емкостями.

Я применил самую простую, так называемую L-схему согласования. Элементы с комплексным сопротивлением jX1 и jX2 могут быть как катушками, так и конденсаторами, в зависимости от того какую комплексную величину импеданса антенны надо регулировать. В целом функционал элементов такой: при помощи jX2 мы двигаем резонанс антенны по частоте влево-вправо до нужной (tuning), а при помощи jX1 мы настраиваем его глубину - оптимальный уровень связи антенны с прибором (matching). Расчёт номиналов элементов может быть сделан тремя разными путями.
Как делаются скучные расчёты
Первый вариант - математический. Расписываем систему уравнений для вычисления значений jX1 и jX2, полагая что сопротивление прибора активные 50 Ом, а сопротивление антенны берется из измерений. Погрузиться в матан с головой и найти нужные формулы можно, например вот тут. Недостатки этого метода - сложность, а также сильная зависимость от точности измеренных данных. В моём случае даже дорогой прибор от R&S давал довольно весомую погрешность импеданса антенны, особенно в окрестностях её резонансной частоты.
Второй вариант - численное моделирование. Используем достижения прогресса в виде специализированного ПО для электромагнитных симуляций (CST, HFSS). Точность результатов зависит лишь от ваших навыков делать достоверные модели в конкретном софте. Это можно считать как плюсом, так и минусом.
Третий вариант - сделать грубые прикидки при помощи одного из двух вышеописанных методов, а далее использовать высоконаучный метод подбора и переменные конденсаторы и индуктивности. В итоге им я и пользовался.
В процессе работы выяснилось, что как ни старайся скрутить и спаять одинаковые по форме антенные элементы, разница в их импедансе, особенно на более высоких частотах будет довольно ощутимая, поэтому коробочки от одной антенны не очень хорошо подходят к другой, хоть с виду они и одинаковые. В ранних прототипах антенн я делал цветную маркировку при помощи термоусадок, но позже элегантно решил проблему совместимости просто напечатав каждую антенну и соответствующие ей аксессуары разным пластиком. Примерные номиналы элементов согласующих цепей у меня получились следующими:

Я не зря написал "примерные". Представленные величины служат лишь отправной точкой, с которой уже надо путём ручной регулировки добиться хорошего уровня согласования для каждой антенны. К сожалению, это оказался самый большой недостаток моего проекта - плохая воспроизводимость антенного элемента приводит к необходимости такой вот доработки напильником. Именно поэтому все ёмкости внутри коробочек на фото - комбинированные и собраны из постоянных и переменных (5-20 пФ) конденсаторов для возможности подкрутить параметры (но к счастью, это нужно лишь один раз). Такая же история и с катушками индуктивности. Их вообще очень сложно наматывать один в один, поэтому настройка потребует нескольких итераций подгонки витков и расстояния между ними для каждой антенны.
Согласование надо производить с использованием векторного анализатора и никак иначе. Подробно операции с диаграммой Смита я описывать не буду, так как этого добра и в интернете навалом. Сводится она к тому, чтобы сыграть в игру "Попади в центр диаграммы" покрутив конденсаторы и сжимая - разжимая катушки. Через некоторое время увлечённых занятий, этот процесс становится чисто интуитивным. Однако хочу отметить, что вам не обязательно иметь для этого дорогой прибор, ведь сегодня полно дешёвых альтернатив вроде Osa103, NanoVNA, miniVNA Tiny или RigExpert.

В итоге полный набор получился довольно внушительный: две антенны, и к каждой ещё шесть согласующих коробочек под разные частоты. Не так компактно, как хотелось изначально, но и не так страшно, как могло бы быть, особенно в плане стоимости (не считая правда кучи времени на разработку). Из самых дорогих составляющих стоит отметить высокодобротные конденсаторы от ATC, жесткий коаксиал и, собственно, 3d принтер с векторным анализатором.

Но и это ещё не всё! Чтобы измерить что-то, потребуется, собственно, эти антенны к чему-то подключить. Я протестировал набор с различными приборами, как дешёвыми, так и дорогими. Наверное, самым удачным решением мне показалось применение портативного SDR HackRF с платой расширения Portapack h2 в качестве средства мониторинга сигналов. Причём несмотря на то, что я использовал китайский клон, его чувствительности всегда было достаточно для измерений:

Я использовал его для теста различных клеток аппаратов разных производителей и, согласно собранной статистике, выяснилось, что в большинстве случаев виновата дверь. Так как это самый дёргаемый элемент конструкции, то и выходит из строя в первую очередь именно она. Чаще всего это происходит вследствие банального износа контактных пластин, упомянутых где-то далеко в начале этой статьи. Но иногда и из-за других факторов, вроде провисания петель. В некоторых случаях после таких проверок проблему решали простой заменой уплотнителя, а в крайних приходилось даже менять дверь целиком. Антенна довольно легко позволяет локализовать место утечки, и кроме дверей пару раз находились проблемы в полу и потолке, вызванные последствиями перенесённого потопа.
Пара видео с демонстрацией измерения изоляции клеток
Плохая клетка, с практически никакой изоляцией. Дверь была с самого начала неправильно сделана, её пришлось менять:
Клетка с условно-исправной дверью. Тут местами отлетел уплотнитель.
Абсолютно исправная клетка для сравнения:
Да, по желто-красным линиям на водопаде SDR нельзя выдать экспертного заключения о том насколько же клетка глушит сигнал. Для этого надо будет уже вооружиться приборами классом повыше, например спектральными анализаторами. Однако такой интуитивный индикатор позволяет весьма быстро увидеть, где же "фонит" и насколько сильно.
Кроме собственно проверки клеток на проницаемость, быстро обнаружилась и другая приятная фича - поиск источников помех. В МРТ много различной электроники, и со временем она также может выйти из строя и начать шуметь в эфир. Благодаря использованию антенн как минимум два раза был успешно найден шумящий модуль:

Конечно, данные антенны вовсе не панацея. В МРТ вообще много что влияет на качество картинки, и у старых аппаратов бывает огромная куча проблем, из которых качество клетки далеко уже не на первом плане. Бывали и случаи когда поиск и исправление проблем экранирования не давали ощутимого результата. Но по крайней мере представленные антенны позволяют сделать на одну проблему меньше, чтобы задумчивому инженеру было проще работать.
Итог
Вся эта деятельность с разработкой и применением антенн в МРТ в итоге с лихвой для меня окупилась. Делать из этого какой-то коммерческий и массовый продукт я не стал, да и думаю слово "массовость" к таким весьма специфичным устройствам абсолютно неприменимо. Сегодня несколько наборов уже используются инженерами в разных странах, что само по себе большой комплимент для меня как разработчика. Вы также можете воспроизвести этот комплект, скачав детали по ссылке. Надеюсь, кроме описательного характера эта статья вышла также и понятной в качестве инструкции по сборке. Удачи в поисках утечек!
Автор: Егор Кретов
