Привет! Наконец, мне удалось приобрести этот инструмент из детства, отлично сохранившийся, без утерянных компонентов, за исключением ненужного рычага тремоло, да ещё и в редком исполнении — с тонкими рельсовыми звукоснимателями.
Тоника — это первая в СССР серийная электрогитара, запущенная в массовое производство, которым занимался целый ряд музыкальных фабрик.
Что этот артефакт из прошлого века может принести избалованному гитаристу середины 2020-х годов? Наслаждения, мучения или то и другое? Сейчас увидим и услышим.
▍ Ритм или соло?
Всё началось с редчайших на сегодняшний день мелкосерийных инструментов под названием «РИТМ-СОЛО», которые стала выпускать Ленинградская фабрика народных (щипковых) музыкальных инструментов имени А. В. Луначарского.

Название для этой электрогитары было выбрано весьма мудро. Согласно решению высшего руководства СССР, требовалось развивать вокально-инструментальные ансамбли (ВИА), чтобы создать отечественную альтернативу авангарду зарубежной музыки.
Ансамбли должны были организовываться на базе локальных учреждений культуры, для чего их следовало дооборудовать и доукомплектовать соответствующим образом. Причём, как нетрудно догадаться, ответственные товарищи в этих учреждениях не имели даже малейшего представления о рок-группах, за очень редкими исключениями.
Поэтому были составлены методические указания с примером вокально-инструментального квартета, где, кроме ударной установки, присутствовали три электрогитары — бас, ритм и соло. Соответственно, перед завхозами учреждений культуры встала задача найти и приобрести эти три новаторских инструмента.
С басом всё просто. Он длиннее и имеет четыре струны, подобно контрабасу. А как отличить соло-гитару от ритм-гитары? Обе шестиструнные, непривычной формы и с непонятными механизмами на деке.

В любой серьёзной организации материальные ценности должны быть поставлены на учёт, а цель их приобретения нужно письменно обосновать. Последнее сделать проще всего, если в паспорте, а ещё лучше названии, указано назначение предмета.
Очевидно, что «РИТМ-СОЛО» — это универсальная электрогитара, пригодная к применению двумя из четырёх участников типового квартета. Следует заказать у Ленинградской фабрики имени Луначарского две штуки.
Заказы хлынули по нарастающей, а фабрика не могла выпускать только электрогитары. Нужно было оставить производственные мощности на свою основную продукцию — народные (щипковые) музыкальные инструменты.

Решение вскоре нашлось. Из начальственного Ленинграда на адрес Свердловской диплома II степени фирмы клавишных музыкальных инструментов «Урал» пришла посылка. В ней содержался образец электрогитары и указание разработать на её базе модель для крупносерийного производства.
▍ Начало положено!
К лету 1969 года все прототипы были готовы и прошли приёмку, конструкторская документация утверждена, и началась семилетняя эпоха производства электрогитар типа «Тоника». Как раз такая свердловская Тоника, как на фото, была в школьные годы и у меня.

Модели был присвоен артикул 406 с аббревиатурой «ЭГС-650», где 650 миллиметров — это длина мензуры (как у Fender Stratocaster), ЭГ обозначает электрогитару, а С — соло.
Очевидно, что конструкция данного инструмента предусматривает машинку тремоло, то есть перед нами соло-гитара. К тому времени в учреждениях культуры уже знали, что соло-гитара может выполнять функции ритм-гитары (то есть служить для аккомпанемента аккордами), но не наоборот.

Кстати, тарификация вокально-инструментальных ансамблей производилась по числу разных аккордов в песне. Так что было весьма целесообразно использовать все семь ступеней гаммы и побольше разных надстроек. Только чрезмерное увлечение модуляциями и хроматизмами было чревато: могли обвинить в додекафонии и атональности, а это уже черты буржуазного искусства.
Сегодняшние любители электрогитары могут над этим смеяться, но всё же надо отметить, что оценивавшие творчество ВИА специалисты могли отличить один сложный аккорд от другого и понять, где модуляция, а где хроматизм. Это предполагает серьёзные познания в музыке, хотя и не означает эрудированности в авангардных жанрах.

Однако отметим и то, что каждая песня ВИА должна была быть задокументирована в виде текста с клавиром, то есть переложением для фортепиано на двух нотных станах в скрипичном и басовом ключах. Иными словами, эксперту не требовалось определять всё на слух. Достаточно было беглого взгляда на интервалы между нотами в аккордах и знаки альтерации.
▍ Нужно больше электрогитар!
Тем временем спрос на электрогитары всё возрастал, и Свердловская фирма «Урал» с ним не справлялась. Производственная документация была передана в Ростов-на-Дону, и уже с 1970 года фабрика клавишных музыкальных инструментов МПО «Кавказ» стала производить Тоники.
Ростовские Тоники легко спутать со свердловскими, так как и те, и другие имели маркеры ладов в виде прямоугольников со скруглённой короткой стороной и широкие однокатушечные звукосниматели (синглы), внешне похожие на хамбакеры.
В то же самое производственное объединение «Кавказ» входила и баянная фабрика «Терек», расположенная в городе Орджоникидзе, ныне Владикавказ. С 1974 года Тоники стали производить и там. Их легко определить по светлой накладке грифа и круглым маркерам ладов.
Годом позже в производство Тоник включилась ещё одна баянная фабрика из состава того же МПО — Ростовская. Таким образом, в Ростове-на-Дону эту модель электрогитары производили целых две фабрики!
▍ Пора познакомиться поближе
Мой экземпляр с серийным номером 19103 на совершенно нечитаемом шильдике являет собой пример поздней модификации, и произведён он как раз на Ростовской баянной фабрике под артикулом 510.А.2.

Накладка грифа очень нарядная: она украшена шпоном красного дерева и имеет не только прекрасно смотрящиеся маркеры ладов в виде больших кружочков, но и декоративные полоски.

Эти полоски из пластика представляют собой инкрустацию просто монументальной конструкции, заглублённую в накладку грифа почти на всю её толщину.

Ещё одна отличительная особенность «поздних баянных» Тоник — точёные ручки переменных резисторов, дошедшие до наших дней в полной коллекционной сохранности. Будучи снятыми, они кажутся просто невесомыми, потому что изготовлены из авиаля — сверхлёгкого и очень прочного сплава алюминия, магния и кремния.

Ещё «баянная» Тоника может похвастаться изящной формой пера грифа с тонкой белой окантовкой. Напоминает модель Eterna от производственного объединения Musima из ГДР.

Однако есть в этой бочке мёда и ложка дёгтя, если говорить о качестве исполнения. Хотя коллекционную ценность эта «ложка» только повышает.
На некоторые поздние Тоники баянной фабрики устанавливали пикгард с темброблоком и звукоснимателями, предназначенный для баса, и мне достался именно такой экземпляр.

Как видим, звукосниматели сильно смещены в сторону тонких струн. Забегая вперёд, скажу, что баланс громкости струн от этого не нарушается. Но перфекционистам лучше даже не смотреть в сторону этой гитары.

Целлулоидный пикгард окантован жидким пластиком из того же огнеопасного материала. Окантовка немного отслоилась, и маленький кусочек утерян.

Курить при игре на электрогитарах, аккордеонах и баянах с такой отделкой строго запрещалось, и это не шутка, а техника безопасности при обращении с нитроцеллюлозой.
▍ Это не белая грунтовка, а полировальная паста
Глянцевый чёрный корпус винтажного инструмента покрылся паутиной благородного кракелюра. Кстати, чёрный лак Ростовской баянной фабрики носил название «эмалит». И это по сути тоже жидкий пластик на основе отходов целлулоида, растворённого в ацетоне.

Не только современные китайцы забывают внутри электрогитар остатки белой полировальной пасты, напоминающей зубную. Общей чертой этих двух паст является то, что мягким абразивом в них служит мелкодисперсная пыль карбоната кальция, то есть мела.

Ещё на фото выше можно заметить, что гриф покрыт эмалитом после установки ладов, что закрыло края последних приятными на ощупь наплывами, прямо как у американских электрогитар Gibson.
За более чем четыре десятилетия ни один из этих наплывов не откололся, и лады не кусаются от слова «совсем». Зато конструкция деки немного расклеилась, хотя и не спешит разваливаться.

Сохранилась даже верхняя пластиковая пуговица для крепления ремня, тогда как недостающий растрескавшийся и осыпавшийся фрагмент нижней пришлось заменить на отрезок полихлорвинилового кембрика.

Называть эти грибки-бобышки «антабками» модно, но неправильно, потому что антабка — это петля или скоба, выгнутая из прутка или вырезанная из листа. Также не следует применять термин «варитон» по отношению к галетному переключателю.
Настоящий варитон — это пассивный фильтр, обязательно содержащий в себе индуктивность помимо обмоток датчиков, и он может быть не только переключаемым, но и с плавной регулировкой, как на моём короткомензурном телекастере.
Создатели темброблока не поскупились ни на авиационный сплав для ручек переменных резисторов, ни на шикарный галетный переключатель с посеребрёнными контактами на массивном керамическом основании.

Вы спросите, где же провод заземления струн? Может быть, он оторвался или отпаян? — Нет, он просто не предусмотрен. Разработчики инструмента не знали о том, что этот провод нужен.
▍ Необходимые доработки
Излишки полировальной пасты на стенках полости под машинку тремоло есть, а отверстия в стенке для заземляющего провода к темброблоку не наблюдается.

Исправляем положение при помощи 4-миллиметрового сверла в патроне шуруповёрта, после чего экранируем полость темброблока самодельной токопроводящей краской из литейного графита и акрилового лака на водной основе. Этот лак даёт усадку при полимеризации, что необходимо для хорошего электрического контакта между частицами графита.

Заземляющий провод припаян к тонкой стальной шайбе, установленной между шайбами стойки, удерживающей пружину машинки. Подошла шайба из комплекта к китайскому переменному резистору.

Чтобы отрегулировать натяжение пружин данной машинки, её приходится снимать. Регулировка производится двумя винтами, ввёрнутыми в цилиндрический струнозацеп.
С первого взгляда можно было подумать, что большие винты со шлицом под плоскую отвёртку регулировочные, но это не так. Винты служат стойками и имеют контргайки.

Не помешает заменить пятиштырьковый разъём ОНЦ-РГ-5 на современное гнездо под джек.

Форма корпуса гитары заставила повозиться с выбором подходящего гнезда и пластины для его крепления, которую пришлось изогнуть по месту.

Теперь можно возвращать темброблок на деку, но только после экранирования медной фольгой, ремонта и доработки.

Предыдущий владелец инструмента отпаял один вывод конденсатора. Спасибо, что оставил сам конденсатор на месте.

Кстати, все радиодетали данного темброблока выпущены с января по июль 1981 года. В сочетании с серийным номером и особенностями исполнения это позволяет датировать инструмент 1982 годом.
▍ Особенности темброблока
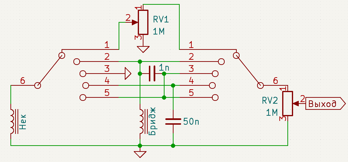
Электрическая схема басового темброблока не отличается от всех остальных Тоник и выглядит следующим образом.

Разработчики предусмотрели пять вариантов коммутации, соответствующих следующим положениям пятипозиционного галетного переключателя:
- нековый звукосниматель через дополнительный регулятор громкости RV1,
- нековый и бриджевый датчики,
- бриджевый звукосниматель через конденсатор номиналом 1 нанофарад,
- нековый датчик параллельно с 50-нанофарадным конденсатором,
- электрогитара выключена.
Именно так: у данного инструмента не предусмотрена плавная регулировка тембра. Вторая ручка регулирует громкость, причём только некового звукоснимателя и только в первом положении переключателя.
50 нанофарад параллельно неку даёт звучание, очень глухое даже для джазового аккомпанемента септаккордами с пропущенной квинтой. Поэтому неудивительно, что прежний владелец гитары отсоединил этот конденсатор.
Однако я припаяю его назад, чтобы восстановить исторически аутентичный тембр четвёртой позиции переключателя. Хотя лучшим решением является установка последовательно с конденсатором резистора на несколько десятков килоом. Тогда получится хороший джазовый тембр.
Вообще, по уму было бы целесообразно внести в схему темброблока следующие модификации.
- Заменить оба потенциометра на 250-килоомные, работающие с однокатушечными звукоснимателями — синглами — наилучшим образом. Разработчики об этом не знали и явно ориентировались на номиналы компонентов, традиционные для звуковоспроизводящей аппаратуры.
- Сделать RV1 регулятором общей громкости, поскольку он расположен ближе к правой руке исполнителя. Создатели Тоник не были осведомлены и об этом электрогитарном правиле.
- Задействовать RV2 и 50-нанофарадный конденсатор в схеме стандартной ручки тона, которую разработчики тоже не знали или проигнорировали.
- Вместо не получившегося положения «джазовый ритм» включать бриджевый звукосниматель без последовательного 1-нанофарадного конденсатора.
- Заменить позицию «выключено» на «бридж через конденсатор + нек».
Мной реализован только последний пункт, так как он не искажает аутентичных особенностей антикварной электрогитары, а только лишь упраздняет ненужное положение «выключено». Итоговая схема темброблока приобретает следующий вид.

Ещё лучше было бы включить через конденсатор не бридж, а нек, причём через 3.3 нанофарада, а не 1. Но в таком случае потребовалось бы не просто перекинуть пару проводов, а ещё и добавить в схему третий конденсатор. А мне интересно, какой эффект даст простейшая минимальная переделка.
▍ Пробуем в действии!
Как это ни странно, на данном инструменте можно играть, и он звучит. Изношенные лады выполняют свои функции, однако не позволяют установить струны настолько низко, насколько хотелось бы. Гриф толстоват, но для блюза достаточно комфортен.
Кстати, стальной компрессионный анкер внутри грифа Тоники есть, но он нерегулируемый. Затягивающая его гайка расположена в основании пера грифа под слоем шпона, и некоторые умельцы вырезают окошко для доступа к ней.
Но я не буду уродовать коллекционный экспонат. Гитара довольно играбельна, приемлемо строит, и с её помощью можно даже записывать треки для какой-нибудь песни.
Это уникальный, незабываемый опыт — игра на первой крупносерийной советской электрогитаре. Она непохожа ни на бессмертную классику от Fender и Gibson, ни на безголовые мультимензурные семиструны для виртуозов авангарда наших дней.
Спустя четыре десятилетия после выпуска, этот старенький инструмент является памятником тому, как в СССР учились делать электрогитары. На мой скромный взгляд, даже этот «блин», один из самых первых, не вышел совсем уж комом.
Да, китайский «Форест» с Озона по цене менее 7 тысяч рублей ощущается по сравнению с Тоникой как гибридный Лексус в сравнении с мопедом «Карпаты». Именно автомобиль, а не электроскутер или моноколесо, потому что учитывается и проходимость, и удобство.
Но всё дело в том, что технологии за 40 лет шагнули далеко вперёд, и опыт эксплуатации как транспортных средств, так и электрогитар не стоял на месте. Спасибо высокоточным станкам с ЧПУ и новым технологиям обработки древесины!
Только не следует забывать, что без десятилетий опыта гитаристов и гитаростроителей применение всех этих инноваций для создания хороших доступных инструментов оказалось бы невозможным. Поэтому так интересно и полезно хранить, восстанавливать и изучать артефакты электрогитарного прошлого из разных стран.
© 2025 ООО «МТ ФИНАНС»
Автор: Lunathecat

