В третьей части нашего цикла рассмотрим работу инвертора ИБП с модифицированным синусом. Всех заинтересованных прошу под кат.
Часть 1
Часть 2
Часть 3
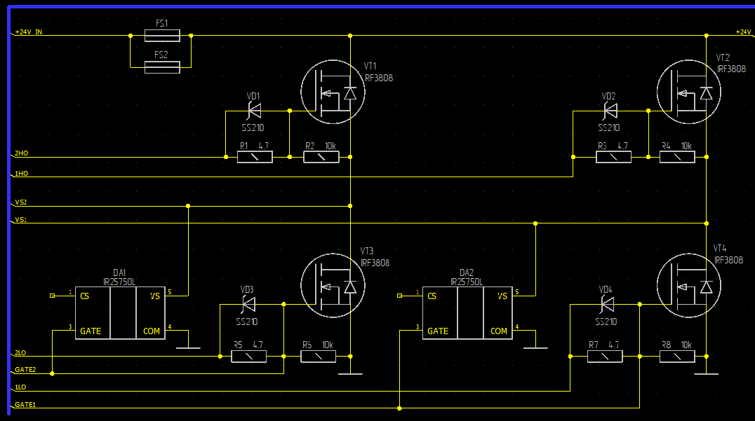
Силовая часть инвертора

Построена по мостовой схеме на четырёх MOSFET IRF3808, которые управляются классическими драйверами IR2110. Работы с этими драйверами очень хорошо описана в этой статье.
Для организации токовой защиты силовых транзисторов используются недорогие и крайне удобные усилители IR25750L. Они позволяют проводить измерение тока без использования дополнительных датчиков. Микросхема измеряет падение напряжения на сопротивлении открытого канала MOSFET транзистора. Стандартная схема включения показана ниже:

Выходы усилителей (CS) заведены на компаратор, а выход компаратора поступает на RS-триггер, который в свою очередь выключает драйверы силовых транзисторов.
Таким образом реализуется триггерная защита. Она полностью аппаратная, что повышает общую надёжность всего устройства.
Очень хорошо об организации аппаратной защиты описано вот в этой статье.
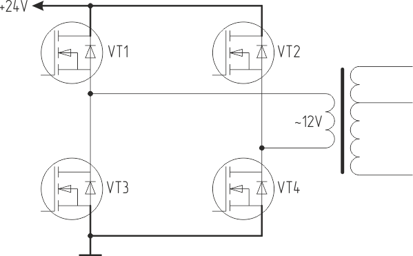
Самое интересное кроется в деталях управлении силовыми ключами. В большинстве источников описывается метод поочерёдного открытия пар транзисторов в диагоналях моста. В нашем случае — VT1, VT4 и VT2, VT3. Паузами между ними мы регулируем выходное напряжение.
Только вот при выключении ключей (то есть во время паузы) происходит некоторый колебательный процесс (по всей видимости за счёт обратной ЭДС), из-за которого выходное напряжение тоже портит форму:
Вроде мелочь, но это легко устранить. Для этого в паузах следует выключать верхние ключи (VT1, VT2) и при этом включать нижние (VT3, VT4), которые как раз и будут обратную ЭДС гасить.

Указание на эту особенность я лично нашёл только в книге Е.А. Москатова «Силовая электроника. Теория и конструирование», 2013 г. Там, кстати, много интересных схем рассмотрено. Рекомендую всем почитать.
Управление силовыми ключами осуществляется в прерывании по таймеру. Каких-либо особенностей тут нет. Регулирование выходного напряжения осуществляется скважностью управляющих импульсов.
А вот дальше пошли уже очень важные нюансы. Практика показала, что для нормальной работы инвертора в течение 5-7 минут (максимальное время работы ИБП при номинальной нагрузке) достаточно мощности трансформатора, равной 1/3 номинальной мощности ИБП. То есть для ИБП мощностью в 1000 ВА (600 Вт) достаточно мощности трансформатора в 200 Вт. При этом максимальный нагрев обмоток будет составлять около 100 C, нагрев сердечника — около 60C.
Чтобы управлять трансформатором в таком форсированном режиме требуется вкачивать большой ток, в связи с чем низковольтная обмотка трансформатора должна быть рассчитана на напряжение ниже напряжения аккумулятора. Для вышеприведённого примера ИБП мощностью 600 Вт требуется аккумулятор на 24 В и трансформатор с низковольтной обмоткой на 12 В:

В реальных испытаниях при работе инвертора на номинальной нагрузке ток потребления от аккумулятора составил порядка 30-35 А.
И здесь возникает интересный момент. При питании от сети трансформатор ИБП работает как бы наоборот — в «понижающем режиме». В результате на его вторичной обмотке будет напряжение 12 В, явно недостаточное для зарядки аккумулятора. Для решения этой «проблемы» нам необходимо напряжение поднять. А как это можно сделать? Ответ: при помощи Step-up преобразователя. Но не вводить же нам лишние электронные компоненты и, тем более, моточные изделия типа дросселей! Правильно! Это всё не требуется, ведь у нас уже есть дроссель в виде всё того же трансформатора ИБП.
Посмотрим вот на эту схему:

DR — это низковольтная обмотка трансформатора. На ней имеется напряжение 12В, которое формируется за счёт трансформации входного сетевого напряжения.
VT4 — нижний ключ.
VT2 — верхний ключ. От него используем только паразитный диод.
Если на VT4 подать ШИМ, то на что это будет похоже? Правильно — на классический Step-up.
Управляя скважностью сигналов, подаваемых на затвор транзистора, можно управлять величиной зарядного напряжения.
В реальной схеме ШИМ подаётся на оба нижних транзистора одновременно. Из-за того, что на обмотке DR напряжение переменное, работает та или иная пара «транзистор-диод»: VT4, VT2 или VT3, VT1.
Вот таким незамысловатым образом мы оставили в сехем всего одно моточное изделие — силовой трансформатор. О его расчёте и конструкции мы поговорим в следующей статье нашего цикла.
Автор: Фролов Дмитрий
