Начало
Получилось так, что с недавнего времени, я обзавелся личным электротранспортом, который называется моноколесо. Долго я шел к этому, но всё же решился и ни о чем не жалею, даже наоборот, испытываю полный восторг от поездок на этом сногсшибательном транспорте. А еще очень люблю поездки на природу, а езда на моно колесе умножают эту любовь на 100500. Но есть одно «НО» и об этом далее...
Поездка на моноколесе, особенно на природу, приносит много удовольствия, ни с чем не сравнится это чувство полета и свободы, когда ты едешь по грунтовой дороге, светит солнце, а вокруг тебя поля и зеленый лес. И расстраивает лишь то, что в поле нет розетки, откуда бы ты мог подзарядить свой электротранспорт и я решил исправить эту проблему).
Решение проблемы
Само собой, в качестве источника электрической энергии в поле, самым рациональным и эффективным способом будет использование солнечной генерации, а именно, фотоэлементы, еще мы должны учесть, что проектируемая зарядная станция должна иметь компактный вид и малый вес, чтобы не отягощать пользователя во время трипа на природу.
Что нам потребуется
-
Солнечная панель, в компактном раскладном форм-факторе.
-
Силовой преобразователь.
-
Система контроля/мониторинга зарядки.
Приступим к делу
В моей реализации были применены те компоненты, которые имелись у меня в наличии, поэтому, иногда, может показаться, что применение тех или иных компонентов экономически не целесообразно и можно было применить более простое решение.
1. Сборка солнечной панели.
Для сборки портативной складной солнечной панели, я выбрал высокоэффективные фотоэлементы SunPower C60 125x125, мощностью 3,3 Вт на элемент, благодаря своей конструкции, они имеют эффективную площадь облучения, заявленный КПД 21,8 % (Спецификация).
Для монтажа ячеек, я использовал листы монолитного поликарбоната толщиной 1 мм и размерами 285 x 405 мм. Предварительно, на бумаге формата A3, сделал шаблон размещения фотоэлементов с зазором 5 мм. Затем, с помощью с помощью специальной шины для пайки фотоэлементов, выполнил последовательное соединение шести элементов, соблюдая полярность. Во время пайки фотоэлементов, важно выдерживать температурный режим в 280 °C. Все работы должны выполняться в латексных перчатках, чтобы избежать загрязнения рабочей зоны фотоэлементов. После спайки элементов, они аккуратно переносятся на стекло и прикрепляются к нему обычным упаковочным скотчем, желательно миллиметровым.
Далее, все пять собранных солнечных панелей, соединяются в единый массив. Соединение последовательное, при таком соединении, на выходе, будет генерироваться напряжение холостого хода 20 В, максимальный ток короткого замыкания будет равен 5,5 А (согласно моим замерам). Соединение панелей выполняется гибким акустическим проводом 16 AWG/ 1.5 mm².
После проверки работоспособности солнечной панели, можно её упаковать в водонепроницаемый складной чехол. Описывать процесс кройки и шитья здесь я не стану.
Уфф. С изготовлением солнечной панели мы закончили, идем дальше.
-
Силовой преобразователь.
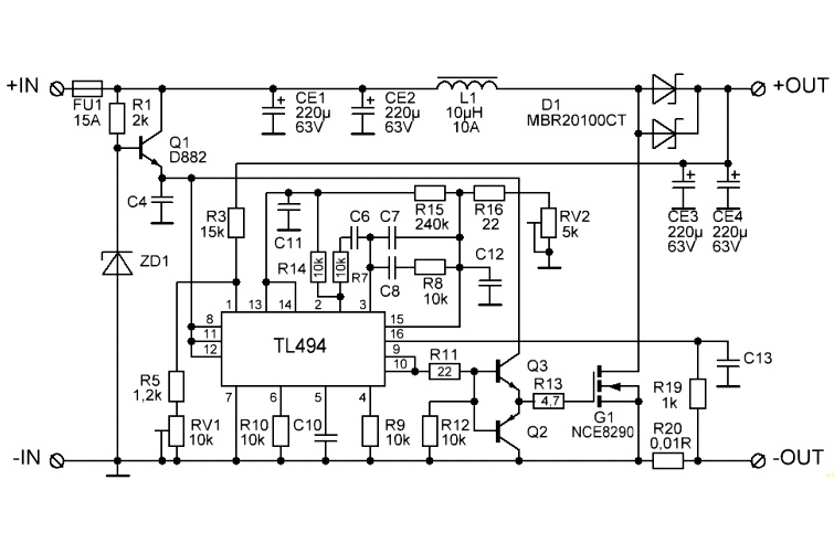
Одним из важных элементов портативной солнечной зарядной станции является повышающий преобразователь. Дело в том, что солнечная панель может обеспечивать необходимый уровень генерируемой мощности, необходимой для зарядки, но, при этом, выходное напряжение панели будет составлять всего 20 В, а для зарядки аккумулятора моего моно колеса необходимо иметь максимальное напряжение зарядки 84 В. Поэтому нам нужен повышающий преобразователь, чтобы нормально запустить процесс зарядки аккумулятора. Да, мы теряем в КПД, но от этого никуда не деться.
Признаюсь честно, я не стал изобретать велосипед и применил готовое решение с некоторыми модификациями, хотя первая версия имела самодельный преобразователь, но в итоге я от него отказался в пользу готового решения (в том числе и по экономическим причинам).
Как я уже говорил выше, данный преобразователь требует небольшой модификации для моих целей. Дело в том, что он рассчитан на диапазон выходного напряжения 10 - 60 В, а мне требуется 73 - 84 В. Чтобы реализовать задуманное, нам нужно заменить несколько элементов на плате.
Выполняем следующую модификацию:
-
Силовой транзистор G1 необходимо заменить на IRF540N, т.к. у него максимальное напряжение сток-исток 100 В, а у установленного NCE8290 - 82 В.
-
Конденсаторы CE3 и CE4 меняем на конденсаторы с большим номиналом по напряжению (100 В).
-
В цепи обратной связи, резистор R5 нам нужно заменить на номинал 100 Ом
Далее нужно подключить, уже модифицированный преобразователь, к источнику питания и отрегулировать выходное напряжение 84 В, с помощью подстроечного резистора RV1.
-
Придумываем и собираем Систему контроля/мониторинга зарядки
Дорогой читатель, если ты дошел до этого пункта, то ты просто молодец! Продолжаем)
В действительности, уже на пункте №2 этой статьи, система солнечной зарядки уже может функционировать. Но без смарт функций, пользователь системы лишается некоторой информации, которая бы помогла для выполнения более эффективного использования солнечной зарядной станции. Например, ток панели — этот показатель является индикатором правильного расположения панели относительно солнца.
В качестве «мозга» смарт модуля, использован популярный микроконтроллер ESP32, данный контроллер уже имеет на борту встроенный Bluetooth, что является большим плюсом, ведь для связи с модулем мы будем использовать Bluetooth. Основная информация будет отображаться локально на корпусе модуля с помощью цветного LCD дисплея ILI9341.
Ниже представлена разработанная схема смарт модуля солнечной зарядной станции.
Основые функции смарт модуля:
-
Измерение тока солнечной панели.
-
Изменение тока зарядки на выходе преобразователя.
-
Измерение напряжения солнечной панели.
-
Измерение напряжения на выходе преобразователя.
-
Накопление статистики по основным параметрам.
-
Отображение данных на дисплее.
-
Коммуникация по Bluetooth с мобильным приложением.
-
Автопоиск точки эффективности солнечной панели.
Для измерения токовых цепей, используются токовые датчики на эффекте Холла ACS712ELCTR-20A-T. Почему именно такие? Просто у меня их много).
Немного о подключении контроллера в цепь преобразователя и солнечной панели. Там ничего сложного нет. Разъем U6 - это подключение токового датчика выходной цепи преобразователя (84 В), U6/2 - вход +84 В, U6/1 - выход (подключение к моно колесу). U8 - подключение токового датчика солнечной панели, U8/2 - вход (+) от солнечной панели, U8/1 - выход на преобразователь (+). U10 - GND.
Управление преобразователем выполняется через оптрон U7, выход оптрона подключен к CN4 через резистор 10к. CN4/1 - подключается к выводу 8 микросхемы драйвера TL494С, CN4/2 - подключается к выводу 1 микросхемы драйвера TL494С.
С помощью FreeCAD был спроектирован корпус устроства:
Затем, корпус был напечатан на 3D принтере:
Видимый результат
Данная солнечная зарядная станция была создана в начале лета 2023 года и исключительно ради удовольствия. Но признаюсь честно, после эксплуатации в течении всего лета и немного осени, данная конструкция превзошла все мои ожидания, хотя я был настроен немного скептически. Далее будет еще немного фото.
Выше на фото я тестирую зарядную станцию в полевых условиях, я уехал на моно колесе далеко от дома, высадив аккумулятор на 80% и смогу вернуться только после подзарядки. 2 часа зарядки и чудесного отдыха на берегу озера, дали мне шанс вернуться домой.
Для конфигурации смарт контроллера и отображения данных зарядной станции, было разработано мобильное приложение для Android, в данный момент у него простой функционал, но есть некоторые идеи по расширению.
Немного о мобильности зарядной станции, на фото видно, что панель, в сложенном виде, легко помещается в рюкзак среднего размера.
Дополнительные возможности
Было бы глупо не предусмотреть возможность зарядки или электропитания других устройств, с учетом номинальной мощности панели 100 Вт. Для зарядки или питания устройств по USB, была куплена плата преобразователя XFW-KC42-2 с протоколами зарядки QC-2.0/QC3.0, которая с моментальной скоростью заряжает современные смартфоны и позволяет запитывать некоторые ноутбуки. Для некоторой стандартизации подключения, в качестве разъёма подключения солнечной панели, используется разъем XT60, который с легкостью позволяет менять подключаемые модули.

Заключение
Спасибо всем, у кого хватило сил дочитать эту статью до конца, надеюсь вам понравилось. В этой статье я не преследовал цели углубления в тонкости проектирования данной системы, просто хотел поделиться результатом. Я не думаю, что кто-то захочет повторить данный проект, уж больно специфическая задача здесь реализована. Но на всякий случай, прикреплю ссылки на исходники в конце статьи.
Автор: Valery Cherepanov
