
За последнее время на смену индукционным счётчикам электроэнергии пришли электронные. В данных счётчиках счётный механизм приводится во вращение не с помощью катушек напряжения и тока, а с помощью специализированной электроники. Кроме того, средством счёта и отображения показаний может являться микроконтроллер и цифровой дисплей соответственно. Всё это позволило сократить габаритные размеры приборов, а также, снизить их стоимость.
В состав практически любого электронного счётчика входит одна или несколько специализированных вычислительных микросхем, выполняющие основные функции по преобразованию и измерению. На вход такой микросхемы поступает информация о напряжении и силе тока с соответствующих датчиков в аналоговом виде. Внутри микросхемы данная информация оцифровывается и преобразуется определённым образом. В результате, на выходе микросхемы формируются импульсные сигналы, частота которых пропорциональна текущей потребляемой мощности нагрузки, подключенной к счётчику. Импульсы поступают на счётный механизм, который представляет собой электромагнит, согласованный с зубчатыми передачами на колёсики с цифрами. В случае с более дорогостоящими счётчиками с цифровым дисплеем применяется дополнительный микроконтроллер. Он подключается к вышесказанной микросхеме и к цифровому дисплею по определённому интерфейсу, ведёт накопление результата измерения электроэнергии в энергонезависимую память, а также, обеспечивает дополнительный функционал прибора.
Рассмотрим несколько подобных микросхем и моделей счётчиков, которые мне попадались под руку.
Ниже на рисунке в разобранном виде изображён один из наиболее дешёвых и популярных однофазных счётчиков «НЕВА 103». Как видно из рисунка, устройство счётчика довольно простое. Основная плата состоит из специализированной микросхемы, её обвески и узла стабилизатора питания на основе балластового конденсатора. На дополнительной плате размещён светодиод, индицирующий потребляемую нагрузку. В данном случае – 3200 импульсов на 1 кВт*ч. Также есть возможность снимать импульсы с зелёного клеммника, расположенного вверху счётчика. Счётный механизм состоит из семи колёсиков с цифрами, редуктора и электромагнита. На нём отображается посчитанная электроэнергия с точностью до десятых кВт*ч. Как видно из рисунка, редуктор имеет передаточное отношение 200:1. По моим замечаниям, это означает «200 импульсов на 1 кВт*ч». То есть, 200 импульсов, поданных на электромагнит, поспособствуют прокрутке последнего красного колёсика на 1 полный оборот. Это соотношение кратно соотношению для светодиодного индикатора, что весьма не случайно. Редуктор с электромагнитом размещён в металлической коробке под двумя экранами с целью защиты от вмешательства внешним магнитным полем.

В данной модели счётчика применяется микросхема ADE7754. Рассмотрим её структуру.

На пины 5 и 6 поступает аналоговый сигнал с токового шунта, который расположен на первой и второй клеммах счётчика (на фотографии в этом месте видно повреждение). На пины 8 и 7 поступает аналоговый сигнал, пропорциональный напряжению в сети. Через пины 16 и 15 есть возможность устанавливать усиление внутреннего операционного усилителя, отвечающий за ток. Оба сигнала с помощью узлов АЦП преобразуются в цифровой вид и, проходя определённую коррекцию и фильтрацию, поступают на умножитель. Умножитель перемножает эти два сигнала, в результате чего, согласно законам физики, на его выходе получается информация о текущей потребляемой мощности. Данный сигнал поступает на специализированный преобразователь, который формирует готовые импульсы на счётное устройство (пины 23 и 24) и на контрольный светодиод и счётный выход (пин 22). Через пины 12, 13 и 14 конфигурируются частотные множители и режимы вышеперечисленных импульсов.
Стандартная схема обвески практически представляет собой схему рассматриваемого счётчика.

Общий минусовой провод соединён с нулём 220В. Фаза поступает на пин 8 через делитель на резисторах, служащий для снижения уровня измеряемого напряжения. Сигнал с шунта поступает на соответствующие входы микросхемы также через резисторы. В данной схеме, предназначенной для теста, конфигурационные пины 12-14 подключены к логической единице. В зависимости от модели счётчика, они могут иметь разную конфигурацию. В данном кратком обзоре эта информация не столь важна. Светодиодный индикатор подключен к соответствующему пину последовательно вместе с оптической развязкой, на другой стороне которой подключается клеммник для снятия счётной информации (К7 и К8).
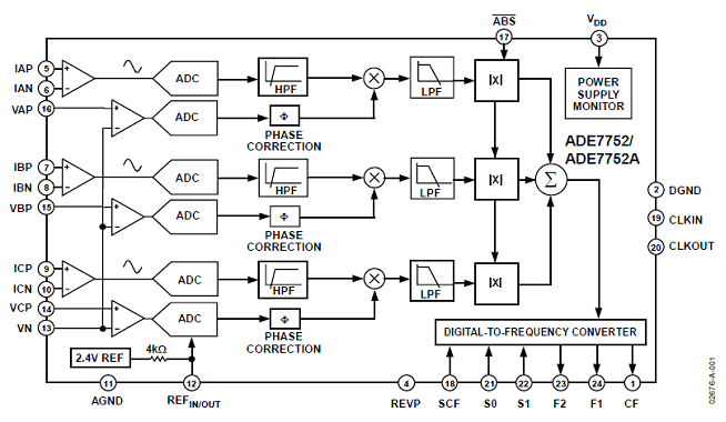
Из этого же семейства микросхем существуют похожие аналоги для трёхфазных измерений. Вероятнее всего, они встраиваются в дешёвые трёхфазные счётчики. В качестве примера на рисунке ниже представлена структура одной из таких микросхем, а именно ADE7752.

Вместо двух узлов АЦП, здесь применено их 6: по 2 на каждую фазу. Минусовые входы ОУ напряжения объединены вместе и выводятся на пин 13 (ноль). Каждая из трёх фаз подключается к своему плюсовому входу ОУ (пины 14, 15, 16). Сигналы с токовых шунтов по каждой фазе подключаются по аналогии с предыдущим примером. По каждой из трёх фаз с помощью трёх умножителей выделяется сигнал, характеризующий текущую мощность. Эти сигналы, кроме фильтров, проходят через дополнительные узлы, которые активируются через пин 17 и служат для включения операции математического модуля. Затем эти три сигнала суммируются, получая, таким образом, суммарную потребляемую мощность по всем фазам. В зависимости от двоичной конфигурации пина 17, сумматор суммирует либо абсолютные значения трёх сигналов, либо их модули. Это необходимо для тех или иных тонкостей измерения электроэнергии, подробности которых здесь не рассматриваются. Данный сигнал поступает на преобразователь, аналогичный предыдущему примеру с однофазным измерителем. Его интерфейс также практически аналогичен.
Стоит отметить, что вышеописанные микросхемы служат для измерения активной энергии. Более дорогие счётчики способны измерять как активную, так и реактивную энергию. Рассмотрим, например, микросхему ADE7754. Как видно из рисунка ниже, её структура намного сложнее структуры микросхем из предыдущих примеров.

Микросхема измеряет активную и реактивную трёхфазную электроэнергию, имеет SPI интерфейс для подключения микроконтроллера и выход CF (пин 1) для внешней регистрации активной электроэнергии. Вся остальная информация с микросхемы считывается микроконтроллером через интерфейс. Через него же осуществляется конфигурация микросхемы, в частности, установка многочисленных констант, отражённых на структурной схеме. Как следствие, данная микросхема, в отличие от предыдущих двух примеров, не является автономной, и для построения счётчика на базе этой микросхемы требуется микроконтроллер. Можно зрительно в структурной схеме пронаблюдать узлы, отвечающие по отдельности за измерение активной и реактивной энергии. Здесь всё гораздо сложнее, чем в предыдущих двух примерах.
В качестве примера рассмотрим ещё один интересный прибор: трёхфазный счётчик «Энергомера ЦЭ6803В Р32». Как видно из фотографии ниже, данный счётчик ещё не эксплуатировался. Он мне достался в неопломбированном виде с небольшими механическими повреждениями снаружи. При всё при этом он находился полностью в рабочем состоянии.

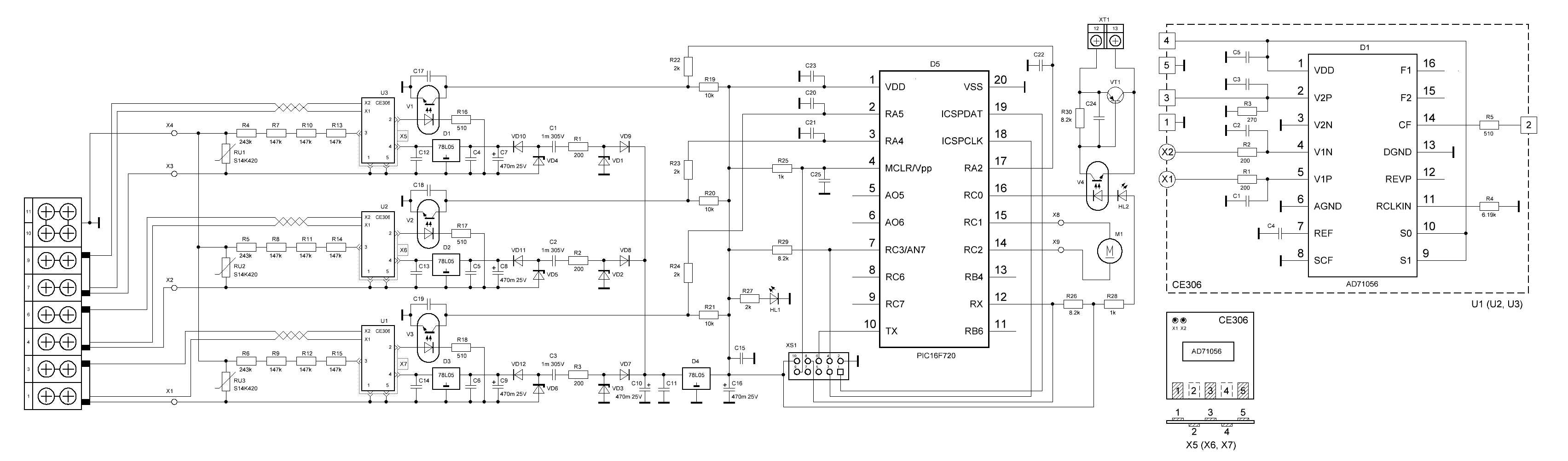
Как можно заметить, глядя на основную плату, прибор состоит из трёх одинаковых узлов (справа), цепей питания и микроконтроллера. С нижней стороны основной платы расположены три одинаковых модуля на отдельных платах по одному на каждый узел. Данные модули представляют собой микросхемы AD71056 с минимальной необходимой обвеской. Эта микросхема является однофазным измерителем электроэнергии.

Модули запаяны вертикально на основную плату. Витыми проводами к данным модулям подключаются токовые шунты.
За пару часов удалось срисовать электрическую схему прибора. Рассмотрим её более детально.

Справа на общей схеме изображена схема однофазного модуля, о котором говорилось выше. Микросхема D1 этого модуля AD71056 по назначению похожа на микросхему ADE7755, которая рассматривалась ранее. На четвёртый контакт модуля поступает питание 5В, на третий – сигнал напряжения. Со второго контакта снимается информация в виде импульсов о потребляемой мощности через выход CF микросхемы D1. Сигнал с токовых шунтов поступает через контакты X1 и X2. Конфигурационные входы микросхемы SCF, S1 и S0 в данном случае расположены на пинах 8-10 и сконфигурированы в «0,1,1».
Каждый из трёх таких модулей обслуживает соответственно каждую фазу. Сигнал для измерения напряжения поступает на модуль через цепочку из четырёх резисторов и берётся с нулевой клеммы («N»). При этом стоит обратить внимание, что общим проводом для каждого модуля является соответствующая ему фаза. А вот, общий провод всей схемы соединён с нулевой клеммой. Данное хитрое решение по обеспечению питанием каждого узла схемы расписано ниже.
Каждая из трёх фаз поступает на стабилитроны VD4, VD5 и VD6 соответственно, затем на балластовые RC цепи R1C1, R2C2 и R3C3, затем – на стабилитроны VD1, VD2 и VD3, которые соединены своими анодами с нулём. С первых трёх стабилитронов снимается напряжение питания для каждого модуля U3, U2 и U1 соответственно, выпрямляется диодами VD10, VD11 и VD12. Микросхемы-регуляторы D1-D3 служат для получения напряжения питания 5В. Со стабилитронов VD1-VD3 снимается напряжение питания общей схемы, выпрямляется диодами VD7-VD9, собирается в одну точку и поступает на регулятор D4, откуда снимается 5В.
Общую схему составляет микроконтроллер (МК) D5 PIC16F720. Очевидно, он служит для сбора и обработки информации о текущей потребляемой мощности, поступающей с каждого модуля в виде импульсов. Эти сигналы поступают с модулей U3, U2 и U1 на пины МК RA2, RA4 и RA5 через оптические развязки V1, V2 и V3 соответственно. В результате на пинах RC1 и RC2 МК формирует импульсы для механического счётного устройства M1. Оно аналогично устройству, рассматриваемому ранее, и также имеет соотношение 200:1. Сопротивление катушки высокое и составляет порядка 500 Ом, что позволяет подключать её непосредственно к МК без дополнительных транзисторных цепей. На пине RC0 МК формирует импульсы для светодиодного индикатора HL2 и для внешнего импульсного выхода на разъёме XT1. Последний реализуется через оптическую развязку V4 и транзистор VT1. В данной модели счётчика соотношение составляет 400 импульсов на 1 кВт*ч. На практике при испытании данного счётчика (после небольшого ремонта) было замечено, что электромагнитная катушка счётного механизма срабатывает синхронно со вспышкой светодиода HL2, но через раз (в два раза реже). Это подтверждает соответствие соотношений 400:1 для индикатора и 200:1 для счётного механизма, о чём говорилось ранее.
Слева на плате расположено место для 10-пинового разъёма XS1, который служит для перепрошивки, а также, для UART интерфейса МК.
Таким образом, трёхфазный счётчик «Энергомера ЦЭ6803В Р32» состоит из трёх однофазных измерительных микросхем и микроконтроллера, обрабатывающий информацию с них.
В заключение стоит отметить, что существует ряд моделей счётчиков куда более сложней по своей функциональности. К примеру, счётчики с удалённым контролем показаний по электролинии, или даже через модуль мобильной связи. В данной статье я рассмотрел только простейшие модели и основные принципы построения их электрических схем. Заранее приношу извинения за возможно неправильную терминологию в тексте, ибо я старался излагать простым языком.
Автор: R3EQ
