Здравствуй!
Сегодня мы поговорим о классах: А, B, AB, D, G, H

Сначала рассмотрим классы по положению рабочей точки. Каждый транзистор имеет выходную характеристику, которую можно найти в DataSheet.
Пример характеристики на рисунке ниже.

Выходная характеристика транзистора.
Именно с помощью данной характеристики мы сможем выбрать класс усилителя по положению точки покоя.
Выходная характеристика показывает какой ток нам нужно задать базе транзистора, для того чтобы получить определённый класс усилителя, также мы узнаем Iк.

Класс А
Класс А — это такой режим работы усилительного элемента, при котором входные значения, проходя через усилительный элемент не прерывается. То есть точно повторяет входной сигнал.
Усилительный элемент приоткрыт всегда и точно повторяет отрицательную и положительную волну.

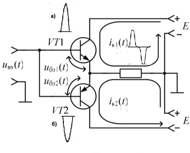
Класс B
Элемент, работающий в данном классе способен усиливать только одну полуволну, положительную либо отрицательную.

Такой класс используют в двухтактных усилителях, где положительную полуволну усиливает один транзистор, а другой отрицательную.

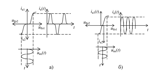
Двухтактный усилительный каскад класса В. Но на выходе усилителя работающего в данном классе мы имеем искажение. Данное искажение называется «Ступенькой».
Для устранения данного искажения нужно перейти к классу АВ. На рисунке ниже показаны два класса усилителя В и АВ и их выходные сигналы относительно входным.

Класс D
Принцип действия данного класа. В данном режиме работы, транзистор либо открыт либо полностью заперт. Это достигается с помошью модулятора ШИМ сигнала. Именно это дает такому каскаду кпд свыше 90% (практически на любых мошьностях).

Минусом данного каскада являются искажения. Они вознакают из-за способа модулятции так-как существует «мертвый» период который необходим для предотвращения сквозных утечек.

Также сильными источниками искажений являются L и C элементы в фильтре (НЧ).
Усилители класса G и H
Сначала поговорим о питании усилителей. Для получения большой мощности, необходимо иметь большое напряжение питания.
Но сигнал входной и соответственно выходной не всегда обладают большой амплитудой и на маленькой мощности большое напряжение питания не является необходимым, более того КПД данного усилителя на маленькой мощности падает.
Отсюда и вытекают классы усилителей G и H.
Отличие данных усилителей заключается в питании, напряжение которого меняется при необходимости, а в зависимости какой класс G или H оно меняется либо ступенчато, либо плавно.
В усилителе класса H напряжение питания меняется плавно то есть транзисторы находятся в усилительном режиме, а в классе G оно меняется ступенчато, транзисторы в данном классе находятся в ключевом режиме (полностью открыты или полностью заперты).

Усилитель класса H

Усилитель класса G
Вывод: Усилители для комфортного прослушивания звукового тракта в домашних условиях должны работать в классе А или АB в крайнем случае D.
Спасибо за внимание. В следующей публикации мы рассчитаем и соберём усилитель класса А.
Автор: Бог сервера
