Vectrex — уникальная игровая система, выпущенная в 1982 году компанией General Consumer Electric (GCE). Её особенность заключается в том, что вся графика в ней векторная и выводится на трубку не построчно, а векторами, как на осциллографе.

Описание принципа построения изображения неожиданно обнаружилось на хабре :)
История появления консоли достойно описана в википедии и пересказывать её тут большого смысла нет.
Консоль представляет собой моноблок с 9" черно-белым монитором.

На боковой поверхности расположился слот под картридж

Сзади выведена ручка управления яркостью.

Джойстик прячется в нижней части корпуса.

Кнопки и сам джой сделаны очень надежно, как на аркадных автоматах.

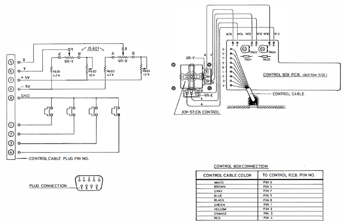
Схема джойстика традиционна для систем того времени, две аналоговых оси на резисторах переменного сопротивления и 4 кнопки.
Пора заглянуть внутрь.
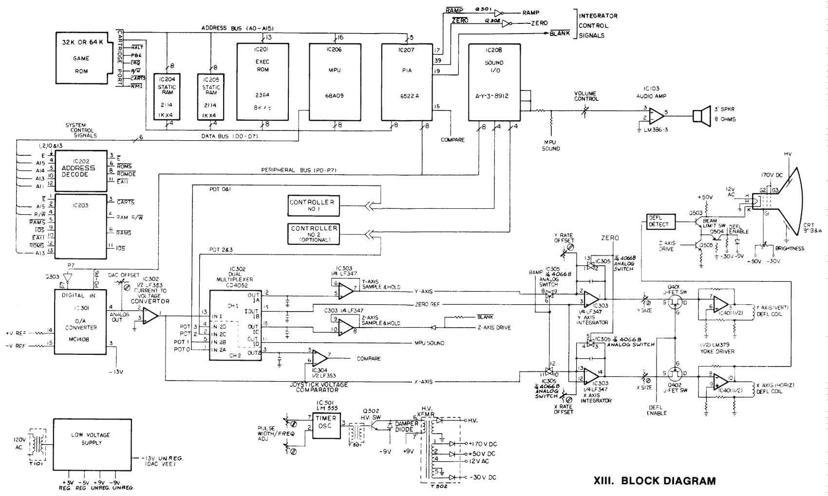
Нижняя плата.

И её структурная схема

Vectrex построен на 8-битном процессоре Motorola 6809, хотя в моем экземпляре стоит версия от Hitachi — HD68A09P. Звук выводится с помощью AY-3-8912. Еще одна большая микросхема — MOS 6522. Это расширитель портов с двумя параллельными интерфейсами, таймером и сдвиговым регистром. Оперативной памяти в консоли всего 1 кБ. В ПЗУ платы хранится одна игра Minestorm и несколько тестовых утилит.
Без верхней крышки консоль выглядит так. Монитор — Samsung 240RB4

На силовой плате видна дата разработки, 1982 год.
Для Vectrex официально было выпущено 28 игр. Каждая игра поставлялась на картридже. Внутри картриджа установлена обычная ПЗУ на 32 или 64 кБ, сторонние разработчики также предлагают чистые платы и флеш-картриджи.

Но кроме собственно картриджа в комплексе с игрой был еще так называемый оверлей — это кусок цветного пластика, который вставлялся в специальные пазы перед монитором и делал игру визуально намного привлекательнее, чем на черно-белом мониторе. Демонстрация показана в видео в конце статьи.

Это не инновационный подход, впервые оверлеи появились за 10 лет до выхода Vectrex в консоли Magnavox Odyssey
Ja ja, die deutsche Werbe :)

К Vectrex выпускалась некоторая дополнительная периферия — это световое перо и 3D-очки!

Если со световым пером все более менее понятно, то идея 3D очков была гениально простой. В очках стоял моторчик и простая схема синхронизации. На моторчик надевался цветной диск, который просто вращался в такт смене кадров на мониторе и закрывал то один глаз, то другой.

К сожалению, таких комплектов выпустили немного, поэтому, не смотря на всю простоту устройства, стоит оно совсем негуманных денег:

Демонстрация работы:
Благодарю за внимание
Автор: alk0v
