
Посмотрев на КДПВ, многие читатели сразу же узнают остроумное изобретение под названием «Мистер Телевокс». Слишком уж он полюбился авторам советских научно-популярных книг, которые не упускали возможность при случае упомянуть его. Но много ли мы знаем о нём, кроме того, что он отвечал на телефонные звонки и по звукам различных частот коммутировал электрические цепи? Вот бы узнать ещё чуточку побольше.
Когда в блоге Hackaday появилась статья о нём, я решил её… не переводить. Поскольку сведений там ненамного больше, кроме парочки малоизвестных фактов: во-первых, путешествуя, разработчики возили с собой только сам «ящик», а плоскую антропоморфную фигуру каждый раз вырезали на месте заново, во-вторых, устройство выполнено на лампах Knowles, близких к тиратронам (как выяснилось, нет — лампы обычные). Гику хочется схем, и они нашлись вместе с патентом. Который и перевожу.
«Моё изобретение относится к системам сигнализации, а точнее — к системам т. наз. диспетчерского управления, где удалённые выключатели или другие устройства удалённо управляются и наблюдаются с центрального диспетчерского пункта.
Увеличение количества систем передачи энергии с множеством небольших нагрузок, расположенных близко друг к другу, сделало присутствие операторов рядом с каждой из них дорогим и непрактичным.
Чтобы обойти это ограничение, изобретены такие системы диспетчерского управления, где устройства коммутации, расположенные рядом с нагрузками, избирательно управляются и наблюдаются одним оператором по сигнальным линиям из диспетчерского кабинета. Это оказалось эффективнее, чем располагать множество операторов рядом с каждой из нагрузок.
Но чтобы избирательно управлять удалёнными нагрузками и наблюдать за ними, оказалось необходимо разработать систему сигнализации с характеристиками, приспособленными для диспетчерского управления. Для этого, например, потребовалось безошибочно выбирать, какой именно нагрузкой управлять. Но при этом переключения производятся нечасто. В исходном положении нагрузка отключена, и она должна быть готова к пуску в любой момент как вручную оператором, так и автоматически.
Требование к безошибочности управления и наблюдения за устройствами коммутации привело к разработке очень сложных и дорогих систем. К тому же, прибавляется стоимость линий, прокладываемых между кабинетом диспетчера и местами расположения объектов управления. Для дополнительной надёжности линии, прокладываемые к объектам управления, распределённым по обслуживаемой территории, дублируются. А поскольку переключения нечасты, большую часть времени эти линии простаивают.
Но между кабинетом диспетчера и управляемыми оттуда нагрузками обычно проложены и линии телефонной связи. Передавать информацию можно и по ним, но телефонные компании противятся этому и не позволяют обмениваться по этим линиям другими видами сигналов, кроме речевых. Да и сами линии мало приспособлены для передачи других сигналов. Опасения телефонистов перестанут быть оправданными, если этим сигналам придать характеристики, близкие к характеристикам речевых сигналов. Оказалось, что сигналы на частотах, аналогичных частотам человеческой речи, пригодны и для телеуправления устройствами коммутации и наблюдения за их состоянием.
Предмет изобретения состоит в:
- использовании телефонных линий для телеуправления и телесигнализации таким образом, чтобы не дать телефонным компаниям придраться к характеристикам передаваемых сигналов
- применении таких сигналов для управления нагрузками и наблюдения за их состоянием из центрального диспетчерского кабинета
- управлении телефонными аппаратами в местах расположения объектов управления из того же кабинета
- использовании в качестве абонентских устройств стандартных телефонных аппаратов
- избирательном взаимодействии с множеством объектов управления из одного диспетчерского кабинета
Всё перечисленное можно осуществлять по отдельности и вместе в различных сочетаниях.
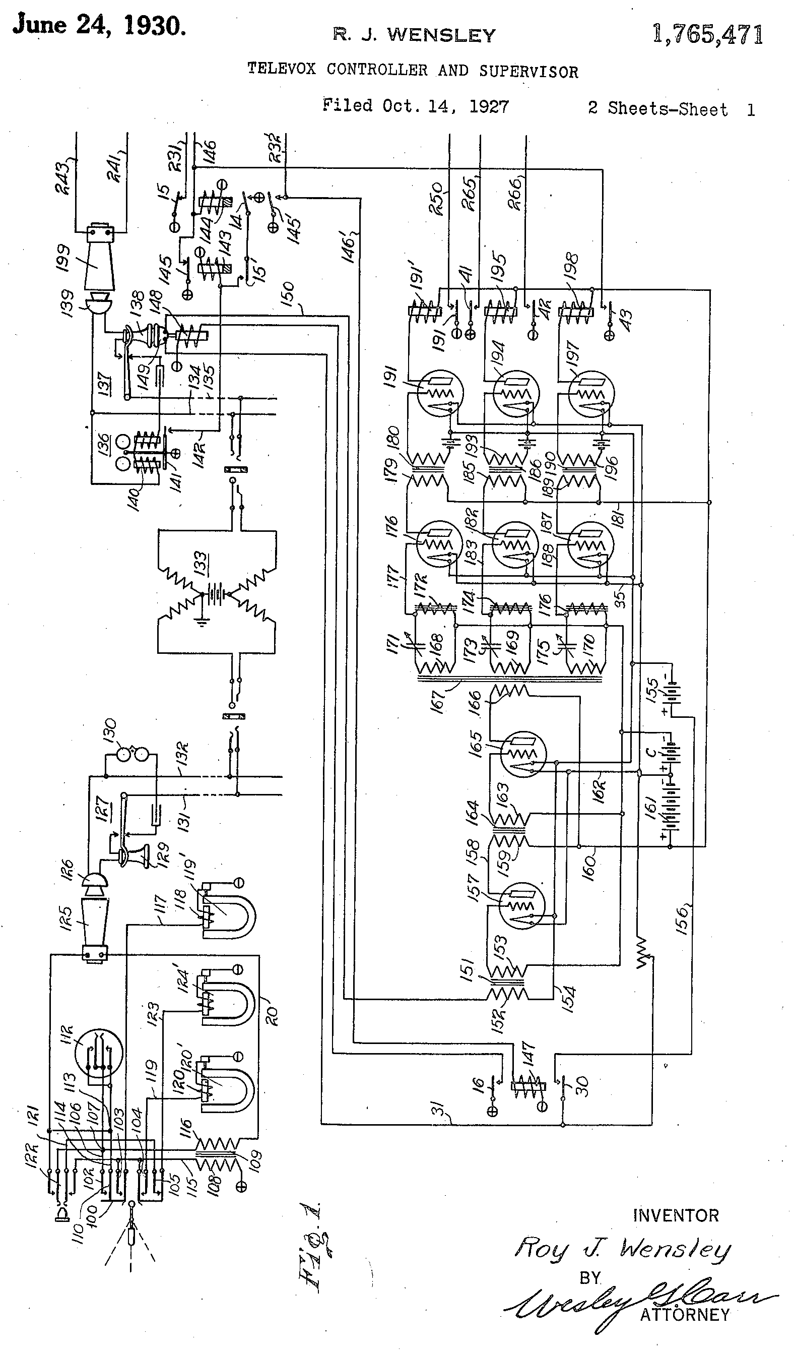
На рис. 1 показаны схемы устройства, расположенного в кабинете диспетчера, а также приёмного устройства на объекте управления, на рис. 2 — схема логики на реле и искателях на том же объекте.


Ключ 100 состоит из контактных групп 102, 103, 104 и 105, при этом группа 105 — нормально замкнутая. Проводник 106 идёт к точке 107, а оттуда — к вторичной обмотке 116 трансформатора 109. Подвижный контакт 102, замыкаясь на неподвижный контакт 110, закорачивает стандартный телефонный номеронабиратель 112, соединяя точку 113 через проводники 114 и 106 с точкой 107. Это будет подробнее описано далее. Подвижный контакт 103 соединён через проводник 115 с первичной обмоткой 108 трансформатора 109. При замыкании соответствующей контактной группы эта цепь также соединяется через проводник 117 с обмоткой 118 зуммера 119'. Зуммер 119 содержит камертон, задающий частоту генерируемых им колебаний. Зуммеры 120', 124' и 119' настроены на различные частоты, что позволяет избирательно включать и отключать дистанционные переключатели на объекте управления.
Подвижный контакт 104 соединён проводником 119 через обмотку 120 зуммера 120' и через проводник 115 к выключателю питания через многовитковую обмотку 108 звукового трансформатора 109. Когда замыкается цепь обмотки зуммера 120', в телефонную линию поступает тоновая посылка, позволяющая выбрать (как именно, описано далее), каким именно дистанционным переключателем управлять на удалённом объекте.
Подвижный контакт 105 соединён проводником 121 с ключом 122, а проводником 123 (когда контакты замкнуты) — с обмоткой зуммера 124. При этом в телефонную линию поступает сигнал звуковой частоты для перевода выбранного дистанционного переключателя в требуемое положение. Дисковый номеронабиратель 112 прерывает ток в цепи вторичной обмотки 108 трансформатора 109, поступающий к стандартному звукоизлучателю, расположенному вблизи микрофона 126 стандартного телефонного аппарата 127. Аппарат состоит из микрофона 126 и звукоизлучателя 129, соединённых обычным способом через звонок 130 с телефонной линией (проводники 131, 132), и далее с телефонной станцией.
Телефонная станция, схематично изображённая как поз. 133 — стандартная, к ней приходит множество линий, и любые две из них можно соединить таким образом, чтобы обеспечить связь между вызывающим и вызываемым абонентами.
Линия из проводников 134, 135 проведена от телефонной станции к объекту, где находятся дистанционные переключатели, требующие управления и наблюдения. Линия подключена к такому же телефонному аппарату, состоящему из звонка 136, звукоизлучателя 138 и микрофона 139. Звонок 136, состоящий из обмотки 140 и подвижной части 141, реагирует на сигнал вызова, поступающий с телефонной станции, прерывисто соединяет плюс источника питания с проводом 142, подключённый к обмотке реле 143 с задержкой отпускания. В исходном состоянии нормально замкнутая контактная группа 145 этого реле соединяют плюс источника питания с обмоткой реле 144 также с задержкой отпускания. Обмоткой реле 144 управляет не только контактная группа 145, но и контактная группа 281 по проводнику 146 для врзврата устройства в исходное положение способом, описанным далее.
Реле 144 своей контактной группой 145' управляет цепью перевода устройства во включённое состояние из исходного положения способом, описанным далее. Контактная группа 145' соединена проводником 146' с обмоткой реле 147, на которой в исходном положении напряжение отсутствует, но появляется при отпускании реле 144, когда поступает вызов с телефонной станции, способом, описанным далее.
Реле 147, срабатывая, включает соленоид 148, поднимающий телефонную трубку 138, отчего в телефонном аппарате происходят те же переключения, что и при снятии трубки человеком. Также при срабатывании этого реле происходит подача питания на лампы, описанные далее. В момент снятия трубки происходит установление связи кабинета диспетчера через телефонные линии, аппараты и станцию с удалённым объектом способом, описанным далее. Звукоизлучатель 138 воздействует на угольный микрофон 149, управляя протеканием тока через проводник 150 в соответствии с формой звуковых колебаний.
Проводник 150 включён последовательно с первичной обмоткой 152 трансформатора 151, и далее через проводник 154 — с батареей 155, а через не1 — с проводником 156.
Вторичная обмотка 153 того же трансформатора соединена с сеткой лампы 157. Эта лампа состоит из катода, сетки и анода, и включена обычным способом, применяемым при усилении сигналов звуковой частоты (не совсем обычным — нет развязки по постоянному току и смещения — переводчик). Анод лампы соединён проводником 158 с первичной обмоткой 159 звукового трансформатора 164, далее через неё с проводником 160, батареей 161, проводником 162 и нитью той же лампы. Вторичная обмотка 163 трансформатора 164 соединена с сеткой лампы 165, аналогичной лампе 157. Такой двухкаскадный усилитель известен и не является предметом изобретения.
Лампа 165 управляет первичной обмоткой звукового трансформатора 167. Его вторичные обмотки 168, 169 и 170 соединены с контурами, состоящими из конденсаторов 168, 169 и 170 и катушек индуктивности 172, 174 и 176'. Контуры настроены на те же частоты, что и зуммеры 120', 124' и 119' в кабинете диспетчера.
Сетка лампы 176 соединена проводником 177 с контуром, в состав которого входит катушка индуктивности 172. Анод той же лампы соединён проводником 178 с первичной обмоткой 179 звукового трансформатора 180, далее проводником 181 с батареей 161, подключённой к нити той же лампы. Сетки ламп 182 и 187 аналогично соединены с контурами, в состав которых входят катушки индуктивности 174 и 176', а их анодные цепи управляют первичными обмотками 185 и 189 звуковых трансформаторов 186 и 190.
Сигналы со вторичных обмоток трансформаторов 180, 186 и 190 усиливаются лампами 191, 194 и 197 тем же способом. Но у них предусмотрено отрицательное смещение от небольших батарей, поэтому без сигнала ток через их анодные цепи не протекает. Когда на сетку одной из ламп поступает сигнал, она включает обмотку реле, соответственно, 192, 195 или 198.
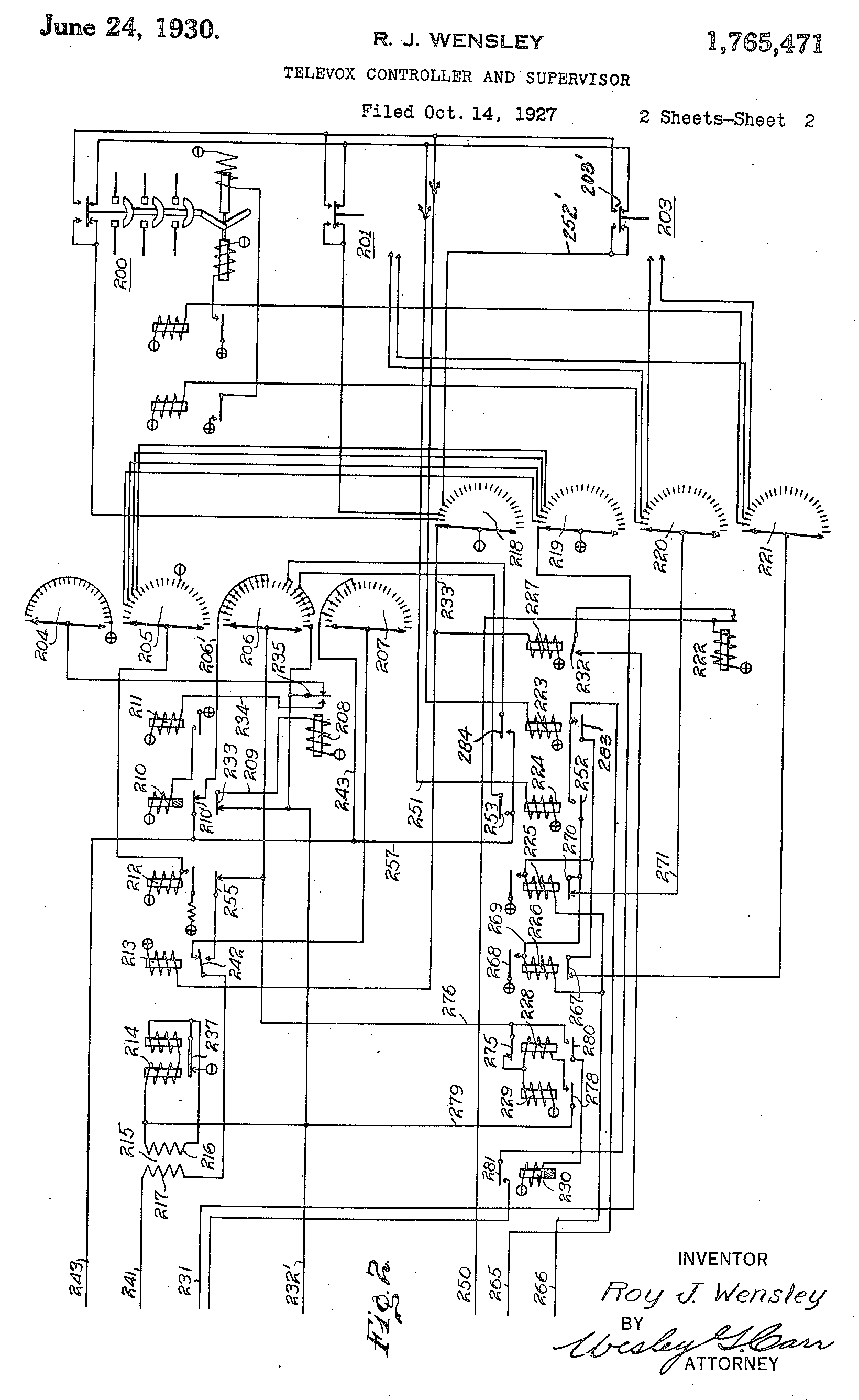
Переходим к рис. 2, здесь показаны двухобмоточные дистанционные переключатели 200, 201 и 203, хотя их, вместе с остальными управляющими ими узлами, может быть и больше. Шаговые искатели 204 — 207, каждый из которых состоит из подвижного контакта и набора неподвижных, управляются обмоткой 208. Они определяют, какие сигналы будут поступать обратно к диспетчеру, сообщая ему о текущем состоянии дистанционных переключателей способом, описанными далее.
Обмотка 208 через проводник 209 подключена к нормально замкнутой контактной группе 233, управляемой способом, описанным далее, для смены положений шаговых искателей 204 — 207. Реле с задержкой срабатывания 210 подключено так, чтобы напряжение на его обмотке появлялось и исчезало синхронно с напряжением на обмотке 208. Взаимодействие этих реле приводит к тому, что на обмотку 208 поступают импульсы, и шаговые искатели переключаются, выбирая различные источники сигналов для передачи данных об их состоянии диспетчеру. Реле 211 является промежуточным между реле 210 и обмоткой 208 шаговых искателей.
Цепь включения реле 212 управляется контактами искателя 205, выбирая устройство, сигнал о состоянии которого поступит к диспетчеру, способом, описанным далее. Реле 213 в исходном состоянии включено, и совместно с реле 212 управляет подачей кодовый сигналов на подвижные контакты искателей 204 — 207 так, что передаётся код либо выбранного удалённого объекта, либо нагрузки. Зуммер 214 коммутирует звонковый трансформатор 215, состоящей из первичной обмотки 216 и вторичной обмотки 217 для получения звукового сигнала, который прерывается в в соответствии с кодом объекта и выбранной нагрузки.
Второй набор искателей 218 — 221 избирательно управляется согласно кодовому сочетанию импульсов, поступающих из кабинета диспетчера для выбора дистанционного переключателя, которое будет управляться описанным далее способом. Подвижные контакты этих искателей управляются обмоткой 222, которой, в свою очередь, управляет контактная группа 191 реле 191' способом, описанным далее.
Реле 223 и 224 являются общими для всех дистанционных переключателей, и когда подвижный контакт искателя 218 перемещается от одного неподвижного контакта к другому, одно из этих реле срабатывает в зависимости от того, включён или выключен тот дистанционный переключатель, к контактам состояния которого подключён в этот момент подвижный контакт этого искателя. Реле 225 и 226 также являются общими для всех дистанционных переключателей, и они управляются конечным управляющим импульсом, поступающим из диспетчерского кабинета для замыкания цепей, по которым проходит ток через контакты реле 223 или 224, в зависимости от того, какое из них в данный момент включено.
Реле 227 управляет обмоткой 222, переключающей шаговые искатели. Также эта же обмотка управляет группой нормально замкнутых контактов. Когда объект выбран, получается подобие зуммера, включаемое через контактную группу реле 227, способом, описанным далее. Подвижные контакты искателей перемещаются до возврата в исходное положение. Реле 228 — 230 включаются способом, описанным далее, после выбора удалённого объекта, и возвращают устройство в исходное положение с определённой задержкой. Таким образом, если оператор на телефонной станции случайно соединит с удалённым объектом кого-то ещё, кроме диспетчера, вскоре устройство вернётся в исходное положение автоматически.
Итак, соединение установлено, дистанционный переключатель, состояние которого нужно сменить, выбран. Что происходит дальше?
Допустим, диспетчер решил включить дистанционный переключатель 203, показанный на схеме в отключённом состоянии. Вначале он просит оператора на телефонной станции соединить его с соответствующим объектом, и тот соединяет.
Звонок 140 начинает звонить, замыкается контактная группа 141-142, подаётся напряжение на обмотку реле 143.
Когда напряжение с этой обмотки снимается, через нормально замкнутую контактную группу 145 включается реле 144, отчего меняется состояние его контактных групп 14, 145' и 15. Через группу 15 и проводник 231 подготавливается цепь включения обмотки шаговых искателей 222, но ток пока не проходит, потому что разомкнута группа 232 реле 227.
В исходном положении цепь питания реле 213 и 227 замкнута по проводнику 233, первому неподвижному контакту искателя 218 и его подвижному контакту к минусу батареи.
Про срабатывании реле 143 способом, описанным выше, реле 144 отключается, контактная группа 145 размыкается. Через некоторое время замыкается группа 14 реле 144, и реле 143 самоблокируется: плюс батареи соединяется через группу 14, затем группу 15', с обмоткой реле 143, противоположный вывод которой соединён с минусом. Реле 143 остаётся включённым, пока не поступит сигнал его отключения способом, описанным далее.
Дальнейшим результатом отключения реле 144 становится размыкание подготовленной через группу 15 цепи включения обмотки шаговых искателей 222, а также замыкание цепи включения реле 147 через группу 145'.
Плюс батареи соединяется через группу 145' и проводник 232' с обмоткой зуммера 214, далее с минусом батареи. Эта цепь подробнее описана далее.
За срабатыванием реле 147 следует поднятие трубки соленоидом 148, управляемым группой 16.
Микрофон 149 начинает принимать звуки, как только снимается трубка со звукоизлучателем 138, отчего сила тока в проводнике 150 меняется в соответствии со звуковыми колебаниями, поступающими с этого звукоизлучателя.
Вместе с цепью включения реле 147 замыкается и цепь обмотки искателей 208 через проводник 209, группу 233, проводник 233' и группу 145'. Подвижные контакты искателей 204-207 подготавливаются к переходу в следующее положение. Замыкается цепь включения реле 211 через группу 235, проводник 234, проводник 232' и группу 145'.
Реле 211 включает реле 210. Группой 233 размыкается цепь питания обмотки искателей 208, и шаговые искатели переключаются во второе положение. Реле с задержкой отпускания 210 отключается после отключения реле 211, и через некоторое время его контакты размыкаются. Замыкается группа 233, подаётся напряжение на обмотку 208, и искатели снова подготавливаются к переключению.
Таким образом, попеременное срабатывание обмотки искателей 208 и реле с задержкой отпускания 210 приводит к перемещению подвижных контактов искателей по разным неподвижным контактам.
Когда искатель 204 переходит во втрое положение, подготавливается цепь питания обмотки 208 через искатель 204 вместе с цепью, проходящей через группу 145', и обмотка начинает периодически включаться независимо от состояния реле 144 сразу после перехода искателя во второе положение (потому что все неподвижные контакты искателя 204, кроме первого, соединены вместе).
Итак, искатели начинают переключаться. Вспомним, что с отключением реле 144 и замыканием группы 145' замыкается цепь зуммера 214. Когда зуммер вибрирует, на первичную обмотку 216 звонкового трансформатора 215 поступают импульсы с частотой, на которую настроен зуммер. Замыкается цепь: минус батареи, группа 237, обмотка зуммера 214 первичная обмотка 216, проводник 232, группа 145', плюс батареи.
Когда через первичную обмотку 216 трансформатора 215 проходит прерывистый ток, в обмотке 217 наводится переменное напряжение, поступающее на звукоизлучатель 199 по такой цепи: проводник 214, обмотка 217, группа 242, искатель 207 в третьем положении, проводник 243, второй вывод звукоизлучателя 199. Помимо третьего положения искателя, та же цепь замыкается, когда он находится в пятом, седьмом, девятом и десятом положениях. Таким образом, диспетчер получает пять тоновых посылок, при этом четвёртая и пятая посылки почти сливаются в одну длинную. На другом удалённом объекте неподвижные контакты такого же искателя соединены по-другому, чтобы диспетчер получил другой код.
Частота настройки зуммера 214 входит в диапазон человеческой речи, что не должно вызвать претензий у телефонистов. Диспетчер слушает код и определяет, правильно ли его соединили — с тем ли удалённым объектом, который ему нужен.
Убедившись, что всё правильно, диспетчер нажимает ключ, замыкается группа 104, подаётся напряжение на обмотку 120 зуммера 120'. Звуковой сигнал поступает на первичную обмотку 108 звукового трансформатора 109. Со вторичной обмотки 116 сигнал поступает на звукоизлучатель 125 через дисковый номеронабиратель 112. На нём диспетчер набирает цифру 5, и получается столько же тональных посылок. Их „слышит“ микрофон 126, и соответствующие сигналы поступают на телефонную стацию по линии 131, 132.
На удалённом объекте звукоизлучатель 138 излучает эти звуки в микрофон 149, отчего ток через проводник 150 начинает соответственно изменяться. Он поступает в первичную обмотку 152 звукового трансформатора 151 по такой цепи: микрофон, первичная обмотка, проводник 154, батарея 155, проводник 156, группа 30 реле 147, включаемого как описано выше, и проводник 31. Сигнал усиливается лампой 157, поступает через трансформатор 164 на лампу 165, а после усиления ей — на обмотку 166 трансформатора 167. Поскольку частота колебаний зуммера 120' соответствует частоте настройки контура 168, 171, сигнал с него поступает на лампу 176, усиливается ей и поступает на первичную обмотку 179 трансформатора 180. Лампа 191 усиливает и выпрямляет этот сигнал, отчего срабатывает реле 191'.
Включается обмотка 222 искателей 218-221 по такой цепи: плюс батареи, группа 192, проводник 250, обмотка 222, минус батареи. Искатели подготавливаются к переключению в следующее положение. Когда контакты номеронабирателя 112 размыкаются первый раз, реле 191 отключается, снимается напряжение с обмотки 222, и искатели переключаются.
Искатель 218 во втором положении отключает реле 227 и 213. Реле 227 подготавливает цепь включения обмотки искателей через группу 232, но она пока не замкнута, так как не сработало реле 144.
Отпускание реле 213 вызывает размыкание цепи через искатель 207, по которой проходит сигнал о коде выбранного удалённого объекта, поскольку переключается группа 242. Подготавливается цепь через искатель 206 для сигнализации о выборе дистанционного переключателя способом, описанным далее.
К моменту передачи диспетчером пяти импульсов номеронабирателем реле 191' включается и выключается пять раз. То же происходит с обмоткой 222 искателей 218-221.
Когда искатели достигают пятого положения, замыкается цепь питания реле 224, поскольку дистанционный переключатель 203 находится в отключённом положении. Замыкается цепь из батареи, обмотки реле 224, проводника 251, вспомогательного контакта 203' дистанционного переключателя 203, проводник 252', искателя 218 в пятом положении и минуса батареи.
При включении реле 224 подготавливается цепь включения реле 226 через группу 252, но эта цепь ещё не замкнута, так как разомкнута группа 41 реле 195. Замыкается цепь сигнализации о состоянии дистанционного переключателя через группу 253. Она состоит из звукоизлучателя 199, проводника 241, вторичной обмотки 217 трансформатора 215, группы 242, группы 255, искателя 206, проводника 206', группы 210' и проводника 243 к противоположному выводу звукоизлучателя.
При включении и отключении обмотки искателей 208 и реле с задержкой отпускания 210 способом, описанным выше, цепь подачи сигнала на звукоизлучатель замыкается и размыкается искателем 206. При переходе искателя 205 в седьмое положение включается реле 212 по такой цепи: минус батареи, обмотка реле 212, искатель 205 в седьмом положении, проводник 260, искатель 219 в пятом положении, плюс батареи. Реле 212 срабатывает, самоблокируется группой 212', и группа 255 прерывает подачу сигнала наблюдения. Количество сигналов, которые услышит перед этим диспетчер, соответствует номеру дистанционного переключателя.
Когда искатель 205 достигает пятнадцатого положения, обмотка реле 212 замыкается накоротко (какая жесть, но по схеме так и есть), отчего оно отпускается, подготавливая передачу сигнала наблюдения за состоянием дистанционного переключателя. Этот сигнал подаётся, когда искатель 206 достигает положения 16 или 18, соответственно, через группу 269 (на самом деле 284) или 253 и проводник 257 на проводник 243, в зависимости от того, замкнут или разомкнут дистанционный переключатель. Если замкнута цепь через искатель в 18 положении и группу 253, звучит длинный сигнал, поскольку цепь замкнута всё время, пока искатель проходит положения от 18 до 23. Если же дистанционный переключатель включён, звучит короткий сигнал, поскольку из положения 16 в положение 17 искатель переключится быстрее. Так диспетчер узнаёт, в каком положении дистанционный переключатель сейчас.
Диспетчер нажимает ключ, замыкается группа 105, включается второй зуммер 124' по такой цепи: минус батареи, группа и обмотка зуммера, группа 105, проводник 121, группа 122, обмотка 108 трансформатора 109, плюс батареи. Звукоизлучатель 125 издаёт звук в микрофон 126, сигнал проходит через телефонную станцию, повторяется звукоизлучателем 138 и воспринимается микрофоном 149. Далее он проходит через трансформатор 151, усиливается лампами 157 и 165, поступает на обмотку 166 трансформатора 167, возбуждает колебания в контуре 169-173, усиливается лампой 182, проходит через трансформатор 186, усиливается лампой 194 и включает реле 195.
Замыкается цепь включения реле 226: плюс батареи, группа 41, проводник 265, группа 252, обмотка реле 226, проводник 266, группа 42, минус батареи.
Цепь электромагнита отключения дистанционного переключателя размыкается группой 267, а цепь его электромагнита включения — группой 268: плюс батареи — группа 268, проводник 269, группа 270, проводник 271, искатель 220 в пятом положении, электромагнит включения (не показан) дистанционного переключателя 203.
Дистанционный переключатель 203 переходит во включённое положение, его вспомогательный контакт 203' переключается таким образом, что размыкается цепь включения реле 224, а цепь включения реле 223 замыкается: плюс батареи, обмотка реле 223, вспомогательный контакт 203', искатель 218 в пятом положении, минус батареи. Реле 223 группой 283 подготавливает цепь включения реле 225, которая понадобится, когда снова потребуется подать напряжение на электромагнит отключения. Группа 284 подготавливает цепь подачи сигнала наблюдения.
После смены положения искателя 206 размыкается цепь подачи сигнала на звукоизлучатель 199, ранее состоявшая из проводников 257 и 243 и группы 253. Теперь замкнута цепь, проходящая через группу 284. Она состоит из звукоизлучателя 199, проводника 241, вторичной обмотки 217 трансформатора 215, групп 242 и 255, искателя 206 в положении 16 или 17, группы 284, проводников 257 и 243 и противоположного вывода звукоизлучателя.
Теперь диспетчер нажимает ключ 100, замыкается группа 103, влючается зуммер 119', и сигнал с частотой его настройки поступает на первичную обмотку 108 трансформатора 109. Он проходит через звукоизлучатель 125, микрофон 126, телефонную станцию 133, и так далее, в конечном итоге вызывая срабатывание реле 198. Группа 43 включает реле 144, цепь самоблокировки реле 143, включающая в себя группы 14 и 15, размыкается группой 14. Цепь включения обмотки искателей 208 и реле 147 размыкается группой 145'.
Если искатель 204 не находится в первом положении к моменту размыкания цепи питания обмотки 208 включением реле 144, замыкается цепь включения обмотки 208, не зависящая от реле 144. Эта цепь состоит из плюса батареи, искателя 204 в любом положении, кроме первого, групп 235 и 233 и минуса батареи. Реле 210 невозможно включить, пока включено реле 144. Но при включении обмотки 208 размыкается группа 235, искатели переключаются в следующее положение, обмотка 208 снова включается, и всё это происходит до тех пор, пока искатели 204-207 не вернутся в первое положение.
При отключении реле 147 размыкается цепь соленоида 148, и трубка 138 возвращается на рычаг. Отпускание реле 147 приводит к отключению накала всех ламп группой 30, а также размыканию цепи микрофона. Обмотка искателей 222 включается цепью: плюс батареи, обмотка 222, группа, управляемая этой обмоткой, группа 232 реле 227, группа 15 реле 144, минус батареи.
Группа, управляемая обмоткой 222, размыкается, искатель переключается, группа снова замыкается, и так пока искатель не вернётся в первое положение. Реле 227 включается через цепь: плюс батареи, обмотка реле 227, искатель 218 в первом положении, минус батареи. Через ту же цепь подаётся напряжение на обмотку реле 213. Реле 227 срабатывает, группа 232 размыкается, и вращение искателя прекращается. Теперь искатели 218-221 находятся в первом положении.
Оператор на телефонной станции может ошибочно соединить с удалённым объектом не диспетчера, а другого абонента. Нужно сделать так, чтобы при отсутствии команд всё через некоторое время вернулось в исходное положение. Для этого нужны реле 228-230. Когда искатель 206 достигает положения 25 после того, как устройство оказывается включённым за счёт отпускания реле 144 способом, описанным выше, замыкается цепь включения реле 229: минус батареи, группа 275, проводник 276, искатель 206 в положении 25, группа 145, плюс батареи.
Реле 229 срабатывает и самоблокируется и включает реле 228 группой 278, но цепь не замыкается, так как цепь, описанная выше, замыкает накоротко обмотку реле 228. Но когда искатель переходит из 25-го положения в первое, цепь питания реле 229 размыкается, и появляется новая цепь самоблокировки реле 228 и 229: минус батареи, обмотки реле 228 и 229, соединённые последовательно, группа 278, проводник 279, проводник 232', группа 145', плюс батареи.
Когда искатель 206 вновь достигает положения 25, замыкается цепь включения реле 230: плюс батареи, группа 280, проводник 276, искатель 206 в положении 25, группа 145', плюс батареи.
Реле 230, срабатывая, замыкает цепь включения реле 144: минус батареи, обмотка реле 144, проводник 146, группа 281, искатель 219, плюс батареи. Реле 144 срабатывает, возвращая всё устройство в исходное положение как описано выше, реле 228 и 229 отключаются, цепь их блокировки остаётся замкнутой через группу 145'. Отключение реле 228 приводит к размыканию цепи включения реле 230, и оно тоже отключается. Таким образом, цепь возврата в исходное положение замыкается через искатель 219, и если искатели остаются в первом положении, что происходит при звонке любого человека, кроме диспетчера, устройство возвращается в исходное положение.
Если же позвонил действительно диспетчер и подал ту или иную команду, цепь возврата не замыкается, и можно управлять дистанционными переключателями столько времени, сколько требуется.
Из описания следует, что предложенная система может работать на стандартных телефонных линиях, через обычную телефонную станцию, и дистанционно управлять коммутацией нагрузок и наблюдать за их текущим состоянием. Всё, что связано с телефонией, не подвергается никаким переделкам (ага, а приделать к звонку контактную группу — не считается?), а передаваемые сигналы имеют те же характеристики, что и человеческая речь, и укладываются в слышимый диапазон.
Хотя описана и конкретная реализация системы, предмет изобретения относится не только к ней, но и ко всем аналогичным по сути системам, отвечающим изложенным ниже утверждениям...»
Далее следует набор формулировок, обычно приводимых, чтобы патент нельзя было обойти, слегка модифицировав реализацию. А то вот Берлинер сменил цилиндр на диск, а глубинную запись — на поперечную, и всё — плагиатом не считается. В итоге победил более удобный диск, но повторения таких ситуаций изобретатели больше не хотят.
Перед нами — один из первых случаев применения селективных электронных реле (СЭР). Придя в технику телеуправления, они остались там надолго, всё, что в них менялось — элементная база, а принцип действия оставался неизменным на протяжении многих десятилетий. Возможно, вы и сами в семидесятых, строя многокомандные системы управления моделями, наматывали эти огромные катушки для контуров, настроенных на звуковые частоты. И неважно, что вместо ламп там были транзисторы…
Автор: Tormoz Edison
